Поиск подшипника
Статьи
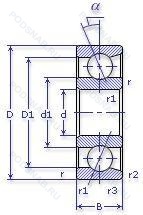
6-66204 А1ЛШ1 — Шариковый радиально-упорный однорядный подшипник, модификация основного исполнения 66204, производство ГПЗ.
Размер подшипника: 20x47x14 мм.
Нормы шумности, сепаратор из латуни, повышенная грузоподъемность.
Государственный стандарт ГОСТ
666204А1ЛШ1
В наличии
| Обозначение | Конструктивные изменения |
|---|---|
| 6-66204 А1ЛШ | Сепаратор из латуни.. Повышенная грузоподъемность. Нормы шумности. |
| 66204 | Шариковый радиально-упорный однорядный подшипник. Основное конструктивное исполнение. |
| 6-66204 Е2У | Дополнительные технические требования. Сепаратор из пластических материалов.. |
| 66204-АЛ1 | Сепаратор из латуни.. Повышенная грузоподъемность. |
Модификации шарикового подшипника 6-66204 А1ЛШ1 — это измененное основное конструктивное исполнение 66204, основные размеры (20x47x14) не отличаются.
| Обозначение | Гост | Конструктивные особенности |
|---|---|---|
| 6-46204 Л | ГОСТ | Сепаратор из латуни.. |
| 6-46204 ЮТ | ГОСТ | Температура отпуска. 160°. Все детали или часть деталей из нержавеющей стали.. |
| 7-36204 Е | ГОСТ | Сепаратор из текстолита.. |
| 46204-А | ГОСТ | Повышенная грузоподъемность. |
| 46204-Е | ГОСТ | Сепаратор из текстолита.. |
| 46204-Е5 | ГОСТ | Сепаратор из текстолита.. |
| 46204-К | ГОСТ | «Замок» (скос) на внутреннем кольце плюс массивный сепаратор из текстолита. |
| 46204-Л | ГОСТ | Сепаратор из латуни.. |
| 5-36204 Е | ГОСТ | Сепаратор из текстолита.. |
| 5-36204 Е5 | ГОСТ | Сепаратор из текстолита.. |
| 5-36204 К | ГОСТ | «Замок» (скос) на внутреннем кольце плюс массивный сепаратор из текстолита. |
| 5-36204 К2Б | ГОСТ | «Замок» (скос) на внутреннем кольце плюс массивный сепаратор из текстолита. Сепаратор из безоловянистой бронзы.. |
| 5-36204 Л | ГОСТ | Сепаратор из латуни.. |
| 5-36204 Л2 | ГОСТ | Сепаратор из латуни.. |
| 5-46204 Б | ГОСТ | Сепаратор из безоловянистой бронзы.. |
| 5-46204 Е | ГОСТ | Сепаратор из текстолита.. |
| 5-46204 ЕШ | ГОСТ | Сепаратор из текстолита.. Нормы шумности. |
| 5-46204 ЕШ3 | ГОСТ | Сепаратор из текстолита.. Нормы шумности. |
| 5-46204 Л | ГОСТ | Сепаратор из латуни.. |
| 5-46204 Л1 | ГОСТ | Сепаратор из латуни.. |
Аналог шарикового подшипника 6-66204 А1ЛШ1 — это подшипник такого же размера dx20,Dx47,Bx14, типа и конструкции.
| Обозначение | Конструктивные особенности | Внутренний (d) | Наружный (D) | Ширина (B) |
|---|---|---|---|---|
| 580204-АКС17 | Шариковый радиальный однорядный подшипник. Смазка Литол-24. Повышенная грузоподъемность. | 20.00 | 47.00 | 14.00 |
| 580204-АКУС17 | Шариковый радиальный однорядный подшипник. Смазка Литол-24. Дополнительные технические требования. Повышенная грузоподъемность. | 20.00 | 47.00 | 14.00 |
| 580204-КС17 | Шариковый радиальный однорядный подшипник. Смазка Литол-24. «Замок» (скос) на внутреннем кольце плюс массивный сепаратор из текстолита. | 20.00 | 47.00 | 14.00 |
| 580204-КС17W | Шариковый радиальный однорядный подшипник. Детали из вакуумированной стали.. Смазка Литол-24. «Замок» (скос) на внутреннем кольце плюс массивный сепаратор из текстолита. | 20.00 | 47.00 | 14.00 |
| 580204-КС17W2 | Шариковый радиальный однорядный подшипник. Детали из вакуумированной стали.. Смазка Литол-24. «Замок» (скос) на внутреннем кольце плюс массивный сепаратор из текстолита. | 20.00 | 47.00 | 14.00 |
| 580204-С17 | Шариковый радиальный однорядный подшипник. Смазка Литол-24. | 20.00 | 47.00 | 14.00 |
| 580204АК | Шариковый радиальный однорядный подшипник. Повышенная грузоподъемность. | 20.00 | 47.00 | 14.00 |
| 6-12204 К2 | Роликовый радиальный однорядный подшипник. Кольцевая проточка на середине цилиндрической наружной поверхности наружного кольца плюс три отверстия для смазки. | 20.00 | 47.00 | 14.00 |
| 6-180204 АКС17 | Шариковый радиальный однорядный подшипник. Смазка Литол-24. Повышенная грузоподъемность. | 20.00 | 47.00 | 14.00 |
| 6-180204 АС17 | Шариковый радиальный однорядный подшипник. Смазка Литол-24. Повышенная грузоподъемность. | 20.00 | 47.00 | 14.00 |
| 6-180204 АС9 | Шариковый радиальный однорядный подшипник. Повышенная грузоподъемность. Смазка ЛЗ-31. | 20.00 | 47.00 | 14.00 |
| 6-180204 КС9Ш2У | Шариковый радиальный однорядный подшипник. Дополнительные технические требования. Нормы шумности. Смазка ЛЗ-31. | 20.00 | 47.00 | 14.00 |
| 6-180204 С17 | Шариковый радиальный однорядный подшипник. Смазка Литол-24. | 20.00 | 47.00 | 14.00 |
| 6-180204 С9Ш2 | Шариковый радиальный однорядный подшипник. Нормы шумности. Смазка ЛЗ-31. | 20.00 | 47.00 | 14.00 |
| 6-180204 С9Ш2У | Шариковый радиальный однорядный подшипник. Дополнительные технические требования. Нормы шумности. Смазка ЛЗ-31. | 20.00 | 47.00 | 14.00 |
Способы доставки
Отправка через ведущие транспортные и курьерские компании: ПЭК, Деловые Линии, СДЭК, Байкал-Сервис, Энергия, КИТ, ЖелДорЭкспедиция.
Самовывоз возможен напрямую со склада в Москве.
Сроки доставки
Срок зависит от региона и выбранной транспортной компании. Все заказы комплектуются и отправляются в кратчайшие сроки со склада в Москве.
Надёжность и сохранность
Вся продукция упаковывается с учётом требований транспортировки. Мы гарантируем, что подшипники и комплектующие прибудут к заказчику в полной сохранности.
Доставка в страны ЕАЭС
Мы работаем с проверенными логистическими партнёрами, что позволяет оперативно доставлять заказы в Беларусь, Казахстан, Армению и другие страны ЕАЭС.
Варианты оплаты:
Минимальная сумма заказа и скидки:
Документы и гарантии:
Да, конечно! Наши технические специалисты готовы помочь вам с подбором точного аналога или замены подшипника. Просто позвоните нам по телефону +7 (495) 104-99-04 или напишите на почту zakaz@podsnab.ru.
Для оперативной консультации подготовьте, пожалуйста, имеющиеся данные: маркировку, размеры, тип оборудования или артикул старого подшипника.
Да, конечно! Мы высоко ценим долгосрочное сотрудничество и доверие клиентов по всей России. Для постоянных клиентов действует персональная система скидок.
Условия формируются индивидуально и зависят от:
Чтобы узнать свои условия и получить максимально выгодное предложение, свяжитесь с персональным менеджером или напишите нам на почту zakaz@podsnab.ru.
Вы можете оформить заказ несколькими способами:
Для оформления заказа от юридического лица свяжитесь с нашим отделом по работе с корпоративными клиентами по телефону +7 (495) 104-99-04 или напишите на email zakaz@podsnab.ru, прикрепив реквизиты вашей организации.
Мы оперативно подготовим коммерческое предложение и выставим счет.
Возврат товара надлежащего качества возможен в течение 10 дней с момента получения, если товар не был в употреблении, сохранен товарный вид, упаковка не вскрывалась и присутствуют все сопроводительные документы.
Возврат денежных средств осуществляется в течение 10 рабочих дней после проверки товара складом.
В соответствии с законодательством возврату не подлежат подшипники надлежащего качества, если отсутствует оригинальная упаковка или имеются следы монтажа.
В случае выявления брака или гарантийного случая мы гарантируем возврат или обмен товара.
Да, гарантийный срок хранения устанавливается заводом-изготовителем и в среднем составляет 2 года при соблюдении условий хранения: сухое помещение, оригинальная упаковка и смазка.
Точный срок для конкретного типа подшипника уточняйте у наших менеджеров.
Пн–Пт: с 8:00 до 17:00 (МСК).
Сб–Вс: выходные дни.
Заказы на сайте принимаются круглосуточно. Заявки, поступившие после окончания рабочего дня, обрабатываются на следующий рабочий день.
Минимальная сумма заказа для доставки составляет 3000 рублей. Самовывоз со склада возможен на любую сумму при наличии товара.
ООО «УралТехГрупп»
ИНН: 7415093830
КПП: 772401001
ОГРН: 1167456069021
Банк: ПАО Сбербанк
Р/с: 40702810838000475273
К/с: 30101810400000000225
БИК: 044525225
У подшипника 6-66204 А1ЛШ1 пока нет отзывов. Вы можете стать первым покупателем, поделившимся своим мнением.