Поиск подшипника
Статьи
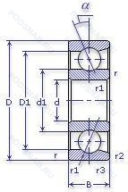
6-66210 А1ЛШ — Шариковый радиально-упорный однорядный подшипник, модификация основного исполнения 66210, производство ГПЗ.
Размер подшипника: 50x90x20 мм.
Сепаратор из латуни, повышенная грузоподъемность, нормы шумности.
Государственный стандарт ГОСТ
666210А1ЛШ
В наличии
| Обозначение | Конструктивные изменения |
|---|---|
| 6-66210 А1ЛШ1 | Сепаратор из латуни.. Повышенная грузоподъемность. Нормы шумности. |
| 6-66210 | Шариковый радиально-упорный однорядный подшипник. |
| 66210 | Шариковый радиально-упорный однорядный подшипник. Основное конструктивное исполнение. |
| 66210-АЛ1 | Сепаратор из латуни.. Повышенная грузоподъемность. |
| 66210-Л | Сепаратор из латуни.. |
| 5-66210 ЕУ | Сепаратор из текстолита.. Дополнительные технические требования. |
Модификации шарикового подшипника 6-66210 А1ЛШ — это измененное основное конструктивное исполнение 66210, основные размеры (50x90x20) не отличаются.
| Обозначение | Гост | Конструктивные особенности |
|---|---|---|
| 6-46210 А | ГОСТ | Повышенная грузоподъемность. |
| 6-46210 АК | ГОСТ | Повышенная грузоподъемность. |
| 6-46210 АКЛ | ГОСТ | Сепаратор из латуни.. Повышенная грузоподъемность. |
| 6-46210 АЛ | ГОСТ | Сепаратор из латуни.. Повышенная грузоподъемность. |
| 6-46210 Е | ГОСТ | Сепаратор из текстолита.. |
| 6-46210 Л | ГОСТ | Сепаратор из латуни.. |
| 7А-126210 Р1 | ГОСТ | Детали из теплоустойчивой (быстрорежущие) стали.. |
| 46210-А | ГОСТ | Повышенная грузоподъемность. |
| 46210-АК | ГОСТ | Повышенная грузоподъемность. |
| 46210-АКЛ | ГОСТ | Сепаратор из латуни.. Повышенная грузоподъемность. |
| 46210-АЛ | ГОСТ | Сепаратор из латуни.. Повышенная грузоподъемность. |
| 46210-Е | ГОСТ | Сепаратор из текстолита.. |
| 46210E5 | ГОСТ | Смазочные отверстия и канавки во внутреннем кольце. |
| 46210К | ГОСТ | «Замок» (скос) на внутреннем кольце плюс массивный сепаратор из текстолита. |
| 4А-126210 Р1 | ГОСТ | Детали из теплоустойчивой (быстрорежущие) стали.. |
| 5-126210 Р2 | ГОСТ | Детали из теплоустойчивой (быстрорежущие) стали.. |
| 5-36210 Е | ГОСТ | Сепаратор из текстолита.. |
| 5-46210 Е | ГОСТ | Сепаратор из текстолита.. |
| 5-46210 Л | ГОСТ | Сепаратор из латуни.. |
| 5-46210 Л1 | ГОСТ | Сепаратор из латуни.. |
Аналог шарикового подшипника 6-66210 А1ЛШ — это подшипник такого же размера dx50,Dx90,Bx20, типа и конструкции.
| Обозначение | Конструктивные особенности | Внутренний (d) | Наружный (D) | Ширина (B) |
|---|---|---|---|---|
| 5-210 Е | Шариковый радиальный однорядный подшипник. Сепаратор из текстолита.. | 50.00 | 90.00 | 20.00 |
| 5-210 Р | Шариковый радиальный однорядный подшипник. Детали из теплоустойчивой (быстрорежущие) стали.. | 50.00 | 90.00 | 20.00 |
| 5-32210 Л | Роликовый радиальный подшипник. Сепаратор из латуни.. | 50.00 | 90.00 | 20.00 |
| 5-32210 Р | Роликовый радиальный однорядный подшипник. Детали из теплоустойчивой (быстрорежущие) стали.. | 50.00 | 90.00 | 20.00 |
| 50210-A | Шариковый радиальный однорядный подшипник. Двухрядный радиально-упорный шарикоподшипник без отверстия для смазки. | 50.00 | 90.00 | 20.00 |
| 50210-А | Шариковый радиальный однорядный подшипник. Повышенная грузоподъемность. | 50.00 | 90.00 | 20.00 |
| 50210-АК | Шариковый радиальный однорядный подшипник. Повышенная грузоподъемность. | 50.00 | 90.00 | 20.00 |
| 50210-К | Шариковый радиальный однорядный подшипник. «Замок» (скос) на внутреннем кольце плюс массивный сепаратор из текстолита. | 50.00 | 90.00 | 20.00 |
| 50210K | Шариковый радиальный однорядный подшипник. Коническое отверстие. Конусность 1/12. | 50.00 | 90.00 | 20.00 |
| 55-32210 Л1 | Роликовый радиальный однорядный подшипник. Сепаратор из латуни.. | 50.00 | 90.00 | 20.00 |
| 55-32210 Р | Роликовый радиальный однорядный подшипник. Детали из теплоустойчивой (быстрорежущие) стали.. | 50.00 | 90.00 | 20.00 |
| 56-2210 Б2Т | Роликовый радиальный однорядный подшипник. Температура отпуска. 160°. Сепаратор из безоловянистой бронзы.. | 50.00 | 90.00 | 20.00 |
| 56-2210 БТ | Роликовый радиальный однорядный подшипник. Температура отпуска. 160°. Сепаратор из безоловянистой бронзы.. | 50.00 | 90.00 | 20.00 |
| 6-1210 Ю | Шариковый радиальный двухрядный подшипник. Все детали или часть деталей из нержавеющей стали.. | 50.00 | 90.00 | 20.00 |
| 6-180210 Ш1 | Шариковый радиальный однорядный подшипник. Нормы шумности. | 50.00 | 90.00 | 20.00 |
Способы доставки
Отправка через ведущие транспортные и курьерские компании: ПЭК, Деловые Линии, СДЭК, Байкал-Сервис, Энергия, КИТ, ЖелДорЭкспедиция.
Самовывоз возможен напрямую со склада в Москве.
Сроки доставки
Срок зависит от региона и выбранной транспортной компании. Все заказы комплектуются и отправляются в кратчайшие сроки со склада в Москве.
Надёжность и сохранность
Вся продукция упаковывается с учётом требований транспортировки. Мы гарантируем, что подшипники и комплектующие прибудут к заказчику в полной сохранности.
Доставка в страны ЕАЭС
Мы работаем с проверенными логистическими партнёрами, что позволяет оперативно доставлять заказы в Беларусь, Казахстан, Армению и другие страны ЕАЭС.
Варианты оплаты:
Минимальная сумма заказа и скидки:
Документы и гарантии:
Да, конечно! Наши технические специалисты готовы помочь вам с подбором точного аналога или замены подшипника. Просто позвоните нам по телефону +7 (495) 104-99-04 или напишите на почту zakaz@podsnab.ru.
Для оперативной консультации подготовьте, пожалуйста, имеющиеся данные: маркировку, размеры, тип оборудования или артикул старого подшипника.
Да, конечно! Мы высоко ценим долгосрочное сотрудничество и доверие клиентов по всей России. Для постоянных клиентов действует персональная система скидок.
Условия формируются индивидуально и зависят от:
Чтобы узнать свои условия и получить максимально выгодное предложение, свяжитесь с персональным менеджером или напишите нам на почту zakaz@podsnab.ru.
Вы можете оформить заказ несколькими способами:
Для оформления заказа от юридического лица свяжитесь с нашим отделом по работе с корпоративными клиентами по телефону +7 (495) 104-99-04 или напишите на email zakaz@podsnab.ru, прикрепив реквизиты вашей организации.
Мы оперативно подготовим коммерческое предложение и выставим счет.
Возврат товара надлежащего качества возможен в течение 10 дней с момента получения, если товар не был в употреблении, сохранен товарный вид, упаковка не вскрывалась и присутствуют все сопроводительные документы.
Возврат денежных средств осуществляется в течение 10 рабочих дней после проверки товара складом.
В соответствии с законодательством возврату не подлежат подшипники надлежащего качества, если отсутствует оригинальная упаковка или имеются следы монтажа.
В случае выявления брака или гарантийного случая мы гарантируем возврат или обмен товара.
Да, гарантийный срок хранения устанавливается заводом-изготовителем и в среднем составляет 2 года при соблюдении условий хранения: сухое помещение, оригинальная упаковка и смазка.
Точный срок для конкретного типа подшипника уточняйте у наших менеджеров.
Пн–Пт: с 8:00 до 17:00 (МСК).
Сб–Вс: выходные дни.
Заказы на сайте принимаются круглосуточно. Заявки, поступившие после окончания рабочего дня, обрабатываются на следующий рабочий день.
Минимальная сумма заказа для доставки составляет 3000 рублей. Самовывоз со склада возможен на любую сумму при наличии товара.
ООО «УралТехГрупп»
ИНН: 7415093830
КПП: 772401001
ОГРН: 1167456069021
Банк: ПАО Сбербанк
Р/с: 40702810838000475273
К/с: 30101810400000000225
БИК: 044525225
У подшипника 6-66210 А1ЛШ пока нет отзывов. Вы можете стать первым покупателем, поделившимся своим мнением.