Поиск подшипника
Статьи
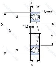
7000 CD/HCP4A — Шариковый радиально-упорный однорядный подшипник, модификация основного исполнения 7000, производство SKF.
Размер подшипника: 10x26x8 мм.
Двухкомпонентный штампованный стальной сепаратор с направляющим кольцом, измененная или модифицированная внутренняя конструкция при неизменных основных размерах.
Международная стандартизации ISO
7000CDHCP4A
В наличии
| Обозначение | Конструктивные изменения |
|---|---|
| 7000 ADF | Механически обработанный сепаратор из стали или специального чугуна. |
| 7000 ADT | Механически обработанный сепаратор из текстолита. |
| 7000 BDT | Механически обработанный сепаратор из текстолита. |
| 7000 BDF | Механически обработанный сепаратор из стали или специального чугуна. |
| 7000CGD2/GNP4 | Угол контакта 15°. Универсальный подшипник. Класс точности JIS4 / ISO 4. |
| 7000CG/GLP4 | Универсальный подшипник. Класс точности JIS4 / ISO 4. Резьбовой винт со стопором и защелкой. |
| 7000ADLLBG/GNP42 | Универсальный подшипник. Нитриловое бесконтактное уплотнение (-25 to +120°C). Класс точности JIS4 для размеров и JIS 2 для точности вращения. Угол контакта 25°. |
| 7000CDLLBG/GNP42 | Угол контакта 15°. Универсальный подшипник. Нитриловое бесконтактное уплотнение (-25 to +120°C). Класс точности JIS4 для размеров и JIS 2 для точности вращения. |
| 7000UADG/GNP42 | Универсальный подшипник. Класс точности JIS4 для размеров и JIS 2 для точности вращения. Угол контакта 25°. |
| 7000G/GMP42/L606Q2 | Универсальный подшипник. Класс точности JIS4 для размеров и JIS 2 для точности вращения. |
| 7000UG/GMP42/L606Q2 | Универсальный подшипник. Канавки на внутренней стороне наружного кольца. Класс точности JIS4 для размеров и JIS 2 для точности вращения. |
| 7000CG/GNP42 | Универсальный подшипник. Резьбовой винт со стопором и защелкой. Класс точности JIS4 для размеров и JIS 2 для точности вращения. |
| 7000CG/GMP42 | Универсальный подшипник. Резьбовой винт со стопором и защелкой. Класс точности JIS4 для размеров и JIS 2 для точности вращения. |
| 7000UCG/GNP4 | Угол контакта 15°. Универсальный подшипник. Класс точности JIS4 / ISO 4. |
| 7000CVUJ74 | Угол контакта 15°. Преднатяг (Лёгкий. Универсальные подшпники. |
| 7000HVUJ74 | Угол контакта 25°. Преднатяг (Лёгкий. Универсальные подшпники. |
| 7000 A | Двухрядный радиально-упорный шарикоподшипник без отверстия для смазки. |
| 7000B | Угол контакта 40 градусов. |
| 7000C | Угол контакта 15°. |
| 7000CPA | Угол контакта 15 градусов. |
| 7000AC | Суффикс для радиально-упорного шарикоподшипника. |
| 5S-7000UADG/GNP42 | Универсальный подшипник. Класс точности JIS4 для размеров и JIS 2 для точности вращения. Угол контакта 25°. Гибридный подшипник. |
| 5S-7000ADLLBG/GNP42 | Универсальный подшипник. Нитриловое бесконтактное уплотнение (-25 to +120°C). Класс точности JIS4 для размеров и JIS 2 для точности вращения. Угол контакта 25°. Гибридный подшипник. |
| 5S-7000UCG/GNP42 | Угол контакта 15°. Универсальный подшипник. Класс точности JIS4 для размеров и JIS 2 для точности вращения. Гибридный подшипник. |
| 5S-7000CDLLBG/GNP42 | Угол контакта 15°. Универсальный подшипник. Нитриловое бесконтактное уплотнение (-25 to +120°C). Класс точности JIS4 для размеров и JIS 2 для точности вращения. Гибридный подшипник. |
Модификации шарикового подшипника 7000 CD/HCP4A — это измененное основное конструктивное исполнение 7000, основные размеры (10x26x8) не отличаются.
| Обозначение | Гост | Конструктивные особенности |
|---|---|---|
| 36100К6 | ГОСТ | «Замок» (скос) на внутреннем кольце. |
| 36100К7 | ГОСТ | «Замок» (скос) на внутреннем кольце. |
| 4-26100 Е1 | ГОСТ | Сепаратор из текстолита.. |
| 4-36100 Е1 | ГОСТ | Сепаратор из текстолита.. |
| 4-36100 Е2Т | ГОСТ | Температура отпуска. 160°. Сепаратор из пластических материалов.. |
| 4-36100 ЕТ | ГОСТ | Сепаратор из текстолита.. Температура отпуска. 160°. |
| 4-36100 Ю2Т | ГОСТ | Температура отпуска. 160°. Все детали или часть деталей из нержавеющей стали.. |
| 4-6100 Е | ГОСТ | Сепаратор из текстолита.. |
| 4-6100 Ю1 | ГОСТ | Все детали или часть деталей из нержавеющей стали.. |
| 4-6100 Ю2Т | ГОСТ | Температура отпуска. 160°. Все детали или часть деталей из нержавеющей стали.. |
| 4-76100 E | ГОСТ | Повышенная грузоподъемность. |
| 4-76100 Е | ГОСТ | Сепаратор из текстолита.. |
| 6-6100 Л | ГОСТ | Сепаратор из латуни.. |
| 6-6100 Х | ГОСТ | Кольца и тела качения или только кольца (в том числе одно кольцо) из цементируемой стали.. |
| 46029К | ГОСТ | «Замок» (скос) на внутреннем кольце плюс массивный сепаратор из текстолита. |
| 46100К | ГОСТ | «Замок» (скос) на внутреннем кольце плюс массивный сепаратор из текстолита. |
| 5-6100 Е | ГОСТ | Сепаратор из текстолита.. |
| 5-6100 Е3 | ГОСТ | Сепаратор из пластических материалов.. |
| 6-126100 Ю1Т | ГОСТ | Температура отпуска. 160°. Все детали или часть деталей из нержавеющей стали.. |
| 6-126100 Ю1ТП | ГОСТ | Температура отпуска. 160°. Все детали или часть деталей из нержавеющей стали.. |
Аналог шарикового подшипника 7000 CD/HCP4A — это подшипник такого же размера dx10,Dx26,Bx8, типа и конструкции.
| Обозначение | Конструктивные особенности | Внутренний (d) | Наружный (D) | Ширина (B) |
|---|---|---|---|---|
| 5-29 ГУ1 | Шариковый радиальный однорядный подшипник. Сепаратор из черных металлов.. Дополнительные технические требования. | 9.00 | 26.00 | 8.00 |
| 5-29 ЮТ | Шариковый радиальный подшипник. Температура отпуска. 160°. Все детали или часть деталей из нержавеющей стали.. | 9.00 | 26.00 | 8.00 |
| 5-29 ЮТП | Шариковый радиальный однорядный подшипник. Температура отпуска. 160°. Все детали или часть деталей из нержавеющей стали.. | 9.00 | 26.00 | 8.00 |
| 5-80029 С1 | Шариковый радиальный однорядный подшипник. Смазка ОКБ 122-7. | 9.00 | 26.00 | 8.00 |
| 5-80029 С2 | Шариковый радиальный однорядный подшипник. Смазка ЦИАТИМ-221. | 9.00 | 26.00 | 8.00 |
| 5-80100 КС2 | Шариковый радиальный однорядный подшипник. «Замок» (скос) на внутреннем кольце плюс массивный сепаратор из текстолита. Смазка ЦИАТИМ-221. | 10.00 | 26.00 | 8.00 |
| 5-80100 С21 | Шариковый радиальный однорядный подшипник. Смазка ЭРА. | 10.00 | 26.00 | 8.00 |
| 5-80100 С9 | Шариковый радиальный однорядный подшипник. Смазка ЛЗ-31. | 10.00 | 26.00 | 8.00 |
| 6-100 Е2 | Шариковый радиальный однорядный подшипник. Сепаратор из пластических материалов.. | 10.00 | 26.00 | 8.00 |
| 6100-Л | Шариковый радиальный однорядный подшипник. Сепаратор из латуни.. | 10.00 | 26.00 | 8.00 |
| 6-100 Л1 | Шариковый радиальный однорядный подшипник. Сепаратор из латуни.. | 10.00 | 26.00 | 8.00 |
| 6-100 Х | Шариковый радиальный однорядный подшипник. Кольца и тела качения или только кольца (в том числе одно кольцо) из цементируемой стали.. | 10.00 | 26.00 | 8.00 |
| 6-100 Ю5Т | Шариковый радиальный однорядный подшипник. Температура отпуска. 160°. Все детали или часть деталей из нержавеющей стали.. | 10.00 | 26.00 | 8.00 |
| 6-100 ЮТ | Шариковый радиальный однорядный подшипник. Температура отпуска. 160°. Все детали или часть деталей из нержавеющей стали.. | 10.00 | 26.00 | 8.00 |
| 6-180100 С17 | Шариковый радиальный однорядный подшипник. Смазка Литол-24. | 10.00 | 26.00 | 8.00 |
Способы доставки
Отправка через ведущие транспортные и курьерские компании: ПЭК, Деловые Линии, СДЭК, Байкал-Сервис, Энергия, КИТ, ЖелДорЭкспедиция.
Самовывоз возможен напрямую со склада в Москве.
Сроки доставки
Срок зависит от региона и выбранной транспортной компании. Все заказы комплектуются и отправляются в кратчайшие сроки со склада в Москве.
Надёжность и сохранность
Вся продукция упаковывается с учётом требований транспортировки. Мы гарантируем, что подшипники и комплектующие прибудут к заказчику в полной сохранности.
Доставка в страны ЕАЭС
Мы работаем с проверенными логистическими партнёрами, что позволяет оперативно доставлять заказы в Беларусь, Казахстан, Армению и другие страны ЕАЭС.
Варианты оплаты:
Минимальная сумма заказа и скидки:
Документы и гарантии:
Да, конечно! Наши технические специалисты готовы помочь вам с подбором точного аналога или замены подшипника. Просто позвоните нам по телефону +7 (495) 104-99-04 или напишите на почту zakaz@podsnab.ru.
Для оперативной консультации подготовьте, пожалуйста, имеющиеся данные: маркировку, размеры, тип оборудования или артикул старого подшипника.
Да, конечно! Мы высоко ценим долгосрочное сотрудничество и доверие клиентов по всей России. Для постоянных клиентов действует персональная система скидок.
Условия формируются индивидуально и зависят от:
Чтобы узнать свои условия и получить максимально выгодное предложение, свяжитесь с персональным менеджером или напишите нам на почту zakaz@podsnab.ru.
Вы можете оформить заказ несколькими способами:
Для оформления заказа от юридического лица свяжитесь с нашим отделом по работе с корпоративными клиентами по телефону +7 (495) 104-99-04 или напишите на email zakaz@podsnab.ru, прикрепив реквизиты вашей организации.
Мы оперативно подготовим коммерческое предложение и выставим счет.
Возврат товара надлежащего качества возможен в течение 10 дней с момента получения, если товар не был в употреблении, сохранен товарный вид, упаковка не вскрывалась и присутствуют все сопроводительные документы.
Возврат денежных средств осуществляется в течение 10 рабочих дней после проверки товара складом.
В соответствии с законодательством возврату не подлежат подшипники надлежащего качества, если отсутствует оригинальная упаковка или имеются следы монтажа.
В случае выявления брака или гарантийного случая мы гарантируем возврат или обмен товара.
Да, гарантийный срок хранения устанавливается заводом-изготовителем и в среднем составляет 2 года при соблюдении условий хранения: сухое помещение, оригинальная упаковка и смазка.
Точный срок для конкретного типа подшипника уточняйте у наших менеджеров.
Пн–Пт: с 8:00 до 17:00 (МСК).
Сб–Вс: выходные дни.
Заказы на сайте принимаются круглосуточно. Заявки, поступившие после окончания рабочего дня, обрабатываются на следующий рабочий день.
Минимальная сумма заказа для доставки составляет 3000 рублей. Самовывоз со склада возможен на любую сумму при наличии товара.
ООО «УралТехГрупп»
ИНН: 7415093830
КПП: 772401001
ОГРН: 1167456069021
Банк: ПАО Сбербанк
Р/с: 40702810838000475273
К/с: 30101810400000000225
БИК: 044525225
У подшипника 7000 CD/HCP4A пока нет отзывов. Вы можете стать первым покупателем, поделившимся своим мнением.