Поиск подшипника
Статьи
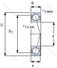
7001 ACD/HCP4A — Шариковый радиально-упорный однорядный подшипник, модификация основного исполнения 7001, производство SKF.
Размер подшипника: 12x28x8 мм.
Однорядный с улучшенной конструкцией и углом контакта 25°, измененная или модифицированная внутренняя конструкция при неизменных основных размерах.
Международная стандартизации ISO
7001ACDHCP4A
В наличии
| Обозначение | Конструктивные изменения |
|---|---|
| 7001DT | Дуплексные подшипники для установки в тандеме. |
| 7001DB | Two Single Row Deep Groove Ball Bearings. Single Row Angular Contact Ball Bearings Or Single Row Tapered Roller Bearings Matched For Mounting In A Back-To-Back Arrangement. |
| 7001 ADB | Modified Snap Ring Grooves In The Outer Ring_ Two-Piece Inner Ring Held Together By A Retaining Ring. |
| 7001 ADT | Механически обработанный сепаратор из текстолита. |
| 7001 BDF | Механически обработанный сепаратор из стали или специального чугуна. |
| 7001 BDT | Механически обработанный сепаратор из текстолита. |
| 7001CG/GMP42 | Универсальный подшипник. Резьбовой винт со стопором и защелкой. Класс точности JIS4 для размеров и JIS 2 для точности вращения. |
| 7001G/GMP42/L606Q2 | Универсальный подшипник. Класс точности JIS4 для размеров и JIS 2 для точности вращения. |
| 7001CDLLBG/GNP42 | Угол контакта 15°. Универсальный подшипник. Нитриловое бесконтактное уплотнение (-25 to +120°C). Класс точности JIS4 для размеров и JIS 2 для точности вращения. |
| 7001G/GMP4 | Универсальный подшипник. Класс точности JIS4 / ISO 4. |
| 7001UADG/GNP42 | Универсальный подшипник. Класс точности JIS4 для размеров и JIS 2 для точности вращения. Угол контакта 25°. |
| 7001CG/GNP4 | Универсальный подшипник. Класс точности JIS4 / ISO 4. Резьбовой винт со стопором и защелкой. |
| 7001ADLLBG/GNP42 | Универсальный подшипник. Нитриловое бесконтактное уплотнение (-25 to +120°C). Класс точности JIS4 для размеров и JIS 2 для точности вращения. Угол контакта 25°. |
| 7001CG/GNP42 | Универсальный подшипник. Резьбовой винт со стопором и защелкой. Класс точности JIS4 для размеров и JIS 2 для точности вращения. |
| 7001UCGD2/GNP4 | Угол контакта 15°. Универсальный подшипник. Класс точности JIS4 / ISO 4. |
| 7001UG/GMP42/L606Q2 | Универсальный подшипник. Канавки на внутренней стороне наружного кольца. Класс точности JIS4 для размеров и JIS 2 для точности вращения. |
| 7001HVUJ74 | Угол контакта 25°. Преднатяг (Лёгкий. Универсальные подшпники. |
| 7001C | Угол контакта 15°. |
| 7001 A | Двухрядный радиально-упорный шарикоподшипник без отверстия для смазки. |
| 7001CPA | Угол контакта 15 градусов. |
| 7001AC | Суффикс для радиально-упорного шарикоподшипника. |
| 5S-7001CDLLBG/GNP42 | Угол контакта 15°. Универсальный подшипник. Нитриловое бесконтактное уплотнение (-25 to +120°C). Класс точности JIS4 для размеров и JIS 2 для точности вращения. Гибридный подшипник. |
| 5S-7001UCG/GNP42 | Угол контакта 15°. Универсальный подшипник. Класс точности JIS4 для размеров и JIS 2 для точности вращения. Гибридный подшипник. |
| 5S-7001UADG/GNP42 | Универсальный подшипник. Класс точности JIS4 для размеров и JIS 2 для точности вращения. Угол контакта 25°. Гибридный подшипник. |
| 5S-7001ADLLBG/GNP42 | Универсальный подшипник. Нитриловое бесконтактное уплотнение (-25 to +120°C). Класс точности JIS4 для размеров и JIS 2 для точности вращения. Угол контакта 25°. Гибридный подшипник. |
Модификации шарикового подшипника 7001 ACD/HCP4A — это измененное основное конструктивное исполнение 7001, основные размеры (12x28x8) не отличаются.
| Обозначение | Гост | Конструктивные особенности |
|---|---|---|
| 4-36101 Е3 | ГОСТ | Сепаратор из пластических материалов.. |
| 4-36101 Е4 | ГОСТ | Сепаратор из пластических материалов.. |
| 4-6101 Е1 | ГОСТ | Сепаратор из текстолита.. |
| 4-6101 Е1У | ГОСТ | Сепаратор из текстолита.. Дополнительные технические требования. |
| 4-76101 E | ГОСТ | Повышенная грузоподъемность. |
| 4-76101 БТ | ГОСТ | Температура отпуска. 160°. Сепаратор из безоловянистой бронзы.. |
| 4-76101 Е | ГОСТ | Сепаратор из текстолита.. |
| 4-76101 Р | ГОСТ | Детали из теплоустойчивой (быстрорежущие) стали.. |
| 4-76101 РП | ГОСТ | Детали из теплоустойчивой (быстрорежущие) стали.. |
| 4-76101 Ю1П | ГОСТ | Все детали или часть деталей из нержавеющей стали.. |
| 4-76101 Ю1У | ГОСТ | Дополнительные технические требования. Все детали или часть деталей из нержавеющей стали.. |
| 4-76101 Ю1УП | ГОСТ | Дополнительные технические требования. Все детали или часть деталей из нержавеющей стали.. |
| 6-6101 Е1 | ГОСТ | Сепаратор из текстолита.. |
| 6101-Е | ГОСТ | Сепаратор из текстолита.. |
| 76101-Е | ГОСТ | Сепаратор из текстолита.. |
| 76101-Е1 | ГОСТ | Сепаратор из текстолита.. |
| 46101К | ГОСТ | «Замок» (скос) на внутреннем кольце плюс массивный сепаратор из текстолита. |
| 5-46101 ЕП | ГОСТ | Сепаратор из текстолита.. |
| 5-6101 Е | ГОСТ | Сепаратор из текстолита.. |
| 5-6101 Е1 | ГОСТ | Сепаратор из текстолита.. |
Аналог шарикового подшипника 7001 ACD/HCP4A — это подшипник такого же размера dx12,Dx28,Bx8, типа и конструкции.
| Обозначение | Конструктивные особенности | Внутренний (d) | Наружный (D) | Ширина (B) |
|---|---|---|---|---|
| 35-7000101 Б | Шариковый радиальный однорядный подшипник. Сепаратор из безоловянистой бронзы.. | 12.00 | 28.00 | 7.00 |
| 5-101 Б | Шариковый радиальный однорядный подшипник. Сепаратор из безоловянистой бронзы.. | 12.00 | 28.00 | 8.00 |
| 5-101 ЮТ | Шариковый радиальный однорядный подшипник. Температура отпуска. 160°. Все детали или часть деталей из нержавеющей стали.. | 12.00 | 28.00 | 8.00 |
| 5-60101 ШОС17 | Шариковый радиальный однорядный подшипник. Смазка Литол-24. Нормы шумности. | 12.00 | 28.00 | 8.00 |
| 5-60101 ШОС9 | Шариковый радиальный однорядный подшипник. Нормы шумности. Смазка ЛЗ-31. | 12.00 | 28.00 | 8.00 |
| 5-7000101 Б | Шариковый радиальный однорядный подшипник. Сепаратор из безоловянистой бронзы.. | 12.00 | 28.00 | 7.00 |
| 5-7000101 БТ2 | Шариковый радиальный однорядный подшипник. 200°. Температура отпуска. Сепаратор из безоловянистой бронзы.. | 12.00 | 28.00 | 7.00 |
| 5-7000101 Т | Шариковый радиальный однорядный подшипник. Температура отпуска. 160°. | 12.00 | 28.00 | 7.00 |
| 5-7000101 Т2 | Шариковый радиальный однорядный подшипник. 200°. Температура отпуска. | 12.00 | 28.00 | 7.00 |
| 5-80101 С9 | Шариковый радиальный однорядный подшипник. Смазка ЛЗ-31. | 12.00 | 28.00 | 8.00 |
| 6-101 Р1 | Шариковый радиальный однорядный подшипник. Детали из теплоустойчивой (быстрорежущие) стали.. | 12.00 | 28.00 | 8.00 |
| 6-101 Ю | Шариковый радиальный однорядный подшипник. Все детали или часть деталей из нержавеющей стали.. | 12.00 | 28.00 | 8.00 |
| 6-101 ЮТ | Шариковый радиальный однорядный подшипник. Температура отпуска. 160°. Все детали или часть деталей из нержавеющей стали.. | 12.00 | 28.00 | 8.00 |
| 6-180101 С17 | Шариковый радиальный однорядный подшипник. Смазка Литол-24. | 12.00 | 28.00 | 8.00 |
| 6-180101 С9 | Шариковый радиальный однорядный подшипник. Смазка ЛЗ-31. | 12.00 | 28.00 | 8.00 |
Способы доставки
Отправка через ведущие транспортные и курьерские компании: ПЭК, Деловые Линии, СДЭК, Байкал-Сервис, Энергия, КИТ, ЖелДорЭкспедиция.
Самовывоз возможен напрямую со склада в Москве.
Сроки доставки
Срок зависит от региона и выбранной транспортной компании. Все заказы комплектуются и отправляются в кратчайшие сроки со склада в Москве.
Надёжность и сохранность
Вся продукция упаковывается с учётом требований транспортировки. Мы гарантируем, что подшипники и комплектующие прибудут к заказчику в полной сохранности.
Доставка в страны ЕАЭС
Мы работаем с проверенными логистическими партнёрами, что позволяет оперативно доставлять заказы в Беларусь, Казахстан, Армению и другие страны ЕАЭС.
Варианты оплаты:
Минимальная сумма заказа и скидки:
Документы и гарантии:
Да, конечно! Наши технические специалисты готовы помочь вам с подбором точного аналога или замены подшипника. Просто позвоните нам по телефону +7 (495) 104-99-04 или напишите на почту zakaz@podsnab.ru.
Для оперативной консультации подготовьте, пожалуйста, имеющиеся данные: маркировку, размеры, тип оборудования или артикул старого подшипника.
Да, конечно! Мы высоко ценим долгосрочное сотрудничество и доверие клиентов по всей России. Для постоянных клиентов действует персональная система скидок.
Условия формируются индивидуально и зависят от:
Чтобы узнать свои условия и получить максимально выгодное предложение, свяжитесь с персональным менеджером или напишите нам на почту zakaz@podsnab.ru.
Вы можете оформить заказ несколькими способами:
Для оформления заказа от юридического лица свяжитесь с нашим отделом по работе с корпоративными клиентами по телефону +7 (495) 104-99-04 или напишите на email zakaz@podsnab.ru, прикрепив реквизиты вашей организации.
Мы оперативно подготовим коммерческое предложение и выставим счет.
Возврат товара надлежащего качества возможен в течение 10 дней с момента получения, если товар не был в употреблении, сохранен товарный вид, упаковка не вскрывалась и присутствуют все сопроводительные документы.
Возврат денежных средств осуществляется в течение 10 рабочих дней после проверки товара складом.
В соответствии с законодательством возврату не подлежат подшипники надлежащего качества, если отсутствует оригинальная упаковка или имеются следы монтажа.
В случае выявления брака или гарантийного случая мы гарантируем возврат или обмен товара.
Да, гарантийный срок хранения устанавливается заводом-изготовителем и в среднем составляет 2 года при соблюдении условий хранения: сухое помещение, оригинальная упаковка и смазка.
Точный срок для конкретного типа подшипника уточняйте у наших менеджеров.
Пн–Пт: с 8:00 до 17:00 (МСК).
Сб–Вс: выходные дни.
Заказы на сайте принимаются круглосуточно. Заявки, поступившие после окончания рабочего дня, обрабатываются на следующий рабочий день.
Минимальная сумма заказа для доставки составляет 3000 рублей. Самовывоз со склада возможен на любую сумму при наличии товара.
ООО «УралТехГрупп»
ИНН: 7415093830
КПП: 772401001
ОГРН: 1167456069021
Банк: ПАО Сбербанк
Р/с: 40702810838000475273
К/с: 30101810400000000225
БИК: 044525225
У подшипника 7001 ACD/HCP4A пока нет отзывов. Вы можете стать первым покупателем, поделившимся своим мнением.