Поиск подшипника
Статьи
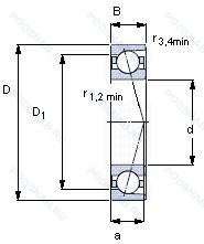
71905 CD/HCP4A — Шариковый радиально-упорный однорядный подшипник, модификация основного исполнения 71905, производство SKF.
Размер подшипника: 25x42x9 мм.
Двухкомпонентный штампованный стальной сепаратор с направляющим кольцом, измененная или модифицированная внутренняя конструкция при неизменных основных размерах.
Международная стандартизации ISO
71905CDHCP4A
В наличии
| Обозначение | Конструктивные изменения |
|---|---|
| 71905CE/P4ADGA | Точность размеров в соответствии с классом допуска ISO 4. точность вращения лучше чем класс допуска ISO 4. Два однорядных радиально-упорных шарикоподшипника для универсального сопряжения. т. е. в паре для монтажа «спиной к спине». «лицом к лицу» или «тандем». 15° Угол контакта And (E) Small Size Steel Balls. |
| 71905CEGA/HCP4A | Точность размеров в соответствии с классом допуска ISO 4. точность вращения лучше чем класс допуска ISO 4. Однорядный радиально-упорный шарикоподшипник для универсальной установки. Два подшипника. расположенных «спина к спине» или «лицом к лицу». будут иметь небольшой преднатяг. Подшипник или компоненты подшипника из керамики. 15° Угол контакта And (E) Small Size Steel Balls. |
| 71905HUJ74 | 25° Угол контакта. Небольшая предварительная нагрузка. Точность размеров и хода соответствует классу допусков 4 (более высокая. чем P5)-ABEC7. Универсальный одиночный подшипник. |
| 71905 CE/P4AL | Измененная или модифицированная внутренняя конструкция при неизменных основных размерах. 15° Угол контакта And (E) Small Size Steel Balls. |
| 71905 ACE/HCP4AL | Измененная или модифицированная внутренняя конструкция при неизменных основных размерах. 25° Угол контакта And (E) Small Size Steel Balls. |
| 71905 ACE/HCP4AH | Измененная или модифицированная внутренняя конструкция при неизменных основных размерах. 25° Угол контакта And (E) Small Size Steel Balls. |
| 71905 ACE/HCP4A | Измененная или модифицированная внутренняя конструкция при неизменных основных размерах. 25° Угол контакта And (E) Small Size Steel Balls. |
| 71905 CE/HCP4AL | Измененная или модифицированная внутренняя конструкция при неизменных основных размерах. 15° Угол контакта And (E) Small Size Steel Balls. |
| 71905 CE/HCP4AH | Измененная или модифицированная внутренняя конструкция при неизменных основных размерах. 15° Угол контакта And (E) Small Size Steel Balls. |
| 71905 CE/HCP4A | Измененная или модифицированная внутренняя конструкция при неизменных основных размерах. 15° Угол контакта And (E) Small Size Steel Balls. |
| 71905 ACD/HCP4A | Измененная или модифицированная внутренняя конструкция при неизменных основных размерах. Однорядный с улучшенной конструкцией и углом контакта 25°. |
| 71905 ACE/P4A | Точность размеров в соответствии с классом допуска ISO 4. точность вращения лучше чем класс допуска ISO 4. 25° Угол контакта And (E) Small Size Steel Balls. |
| 71905 CE/P4AH | Измененная или модифицированная внутренняя конструкция при неизменных основных размерах. 15° Угол контакта And (E) Small Size Steel Balls. |
| 71905 CE/P4A | Точность размеров в соответствии с классом допуска ISO 4. точность вращения лучше чем класс допуска ISO 4. 15° Угол контакта And (E) Small Size Steel Balls. |
| 71905 ACE/P4AL | Измененная или модифицированная внутренняя конструкция при неизменных основных размерах. 25° Угол контакта And (E) Small Size Steel Balls. |
| 71905 ACE/P4AH | Измененная или модифицированная внутренняя конструкция при неизменных основных размерах. 25° Угол контакта And (E) Small Size Steel Balls. |
| 71905HVDUJ74 | Угол контакта 25°. Преднатяг (Лёгкий. Комплекты из 2. |
| 71905 C-UX | 15° Угол контакта. Универсальный монтаж, сверхлегкая предварительная нагрузка.. |
| 71905 C | 15° Угол контакта. |
| 71905 C-UD | 15° Угол контакта. |
| 71905 C-UO | 15° Угол контакта. Универсальный монтаж. Для установки по O- и X- образной схеме - беззазорные.. |
| 71905 A | Двухрядный радиально-упорный шарикоподшипник без отверстия для смазки. |
| 71905 CDB | Однорядный радиально-упорный шарикоподшипник улучшенной конструкции с углом контакта 15°. |
| 71905 CDF | Механически обработанный сепаратор из стали или специального чугуна. Однорядный радиально-упорный шарикоподшипник улучшенной конструкции с углом контакта 15°. |
| 71905 CDT | Механически обработанный сепаратор из текстолита. Однорядный радиально-упорный шарикоподшипник улучшенной конструкции с углом контакта 15°. |
Модификации шарикового подшипника 71905 CD/HCP4A — это измененное основное конструктивное исполнение 71905, основные размеры (25x42x9) не отличаются.
| Обозначение | Гост | Конструктивные особенности |
|---|---|---|
| 7905UADG/GNP42 | ISO | Универсальный подшипник. Класс точности JIS4 для размеров и JIS 2 для точности вращения. Угол контакта 25°. |
| 7905UG/GMP42/L606Q1 | ISO | Универсальный подшипник. Канавки на внутренней стороне наружного кольца. Класс точности JIS4 для размеров и JIS 2 для точности вращения. |
| 7905G/GMP4 | ISO | Универсальный подшипник. Класс точности JIS4 / ISO 4. |
| 7905UCG/GNP4/15KQTQ | ISO | Угол контакта 15°. Универсальный подшипник. Класс точности JIS4 / ISO 4. |
| 7905CDLLBG/GNP42 | ISO | Угол контакта 15°. Универсальный подшипник. Нитриловое бесконтактное уплотнение (-25 to +120°C). Класс точности JIS4 для размеров и JIS 2 для точности вращения. |
| 7905UG/GHP4/15KQTQ | ISO | Универсальный подшипник. Класс точности JIS4 / ISO 4. Канавки на внутренней стороне наружного кольца. |
| ML71905HVUJ74S | ISO | Угол контакта 25°. Универсальные подшпники. Высокопрецизионные радиально-упорные подшипники с высокой скоростью вращения. Преднатяг (Лёгкий. |
| ML71905CVUJ74S | ISO | Угол контакта 15°. Универсальные подшпники. Высокопрецизионные радиально-упорные подшипники с высокой скоростью вращения. Преднатяг (Лёгкий. |
| MLE71905CVUJ74S | ISO | Угол контакта 15°. Универсальные подшпники. Преднатяг (Лёгкий. Высокопрецизионные радиально-упорные подшипники с высокой скоростью вращения с бесконтактным уплотнением с обеих сторон. |
| MLE71905HVUJ74S | ISO | Угол контакта 25°. Универсальные подшпники. Преднатяг (Лёгкий. Высокопрецизионные радиально-упорные подшипники с высокой скоростью вращения с бесконтактным уплотнением с обеих сторон. |
| 7905C | ISO | Угол контакта 15°. |
| HSS71905-E-T-P4S | ISO | Повышенная грузоподъемность. Textile Laminated Phenolic Resin. Outer Ring Guided. The Cage Is Suitable For Long-Term Operation At Temperatures Up To 100°C. Класс точности. стандарт FAG лучше чем P4. |
| 7905CPA | ISO | Угол контакта 15 градусов. |
| 7905AC | ISO | Суффикс для радиально-упорного шарикоподшипника. |
| 7905 A5 | ISO | 25° Угол контакта. |
| 5S-2LA-HSE905CG/GNP42 | ISO | Угол контакта 15°. Универсальный подшипник. Класс точности JIS4 для размеров и JIS 2 для точности вращения. Гибридный подшипник. |
| 5S-2LA-HSE905ADG/GNP42 | ISO | Универсальный подшипник. Класс точности JIS4 для размеров и JIS 2 для точности вращения. Угол контакта 25°. Гибридный подшипник. |
| 1036905-КЕ | ГОСТ | «Замок» (скос) на внутреннем кольце плюс массивный сепаратор из текстолита. Сепаратор из текстолита.. |
| 1036905К | ГОСТ | «Замок» (скос) на внутреннем кольце плюс массивный сепаратор из текстолита. |
| 1046905К | ГОСТ | «Замок» (скос) на внутреннем кольце плюс массивный сепаратор из текстолита. |
Аналог шарикового подшипника 71905 CD/HCP4A — это подшипник такого же размера dx25,Dx42,Bx9, типа и конструкции.
| Обозначение | Конструктивные особенности | Внутренний (d) | Наружный (D) | Ширина (B) |
|---|---|---|---|---|
| P6905-SB | Шариковый радиальный однорядный подшипник. Double Row. Angular Contact. Non-Filling Notch Bearing. With Outwardly Convergent Угол контактаs. Rigid Design. | 25.00 | 42.00 | 9.00 |
| S61905-2Z | Шариковый радиальный однорядный подшипник. Защитные металлические шайбы с обеих сторон подшипника. | 25.00 | 42.00 | 9.00 |
| SF61905-2RS | Шариковый радиальный однорядный подшипник. Резиновые уплотнения с каждой стороны подшипника. | 25.00 | 42.00 | 9.00 |
| SF61905-2Z | Шариковый радиальный однорядный подшипник. Защитные металлические шайбы с обеих сторон подшипника. | 25.00 | 42.00 | 9.00 |
| F61905-2Z | Шариковый радиальный однорядный подшипник. Защитные металлические шайбы с обеих сторон подшипника. | 25.00 | 42.00 | 9.00 |
| 3NCHAC905CA | Шариковый радиальный однорядный подшипник. Угол контакта 20 градусов. Латунный сепаратор с симметричными роликами. | 25.00 | 42.00 | 9.00 |
| 3NCHAC905C | Шариковый радиальный однорядный подшипник. Угол контакта 20 градусов. | 25.00 | 42.00 | 9.00 |
| 1000905-ZZ | Шариковый радиальный однорядный подшипник. Защитные металлические шайбы с обеих сторон. | 25.00 | 42.00 | 9.00 |
| 1000905.2RS | Шариковый радиальный однорядный подшипник. Резиновые уплотнения с каждой стороны подшипника. | 25.00 | 42.00 | 9.00 |
| 2М5-1000905 | Шариковый радиальный однорядный подшипник. Модифицированный контакт.. | 25.00 | 42.00 | 9.00 |
| 5-1000905-Б | Шариковый радиальный однорядный подшипник. Сепаратор из безоловянистой бронзы.. | 25.00 | 42.00 | 9.00 |
| 5-1000905 М1Р | Шариковый радиальный однорядный подшипник. Модифицированный контакт.. Детали из теплоустойчивой (быстрорежущие) стали.. | 25.00 | 42.00 | 9.00 |
| 5-1000905-Ю1 | Шариковый радиальный однорядный подшипник. Все детали или часть деталей из нержавеющей стали.. | 25.00 | 42.00 | 9.00 |
| 6-1000905 Т2 | Шариковый радиальный однорядный подшипник. 200°. Температура отпуска. | 25.00 | 42.00 | 9.00 |
| 6-1000905 У | Шариковый радиальный однорядный подшипник. Дополнительные технические требования. | 25.00 | 42.00 | 9.00 |
Способы доставки
Отправка через ведущие транспортные и курьерские компании: ПЭК, Деловые Линии, СДЭК, Байкал-Сервис, Энергия, КИТ, ЖелДорЭкспедиция.
Самовывоз возможен напрямую со склада в Москве.
Сроки доставки
Срок зависит от региона и выбранной транспортной компании. Все заказы комплектуются и отправляются в кратчайшие сроки со склада в Москве.
Надёжность и сохранность
Вся продукция упаковывается с учётом требований транспортировки. Мы гарантируем, что подшипники и комплектующие прибудут к заказчику в полной сохранности.
Доставка в страны ЕАЭС
Мы работаем с проверенными логистическими партнёрами, что позволяет оперативно доставлять заказы в Беларусь, Казахстан, Армению и другие страны ЕАЭС.
Варианты оплаты:
Минимальная сумма заказа и скидки:
Документы и гарантии:
Да, конечно! Наши технические специалисты готовы помочь вам с подбором точного аналога или замены подшипника. Просто позвоните нам по телефону +7 (495) 104-99-04 или напишите на почту zakaz@podsnab.ru.
Для оперативной консультации подготовьте, пожалуйста, имеющиеся данные: маркировку, размеры, тип оборудования или артикул старого подшипника.
Да, конечно! Мы высоко ценим долгосрочное сотрудничество и доверие клиентов по всей России. Для постоянных клиентов действует персональная система скидок.
Условия формируются индивидуально и зависят от:
Чтобы узнать свои условия и получить максимально выгодное предложение, свяжитесь с персональным менеджером или напишите нам на почту zakaz@podsnab.ru.
Вы можете оформить заказ несколькими способами:
Для оформления заказа от юридического лица свяжитесь с нашим отделом по работе с корпоративными клиентами по телефону +7 (495) 104-99-04 или напишите на email zakaz@podsnab.ru, прикрепив реквизиты вашей организации.
Мы оперативно подготовим коммерческое предложение и выставим счет.
Возврат товара надлежащего качества возможен в течение 10 дней с момента получения, если товар не был в употреблении, сохранен товарный вид, упаковка не вскрывалась и присутствуют все сопроводительные документы.
Возврат денежных средств осуществляется в течение 10 рабочих дней после проверки товара складом.
В соответствии с законодательством возврату не подлежат подшипники надлежащего качества, если отсутствует оригинальная упаковка или имеются следы монтажа.
В случае выявления брака или гарантийного случая мы гарантируем возврат или обмен товара.
Да, гарантийный срок хранения устанавливается заводом-изготовителем и в среднем составляет 2 года при соблюдении условий хранения: сухое помещение, оригинальная упаковка и смазка.
Точный срок для конкретного типа подшипника уточняйте у наших менеджеров.
Пн–Пт: с 8:00 до 17:00 (МСК).
Сб–Вс: выходные дни.
Заказы на сайте принимаются круглосуточно. Заявки, поступившие после окончания рабочего дня, обрабатываются на следующий рабочий день.
Минимальная сумма заказа для доставки составляет 3000 рублей. Самовывоз со склада возможен на любую сумму при наличии товара.
ООО «УралТехГрупп»
ИНН: 7415093830
КПП: 772401001
ОГРН: 1167456069021
Банк: ПАО Сбербанк
Р/с: 40702810838000475273
К/с: 30101810400000000225
БИК: 044525225
У подшипника 71905 CD/HCP4A пока нет отзывов. Вы можете стать первым покупателем, поделившимся своим мнением.