Поиск подшипника
Статьи
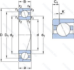
71932 ACD/HCP4AH1 — Шариковый радиально-упорный однорядный подшипник, модификация основного исполнения 71932, производство SKF.
Размер подшипника: 160x220x28 мм.
Однорядный с улучшенной конструкцией и углом контакта 25°, измененная или модифицированная внутренняя конструкция при неизменных основных размерах.
Международная стандартизации ISO
71932ACDHCP4AH1
В наличии
| Обозначение | Конструктивные изменения |
|---|---|
| 71932HV U J74 | Подшипник или компонент подшипника из закаленной нержавеющей стали. Небольшая предварительная нагрузка. Точность размеров и хода соответствует классу допусков 4 (более высокая. чем P5)-ABEC7. Универсальный одиночный подшипник. |
| 71932ACDGA/VQ253 | Single Row Angular Contact Ball Bearing For Universal Matching. Two Bearings Arranged Back-To-Back Or Face-To-Face Will Have A Light Preload. VQ(253)=(Segment Precision. Code 88)=Quality And Tolerances Other Than Standard. 25° Угол контакта. |
| 71932ACDGA/P4AVQ421 | Dimensional Accuracy In Accordance With ISO Tolerance Class 4. Running Accuracy Better Than ISO Tolerance Class 4. VQ(421)=Quality And Tolerances Other Than Standard. Однорядный радиально-упорный шарикоподшипник для универсальной установки. Два подшипника. расположенных «спина к спине» или «лицом к лицу». будут иметь небольшой преднатяг. 25° Угол контакта. |
| 71932ACDGB/P4A | Точность размеров в соответствии с классом допуска ISO 4. точность вращения лучше чем класс допуска ISO 4. 25° Угол контакта. Подшипник для универсального монтажа. Два подшипника. установленные по О-образной или Х-образной схеме. имеют средний преднатяг. |
| 71932 CD/HCP4A | Измененная или модифицированная внутренняя конструкция при неизменных основных размерах. Двухкомпонентный штампованный стальной сепаратор с направляющим кольцом. |
| 71932 CD/P4AL | Измененная или модифицированная внутренняя конструкция при неизменных основных размерах. Двухкомпонентный штампованный стальной сепаратор с направляющим кольцом. |
| 71932 ACD/P4AH1 | Измененная или модифицированная внутренняя конструкция при неизменных основных размерах. Однорядный с улучшенной конструкцией и углом контакта 25°. |
| 71932 CD/HCP4AL | Измененная или модифицированная внутренняя конструкция при неизменных основных размерах. Двухкомпонентный штампованный стальной сепаратор с направляющим кольцом. |
| 71932 CD/HCP4AH1 | Измененная или модифицированная внутренняя конструкция при неизменных основных размерах. Двухкомпонентный штампованный стальной сепаратор с направляющим кольцом. |
| 71932 ACD/HCP4A | Измененная или модифицированная внутренняя конструкция при неизменных основных размерах. Однорядный с улучшенной конструкцией и углом контакта 25°. |
| 71932 ACD/HCP4AL | Измененная или модифицированная внутренняя конструкция при неизменных основных размерах. Однорядный с улучшенной конструкцией и углом контакта 25°. |
| 71932 ACD/P4AL | Измененная или модифицированная внутренняя конструкция при неизменных основных размерах. Однорядный с улучшенной конструкцией и углом контакта 25°. |
| 71932 CD/P4AH1 | Измененная или модифицированная внутренняя конструкция при неизменных основных размерах. Двухкомпонентный штампованный стальной сепаратор с направляющим кольцом. |
| 71932CVDUJ74 | Угол контакта 15°. Преднатяг (Лёгкий. Комплекты из 2. |
| 71932CVUJ74 | Угол контакта 15°. Преднатяг (Лёгкий. Универсальные подшпники. |
| 71932HVDUJ74 | Угол контакта 25°. Преднатяг (Лёгкий. Комплекты из 2. |
| 71932 C-UX | 15° Угол контакта. Универсальный монтаж, сверхлегкая предварительная нагрузка.. |
| 71932 C-UD | 15° Угол контакта. |
| 71932 C-UO | 15° Угол контакта. Универсальный монтаж. Для установки по O- и X- образной схеме - беззазорные.. |
| 71932 CDF | Однорядный радиально-упорный шарикоподшипник улучшенной конструкции с углом контакта 15°. |
| 71932 CDT | Механически обработанный сепаратор из текстолита. Однорядный радиально-упорный шарикоподшипник улучшенной конструкции с углом контакта 15°. |
| 71932 CDB | Однорядный радиально-упорный шарикоподшипник улучшенной конструкции с углом контакта 15°. |
| 71932 A | Двухрядный радиально-упорный шарикоподшипник без отверстия для смазки. |
| 71932 C | 15° Угол контакта. |
| 71932AC | Суффикс для радиально-упорного шарикоподшипника. |
Модификации шарикового подшипника 71932 ACD/HCP4AH1 — это измененное основное конструктивное исполнение 71932, основные размеры (160x220x28) не отличаются.
| Обозначение | Гост | Конструктивные особенности |
|---|---|---|
| 4-1046932 КЛ | ГОСТ | «Замок» (скос) на внутреннем кольце плюс массивный сепаратор из текстолита. Сепаратор из латуни.. |
| 5S-7932CT1B/GNP42 | ISO | Угол контакта 15°. Универсальный подшипник. Фенольный механически обработанный сепаратор. Класс точности JIS4 для размеров и JIS 2 для точности вращения. Гибридный подшипник. |
| 7932CBG | ISO | Угол контакта 15°. Универсальный подшипник. |
| 7932CT1BG/GLP4 | ISO | Угол контакта 15°. Универсальный подшипник. Класс точности JIS4 / ISO 4. Фенольный механически обработанный сепаратор. |
| 7932CT1B/GNP42 | ISO | Угол контакта 15°. Универсальный подшипник. Фенольный механически обработанный сепаратор. Класс точности JIS4 для размеров и JIS 2 для точности вращения. |
| HSB932C | ISO | Угол контакта 15°. |
| 7932C | ISO | Угол контакта 15°. |
| 7932B | ISO | Угол контакта 40 градусов. |
| 7932CPA | ISO | Угол контакта 15 градусов. |
| HAR932CA | ISO | Латунный сепаратор с симметричными роликами. |
| HAR932C | ISO | Угол контакта 15 градусов. |
| 7932CTRSU | ISO | Шариковый радиально-упорный однорядный подшипник. |
| 7932A5TRSU | ISO | Шариковый радиально-упорный однорядный подшипник. |
| 5S-2LA-HSE932G/GNP42 | ISO | Универсальный подшипник. Класс точности JIS4 для размеров и JIS 2 для точности вращения. Гибридный подшипник. |
| 5S-2LA-HSE932CG/GNP42 | ISO | Угол контакта 15°. Универсальный подшипник. Класс точности JIS4 для размеров и JIS 2 для точности вращения. Гибридный подшипник. |
| 5S-2LA-HSE932ADG/GNP42 | ISO | Универсальный подшипник. Класс точности JIS4 для размеров и JIS 2 для точности вращения. Угол контакта 25°. Гибридный подшипник. |
| 1036932 | ГОСТ | Шариковый радиально-упорный однорядный подшипник. |
| 1046932 | ГОСТ | Шариковый радиально-упорный однорядный подшипник. |
| 1036932К | ГОСТ | «Замок» (скос) на внутреннем кольце плюс массивный сепаратор из текстолита. |
| 1046932К | ГОСТ | «Замок» (скос) на внутреннем кольце плюс массивный сепаратор из текстолита. |
Аналог шарикового подшипника 71932 ACD/HCP4AH1 — это подшипник такого же размера dx160,Dx220,Bx28, типа и конструкции.
| Обозначение | Конструктивные особенности | Внутренний (d) | Наружный (D) | Ширина (B) |
|---|---|---|---|---|
| 6932-2RZ | Шариковый радиальный однорядный подшипник. Шарикоподшипник. С уплотнением и низким коэффициентом трения с обеих сторон. Уплотнение состоит из шайбы из листовой стали с вулканизированной резиной. | 160.00 | 220.00 | 28.00 |
| 6932DDU | Шариковый радиальный однорядный подшипник. Резиновые уплотнения с каждой стороны подшипника. | 160.00 | 220.00 | 28.00 |
| 6932ZZS | Шариковый радиальный однорядный подшипник. Защитные металлические шайбы с двух сторон подшипника (удерживается стопорным кольцом на внешнем кольце - обычно для миниатюрных шарикоподшипников). | 160.00 | 220.00 | 28.00 |
| 70-1000932 Л | Шариковый радиальный однорядный подшипник. Сепаратор из латуни.. | 160.00 | 220.00 | 28.00 |
| 8-1000932 Л | Шариковый радиальный однорядный подшипник. Сепаратор из латуни.. | 160.00 | 220.00 | 28.00 |
| 6932LLU | Шариковый радиальный однорядный подшипник. Контактное резиновое уплотнение с двух сторон. | 160.00 | 220.00 | 28.00 |
| 3NCHAC932CA | Шариковый радиальный однорядный подшипник. Угол контакта 20 градусов. Латунный сепаратор с симметричными роликами. | 160.00 | 220.00 | 28.00 |
| 3NCHAC932C | Шариковый радиальный однорядный подшипник. Угол контакта 20 градусов. | 160.00 | 220.00 | 28.00 |
| 3NCHAR932C | Шариковый радиальный однорядный подшипник. Угол контакта 20 градусов. | 160.00 | 220.00 | 28.00 |
| 3NCHAR932CA | Шариковый радиальный однорядный подшипник. Угол контакта 20 градусов. Латунный сепаратор с симметричными роликами. | 160.00 | 220.00 | 28.00 |
| 1000932-АЛ | Шариковый радиальный однорядный подшипник. Сепаратор из латуни.. Повышенная грузоподъемность. | 160.00 | 220.00 | 29.00 |
| 1000932-Л | Шариковый радиальный однорядный подшипник. Сепаратор из латуни.. | 160.00 | 220.00 | 28.00 |
| 26-1000932 Л | Шариковый радиальный однорядный подшипник. Сепаратор из латуни.. | 160.00 | 220.00 | 28.00 |
| 5-1000932 Л | Шариковый радиальный однорядный подшипник. Сепаратор из латуни.. | 160.00 | 220.00 | 28.00 |
| 6-1000932 Л | Шариковый радиальный однорядный подшипник. Сепаратор из латуни.. | 160.00 | 220.00 | 28.00 |
Способы доставки
Отправка через ведущие транспортные и курьерские компании: ПЭК, Деловые Линии, СДЭК, Байкал-Сервис, Энергия, КИТ, ЖелДорЭкспедиция.
Самовывоз возможен напрямую со склада в Москве.
Сроки доставки
Срок зависит от региона и выбранной транспортной компании. Все заказы комплектуются и отправляются в кратчайшие сроки со склада в Москве.
Надёжность и сохранность
Вся продукция упаковывается с учётом требований транспортировки. Мы гарантируем, что подшипники и комплектующие прибудут к заказчику в полной сохранности.
Доставка в страны ЕАЭС
Мы работаем с проверенными логистическими партнёрами, что позволяет оперативно доставлять заказы в Беларусь, Казахстан, Армению и другие страны ЕАЭС.
Варианты оплаты:
Минимальная сумма заказа и скидки:
Документы и гарантии:
Да, конечно! Наши технические специалисты готовы помочь вам с подбором точного аналога или замены подшипника. Просто позвоните нам по телефону +7 (495) 104-99-04 или напишите на почту zakaz@podsnab.ru.
Для оперативной консультации подготовьте, пожалуйста, имеющиеся данные: маркировку, размеры, тип оборудования или артикул старого подшипника.
Да, конечно! Мы высоко ценим долгосрочное сотрудничество и доверие клиентов по всей России. Для постоянных клиентов действует персональная система скидок.
Условия формируются индивидуально и зависят от:
Чтобы узнать свои условия и получить максимально выгодное предложение, свяжитесь с персональным менеджером или напишите нам на почту zakaz@podsnab.ru.
Вы можете оформить заказ несколькими способами:
Для оформления заказа от юридического лица свяжитесь с нашим отделом по работе с корпоративными клиентами по телефону +7 (495) 104-99-04 или напишите на email zakaz@podsnab.ru, прикрепив реквизиты вашей организации.
Мы оперативно подготовим коммерческое предложение и выставим счет.
Возврат товара надлежащего качества возможен в течение 10 дней с момента получения, если товар не был в употреблении, сохранен товарный вид, упаковка не вскрывалась и присутствуют все сопроводительные документы.
Возврат денежных средств осуществляется в течение 10 рабочих дней после проверки товара складом.
В соответствии с законодательством возврату не подлежат подшипники надлежащего качества, если отсутствует оригинальная упаковка или имеются следы монтажа.
В случае выявления брака или гарантийного случая мы гарантируем возврат или обмен товара.
Да, гарантийный срок хранения устанавливается заводом-изготовителем и в среднем составляет 2 года при соблюдении условий хранения: сухое помещение, оригинальная упаковка и смазка.
Точный срок для конкретного типа подшипника уточняйте у наших менеджеров.
Пн–Пт: с 8:00 до 17:00 (МСК).
Сб–Вс: выходные дни.
Заказы на сайте принимаются круглосуточно. Заявки, поступившие после окончания рабочего дня, обрабатываются на следующий рабочий день.
Минимальная сумма заказа для доставки составляет 3000 рублей. Самовывоз со склада возможен на любую сумму при наличии товара.
ООО «УралТехГрупп»
ИНН: 7415093830
КПП: 772401001
ОГРН: 1167456069021
Банк: ПАО Сбербанк
Р/с: 40702810838000475273
К/с: 30101810400000000225
БИК: 044525225
У подшипника 71932 ACD/HCP4AH1 пока нет отзывов. Вы можете стать первым покупателем, поделившимся своим мнением.