Поиск подшипника
Статьи
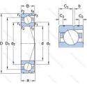
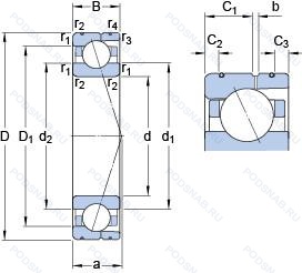
71944 ACD/P4AL — Шариковый радиально-упорный однорядный подшипник, модификация основного исполнения 71944, производство SKF.
Размер подшипника: 220x300x38 мм.
Однорядный с улучшенной конструкцией и углом контакта 25°, измененная или модифицированная внутренняя конструкция при неизменных основных размерах.
Международная стандартизации ISO
71944ACDP4AL
В наличии
| Обозначение | Конструктивные изменения |
|---|---|
| 71944ACDGB/P4A | Точность размеров в соответствии с классом допуска ISO 4. точность вращения лучше чем класс допуска ISO 4. 25° Угол контакта. Подшипник для универсального монтажа. Два подшипника. установленные по О-образной или Х-образной схеме. имеют средний преднатяг. |
| 71944CDGA/P4A | 15° Угол контакта. Точность размеров в соответствии с классом допуска ISO 4. точность вращения лучше чем класс допуска ISO 4. Однорядный радиально-упорный шарикоподшипник для универсальной установки. Два подшипника. расположенных «спина к спине» или «лицом к лицу». будут иметь небольшой преднатяг. |
| 71944ACD/P4ADBB | Точность размеров в соответствии с классом допуска ISO 4. точность вращения лучше чем класс допуска ISO 4. 25° Угол контакта. Два однорядных радиальных шарикоподшипника. Дуплекс. Однорядные радиально-упорные шарикоподшипники или однорядные конические роликовые подшипники. подходящие для монтажа в схеме «спина к спине». Средний преднатяг. |
| 71944ACDGA/P4A | Точность размеров в соответствии с классом допуска ISO 4. точность вращения лучше чем класс допуска ISO 4. Однорядный радиально-упорный шарикоподшипник для универсальной установки. Два подшипника. расположенных «спина к спине» или «лицом к лицу». будут иметь небольшой преднатяг. 25° Угол контакта. |
| 71944ACD/P4ADGA | Точность размеров в соответствии с классом допуска ISO 4. точность вращения лучше чем класс допуска ISO 4. 25° Угол контакта. Два однорядных радиально-упорных шарикоподшипника для универсального сопряжения. т. е. в паре для монтажа «спиной к спине». «лицом к лицу» или «тандем». |
| 71944CD/P4A | 15° Угол контакта. Точность размеров в соответствии с классом допуска ISO 4. точность вращения лучше чем класс допуска ISO 4. |
| 71944CD/P4ADGA | 15° Угол контакта. Точность размеров в соответствии с классом допуска ISO 4. точность вращения лучше чем класс допуска ISO 4. Два однорядных радиально-упорных шарикоподшипника для универсального монтажа. т.е. спаренные для монтажа по схеме спина к спине. лицом к лицу или в тандемном расположении. Легкий преднатяг. |
| 71944ACDGAMA/P4 | Механически обработанный латунный сепаратор. Центрирование по внешнему кольцу. Однорядный радиально-упорный шарикоподшипник для универсальной установки. Два подшипника. расположенных «спина к спине» или «лицом к лицу». будут иметь небольшой преднатяг. 25° Угол контакта. Класс точности. |
| 71944ACDGAMA/P6 | Механически обработанный латунный сепаратор. Центрирование по внешнему кольцу. точность размеров и хода в соответствии с классом допуска ISO 6. Однорядный радиально-упорный шарикоподшипник для универсальной установки. Два подшипника. расположенных «спина к спине» или «лицом к лицу». будут иметь небольшой преднатяг. 25° Угол контакта. |
| 71944 CD/HCP4AL | Измененная или модифицированная внутренняя конструкция при неизменных основных размерах. Двухкомпонентный штампованный стальной сепаратор с направляющим кольцом. |
| 71944 ACD/HCP4A | Измененная или модифицированная внутренняя конструкция при неизменных основных размерах. Однорядный с улучшенной конструкцией и углом контакта 25°. |
| 71944 ACD/P4A | Точность размеров в соответствии с классом допуска ISO 4. точность вращения лучше чем класс допуска ISO 4. Однорядный с улучшенной конструкцией и углом контакта 25°. |
| 71944 CD/P4AL | Измененная или модифицированная внутренняя конструкция при неизменных основных размерах. Двухкомпонентный штампованный стальной сепаратор с направляющим кольцом. |
| 71944 CD/HCP4A | Измененная или модифицированная внутренняя конструкция при неизменных основных размерах. Двухкомпонентный штампованный стальной сепаратор с направляющим кольцом. |
| 71944 ACD/HCP4AL | Измененная или модифицированная внутренняя конструкция при неизменных основных размерах. Однорядный с улучшенной конструкцией и углом контакта 25°. |
| 71944CVDUJ74 | Угол контакта 15°. Преднатяг (Лёгкий. Комплекты из 2. |
| 71944CVUJ74 | Угол контакта 15°. Преднатяг (Лёгкий. Универсальные подшпники. |
| 71944HVDUJ74 | Угол контакта 25°. Преднатяг (Лёгкий. Комплекты из 2. |
| 71944HVUJ74 | Угол контакта 25°. Преднатяг (Лёгкий. Универсальные подшпники. |
| 71944 ATBP4 | Шариковый радиально-упорный однорядный подшипник. |
| 71944 CTBP4 | Шариковый радиально-упорный однорядный подшипник. |
| 71944 A | Двухрядный радиально-упорный шарикоподшипник без отверстия для смазки. |
| 71944AC | Суффикс для радиально-упорного шарикоподшипника. |
| 71944 C | 15° Угол контакта. |
Модификации шарикового подшипника 71944 ACD/P4AL — это измененное основное конструктивное исполнение 71944, основные размеры (220x300x38) не отличаются.
| Обозначение | Гост | Конструктивные особенности |
|---|---|---|
| SF4407 | ISO | Шариковый радиально-упорный однорядный подшипник. |
| 7944 | ISO | Шариковый радиально-упорный однорядный подшипник. |
| 7944A5TRSU | ISO | Шариковый радиально-упорный однорядный подшипник. |
| 7944A | ISO | Двухрядный радиально-упорный шарикоподшипник без отверстия для смазки. |
| 7944B | ISO | Конический роликовый подшипник. Угол контакта 20 градусов. |
| 7944CTRSU | ISO | Шариковый радиально-упорный однорядный подшипник. |
| 1036944 | ГОСТ | Шариковый радиально-упорный однорядный подшипник. |
| 1046944 | ГОСТ | Шариковый радиально-упорный однорядный подшипник. |
| 1126944 | ГОСТ | Шариковый радиально-упорный однорядный подшипник. |
| 1176944 | ГОСТ | Шариковый радиально-упорный однорядный подшипник. |
| 1036944К | ГОСТ | «Замок» (скос) на внутреннем кольце плюс массивный сепаратор из текстолита. |
| 1046944К | ГОСТ | «Замок» (скос) на внутреннем кольце плюс массивный сепаратор из текстолита. |
Аналог шарикового подшипника 71944 ACD/P4AL — это подшипник такого же размера dx220,Dx300,Bx38, типа и конструкции.
| Обозначение | Конструктивные особенности | Внутренний (d) | Наружный (D) | Ширина (B) |
|---|---|---|---|---|
| 5-1000944 Л | Шариковый радиальный однорядный подшипник. Сепаратор из латуни.. | 220.00 | 300.00 | 38.00 |
| 6944-2RZ | Шариковый радиальный однорядный подшипник. Шарикоподшипник. С уплотнением и низким коэффициентом трения с обеих сторон. Уплотнение состоит из шайбы из листовой стали с вулканизированной резиной. | 220.00 | 300.00 | 38.00 |
| 6944NR | Шариковый радиальный однорядный подшипник. Канавка под стопорное кольцо на наружном кольце с соответствующим стопорным кольцом. | 220.00 | 300.00 | 38.00 |
| 6944-Z | Шариковый радиальный однорядный подшипник. щит из листовой прессованной стали с одной стороны подшипника. | 220.00 | 300.00 | 38.00 |
| 6944N | Шариковый радиальный однорядный подшипник. Канавка под стопорное кольцо на внешнем кольце. | 220.00 | 300.00 | 38.00 |
| 6944-RZ | Шариковый радиальный однорядный подшипник. Один стальное уплотнение и одно резиновое. | 220.00 | 300.00 | 38.00 |
| 6944-RS | Шариковый радиальный однорядный подшипник. Резиновое уплотнение с одной стороны. | 220.00 | 300.00 | 38.00 |
| 6944-2RS | Шариковый радиальный однорядный подшипник. Резиновые уплотнения с каждой стороны подшипника. | 220.00 | 300.00 | 38.00 |
| 8-1000944 Л | Шариковый радиальный однорядный подшипник. Сепаратор из латуни.. | 220.00 | 300.00 | 38.00 |
| 6944LLU | Шариковый радиальный однорядный подшипник. Контактное резиновое уплотнение с двух сторон. | 220.00 | 300.00 | 38.00 |
| 6944BZZ | Шариковый радиальный однорядный подшипник. Single Row Airframe Type Bearing With Two Glass Reinforced PTFE (Teflon®) Seals. | 220.00 | 300.00 | 38.00 |
| 1000944-АЛ | Шариковый радиальный однорядный подшипник. Сепаратор из латуни.. Повышенная грузоподъемность. | 220.00 | 300.00 | 38.00 |
| 1000944-Л | Шариковый радиальный однорядный подшипник. Сепаратор из латуни.. | 220.00 | 300.00 | 38.00 |
| 2В0-1000944 Л | Шариковый радиальный однорядный подшипник. Сепаратор из латуни.. | 220.00 | 300.00 | 38.00 |
| 6-1000944 Л | Шариковый радиальный однорядный подшипник. Сепаратор из латуни.. | 220.00 | 300.00 | 38.00 |
Способы доставки
Отправка через ведущие транспортные и курьерские компании: ПЭК, Деловые Линии, СДЭК, Байкал-Сервис, Энергия, КИТ, ЖелДорЭкспедиция.
Самовывоз возможен напрямую со склада в Москве.
Сроки доставки
Срок зависит от региона и выбранной транспортной компании. Все заказы комплектуются и отправляются в кратчайшие сроки со склада в Москве.
Надёжность и сохранность
Вся продукция упаковывается с учётом требований транспортировки. Мы гарантируем, что подшипники и комплектующие прибудут к заказчику в полной сохранности.
Доставка в страны ЕАЭС
Мы работаем с проверенными логистическими партнёрами, что позволяет оперативно доставлять заказы в Беларусь, Казахстан, Армению и другие страны ЕАЭС.
Варианты оплаты:
Минимальная сумма заказа и скидки:
Документы и гарантии:
Да, конечно! Наши технические специалисты готовы помочь вам с подбором точного аналога или замены подшипника. Просто позвоните нам по телефону +7 (495) 104-99-04 или напишите на почту zakaz@podsnab.ru.
Для оперативной консультации подготовьте, пожалуйста, имеющиеся данные: маркировку, размеры, тип оборудования или артикул старого подшипника.
Да, конечно! Мы высоко ценим долгосрочное сотрудничество и доверие клиентов по всей России. Для постоянных клиентов действует персональная система скидок.
Условия формируются индивидуально и зависят от:
Чтобы узнать свои условия и получить максимально выгодное предложение, свяжитесь с персональным менеджером или напишите нам на почту zakaz@podsnab.ru.
Вы можете оформить заказ несколькими способами:
Для оформления заказа от юридического лица свяжитесь с нашим отделом по работе с корпоративными клиентами по телефону +7 (495) 104-99-04 или напишите на email zakaz@podsnab.ru, прикрепив реквизиты вашей организации.
Мы оперативно подготовим коммерческое предложение и выставим счет.
Возврат товара надлежащего качества возможен в течение 10 дней с момента получения, если товар не был в употреблении, сохранен товарный вид, упаковка не вскрывалась и присутствуют все сопроводительные документы.
Возврат денежных средств осуществляется в течение 10 рабочих дней после проверки товара складом.
В соответствии с законодательством возврату не подлежат подшипники надлежащего качества, если отсутствует оригинальная упаковка или имеются следы монтажа.
В случае выявления брака или гарантийного случая мы гарантируем возврат или обмен товара.
Да, гарантийный срок хранения устанавливается заводом-изготовителем и в среднем составляет 2 года при соблюдении условий хранения: сухое помещение, оригинальная упаковка и смазка.
Точный срок для конкретного типа подшипника уточняйте у наших менеджеров.
Пн–Пт: с 8:00 до 17:00 (МСК).
Сб–Вс: выходные дни.
Заказы на сайте принимаются круглосуточно. Заявки, поступившие после окончания рабочего дня, обрабатываются на следующий рабочий день.
Минимальная сумма заказа для доставки составляет 3000 рублей. Самовывоз со склада возможен на любую сумму при наличии товара.
ООО «УралТехГрупп»
ИНН: 7415093830
КПП: 772401001
ОГРН: 1167456069021
Банк: ПАО Сбербанк
Р/с: 40702810838000475273
К/с: 30101810400000000225
БИК: 044525225
У подшипника 71944 ACD/P4AL пока нет отзывов. Вы можете стать первым покупателем, поделившимся своим мнением.