Поиск подшипника
Статьи
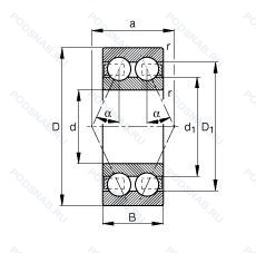
3303-BD-TVH — Шариковый радиально-упорный однорядный подшипник, модификация основного исполнения 3303, производство FAG.
Размер подшипника: 17x47x22 мм.
Твердая клетка из полиамида, tapered roller bearing. steep угол контакта (24° to 32°). metric series.
Альтернативное обозначение: 3303-BD-XL-TVH.
Международная стандартизации ISO
3303BDTVH
В наличии
| Обозначение | Конструктивные изменения |
|---|---|
| 3303TNG C3 | Внутренний зазор больше нормального. Обработанный сепаратор изготовлен из полиамида или аналогичного пластика со стекловолокном. Роликовые элементы центрированы. |
| 3303B-2ZRTNG/YRLN | 25° Угол контакта. Metal Shields At Each Side Of The Bearing. Прочный сепаратор из полиамида. армированного стекловолокном. |
| 3303J | Сепаратор из стали. |
| 3303-B-2RSR-TV | Design Without Filling Slots Have Угол контактаs Of 32°. Резиновые уплотнения с каждой стороны подшипника. Сепаратор из полиамида. |
| 3303-B-2RS-TVH-C3 | Внутренний зазор больше нормального. Seal At Each Side Of The Bearing. Модификация внутренней конструкции. Формованный полиамидный сепаратор защелкивающегося типа. |
| 3303-B-2Z-TV | Design Without Filling Slots Have Угол контактаs Of 32°. Защитные металлические шайбы с обеих сторон. Сепаратор из полиамида. |
| 3303ATN9NR/C3 | Внутренний зазор больше нормального. Двухрядный радиально-упорный шарикоподшипник без отверстия для смазки. Литой защелкивающийся сепаратор из полиамида. армированного стекловолокном 6.6. Канавка под стопорное кольцо на наружном кольце с соответствующим стопорным кольцом. |
| 3303-B-2RS-TV | Резиновые уплотнения с каждой стороны подшипника. Design Without Filling Slots Have Угол контактаs Of 32°. Сепаратор из полиамида. |
| 3303C3 NF | Внутренний зазор больше нормального. Полированный подшипник и детали подшипника. |
| 3303B-2ZRTNG | 25° Угол контакта. Metal Shields At Each Side Of The Bearing. Прочный сепаратор из полиамида. армированного стекловолокном. |
| 3303-B-TV | Design Without Filling Slots Have Угол контактаs Of 32°. Сепаратор из полиамида. |
| 3303B.2RSR.TVH.C3 | Внутренний зазор больше нормального. Модификация внутренней конструкции. Формованный полиамидный сепаратор защелкивающегося типа. Seal At Each Side Of The Bearing. |
| 3303B 2RS TNG | Резиновые уплотнения с каждой стороны подшипника. Конический роликовый подшипник. Угол контакта 20 градусов. Прочный сепаратор из полиамида. армированного стекловолокном. |
| 3303B ZZ TNG | Конический роликовый подшипник. Угол контакта 20 градусов. Металлические защитные шайбы с двух сторон. Прочный сепаратор из полиамида. армированного стекловолокном. |
| 3303B Z NR TNG | Конический роликовый подшипник. Угол контакта 20 градусов. Одна защитная металлическая шайба. SNAP RING GROOVE WITH SNAP RING. Прочный сепаратор из полиамида. армированного стекловолокном. |
| 3303-B-TNH-C3 | Внутренний зазор больше нормального. Модификация внутренней конструкции. Подшипник с защелкиваемым сепаратором из пластмассы. |
| 3303B TG | Конический роликовый подшипник. Угол контакта 20 градусов. Пластиковый сепаратор с фиксатором. |
| 3303-B-2RS-TNH | Резиновые уплотнения с каждой стороны подшипника. Модификация внутренней конструкции. Подшипник с защелкиваемым сепаратором из пластмассы. |
| 3303 2RS TNG | Резиновые уплотнения с каждой стороны подшипника. Прочный сепаратор из полиамида. армированного стекловолокном. |
| 3303B-2ZRTNGC3 | Внутренний зазор больше нормального. 25° Угол контакта. Metal Shields At Each Side Of The Bearing. Прочный сепаратор из полиамида. армированного стекловолокном. |
| 3303AC2 | Внутренний зазор подшипника меньше нормального. Без пазов для заполнения, с полиамидным сепаратором, угол 25°. |
| 3303A-2RS1 | Измененная или модифицированная внутренняя конструкция при неизменных основных размерах. Усиленные листовой сталью контактные уплотнения из акрилонитрил-бутадиенового каучука (NBR) с обеих сторон подшипника. |
| 3303A-2Z | Измененная или модифицированная внутренняя конструкция при неизменных основных размерах. Защитные металлические шайбы с обеих сторон подшипника. |
| 3303-BD-2HRS-TVH | Твердая клетка из полиамида. Манжетные уплотнения с обеих сторон изготовлены из нитрил-бутадиенового каучука. Эти конструкции смазываются на весь срок службы высококачественной смазкой и подходят для умеренных скоростей. Момент трения и тепловыделение ниже, чем при использовании предыдущего уплотнения RSR.. Tapered Roller Bearing. Steep Угол контакта (24° To 32°). Metric Series. |
| 3303-BD-2Z-TVH | Защитные металлические шайбы с обеих сторон подшипника. Твердая клетка из полиамида. Tapered Roller Bearing. Steep Угол контакта (24° To 32°). Metric Series. |
Модификации шарикового подшипника 3303-BD-TVH — это измененное основное конструктивное исполнение 3303, основные размеры (17x47x22) не отличаются.
| Обозначение | Конструктивные особенности | Внутренний (d) | Наружный (D) | Ширина (B) |
|---|---|---|---|---|
| 5303-2RS C3 | Шариковый радиально-упорный двухрядный подшипник. Внутренний зазор больше нормального. Резиновые уплотнения с каждой стороны подшипника. | 17.00 | 47.00 | 22.20 |
| 5303KG | Шариковый радиально-упорный двухрядный подшипник. Серия с закрепительной втулкой и смазочным отверстием. | 17.00 | 47.00 | 22.25 |
| 5303K | Шариковый радиально-упорный двухрядный подшипник. Коническое отверстие. Конусность 1/12. | 17.00 | 47.00 | 22.22 |
| 5303KDD | Шариковый радиально-упорный двухрядный подшипник. Защитные металлические шайбы по обе стороны подшипника с цилиндрическим наружным диаметром. | 17.00 | 47.00 | 22.25 |
| S3303-2RS | Шариковый радиально-упорный двухрядный подшипник. Резиновые уплотнения с каждой стороны подшипника. | 17.00 | 47.00 | 22.20 |
| S5303-2RS | Шариковый радиально-упорный двухрядный подшипник. Резиновые уплотнения с каждой стороны подшипника. | 17.00 | 47.00 | 22.20 |
| 5303N | Шариковый радиально-упорный двухрядный подшипник. Канавка под стопорное кольцо на внешнем кольце. | 17.00 | 47.00 | 22.20 |
| 5303SCZZ | Шариковый радиально-упорный двухрядный подшипник. Угол контакта 15°. Только для тел качения. | 17.00 | 47.00 | 22.20 |
| 5303SCLLD | Шариковый радиально-упорный двухрядный подшипник. Угол контакта 15°. Только для тел качения. | 17.00 | 47.00 | 22.20 |
| 5303S | Шариковый радиально-упорный двухрядный подшипник. Запечатанная версия кулачкового ролика. Только для тел качения. | 17.00 | 47.00 | 22.20 |
| 5303SCLLM | Шариковый радиально-упорный двухрядный подшипник. Угол контакта 15°. Только для тел качения. | 17.00 | 47.00 | 22.20 |
| 3056303-Е | Шариковый радиально-упорный двухрядный подшипник. Сепаратор из текстолита.. | 17.00 | 47.00 | 22.20 |
| 3056303-К1 | Шариковый радиально-упорный двухрядный подшипник. «Замок» (скос) на внутреннем кольце плюс массивный сепаратор из текстолита. | 17.00 | 47.00 | 22.20 |
| W6303-2RS | Шариковый радиальный однорядный подшипник. Резиновые уплотнения с каждой стороны подшипника. | 17.00 | 47.00 | 22.20 |
| W6303-ZZ | Шариковый радиальный однорядный подшипник. Защитные металлические шайбы с обеих сторон. | 17.00 | 47.00 | 22.20 |
Способы доставки
Отправка через ведущие транспортные и курьерские компании: ПЭК, Деловые Линии, СДЭК, Байкал-Сервис, Энергия, КИТ, ЖелДорЭкспедиция.
Самовывоз возможен напрямую со склада в Москве.
Сроки доставки
Срок зависит от региона и выбранной транспортной компании. Все заказы комплектуются и отправляются в кратчайшие сроки со склада в Москве.
Надёжность и сохранность
Вся продукция упаковывается с учётом требований транспортировки. Мы гарантируем, что подшипники и комплектующие прибудут к заказчику в полной сохранности.
Доставка в страны ЕАЭС
Мы работаем с проверенными логистическими партнёрами, что позволяет оперативно доставлять заказы в Беларусь, Казахстан, Армению и другие страны ЕАЭС.
Варианты оплаты:
Минимальная сумма заказа и скидки:
Документы и гарантии:
Да, конечно! Наши технические специалисты готовы помочь вам с подбором точного аналога или замены подшипника. Просто позвоните нам по телефону +7 (495) 104-99-04 или напишите на почту zakaz@podsnab.ru.
Для оперативной консультации подготовьте, пожалуйста, имеющиеся данные: маркировку, размеры, тип оборудования или артикул старого подшипника.
Да, конечно! Мы высоко ценим долгосрочное сотрудничество и доверие клиентов по всей России. Для постоянных клиентов действует персональная система скидок.
Условия формируются индивидуально и зависят от:
Чтобы узнать свои условия и получить максимально выгодное предложение, свяжитесь с персональным менеджером или напишите нам на почту zakaz@podsnab.ru.
Вы можете оформить заказ несколькими способами:
Для оформления заказа от юридического лица свяжитесь с нашим отделом по работе с корпоративными клиентами по телефону +7 (495) 104-99-04 или напишите на email zakaz@podsnab.ru, прикрепив реквизиты вашей организации.
Мы оперативно подготовим коммерческое предложение и выставим счет.
Возврат товара надлежащего качества возможен в течение 10 дней с момента получения, если товар не был в употреблении, сохранен товарный вид, упаковка не вскрывалась и присутствуют все сопроводительные документы.
Возврат денежных средств осуществляется в течение 10 рабочих дней после проверки товара складом.
В соответствии с законодательством возврату не подлежат подшипники надлежащего качества, если отсутствует оригинальная упаковка или имеются следы монтажа.
В случае выявления брака или гарантийного случая мы гарантируем возврат или обмен товара.
Да, гарантийный срок хранения устанавливается заводом-изготовителем и в среднем составляет 2 года при соблюдении условий хранения: сухое помещение, оригинальная упаковка и смазка.
Точный срок для конкретного типа подшипника уточняйте у наших менеджеров.
Пн–Пт: с 8:00 до 17:00 (МСК).
Сб–Вс: выходные дни.
Заказы на сайте принимаются круглосуточно. Заявки, поступившие после окончания рабочего дня, обрабатываются на следующий рабочий день.
Минимальная сумма заказа для доставки составляет 3000 рублей. Самовывоз со склада возможен на любую сумму при наличии товара.
ООО «УралТехГрупп»
ИНН: 7415093830
КПП: 772401001
ОГРН: 1167456069021
Банк: ПАО Сбербанк
Р/с: 40702810838000475273
К/с: 30101810400000000225
БИК: 044525225
У подшипника 3303-BD-TVH пока нет отзывов. Вы можете стать первым покупателем, поделившимся своим мнением.