Поиск подшипника
Статьи
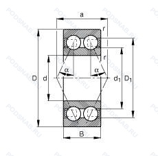
3304-BD — Шариковый радиально-упорный однорядный подшипник, модификация основного исполнения 3304, производство FAG.
Размер подшипника: 20x52x22 мм.
Tapered roller bearing. steep угол контакта (24° to 32°). metric series.
Альтернативное обозначение: 3304-BD-XL.
Международная стандартизации ISO
3304BD
В наличии
| Обозначение | Конструктивные изменения |
|---|---|
| 3304B-2ZNR C3 | Внутренний зазор больше нормального. Конический роликовый подшипник. Угол контакта 20 градусов. |
| 3304B TNG C3 | Внутренний зазор больше нормального. Конический роликовый подшипник. Угол контакта 20 градусов. Прочный сепаратор из полиамида. армированного стекловолокном. |
| 3304B Z NR TNG | Конический роликовый подшипник. Угол контакта 20 градусов. Одна защитная металлическая шайба. SNAP RING GROOVE WITH SNAP RING. Прочный сепаратор из полиамида. армированного стекловолокном. |
| 3304BC.TNH.C3 | Внутренний зазор больше нормального. Подшипник с защелкиваемым сепаратором из пластмассы. Conrad Type 25° Угол контакта. Domestic Production. |
| 3304-B-TNH-C3 | Внутренний зазор больше нормального. Модификация внутренней конструкции. Подшипник с защелкиваемым сепаратором из пластмассы. |
| 3304-B-TNH | Модификация внутренней конструкции. Подшипник с защелкиваемым сепаратором из пластмассы. |
| 3304-B-TNH-L946 | Модификация внутренней конструкции. Подшипник с защелкиваемым сепаратором из пластмассы. Preserved With Anti-Corrosion Oil. (Normal Preservation Instead Of The Production Grease Filling). |
| 3304-B-2RS-TNH-C3 | Внутренний зазор больше нормального. Резиновые уплотнения с каждой стороны подшипника. Модификация внутренней конструкции. Подшипник с защелкиваемым сепаратором из пластмассы. |
| 3304-B-2RS-TNH | Резиновые уплотнения с каждой стороны подшипника. Модификация внутренней конструкции. Подшипник с защелкиваемым сепаратором из пластмассы. |
| 3304-B-2Z-TNH | Модификация внутренней конструкции. Щиты с обеих сторон подшипника. Подшипник с защелкиваемым сепаратором из пластмассы. |
| 3304A 2RS1 TG | Двухрядный радиально-упорный шарикоподшипник без отверстия для смазки. Усиленные листовой сталью контактные уплотнения из акрилонитрил-бутадиенового каучука (NBR) с обеих сторон подшипника. Пластиковый сепаратор с фиксатором. |
| 3304-B-2RS-TVH-C3 | Внутренний зазор больше нормального. Резиновые уплотнения с каждой стороны подшипника. Модификация внутренней конструкции. Формованный полиамидный сепаратор защелкивающегося типа. |
| 3304M | Подшипник с латунным сепаратором. центрированный по телам качения. |
| 3304TNG C3 | Внутренний зазор больше нормального. Обработанный сепаратор изготовлен из полиамида или аналогичного пластика со стекловолокном. Роликовые элементы центрированы. |
| 3304.P5 | Размерная и рабочая точность соответствует классу допуска ISO 5. |
| 3304-B-2Z-TV | Design Without Filling Slots Have Угол контактаs Of 32°. Защитные металлические шайбы с обеих сторон. Сепаратор из полиамида. |
| 3304A-2RS1 | Двухрядный радиально-упорный шарикоподшипник без отверстия для смазки. Усиленные листовой сталью контактные уплотнения из акрилонитрил-бутадиенового каучука (NBR) с обеих сторон подшипника. |
| 3304B TNG/YRLN | 25° Угол контакта. Сепаратор из полиамида 66. армированного стекловолокном. |
| 3304B 2RS TN C3 | Внутренний зазор больше нормального. Резиновые уплотнения с каждой стороны подшипника. 25° Угол контакта. Сепаратор из полиамида 66. армированного стекловолокном. |
| 3304B TNH CNS D4 | Специальная термическая обработка. No Filling Slots. Угол контактаs Diverge -. Подшипник с защелкиваемым сепаратором из пластмассы. Нормальный уровень радиального внутреннего зазора (не маркируется). Количество узлов скольжения. |
| G-3304-B | Конический роликовый подшипник. Угол контакта 20 градусов. Устройство повторного смазывания со смазочной канавкой и отверстием на внешнем кольце. |
| 3304A-2Z | Измененная или модифицированная внутренняя конструкция при неизменных основных размерах. Защитные металлические шайбы с обеих сторон подшипника. |
| 3304-BD-2Z-TVH | Защитные металлические шайбы с обеих сторон подшипника. Твердая клетка из полиамида. Tapered Roller Bearing. Steep Угол контакта (24° To 32°). Metric Series. |
| 3304-BD-TVH | Твердая клетка из полиамида. Tapered Roller Bearing. Steep Угол контакта (24° To 32°). Metric Series. |
| 3304-BD-2HRS-TVH | Твердая клетка из полиамида. Манжетные уплотнения с обеих сторон изготовлены из нитрил-бутадиенового каучука. Эти конструкции смазываются на весь срок службы высококачественной смазкой и подходят для умеренных скоростей. Момент трения и тепловыделение ниже, чем при использовании предыдущего уплотнения RSR.. Tapered Roller Bearing. Steep Угол контакта (24° To 32°). Metric Series. |
Модификации шарикового подшипника 3304-BD — это измененное основное конструктивное исполнение 3304, основные размеры (20x52x22) не отличаются.
| Обозначение | Гост | Конструктивные особенности |
|---|---|---|
| E2.3304 A-2Z | ISO | Шариковый радиально-упорный однорядный подшипник. |
Аналог шарикового подшипника 3304-BD — это подшипник такого же размера dx20,Dx52,Bx22, типа и конструкции.
| Обозначение | Конструктивные особенности | Внутренний (d) | Наружный (D) | Ширина (B) |
|---|---|---|---|---|
| 180604-АЕ1 | Шариковый радиальный однорядный подшипник. Сепаратор из текстолита.. Повышенная грузоподъемность. | 20.00 | 52.00 | 21.00 |
| 180604-АК1 | Шариковый радиальный однорядный подшипник. Повышенная грузоподъемность. | 20.00 | 52.00 | 21.00 |
| 180604-КС9Ш1 | Шариковый радиальный однорядный подшипник. «Замок» (скос) на внутреннем кольце плюс массивный сепаратор из текстолита. Нормы шумности. Смазка ЛЗ-31. | 20.00 | 52.00 | 21.00 |
| 180604-С9 | Шариковый радиальный однорядный подшипник. Смазка ЛЗ-31. | 20.00 | 52.00 | 21.00 |
| 180604-С9Ш1 | Шариковый радиальный однорядный подшипник. Нормы шумности. Смазка ЛЗ-31. | 20.00 | 52.00 | 21.00 |
| 3086304-E2 | Шариковый радиальный двухрядный подшипник. Наружное кольцо доступно со стандартными смазочными отверстиями и канавками. | 20.00 | 52.00 | 22.00 |
| 2304K+H2304 | Шариковый сферический двухрядный подшипник. Коническое внутреннее отверстие. | 20.00 | 52.00 | 21.00 |
| 2304-TVH | Шариковый сферический двухрядный подшипник. Твердая клетка из полиамида. | 20.00 | 52.00 | 21.00 |
| 2304SK | Шариковый сферический двухрядный подшипник. Кулачковый толкатель штифтового типа. С шестигранной головкой. Только для внутреннего и наружного колец. | 20.00 | 52.00 | 21.00 |
| 5-3086304 Ю2 | Шариковый радиально-упорный двухрядный подшипник. Все детали или часть деталей из нержавеющей стали.. | 20.00 | 52.00 | 22.20 |
| 6-1604 Л | Шариковый радиальный двухрядный подшипник. Сепаратор из латуни.. | 20.00 | 52.00 | 21.00 |
| 6-160604 КШ1 | Шариковый радиальный однорядный подшипник. «Замок» (скос) на внутреннем кольце плюс массивный сепаратор из текстолита. Нормы шумности. | 20.00 | 52.00 | 21.00 |
| 6-180604 АКС9Ш1 | Шариковый радиальный однорядный подшипник. Нормы шумности. Повышенная грузоподъемность. Смазка ЛЗ-31. | 20.00 | 52.00 | 21.00 |
| 6-180604 К1С9Ш1 | Шариковый радиальный однорядный подшипник. Нормы шумности. Смазка ЛЗ-31. | 20.00 | 52.00 | 21.00 |
| 6-180604 КС9Ш1 | Шариковый радиальный однорядный подшипник. «Замок» (скос) на внутреннем кольце плюс массивный сепаратор из текстолита. Нормы шумности. Смазка ЛЗ-31. | 20.00 | 52.00 | 21.00 |
Способы доставки
Отправка через ведущие транспортные и курьерские компании: ПЭК, Деловые Линии, СДЭК, Байкал-Сервис, Энергия, КИТ, ЖелДорЭкспедиция.
Самовывоз возможен напрямую со склада в Москве.
Сроки доставки
Срок зависит от региона и выбранной транспортной компании. Все заказы комплектуются и отправляются в кратчайшие сроки со склада в Москве.
Надёжность и сохранность
Вся продукция упаковывается с учётом требований транспортировки. Мы гарантируем, что подшипники и комплектующие прибудут к заказчику в полной сохранности.
Доставка в страны ЕАЭС
Мы работаем с проверенными логистическими партнёрами, что позволяет оперативно доставлять заказы в Беларусь, Казахстан, Армению и другие страны ЕАЭС.
Варианты оплаты:
Минимальная сумма заказа и скидки:
Документы и гарантии:
Да, конечно! Наши технические специалисты готовы помочь вам с подбором точного аналога или замены подшипника. Просто позвоните нам по телефону +7 (495) 104-99-04 или напишите на почту zakaz@podsnab.ru.
Для оперативной консультации подготовьте, пожалуйста, имеющиеся данные: маркировку, размеры, тип оборудования или артикул старого подшипника.
Да, конечно! Мы высоко ценим долгосрочное сотрудничество и доверие клиентов по всей России. Для постоянных клиентов действует персональная система скидок.
Условия формируются индивидуально и зависят от:
Чтобы узнать свои условия и получить максимально выгодное предложение, свяжитесь с персональным менеджером или напишите нам на почту zakaz@podsnab.ru.
Вы можете оформить заказ несколькими способами:
Для оформления заказа от юридического лица свяжитесь с нашим отделом по работе с корпоративными клиентами по телефону +7 (495) 104-99-04 или напишите на email zakaz@podsnab.ru, прикрепив реквизиты вашей организации.
Мы оперативно подготовим коммерческое предложение и выставим счет.
Возврат товара надлежащего качества возможен в течение 10 дней с момента получения, если товар не был в употреблении, сохранен товарный вид, упаковка не вскрывалась и присутствуют все сопроводительные документы.
Возврат денежных средств осуществляется в течение 10 рабочих дней после проверки товара складом.
В соответствии с законодательством возврату не подлежат подшипники надлежащего качества, если отсутствует оригинальная упаковка или имеются следы монтажа.
В случае выявления брака или гарантийного случая мы гарантируем возврат или обмен товара.
Да, гарантийный срок хранения устанавливается заводом-изготовителем и в среднем составляет 2 года при соблюдении условий хранения: сухое помещение, оригинальная упаковка и смазка.
Точный срок для конкретного типа подшипника уточняйте у наших менеджеров.
Пн–Пт: с 8:00 до 17:00 (МСК).
Сб–Вс: выходные дни.
Заказы на сайте принимаются круглосуточно. Заявки, поступившие после окончания рабочего дня, обрабатываются на следующий рабочий день.
Минимальная сумма заказа для доставки составляет 3000 рублей. Самовывоз со склада возможен на любую сумму при наличии товара.
ООО «УралТехГрупп»
ИНН: 7415093830
КПП: 772401001
ОГРН: 1167456069021
Банк: ПАО Сбербанк
Р/с: 40702810838000475273
К/с: 30101810400000000225
БИК: 044525225
У подшипника 3304-BD пока нет отзывов. Вы можете стать первым покупателем, поделившимся своим мнением.