Поиск подшипника
Статьи
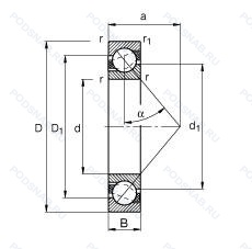
71808-B-TVH — Шариковый радиально-упорный однорядный подшипник, модификация основного исполнения 71808, производство FAG.
Размер подшипника: 40x52x7 мм.
Твердая клетка из полиамида, модифицированная внутренняя конструкция.
Международная стандартизации ISO
71808BTVH
В наличии
| Обозначение | Конструктивные изменения |
|---|---|
| 71808-TN | Сепаратор из полиамида. |
| 71808CDGB/P4 | 15° Угол контакта. Подшипник для универсального монтажа. Два подшипника. установленные по О-образной или Х-образной схеме. имеют средний преднатяг. Класс точности Р4 по ISO (точнее. чем P5) - Abec.7. |
| 71808CD/P4ADGB | 15° Угол контакта. Точность размеров в соответствии с классом допуска ISO 4. точность вращения лучше чем класс допуска ISO 4. Два однорядных радиально-упорных шарикоподшипника для универсального монтажа т.е. спаренные для монтажа в режиме спина к спине. лицом к лицу или в тандемном расположении. Средний преднатяг. |
| 71808 CD/P4 | Двухкомпонентный штампованный стальной сепаратор с направляющим кольцом. Класс точности. |
| 71808 ACD/P4 | Однорядный с улучшенной конструкцией и углом контакта 25°. Класс точности. |
| 71808 ACD/HCP4 | Однорядный с улучшенной конструкцией и углом контакта 25°. |
| 71808 CD/HCP4 | Двухкомпонентный штампованный стальной сепаратор с направляющим кольцом. |
| 71808 ATBP4 | Шариковый радиально-упорный однорядный подшипник. |
| 71808 CTBP4 | Шариковый радиально-упорный однорядный подшипник. |
| 71808 A | Двухрядный радиально-упорный шарикоподшипник без отверстия для смазки. |
| 71808 C | 15° Угол контакта. |
| 71808 | Шариковый радиально-упорный однорядный подшипник. Основное конструктивное исполнение. |
| 71808 CD/HCP4A | Измененная или модифицированная внутренняя конструкция при неизменных основных размерах. Двухкомпонентный штампованный стальной сепаратор с направляющим кольцом. |
| 71808 CD/P4A | Двухкомпонентный штампованный стальной сепаратор с направляющим кольцом. Точность размеров в соответствии с классом допуска ISO 4. точность вращения лучше чем класс допуска ISO 4. |
Модификации шарикового подшипника 71808-B-TVH — это измененное основное конструктивное исполнение 71808, основные размеры (40x52x7) не отличаются.
| Обозначение | Гост | Конструктивные особенности |
|---|---|---|
| 6808 | ГОСТ | Шариковый радиально-упорный однорядный подшипник. |
| 5S-7808CG/GNP42 | ISO | Универсальный подшипник. Резьбовой винт со стопором и защелкой. Класс точности JIS4 для размеров и JIS 2 для точности вращения. Гибридный подшипник. |
| 7808CG/GNP42 | ISO | Универсальный подшипник. Резьбовой винт со стопором и защелкой. Класс точности JIS4 для размеров и JIS 2 для точности вращения. |
| SEA40/NS 7CE3 | ISO | Шарики из нитрида кремния Si3N4 (гибридные подшипники). Керамические шарики. |
| SEA40 7CE3 | ISO | Шариковый радиально-упорный однорядный подшипник. |
| SEA40/NS 7CE1 | ISO | Шарики из нитрида кремния Si3N4 (гибридные подшипники). Керамические шарики. |
| SEA40 7CE1 | ISO | Шариковый радиально-упорный однорядный подшипник. |
| 7808C | ISO | Угол контакта 15°. |
| 1036808-Ю | ГОСТ | Все детали или часть деталей из нержавеющей стали.. |
| 4-1036808 Ю | ГОСТ | Все детали или часть деталей из нержавеющей стали.. |
| 6-1036808 Ю | ГОСТ | Все детали или часть деталей из нержавеющей стали.. |
Аналог шарикового подшипника 71808-B-TVH — это подшипник такого же размера dx40,Dx52,Bx7, типа и конструкции.
| Обозначение | Конструктивные особенности | Внутренний (d) | Наружный (D) | Ширина (B) |
|---|---|---|---|---|
| 6808ZZE | Шариковый радиальный однорядный подшипник. | 40.00 | 52.00 | 7.00 |
| 6808-2NKE | Шариковый радиальный однорядный подшипник. Double Labyrinth Seal (Non Contact). | 40.00 | 52.00 | 7.00 |
| 6808-2NSE | Шариковый радиальный однорядный подшипник. Резиновые уплотнения с каждой стороны подшипника. | 40.00 | 52.00 | 7.00 |
| 6808N | Шариковый радиальный однорядный подшипник. Канавка для стопорного кольца на наружном кольце. | 40.00 | 52.00 | 7.00 |
| 6808ZE | Шариковый радиальный однорядный подшипник. щит из листовой прессованной стали с одной стороны подшипника. | 40.00 | 52.00 | 7.00 |
| 6808DD | Шариковый радиальный однорядный подшипник. Два уплотнения из PTFE. | 40.00 | 52.00 | 7.00 |
| 6-900808 Ю | Шариковый радиальный однорядный подшипник. Все детали или часть деталей из нержавеющей стали.. | 40.00 | 52.00 | 6.00 |
| 6808LB | Шариковый радиальный однорядный подшипник. Бесконтактное нитриловое уплотнение. | 40.00 | 52.00 | 7.00 |
| 6808ZZNR | Шариковый радиальный однорядный подшипник. Стальная шайба. Канавка и стопорное кольцо на наружном кольце. | 40.00 | 52.00 | 7.00 |
| 6808LLB | Шариковый радиальный однорядный подшипник. Уплотнение бесконтактного типа из синтетического каучука. | 40.00 | 52.00 | 7.00 |
| W 61808 R-2Z | Шариковый радиальный однорядный подшипник. Защитные металлические шайбы с обеих сторон подшипника. Нержавеющая сталь. С выпуклыми асимметричными роликами и обработанным сепаратором. | 40.00 | 52.00 | 7.00 |
| W 61808 R | Шариковый радиальный однорядный подшипник. Нержавеющая сталь. С выпуклыми асимметричными роликами и обработанным сепаратором. | 40.00 | 52.00 | 7.00 |
| 1000808.2RS | Шариковый радиальный однорядный подшипник. Резиновые уплотнения с каждой стороны подшипника. | 40.00 | 52.00 | 7.00 |
| 6-1000808 АЛ | Шариковый радиальный однорядный подшипник. Сепаратор из латуни.. Повышенная грузоподъемность. | 40.00 | 52.00 | 7.00 |
| 6-1000808 Л | Шариковый радиальный однорядный подшипник. Сепаратор из латуни.. | 40.00 | 52.00 | 7.00 |
Способы доставки
Отправка через ведущие транспортные и курьерские компании: ПЭК, Деловые Линии, СДЭК, Байкал-Сервис, Энергия, КИТ, ЖелДорЭкспедиция.
Самовывоз возможен напрямую со склада в Москве.
Сроки доставки
Срок зависит от региона и выбранной транспортной компании. Все заказы комплектуются и отправляются в кратчайшие сроки со склада в Москве.
Надёжность и сохранность
Вся продукция упаковывается с учётом требований транспортировки. Мы гарантируем, что подшипники и комплектующие прибудут к заказчику в полной сохранности.
Доставка в страны ЕАЭС
Мы работаем с проверенными логистическими партнёрами, что позволяет оперативно доставлять заказы в Беларусь, Казахстан, Армению и другие страны ЕАЭС.
Варианты оплаты:
Минимальная сумма заказа и скидки:
Документы и гарантии:
Да, конечно! Наши технические специалисты готовы помочь вам с подбором точного аналога или замены подшипника. Просто позвоните нам по телефону +7 (495) 104-99-04 или напишите на почту zakaz@podsnab.ru.
Для оперативной консультации подготовьте, пожалуйста, имеющиеся данные: маркировку, размеры, тип оборудования или артикул старого подшипника.
Да, конечно! Мы высоко ценим долгосрочное сотрудничество и доверие клиентов по всей России. Для постоянных клиентов действует персональная система скидок.
Условия формируются индивидуально и зависят от:
Чтобы узнать свои условия и получить максимально выгодное предложение, свяжитесь с персональным менеджером или напишите нам на почту zakaz@podsnab.ru.
Вы можете оформить заказ несколькими способами:
Для оформления заказа от юридического лица свяжитесь с нашим отделом по работе с корпоративными клиентами по телефону +7 (495) 104-99-04 или напишите на email zakaz@podsnab.ru, прикрепив реквизиты вашей организации.
Мы оперативно подготовим коммерческое предложение и выставим счет.
Возврат товара надлежащего качества возможен в течение 10 дней с момента получения, если товар не был в употреблении, сохранен товарный вид, упаковка не вскрывалась и присутствуют все сопроводительные документы.
Возврат денежных средств осуществляется в течение 10 рабочих дней после проверки товара складом.
В соответствии с законодательством возврату не подлежат подшипники надлежащего качества, если отсутствует оригинальная упаковка или имеются следы монтажа.
В случае выявления брака или гарантийного случая мы гарантируем возврат или обмен товара.
Да, гарантийный срок хранения устанавливается заводом-изготовителем и в среднем составляет 2 года при соблюдении условий хранения: сухое помещение, оригинальная упаковка и смазка.
Точный срок для конкретного типа подшипника уточняйте у наших менеджеров.
Пн–Пт: с 8:00 до 17:00 (МСК).
Сб–Вс: выходные дни.
Заказы на сайте принимаются круглосуточно. Заявки, поступившие после окончания рабочего дня, обрабатываются на следующий рабочий день.
Минимальная сумма заказа для доставки составляет 3000 рублей. Самовывоз со склада возможен на любую сумму при наличии товара.
ООО «УралТехГрупп»
ИНН: 7415093830
КПП: 772401001
ОГРН: 1167456069021
Банк: ПАО Сбербанк
Р/с: 40702810838000475273
К/с: 30101810400000000225
БИК: 044525225
У подшипника 71808-B-TVH пока нет отзывов. Вы можете стать первым покупателем, поделившимся своим мнением.