Поиск подшипника
Статьи
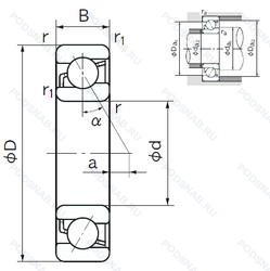
7300C — Шариковый радиально-упорный однорядный подшипник, модификация основного исполнения 7300, производство NACHI.
Размер подшипника: 10x35x11 мм.
15° угол контакта.
Аналоги: 36300.
Международная стандартизации ISO
7300C
В наличии
| Обозначение | Конструктивные изменения |
|---|---|
| 7300M | Подшипник с латунным сепаратором. центрированный по телам качения. |
| 7300 | Шариковый радиально-упорный однорядный подшипник. Основное конструктивное исполнение. |
| 7300B | Угол контакта 40°. |
| 7300BW | Угол контакта 40 градусов. Прессованный стальной фиксатор. Цельный тип. |
| 7300B.MP | 40° Угол контакта. Механически обработанный латунный сепаратор оконного типа. |
| 7300B.TVP | 40° Угол контакта. Формованный полиамидный сепаратор оконного типа. Роликовые тела качения. |
| 7300BJ | Без суффикса. но с обозначением типа. |
| 7300CDGA/P4A | 15° Угол контакта. Точность размеров в соответствии с классом допуска ISO 4. точность вращения лучше чем класс допуска ISO 4. Однорядный радиально-упорный шарикоподшипник для универсальной установки. Два подшипника. расположенных «спина к спине» или «лицом к лицу». будут иметь небольшой преднатяг. |
| 7300BM | 40° Угол контакта. Механически обработанный латунный сепаратор .Расположенный на элементах качения. |
| 7300 A-UD | Двухрядный радиально-упорный шарикоподшипник без отверстия для смазки. |
| 7300 A-UO | Двухрядный радиально-упорный шарикоподшипник без отверстия для смазки. Универсальный монтаж. Для установки по O- и X- образной схеме - беззазорные.. |
| 7300 A-UX | Двухрядный радиально-упорный шарикоподшипник без отверстия для смазки. Универсальный монтаж, сверхлегкая предварительная нагрузка.. |
| 7300BDT | Угол контакта 40°. |
| 7300DT | Дуплексные подшипники для установки в тандеме. |
| 7300BDF | Угол контакта 40°. |
| 7300BDB | Угол контакта 40°. |
| 7300DB | Two Single Row Deep Groove Ball Bearings. Single Row Angular Contact Ball Bearings Or Single Row Tapered Roller Bearings Matched For Mounting In A Back-To-Back Arrangement. |
| 7300DF | Комплект из двух подшипников. согласованных для установки по Х-образной схеме. Число. следующее непосредственно после букв DF. обозначает конструкцию промежуточного кольца. |
| 7300 ADF | Механически обработанный сепаратор из стали или специального чугуна. |
| 7300 ADT | Механически обработанный сепаратор из текстолита. |
| 7300 ADB | Modified Snap Ring Grooves In The Outer Ring_ Two-Piece Inner Ring Held Together By A Retaining Ring. |
| 7300CDB | Шариковый радиально-упорный однорядный подшипник. |
| 7300BG | 40° Угол контакта. |
| 7300B-2RS | Резиновые уплотнения с каждой стороны подшипника. Конический роликовый подшипник. Угол контакта 20 градусов. |
| 7300 A | Двухрядный радиально-упорный шарикоподшипник без отверстия для смазки. |
Модификации шарикового подшипника 7300C — это измененное основное конструктивное исполнение 7300, основные размеры (10x35x11) не отличаются.
| Обозначение | Гост | Конструктивные особенности |
|---|---|---|
| S7300B | ISO | Конический роликовый подшипник. Угол контакта 20 градусов. |
| 26300 | ГОСТ | Шариковый радиально-упорный однорядный подшипник. |
| 36300 | ГОСТ | Шариковый радиально-упорный однорядный подшипник. |
| 46300 | ГОСТ | Шариковый радиально-упорный однорядный подшипник. |
| 66300 | ГОСТ | Шариковый радиально-упорный однорядный подшипник. |
| 26300К | ГОСТ | «Замок» (скос) на внутреннем кольце плюс массивный сепаратор из текстолита. |
| 36300К | ГОСТ | «Замок» (скос) на внутреннем кольце плюс массивный сепаратор из текстолита. |
| 46300К | ГОСТ | «Замок» (скос) на внутреннем кольце плюс массивный сепаратор из текстолита. |
Аналог шарикового подшипника 7300C — это подшипник такого же размера dx10,Dx35,Bx11, типа и конструкции.
| Обозначение | Конструктивные особенности | Внутренний (d) | Наружный (D) | Ширина (B) |
|---|---|---|---|---|
| EC-6300 | Шариковый радиальный однорядный подшипник. Подшипник с компенсацией теплового расширения для общего применения. | 10.00 | 35.00 | 11.00 |
| EC-6300LLU | Шариковый радиальный однорядный подшипник. Контактное резиновое уплотнение с двух сторон. Подшипник с компенсацией теплового расширения для общего применения. | 10.00 | 35.00 | 11.00 |
| EC-6300LLB | Шариковый радиальный однорядный подшипник. Подшипник с компенсацией теплового расширения для общего применения. Уплотнение бесконтактного типа из синтетического каучука. | 10.00 | 35.00 | 11.00 |
| EC-6300ZZ | Шариковый радиальный однорядный подшипник. Защитные металлические шайбы с обеих сторон. Подшипник с компенсацией теплового расширения для общего применения. | 10.00 | 35.00 | 11.00 |
| 6300-2RSL | Шариковый радиальный однорядный подшипник. Sheet Steel Reinforced Low Friction Contact Seal Of Acrylonitrile-Butadiene Rubber (NBR) On Both Sides Of The Bearing. | 10.00 | 35.00 | 11.00 |
| 6300-RSH | Шариковый радиальный однорядный подшипник. Резиновое уплотнение с одной стороны. | 10.00 | 35.00 | 11.00 |
| 6300-RSL | Шариковый радиальный однорядный подшипник. Sheet Steel Reinforced Low Friction Contact Seal Of Acrylonitrile-Butadiene Rubber (NBR) On One Side Of The Bearing. | 10.00 | 35.00 | 11.00 |
| 6300-2Z/VA201 | Шариковый радиальный однорядный подшипник. Защитные металлические шайбы с обеих сторон подшипника. Подшипник для высокотемпературных применений (например. печных тележек). | 10.00 | 35.00 | 11.00 |
| 6300FT150ZZ | Шариковый радиальный однорядный подшипник. Ассортимент TOPLINE для высокой температуры - Максимум 150 С° со стальными защитными пластинами с обеих сторон. | 10.00 | 35.00 | 11.00 |
| P6300-SB | Шариковый радиальный однорядный подшипник. Double Row. Angular Contact. Non-Filling Notch Bearing. With Outwardly Convergent Угол контактаs. Rigid Design. | 10.00 | 35.00 | 11.00 |
| P6300-GB | Шариковый радиальный однорядный подшипник. Подшипник для универсального монтажа. Два подшипника. установленные по О-образной или Х-образной схеме. имеют средний преднатяг. | 10.00 | 35.00 | 11.00 |
| S6300-2Z | Шариковый радиальный однорядный подшипник. Защитные металлические шайбы с обеих сторон подшипника. | 10.00 | 35.00 | 11.00 |
| 6200/35-2Z | Шариковый радиальный однорядный подшипник. Защитные металлические шайбы с обеих сторон подшипника. 2.3/16. | 10.00 | 35.00 | 11.00 |
| 180300-А | Шариковый радиальный однорядный подшипник. Повышенная грузоподъемность. | 10.00 | 35.00 | 11.00 |
| 300-А | Шариковый радиальный однорядный подшипник. Повышенная грузоподъемность. | 10.00 | 35.00 | 11.00 |
Способы доставки
Отправка через ведущие транспортные и курьерские компании: ПЭК, Деловые Линии, СДЭК, Байкал-Сервис, Энергия, КИТ, ЖелДорЭкспедиция.
Самовывоз возможен напрямую со склада в Москве.
Сроки доставки
Срок зависит от региона и выбранной транспортной компании. Все заказы комплектуются и отправляются в кратчайшие сроки со склада в Москве.
Надёжность и сохранность
Вся продукция упаковывается с учётом требований транспортировки. Мы гарантируем, что подшипники и комплектующие прибудут к заказчику в полной сохранности.
Доставка в страны ЕАЭС
Мы работаем с проверенными логистическими партнёрами, что позволяет оперативно доставлять заказы в Беларусь, Казахстан, Армению и другие страны ЕАЭС.
Варианты оплаты:
Минимальная сумма заказа и скидки:
Документы и гарантии:
Да, конечно! Наши технические специалисты готовы помочь вам с подбором точного аналога или замены подшипника. Просто позвоните нам по телефону +7 (495) 104-99-04 или напишите на почту zakaz@podsnab.ru.
Для оперативной консультации подготовьте, пожалуйста, имеющиеся данные: маркировку, размеры, тип оборудования или артикул старого подшипника.
Да, конечно! Мы высоко ценим долгосрочное сотрудничество и доверие клиентов по всей России. Для постоянных клиентов действует персональная система скидок.
Условия формируются индивидуально и зависят от:
Чтобы узнать свои условия и получить максимально выгодное предложение, свяжитесь с персональным менеджером или напишите нам на почту zakaz@podsnab.ru.
Вы можете оформить заказ несколькими способами:
Для оформления заказа от юридического лица свяжитесь с нашим отделом по работе с корпоративными клиентами по телефону +7 (495) 104-99-04 или напишите на email zakaz@podsnab.ru, прикрепив реквизиты вашей организации.
Мы оперативно подготовим коммерческое предложение и выставим счет.
Возврат товара надлежащего качества возможен в течение 10 дней с момента получения, если товар не был в употреблении, сохранен товарный вид, упаковка не вскрывалась и присутствуют все сопроводительные документы.
Возврат денежных средств осуществляется в течение 10 рабочих дней после проверки товара складом.
В соответствии с законодательством возврату не подлежат подшипники надлежащего качества, если отсутствует оригинальная упаковка или имеются следы монтажа.
В случае выявления брака или гарантийного случая мы гарантируем возврат или обмен товара.
Да, гарантийный срок хранения устанавливается заводом-изготовителем и в среднем составляет 2 года при соблюдении условий хранения: сухое помещение, оригинальная упаковка и смазка.
Точный срок для конкретного типа подшипника уточняйте у наших менеджеров.
Пн–Пт: с 8:00 до 17:00 (МСК).
Сб–Вс: выходные дни.
Заказы на сайте принимаются круглосуточно. Заявки, поступившие после окончания рабочего дня, обрабатываются на следующий рабочий день.
Минимальная сумма заказа для доставки составляет 3000 рублей. Самовывоз со склада возможен на любую сумму при наличии товара.
ООО «УралТехГрупп»
ИНН: 7415093830
КПП: 772401001
ОГРН: 1167456069021
Банк: ПАО Сбербанк
Р/с: 40702810838000475273
К/с: 30101810400000000225
БИК: 044525225
У подшипника 7300C пока нет отзывов. Вы можете стать первым покупателем, поделившимся своим мнением.