Поиск подшипника
Статьи
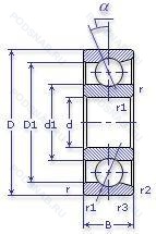
46214 — Шариковый радиально-упорный однорядный подшипник, основное исполнение, производство ГПЗ.
Размер подшипника: 70x125x24 мм.
Аналоги: 7214AC.
Государственный стандарт ГОСТ
46214
В наличии
| Обозначение | Конструктивные изменения |
|---|---|
| Т-46214 Л | Сепаратор из латуни.. |
| 2-46214 КЕШ3 | «Замок» (скос) на внутреннем кольце плюс массивный сепаратор из текстолита. Сепаратор из текстолита.. Нормы шумности. |
| 6-46214 Л | Сепаратор из латуни.. |
| 46214-АЛ | Сепаратор из латуни.. Повышенная грузоподъемность. |
| 46214-Е | Сепаратор из текстолита.. |
| 46214-Л | Сепаратор из латуни.. |
| 46214-К | «Замок» (скос) на внутреннем кольце плюс массивный сепаратор из текстолита. |
Модификации шарикового подшипника 46214 — это измененное основное конструктивное исполнение 46214, основные размеры (70x125x24) не отличаются.
| Обозначение | Гост | Конструктивные особенности |
|---|---|---|
| 7214AC | ISO | Суффикс для радиально-упорного шарикоподшипника. |
| 36214К | ГОСТ | «Замок» (скос) на внутреннем кольце плюс массивный сепаратор из текстолита. |
| 36214К6 | ГОСТ | «Замок» (скос) на внутреннем кольце. |
| 36215-Е | ГОСТ | Сепаратор из текстолита.. |
| 6-36214 А | ГОСТ | Повышенная грузоподъемность. |
| 6-36214 АЛ | ГОСТ | Сепаратор из латуни.. Повышенная грузоподъемность. |
| 6-36214 Е | ГОСТ | Сепаратор из текстолита.. |
| 6-36214 Л | ГОСТ | Сепаратор из латуни.. |
| 6-36215 Л | ГОСТ | Сепаратор из латуни.. |
| 66214-АК | ГОСТ | Повышенная грузоподъемность. |
| 66214-АК12 | ГОСТ | Повышенная грузоподъемность. |
| 66214-АЛ1 | ГОСТ | Сепаратор из латуни.. Повышенная грузоподъемность. |
| 45-276214 БТ2 | ГОСТ | 200°. Температура отпуска. Сепаратор из безоловянистой бронзы.. |
| 45-276214 Р | ГОСТ | Детали из теплоустойчивой (быстрорежущие) стали.. |
| 4А-276214 БТ2 | ГОСТ | 200°. Температура отпуска. Сепаратор из безоловянистой бронзы.. |
| 5-276214 Б1Т | ГОСТ | Температура отпуска. 160°. Сепаратор из безоловянистой бронзы.. |
| 5-276214 Б1Т2 | ГОСТ | 200°. Температура отпуска. Сепаратор из безоловянистой бронзы.. |
| 5-36214 E | ГОСТ | Повышенная грузоподъемность. |
| 5-36214 Е | ГОСТ | Сепаратор из текстолита.. |
| 5-36214 К | ГОСТ | «Замок» (скос) на внутреннем кольце плюс массивный сепаратор из текстолита. |
| 5-36214 Л | ГОСТ | Сепаратор из латуни.. |
Аналог шарикового подшипника 46214 — это подшипник такого же размера dx70,Dx125,Bx24, типа и конструкции.
| Обозначение | Конструктивные особенности | Внутренний (d) | Наружный (D) | Ширина (B) |
|---|---|---|---|---|
| 1214-K+H214 | Шариковый сферический двухрядный подшипник. Коническое внутреннее отверстие. | 70.00 | 125.00 | 24.00 |
| 1214 TN9 | Шариковый сферический двухрядный подшипник. Литой защелкивающийся сепаратор из полиамида. армированного стекловолокном 6.6. | 70.00 | 125.00 | 24.00 |
| 1214 ETN9 | Шариковый сферический двухрядный подшипник. Оптимизированный внутренний дизайн. Литая защелкивающаяся клетка из полиамида 6.6. армированного стекловолокном с шариковой центрировкой.. | 70.00 | 125.00 | 24.00 |
| 8-214-К | Шариковый упорный однорядный подшипник. «Замок» (скос) на внутреннем кольце плюс массивный сепаратор из текстолита. | 70.00 | 105.00 | 24.00 |
| NJ 214 ECPH | Роликовый радиальный однорядный подшипник. Однорядный цилиндрический роликовый подшипник. | 70.00 | 125.00 | 24.00 |
| NU 214 ECPH | Роликовый радиальный однорядный подшипник. Однорядный цилиндрический роликовый подшипник. | 70.00 | 125.00 | 24.00 |
| 7602070-TVP | Шариковый упорный однорядный подшипник. Molded Snap-Type Cage Of Glass Fibre Reinforced Polyamide. Rolling Element Riding. | 70.00 | 125.00 | 24.00 |
| 46-214 ЛТ1 | Шариковый радиальный однорядный подшипник. Сепаратор из латуни.. 180°. Температура отпуска. | 70.00 | 125.00 | 24.00 |
| 46-214 Ю | Шариковый радиальный однорядный подшипник. Все детали или часть деталей из нержавеющей стали.. | 70.00 | 125.00 | 24.00 |
| 46-214 Ю1 | Шариковый радиальный однорядный подшипник. Все детали или часть деталей из нержавеющей стали.. | 70.00 | 125.00 | 24.00 |
| 46-214 Ю1П | Шариковый радиальный однорядный подшипник. Все детали или часть деталей из нержавеющей стали.. | 70.00 | 125.00 | 24.00 |
| 46-214 Ю2 | Шариковый радиальный однорядный подшипник. Все детали или часть деталей из нержавеющей стали.. | 70.00 | 125.00 | 24.00 |
| 46-214 Ю5 | Шариковый радиальный однорядный подшипник. Все детали или часть деталей из нержавеющей стали.. | 70.00 | 125.00 | 24.00 |
| 5-214 Д1Т1 | Шариковый радиальный однорядный подшипник. 180°. Сепаратор из алюминиевого сплава.. Температура отпуска. | 70.00 | 125.00 | 24.00 |
| 5-214 Л | Шариковый радиальный однорядный подшипник. Сепаратор из латуни.. | 70.00 | 125.00 | 24.00 |
Способы доставки
Отправка через ведущие транспортные и курьерские компании: ПЭК, Деловые Линии, СДЭК, Байкал-Сервис, Энергия, КИТ, ЖелДорЭкспедиция.
Самовывоз возможен напрямую со склада в Москве.
Сроки доставки
Срок зависит от региона и выбранной транспортной компании. Все заказы комплектуются и отправляются в кратчайшие сроки со склада в Москве.
Надёжность и сохранность
Вся продукция упаковывается с учётом требований транспортировки. Мы гарантируем, что подшипники и комплектующие прибудут к заказчику в полной сохранности.
Доставка в страны ЕАЭС
Мы работаем с проверенными логистическими партнёрами, что позволяет оперативно доставлять заказы в Беларусь, Казахстан, Армению и другие страны ЕАЭС.
Варианты оплаты:
Минимальная сумма заказа и скидки:
Документы и гарантии:
Да, конечно! Наши технические специалисты готовы помочь вам с подбором точного аналога или замены подшипника. Просто позвоните нам по телефону +7 (495) 104-99-04 или напишите на почту zakaz@podsnab.ru.
Для оперативной консультации подготовьте, пожалуйста, имеющиеся данные: маркировку, размеры, тип оборудования или артикул старого подшипника.
Да, конечно! Мы высоко ценим долгосрочное сотрудничество и доверие клиентов по всей России. Для постоянных клиентов действует персональная система скидок.
Условия формируются индивидуально и зависят от:
Чтобы узнать свои условия и получить максимально выгодное предложение, свяжитесь с персональным менеджером или напишите нам на почту zakaz@podsnab.ru.
Вы можете оформить заказ несколькими способами:
Для оформления заказа от юридического лица свяжитесь с нашим отделом по работе с корпоративными клиентами по телефону +7 (495) 104-99-04 или напишите на email zakaz@podsnab.ru, прикрепив реквизиты вашей организации.
Мы оперативно подготовим коммерческое предложение и выставим счет.
Возврат товара надлежащего качества возможен в течение 10 дней с момента получения, если товар не был в употреблении, сохранен товарный вид, упаковка не вскрывалась и присутствуют все сопроводительные документы.
Возврат денежных средств осуществляется в течение 10 рабочих дней после проверки товара складом.
В соответствии с законодательством возврату не подлежат подшипники надлежащего качества, если отсутствует оригинальная упаковка или имеются следы монтажа.
В случае выявления брака или гарантийного случая мы гарантируем возврат или обмен товара.
Да, гарантийный срок хранения устанавливается заводом-изготовителем и в среднем составляет 2 года при соблюдении условий хранения: сухое помещение, оригинальная упаковка и смазка.
Точный срок для конкретного типа подшипника уточняйте у наших менеджеров.
Пн–Пт: с 8:00 до 17:00 (МСК).
Сб–Вс: выходные дни.
Заказы на сайте принимаются круглосуточно. Заявки, поступившие после окончания рабочего дня, обрабатываются на следующий рабочий день.
Минимальная сумма заказа для доставки составляет 3000 рублей. Самовывоз со склада возможен на любую сумму при наличии товара.
ООО «УралТехГрупп»
ИНН: 7415093830
КПП: 772401001
ОГРН: 1167456069021
Банк: ПАО Сбербанк
Р/с: 40702810838000475273
К/с: 30101810400000000225
БИК: 044525225
У подшипника 46214 пока нет отзывов. Вы можете стать первым покупателем, поделившимся своим мнением.