Поиск подшипника
Статьи
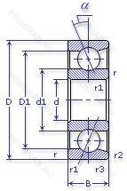
46310 — Шариковый радиально-упорный однорядный подшипник, основное исполнение, производство ГПЗ.
Размер подшипника: 50x110x27 мм.
Аналоги: 7310AC.
Государственный стандарт ГОСТ
46310
В наличии
| Обозначение | Конструктивные изменения |
|---|---|
| ВО-46310 АКШ | Повышенная грузоподъемность. Нормы шумности. |
| 4-46310 Е1 | Сепаратор из текстолита.. |
| 6-46310 Е1 | Сепаратор из текстолита.. |
| 8-46310 Л | Сепаратор из латуни.. |
| 46310-А | Повышенная грузоподъемность. |
| 7-46310 АК | Повышенная грузоподъемность. |
| 6-46310 АК | Повышенная грузоподъемность. |
| 6-46310 АЛ | Сепаратор из латуни.. Повышенная грузоподъемность. |
| 6-46310 Л | Сепаратор из латуни.. |
| 46310-АЕ1 | Сепаратор из текстолита.. Повышенная грузоподъемность. |
| 46310-АК | Повышенная грузоподъемность. |
| 46310-АЛ | Сепаратор из латуни.. Повышенная грузоподъемность. |
| 46310-Е | Сепаратор из текстолита.. |
| 46310-Л | Сепаратор из латуни.. |
| 46310К | «Замок» (скос) на внутреннем кольце плюс массивный сепаратор из текстолита. |
| 46310Л1 | Сепаратор из латуни.. |
| 5-46310 АЛ | Сепаратор из латуни.. Повышенная грузоподъемность. |
| 5-46310 Л | Сепаратор из латуни.. |
Модификации шарикового подшипника 46310 — это измененное основное конструктивное исполнение 46310, основные размеры (50x110x27) не отличаются.
| Обозначение | Гост | Конструктивные особенности |
|---|---|---|
| 7310BBG | ISO | Универсальный подшипник. |
| 7310WN | ISO | Sizes 7201K Through 7203WN Have A 20° Угол контакта And A Nylon Cage. Sizes 7204WN through 7218WN have a 40° Угол контакта And A One-Piece. Ball Piloted. Pressed Brass Cage. Larger Sizes 7219WN Through 7230WN Have A 40° Угол контакта And A One-Piece. Outer Ring Piloted High-Strength Machined Bronze Cage. |
| 7310B-2RS | ISO | Резиновые уплотнения с каждой стороны подшипника. Конический роликовый подшипник. Угол контакта 20 градусов. |
| S7310B | ISO | Конический роликовый подшипник. Угол контакта 20 градусов. |
| 7310AC | ISO | Суффикс для радиально-упорного шарикоподшипника. |
| 7310C | ISO | Угол контакта 15°. |
| QJ 310 N2 M | ISO | Подшипник с латунным сепаратором. центрированный по телам качения. Два установочных паза (выемки), расположенных под углом 180° друг от друга в одной боковой поверхности наружного кольца или шайбе корпуса.. |
| 6310BI | ISO | Угол контакта 40 градусов. |
| 7310-BE-MP | ISO | Single Row Angular Contact Ball Bearing With A 40° Угол контакта And Optimized Internal Design. Массивный латунный сепаратор. центрированный по телам качения. |
| 7310-BECB-MP | ISO | Массивный латунный сепаратор. центрированный по телам качения. |
| 7310-BECB-TVP | ISO | Molded Snap-Type Cage Of Glass Fibre Reinforced Polyamide. Rolling Element Riding. |
| 7310BEA | ISO | 40° Угол контакта. High Capacity. All Four Corners Equal. |
| 26310К | ГОСТ | «Замок» (скос) на внутреннем кольце плюс массивный сепаратор из текстолита. |
| 36310К | ГОСТ | «Замок» (скос) на внутреннем кольце плюс массивный сепаратор из текстолита. |
| 66310-АЛ1 | ГОСТ | Сепаратор из латуни.. Повышенная грузоподъемность. |
| 66310-Л | ГОСТ | Сепаратор из латуни.. |
| 66310E5 | ГОСТ | Смазочные отверстия и канавки во внутреннем кольце. |
| 66310К | ГОСТ | «Замок» (скос) на внутреннем кольце плюс массивный сепаратор из текстолита. |
| 75-176310 Р | ГОСТ | Детали из теплоустойчивой (быстрорежущие) стали.. |
| 45-176310 ЕШ2 | ГОСТ | Сепаратор из текстолита.. Нормы шумности. |
Аналог шарикового подшипника 46310 — это подшипник такого же размера dx50,Dx110,Bx27, типа и конструкции.
| Обозначение | Конструктивные особенности | Внутренний (d) | Наружный (D) | Ширина (B) |
|---|---|---|---|---|
| 42310-М | Роликовый радиальный однорядный подшипник. Модифицированный контакт.. | 50.00 | 110.00 | 27.00 |
| 42310EM | Роликовый радиальный однорядный подшипник. Стандартный фланцевый ( с резьбой и сквозным отверстием). | 50.00 | 110.00 | 27.00 |
| 42310M | Роликовый радиальный однорядный подшипник. Подшипник с латунным сепаратором. центрированный по телам качения. | 50.00 | 110.00 | 27.00 |
| 5-310 АК | Шариковый радиальный однорядный подшипник. Повышенная грузоподъемность. | 50.00 | 110.00 | 27.00 |
| 5-310 ЕТ8Ш2 | Шариковый радиальный однорядный подшипник. Сепаратор из текстолита.. Нормы шумности. Специальный режим термообработки деталей подшипника. | 50.00 | 110.00 | 27.00 |
| 5-310 ЕТ8Ш3 | Шариковый радиальный однорядный подшипник. Сепаратор из текстолита.. Нормы шумности. Специальный режим термообработки деталей подшипника. | 50.00 | 110.00 | 27.00 |
| 5-310 ЕШ2 | Шариковый радиальный однорядный подшипник. Сепаратор из текстолита.. Нормы шумности. | 50.00 | 110.00 | 27.00 |
| 5-310 ЕШ3 | Шариковый радиальный однорядный подшипник. Сепаратор из текстолита.. Нормы шумности. | 50.00 | 110.00 | 27.00 |
| 5-32310 Р | Роликовый радиальный однорядный подшипник. Детали из теплоустойчивой (быстрорежущие) стали.. | 50.00 | 110.00 | 27.00 |
| 50310-А | Шариковый радиальный однорядный подшипник. Повышенная грузоподъемность. | 50.00 | 110.00 | 27.00 |
| 50310-АW2 | Шариковый радиальный однорядный подшипник. Детали из вакуумированной стали.. Повышенная грузоподъемность. | 50.00 | 110.00 | 27.00 |
| 50310-АК | Шариковый радиальный однорядный подшипник. Повышенная грузоподъемность. | 50.00 | 110.00 | 27.00 |
| 6-102310 М | Роликовый радиальный однорядный подшипник. Модифицированный контакт.. | 50.00 | 110.00 | 27.00 |
| 6-12310 КМ | Роликовый радиальный однорядный подшипник. Кольцевая проточка на середине цилиндрической наружной поверхности наружного кольца плюс три отверстия для смазки. Модифицированный контакт.. | 50.00 | 110.00 | 27.00 |
| 6-1310 Л | Шариковый радиальный двухрядный подшипник. Сепаратор из латуни.. | 50.00 | 110.00 | 27.00 |
Способы доставки
Отправка через ведущие транспортные и курьерские компании: ПЭК, Деловые Линии, СДЭК, Байкал-Сервис, Энергия, КИТ, ЖелДорЭкспедиция.
Самовывоз возможен напрямую со склада в Москве.
Сроки доставки
Срок зависит от региона и выбранной транспортной компании. Все заказы комплектуются и отправляются в кратчайшие сроки со склада в Москве.
Надёжность и сохранность
Вся продукция упаковывается с учётом требований транспортировки. Мы гарантируем, что подшипники и комплектующие прибудут к заказчику в полной сохранности.
Доставка в страны ЕАЭС
Мы работаем с проверенными логистическими партнёрами, что позволяет оперативно доставлять заказы в Беларусь, Казахстан, Армению и другие страны ЕАЭС.
Варианты оплаты:
Минимальная сумма заказа и скидки:
Документы и гарантии:
Да, конечно! Наши технические специалисты готовы помочь вам с подбором точного аналога или замены подшипника. Просто позвоните нам по телефону +7 (495) 104-99-04 или напишите на почту zakaz@podsnab.ru.
Для оперативной консультации подготовьте, пожалуйста, имеющиеся данные: маркировку, размеры, тип оборудования или артикул старого подшипника.
Да, конечно! Мы высоко ценим долгосрочное сотрудничество и доверие клиентов по всей России. Для постоянных клиентов действует персональная система скидок.
Условия формируются индивидуально и зависят от:
Чтобы узнать свои условия и получить максимально выгодное предложение, свяжитесь с персональным менеджером или напишите нам на почту zakaz@podsnab.ru.
Вы можете оформить заказ несколькими способами:
Для оформления заказа от юридического лица свяжитесь с нашим отделом по работе с корпоративными клиентами по телефону +7 (495) 104-99-04 или напишите на email zakaz@podsnab.ru, прикрепив реквизиты вашей организации.
Мы оперативно подготовим коммерческое предложение и выставим счет.
Возврат товара надлежащего качества возможен в течение 10 дней с момента получения, если товар не был в употреблении, сохранен товарный вид, упаковка не вскрывалась и присутствуют все сопроводительные документы.
Возврат денежных средств осуществляется в течение 10 рабочих дней после проверки товара складом.
В соответствии с законодательством возврату не подлежат подшипники надлежащего качества, если отсутствует оригинальная упаковка или имеются следы монтажа.
В случае выявления брака или гарантийного случая мы гарантируем возврат или обмен товара.
Да, гарантийный срок хранения устанавливается заводом-изготовителем и в среднем составляет 2 года при соблюдении условий хранения: сухое помещение, оригинальная упаковка и смазка.
Точный срок для конкретного типа подшипника уточняйте у наших менеджеров.
Пн–Пт: с 8:00 до 17:00 (МСК).
Сб–Вс: выходные дни.
Заказы на сайте принимаются круглосуточно. Заявки, поступившие после окончания рабочего дня, обрабатываются на следующий рабочий день.
Минимальная сумма заказа для доставки составляет 3000 рублей. Самовывоз со склада возможен на любую сумму при наличии товара.
ООО «УралТехГрупп»
ИНН: 7415093830
КПП: 772401001
ОГРН: 1167456069021
Банк: ПАО Сбербанк
Р/с: 40702810838000475273
К/с: 30101810400000000225
БИК: 044525225
У подшипника 46310 пока нет отзывов. Вы можете стать первым покупателем, поделившимся своим мнением.