Поиск подшипника
Статьи
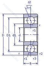
1036884-Л — Шариковый радиально-упорный однорядный подшипник, модификация основного исполнения 1036884, производство ГПЗ.
Размер подшипника: 420x520x46 мм.
Сепаратор из латуни.
Государственный стандарт ГОСТ
1036884Л
В наличии
| Обозначение | Гост | Конструктивные особенности |
|---|---|---|
| 7884 | ISO | Шариковый радиально-упорный однорядный подшипник. |
Аналог шарикового подшипника 1036884-Л — это подшипник такого же размера dx420,Dx520,Bx46, типа и конструкции.
| Обозначение | Конструктивные особенности | Внутренний (d) | Наружный (D) | Ширина (B) |
|---|---|---|---|---|
| SL18-1884C4 | Однорядный цилиндрический роликовый подшипник. Внутренний зазор подшипника больше. чем C3. | 420.00 | 520.00 | 46.00 |
| NCF1884V/C4 | Однорядный цилиндрический роликовый подшипник. Внутренний зазор подшипника больше. чем C3. Полный комплект роликов (без сепаратора). | 420.00 | 520.00 | 46.00 |
| NU1884-MPA-C3 | Однорядный цилиндрический роликовый подшипник. Внутренний зазор больше нормального. Обработанный латунный сепаратор. Направляющее внешнее кольцо. | 420.00 | 520.00 | 46.00 |
| SL181884-E-BR | Однорядный цилиндрический роликовый подшипник. Повышенная грузоподъемность. Чёрный цвет. | 420.00 | 520.00 | 46.00 |
| SL181884-E-BR-C3 | Однорядный цилиндрический роликовый подшипник. Внутренний зазор больше нормального. Повышенная грузоподъемность. Чёрный цвет. | 420.00 | 520.00 | 46.00 |
| SL181884-E-S1-C3 | Однорядный цилиндрический роликовый подшипник. Внутренний зазор больше нормального. Повышенная грузоподъемность. Кольца подшипников или шайбы, стабилизированные по размерам для использования при рабочих температурах до +200°C (392°F).. | 420.00 | 520.00 | 46.00 |
| SL18-1884E C3 | Однорядный цилиндрический роликовый подшипник. Внутренний зазор больше нормального. Повышенная грузоподъемность. | 420.00 | 520.00 | 46.00 |
| SL181884-E | Однорядный цилиндрический роликовый подшипник. Повышенная грузоподъемность. | 420.00 | 520.00 | 46.00 |
| 61884MB | Подшипник однорядный шариковый радиальный. Механически обработанный латунный сепаратор. направляющий по внутреннему кольцу. | 420.00 | 520.00 | 46.00 |
| NJ 1884 MA6 | Роликовый радиальный цилиндрический однорядный подшипник. Изготовленный из двух частей латунный сепаратор. Центрирование по внешнему кольцу. Различные конструкции или сорта материалов обозначаются цифрой или буквой.. Однорядный цилиндрический роликовый подшипник. | 420.00 | 520.00 | 46.00 |
| NU 1884 MA | Роликовый радиальный цилиндрический однорядный подшипник. Механически обработанный латунный сепаратор. Центрирование по внешнему кольцу. Однорядный цилиндрический роликовый подшипник. | 420.00 | 520.00 | 46.00 |
| NJ1884 | Роликовый радиальный однорядный подшипник. Штампованный сепаратор из стального листа. Канавка под стопорное кольцо на наружном кольце подшипника. Однорядный цилиндрический роликовый подшипник. Наружное кольцо имеет два борта. | 420.00 | 520.00 | 46.00 |
| NU1884 | Роликовый радиальный однорядный подшипник. Канавка под стопорное кольцо на наружном кольце подшипника. Однорядные цилиндрические роликоподшипники. Наружное кольцо подшипника имеет два борта. | 420.00 | 520.00 | 46.00 |
| NUP1884 | Роликовый радиальный однорядный подшипник. Канавка под стопорное кольцо на наружном кольце подшипника. Точность размеров примерно соответствует классу точности Р4. Однорядный цилиндрический роликовый подшипник. Наружное кольцо имеет два борта. | 420.00 | 520.00 | 46.00 |
| NJ 1884 MA | Роликовый радиальный однорядный подшипник. Механически обработанный латунный сепаратор. Центрирование по внешнему кольцу. Однорядный цилиндрический роликовый подшипник. | 420.00 | 520.00 | 46.00 |
Способы доставки
Отправка через ведущие транспортные и курьерские компании: ПЭК, Деловые Линии, СДЭК, Байкал-Сервис, Энергия, КИТ, ЖелДорЭкспедиция.
Самовывоз возможен напрямую со склада в Москве.
Сроки доставки
Срок зависит от региона и выбранной транспортной компании. Все заказы комплектуются и отправляются в кратчайшие сроки со склада в Москве.
Надёжность и сохранность
Вся продукция упаковывается с учётом требований транспортировки. Мы гарантируем, что подшипники и комплектующие прибудут к заказчику в полной сохранности.
Доставка в страны ЕАЭС
Мы работаем с проверенными логистическими партнёрами, что позволяет оперативно доставлять заказы в Беларусь, Казахстан, Армению и другие страны ЕАЭС.
Варианты оплаты:
Минимальная сумма заказа и скидки:
Документы и гарантии:
Да, конечно! Наши технические специалисты готовы помочь вам с подбором точного аналога или замены подшипника. Просто позвоните нам по телефону +7 (495) 104-99-04 или напишите на почту zakaz@podsnab.ru.
Для оперативной консультации подготовьте, пожалуйста, имеющиеся данные: маркировку, размеры, тип оборудования или артикул старого подшипника.
Да, конечно! Мы высоко ценим долгосрочное сотрудничество и доверие клиентов по всей России. Для постоянных клиентов действует персональная система скидок.
Условия формируются индивидуально и зависят от:
Чтобы узнать свои условия и получить максимально выгодное предложение, свяжитесь с персональным менеджером или напишите нам на почту zakaz@podsnab.ru.
Вы можете оформить заказ несколькими способами:
Для оформления заказа от юридического лица свяжитесь с нашим отделом по работе с корпоративными клиентами по телефону +7 (495) 104-99-04 или напишите на email zakaz@podsnab.ru, прикрепив реквизиты вашей организации.
Мы оперативно подготовим коммерческое предложение и выставим счет.
Возврат товара надлежащего качества возможен в течение 10 дней с момента получения, если товар не был в употреблении, сохранен товарный вид, упаковка не вскрывалась и присутствуют все сопроводительные документы.
Возврат денежных средств осуществляется в течение 10 рабочих дней после проверки товара складом.
В соответствии с законодательством возврату не подлежат подшипники надлежащего качества, если отсутствует оригинальная упаковка или имеются следы монтажа.
В случае выявления брака или гарантийного случая мы гарантируем возврат или обмен товара.
Да, гарантийный срок хранения устанавливается заводом-изготовителем и в среднем составляет 2 года при соблюдении условий хранения: сухое помещение, оригинальная упаковка и смазка.
Точный срок для конкретного типа подшипника уточняйте у наших менеджеров.
Пн–Пт: с 8:00 до 17:00 (МСК).
Сб–Вс: выходные дни.
Заказы на сайте принимаются круглосуточно. Заявки, поступившие после окончания рабочего дня, обрабатываются на следующий рабочий день.
Минимальная сумма заказа для доставки составляет 3000 рублей. Самовывоз со склада возможен на любую сумму при наличии товара.
ООО «УралТехГрупп»
ИНН: 7415093830
КПП: 772401001
ОГРН: 1167456069021
Банк: ПАО Сбербанк
Р/с: 40702810838000475273
К/с: 30101810400000000225
БИК: 044525225
У подшипника 1036884-Л пока нет отзывов. Вы можете стать первым покупателем, поделившимся своим мнением.