Поиск подшипника
Статьи
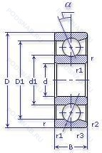
2-46105 Л — Шариковый радиально-упорный однорядный подшипник, модификация основного исполнения 46105, производство ГПЗ.
Размер подшипника: 25x47x12 мм.
Сепаратор из латуни.
Аналоги: 7005MA.
Государственный стандарт ГОСТ
246105Л
В наличии
| Обозначение | Конструктивные изменения |
|---|---|
| Т-46105 Е | Сепаратор из текстолита.. |
| 46105-Е | Сепаратор из текстолита.. |
| 5-46105-Е | Сепаратор из текстолита.. |
| 46105 | Шариковый радиально-упорный однорядный подшипник. Основное конструктивное исполнение. |
| 2-46105 Е | Сепаратор из текстолита.. |
| 4-46105-Е | Сепаратор из текстолита.. |
| 6-46105 Е | Сепаратор из текстолита.. |
| 46105К | «Замок» (скос) на внутреннем кольце плюс массивный сепаратор из текстолита. |
Модификации шарикового подшипника 2-46105 Л — это измененное основное конструктивное исполнение 46105, основные размеры (25x47x12) не отличаются.
| Обозначение | Гост | Конструктивные особенности |
|---|---|---|
| 7005MA | ISO | Механически обработанный латунный сепаратор. Центрирование по внешнему кольцу. |
| HSS7005-E-T-P4S | ISO | Повышенная грузоподъемность. Textile Laminated Phenolic Resin. Outer Ring Guided. The Cage Is Suitable For Long-Term Operation At Temperatures Up To 100°C. Класс точности. стандарт FAG лучше чем P4. |
| SM7005CP5 | ISO | Класс точности. |
| 7005CPA | ISO | Угол контакта 15 градусов. |
| 7005AC | ISO | Суффикс для радиально-упорного шарикоподшипника. |
| 5S-2LA-HSE005ADG/GNP42 | ISO | Универсальный подшипник. Класс точности JIS4 для размеров и JIS 2 для точности вращения. Угол контакта 25°. Гибридный подшипник. |
| 5S-2LA-HSE005CG/GNP42 | ISO | Угол контакта 15°. Универсальный подшипник. Класс точности JIS4 для размеров и JIS 2 для точности вращения. Гибридный подшипник. |
| 14-36105 КУ | ГОСТ | «Замок» (скос) на внутреннем кольце плюс массивный сепаратор из текстолита. Дополнительные технические требования. |
| 2-36105 К5Ш3У | ГОСТ | «Замок» (скос) на внутреннем кольце плюс массивный сепаратор из текстолита. Дополнительные технические требования. Нормы шумности. |
| 2-36105 К5Ш3У1 | ГОСТ | «Замок» (скос) на внутреннем кольце плюс массивный сепаратор из текстолита. Дополнительные технические требования. Нормы шумности. |
| 2-36105 КЕ | ГОСТ | «Замок» (скос) на внутреннем кольце плюс массивный сепаратор из текстолита. Сепаратор из текстолита.. |
| 2-36105 КШ1 | ГОСТ | «Замок» (скос) на внутреннем кольце плюс массивный сепаратор из текстолита. Нормы шумности. |
| 36105-Е | ГОСТ | Сепаратор из текстолита.. |
| 36105-КЕ | ГОСТ | «Замок» (скос) на внутреннем кольце плюс массивный сепаратор из текстолита. Сепаратор из текстолита.. |
| 36105K | ГОСТ | Коническое отверстие. Конусность 1/12. |
| 36105К | ГОСТ | «Замок» (скос) на внутреннем кольце плюс массивный сепаратор из текстолита. |
| 36105К6 | ГОСТ | «Замок» (скос) на внутреннем кольце. |
| 36105К7 | ГОСТ | «Замок» (скос) на внутреннем кольце. |
| 6-36105 Е | ГОСТ | Сепаратор из текстолита.. |
| 5-36105-К | ГОСТ | «Замок» (скос) на внутреннем кольце плюс массивный сепаратор из текстолита. |
| 5-36105-КЕ | ГОСТ | «Замок» (скос) на внутреннем кольце плюс массивный сепаратор из текстолита. Сепаратор из текстолита.. |
Аналог шарикового подшипника 2-46105 Л — это подшипник такого же размера dx25,Dx47,Bx12, типа и конструкции.
| Обозначение | Конструктивные особенности | Внутренний (d) | Наружный (D) | Ширина (B) |
|---|---|---|---|---|
| 105-Т2 | Шариковый радиальный однорядный подшипник. 200°. Температура отпуска. | 25.00 | 47.00 | 12.00 |
| 105-ЮТ | Шариковый радиальный однорядный подшипник. Температура отпуска. 160°. Все детали или часть деталей из нержавеющей стали.. | 25.00 | 47.00 | 12.00 |
| 180105-А | Шариковый радиальный однорядный подшипник. Повышенная грузоподъемность. | 25.00 | 47.00 | 12.00 |
| 180105-С9 | Шариковый радиальный однорядный подшипник. Смазка ЛЗ-31. | 25.00 | 47.00 | 12.00 |
| 36-105 Р1 | Шариковый радиальный однорядный подшипник. Детали из теплоустойчивой (быстрорежущие) стали.. | 25.00 | 47.00 | 12.00 |
| 36-105 ЮТ | Шариковый радиальный однорядный подшипник. Температура отпуска. 160°. Все детали или часть деталей из нержавеющей стали.. | 25.00 | 47.00 | 12.00 |
| 36-905 Р1 | Шариковый радиальный однорядный подшипник. Детали из теплоустойчивой (быстрорежущие) стали.. | 25.01 | 46.99 | 12.00 |
| 4-36105-КЕ | Шариковый радиально-упорный сдвоенный подшипник. «Замок» (скос) на внутреннем кольце плюс массивный сепаратор из текстолита. Сепаратор из текстолита.. | 25.00 | 47.00 | 12.00 |
| 5-180105-С17 | Шариковый радиальный однорядный подшипник. Смазка Литол-24. | 25.00 | 47.00 | 12.00 |
| 6-105 А | Шариковый радиальный однорядный подшипник. Повышенная грузоподъемность. | 25.00 | 47.00 | 12.00 |
| 6-105 Б | Шариковый радиальный однорядный подшипник. Сепаратор из безоловянистой бронзы.. | 20.00 | 42.00 | 12.00 |
| 6-105 Л | Шариковый радиальный однорядный подшипник. Сепаратор из латуни.. | 25.00 | 47.00 | 12.00 |
| 6-105 ЛТ2 | Шариковый радиальный однорядный подшипник. Сепаратор из латуни.. 200°. Температура отпуска. | 25.00 | 47.00 | 12.00 |
| 6-105 Р1 | Шариковый радиальный однорядный подшипник. Детали из теплоустойчивой (быстрорежущие) стали.. | 25.00 | 47.00 | 12.00 |
| 6-105 ЮТ | Шариковый радиальный однорядный подшипник. Температура отпуска. 160°. Все детали или часть деталей из нержавеющей стали.. | 25.00 | 47.00 | 12.00 |
Способы доставки
Отправка через ведущие транспортные и курьерские компании: ПЭК, Деловые Линии, СДЭК, Байкал-Сервис, Энергия, КИТ, ЖелДорЭкспедиция.
Самовывоз возможен напрямую со склада в Москве.
Сроки доставки
Срок зависит от региона и выбранной транспортной компании. Все заказы комплектуются и отправляются в кратчайшие сроки со склада в Москве.
Надёжность и сохранность
Вся продукция упаковывается с учётом требований транспортировки. Мы гарантируем, что подшипники и комплектующие прибудут к заказчику в полной сохранности.
Доставка в страны ЕАЭС
Мы работаем с проверенными логистическими партнёрами, что позволяет оперативно доставлять заказы в Беларусь, Казахстан, Армению и другие страны ЕАЭС.
Варианты оплаты:
Минимальная сумма заказа и скидки:
Документы и гарантии:
Да, конечно! Наши технические специалисты готовы помочь вам с подбором точного аналога или замены подшипника. Просто позвоните нам по телефону +7 (495) 104-99-04 или напишите на почту zakaz@podsnab.ru.
Для оперативной консультации подготовьте, пожалуйста, имеющиеся данные: маркировку, размеры, тип оборудования или артикул старого подшипника.
Да, конечно! Мы высоко ценим долгосрочное сотрудничество и доверие клиентов по всей России. Для постоянных клиентов действует персональная система скидок.
Условия формируются индивидуально и зависят от:
Чтобы узнать свои условия и получить максимально выгодное предложение, свяжитесь с персональным менеджером или напишите нам на почту zakaz@podsnab.ru.
Вы можете оформить заказ несколькими способами:
Для оформления заказа от юридического лица свяжитесь с нашим отделом по работе с корпоративными клиентами по телефону +7 (495) 104-99-04 или напишите на email zakaz@podsnab.ru, прикрепив реквизиты вашей организации.
Мы оперативно подготовим коммерческое предложение и выставим счет.
Возврат товара надлежащего качества возможен в течение 10 дней с момента получения, если товар не был в употреблении, сохранен товарный вид, упаковка не вскрывалась и присутствуют все сопроводительные документы.
Возврат денежных средств осуществляется в течение 10 рабочих дней после проверки товара складом.
В соответствии с законодательством возврату не подлежат подшипники надлежащего качества, если отсутствует оригинальная упаковка или имеются следы монтажа.
В случае выявления брака или гарантийного случая мы гарантируем возврат или обмен товара.
Да, гарантийный срок хранения устанавливается заводом-изготовителем и в среднем составляет 2 года при соблюдении условий хранения: сухое помещение, оригинальная упаковка и смазка.
Точный срок для конкретного типа подшипника уточняйте у наших менеджеров.
Пн–Пт: с 8:00 до 17:00 (МСК).
Сб–Вс: выходные дни.
Заказы на сайте принимаются круглосуточно. Заявки, поступившие после окончания рабочего дня, обрабатываются на следующий рабочий день.
Минимальная сумма заказа для доставки составляет 3000 рублей. Самовывоз со склада возможен на любую сумму при наличии товара.
ООО «УралТехГрупп»
ИНН: 7415093830
КПП: 772401001
ОГРН: 1167456069021
Банк: ПАО Сбербанк
Р/с: 40702810838000475273
К/с: 30101810400000000225
БИК: 044525225
У подшипника 2-46105 Л пока нет отзывов. Вы можете стать первым покупателем, поделившимся своим мнением.