Поиск подшипника
Статьи
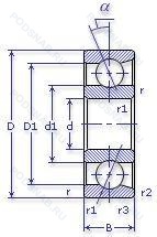
2В0-46320 Л — Шариковый радиально-упорный однорядный подшипник, модификация основного исполнения 46320, производство ГПЗ.
Размер подшипника: 100x215x47 мм.
Сепаратор из латуни.
Аналоги: 6320MA.
Государственный стандарт ГОСТ
2В046320Л
В наличии
| Обозначение | Конструктивные изменения |
|---|---|
| С8-46320 Л | Сепаратор из латуни.. |
| 8-46320 Л | Сепаратор из латуни.. |
| В6-46320 ЛШ1 | Сепаратор из латуни.. Нормы шумности. |
| 5-46320 ЕШ2 | Сепаратор из текстолита.. Нормы шумности. |
| 70-46320 Л | Сепаратор из латуни.. |
| 6-46320 ЛШ | Сепаратор из латуни.. Нормы шумности. |
| 46320 | Шариковый радиально-упорный однорядный подшипник. Основное конструктивное исполнение. |
| 46320-Л | Сепаратор из латуни.. |
| 46320Е | Сепаратор из текстолита.. |
| 46320К | «Замок» (скос) на внутреннем кольце плюс массивный сепаратор из текстолита. |
Модификации шарикового подшипника 2В0-46320 Л — это измененное основное конструктивное исполнение 46320, основные размеры (100x215x47) не отличаются.
| Обозначение | Гост | Конструктивные особенности |
|---|---|---|
| 6-66320 А1ЛШ1 | ГОСТ | Сепаратор из латуни.. Повышенная грузоподъемность. Нормы шумности. |
| 6-66320 А1ЛШ | ГОСТ | Сепаратор из латуни.. Повышенная грузоподъемность. Нормы шумности. |
| 7320BBG | ISO | Универсальный подшипник. |
| 7320BF1GP5 | ISO | Универсальный подшипник. |
| 7320CP5 | ISO | Класс точности. |
| QJ320WC4 | ISO | Угол контакта 15°. |
| QJ 320 N2 | ISO | Два установочных паза (выемки), расположенных под углом 180° друг от друга в одной боковой поверхности наружного кольца или шайбе корпуса.. |
| 7320WN MBR | ISO | Sizes 7201K Through 7203WN Have A 20° Угол контакта And A Nylon Cage. Sizes 7204WN through 7218WN have a 40° Угол контакта And A One-Piece. Ball Piloted. Pressed Brass Cage. Larger Sizes 7219WN Through 7230WN Have A 40° Угол контакта And A One-Piece. Outer Ring Piloted High-Strength Machined Bronze Cage. Механически обработанный бронзовый фиксатор. |
| 7320C | ISO | Угол контакта 15°. |
| 7320 A | ISO | Двухрядный радиально-упорный шарикоподшипник без отверстия для смазки. |
| Q320 | ISO | Шариковый радиально-упорный однорядный подшипник. |
| QJ 320 N2 M | ISO | Подшипник с латунным сепаратором. центрированный по телам качения. Два установочных паза (выемки), расположенных под углом 180° друг от друга в одной боковой поверхности наружного кольца или шайбе корпуса.. |
| 7320-BE-MP | ISO | Single Row Angular Contact Ball Bearing With A 40° Угол контакта And Optimized Internal Design. Массивный латунный сепаратор. центрированный по телам качения. |
| 26320 | ГОСТ | Шариковый радиально-упорный однорядный подшипник. |
| 66320 | ГОСТ | Шариковый радиально-упорный однорядный подшипник. |
| 26320К | ГОСТ | «Замок» (скос) на внутреннем кольце плюс массивный сепаратор из текстолита. |
| 66320-АЛ1 | ГОСТ | Сепаратор из латуни.. Повышенная грузоподъемность. |
| 66320-Л | ГОСТ | Сепаратор из латуни.. |
| 66320К | ГОСТ | «Замок» (скос) на внутреннем кольце плюс массивный сепаратор из текстолита. |
| 45-176320 ЕШ2 | ГОСТ | Сепаратор из текстолита.. Нормы шумности. |
Аналог шарикового подшипника 2В0-46320 Л — это подшипник такого же размера dx100,Dx215,Bx47, типа и конструкции.
| Обозначение | Конструктивные особенности | Внутренний (d) | Наружный (D) | Ширина (B) |
|---|---|---|---|---|
| 2В20-320 Л | Шариковый радиальный однорядный подшипник. Сепаратор из латуни.. | 100.00 | 215.00 | 47.00 |
| 2В30-320 Е | Шариковый радиальный однорядный подшипник. Сепаратор из текстолита.. | 100.00 | 215.00 | 47.00 |
| 30-320 Е | Шариковый радиальный однорядный подшипник. Сепаратор из текстолита.. | 100.00 | 215.00 | 47.00 |
| 320-А | Шариковый радиальный однорядный подшипник. Повышенная грузоподъемность. | 100.00 | 215.00 | 47.00 |
| 320-АЛ | Шариковый радиальный однорядный подшипник. Сепаратор из латуни.. Повышенная грузоподъемность. | 100.00 | 215.00 | 47.00 |
| 320-Л | Шариковый радиальный однорядный подшипник. Сепаратор из латуни.. | 100.00 | 215.00 | 47.00 |
| 320Е | Шариковый радиальный однорядный подшипник. Сепаратор из текстолита.. | 100.00 | 215.00 | 47.00 |
| 36-320 Т1 | Шариковый радиальный однорядный подшипник. 180°. Температура отпуска. | 100.00 | 215.00 | 47.00 |
| 1320S | Шариковый сферический двухрядный подшипник. Запечатанная версия кулачкового ролика. | 100.00 | 215.00 | 47.00 |
| 7603100-TVP | Шариковый упорный однорядный подшипник. Molded Snap-Type Cage Of Glass Fibre Reinforced Polyamide. Rolling Element Riding. | 100.00 | 215.00 | 47.00 |
| 42320-Л | Роликовый радиальный однорядный подшипник. Сепаратор из латуни.. | 100.00 | 215.00 | 47.00 |
| 42320-М | Роликовый радиальный однорядный подшипник. Модифицированный контакт.. | 100.00 | 215.00 | 47.00 |
| 5-32320 К1МШ2 | Роликовый радиальный однорядный подшипник. Модифицированный контакт.. Нормы шумности. | 100.00 | 215.00 | 47.00 |
| 52320-М | Роликовый радиальный подшипник. Модифицированный контакт.. | 100.00 | 215.00 | 47.00 |
| 6-12320 МГ5 | Роликовый радиальный однорядный подшипник. Модифицированный контакт.. Сепаратор из черных металлов.. | 100.00 | 215.00 | 47.00 |
Способы доставки
Отправка через ведущие транспортные и курьерские компании: ПЭК, Деловые Линии, СДЭК, Байкал-Сервис, Энергия, КИТ, ЖелДорЭкспедиция.
Самовывоз возможен напрямую со склада в Москве.
Сроки доставки
Срок зависит от региона и выбранной транспортной компании. Все заказы комплектуются и отправляются в кратчайшие сроки со склада в Москве.
Надёжность и сохранность
Вся продукция упаковывается с учётом требований транспортировки. Мы гарантируем, что подшипники и комплектующие прибудут к заказчику в полной сохранности.
Доставка в страны ЕАЭС
Мы работаем с проверенными логистическими партнёрами, что позволяет оперативно доставлять заказы в Беларусь, Казахстан, Армению и другие страны ЕАЭС.
Варианты оплаты:
Минимальная сумма заказа и скидки:
Документы и гарантии:
Да, конечно! Наши технические специалисты готовы помочь вам с подбором точного аналога или замены подшипника. Просто позвоните нам по телефону +7 (495) 104-99-04 или напишите на почту zakaz@podsnab.ru.
Для оперативной консультации подготовьте, пожалуйста, имеющиеся данные: маркировку, размеры, тип оборудования или артикул старого подшипника.
Да, конечно! Мы высоко ценим долгосрочное сотрудничество и доверие клиентов по всей России. Для постоянных клиентов действует персональная система скидок.
Условия формируются индивидуально и зависят от:
Чтобы узнать свои условия и получить максимально выгодное предложение, свяжитесь с персональным менеджером или напишите нам на почту zakaz@podsnab.ru.
Вы можете оформить заказ несколькими способами:
Для оформления заказа от юридического лица свяжитесь с нашим отделом по работе с корпоративными клиентами по телефону +7 (495) 104-99-04 или напишите на email zakaz@podsnab.ru, прикрепив реквизиты вашей организации.
Мы оперативно подготовим коммерческое предложение и выставим счет.
Возврат товара надлежащего качества возможен в течение 10 дней с момента получения, если товар не был в употреблении, сохранен товарный вид, упаковка не вскрывалась и присутствуют все сопроводительные документы.
Возврат денежных средств осуществляется в течение 10 рабочих дней после проверки товара складом.
В соответствии с законодательством возврату не подлежат подшипники надлежащего качества, если отсутствует оригинальная упаковка или имеются следы монтажа.
В случае выявления брака или гарантийного случая мы гарантируем возврат или обмен товара.
Да, гарантийный срок хранения устанавливается заводом-изготовителем и в среднем составляет 2 года при соблюдении условий хранения: сухое помещение, оригинальная упаковка и смазка.
Точный срок для конкретного типа подшипника уточняйте у наших менеджеров.
Пн–Пт: с 8:00 до 17:00 (МСК).
Сб–Вс: выходные дни.
Заказы на сайте принимаются круглосуточно. Заявки, поступившие после окончания рабочего дня, обрабатываются на следующий рабочий день.
Минимальная сумма заказа для доставки составляет 3000 рублей. Самовывоз со склада возможен на любую сумму при наличии товара.
ООО «УралТехГрупп»
ИНН: 7415093830
КПП: 772401001
ОГРН: 1167456069021
Банк: ПАО Сбербанк
Р/с: 40702810838000475273
К/с: 30101810400000000225
БИК: 044525225
У подшипника 2В0-46320 Л пока нет отзывов. Вы можете стать первым покупателем, поделившимся своим мнением.