Поиск подшипника
Статьи
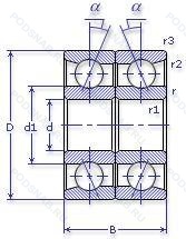
5-266412 А1ЛШ2 — Шариковый радиально-упорный сдвоенный подшипник, модификация основного исполнения 266412, производство ГПЗ.
Размер подшипника: 60x150x70 мм.
Нормы шумности, сепаратор из латуни, повышенная грузоподъемность.
Государственный стандарт ГОСТ
5266412А1ЛШ2
В наличии
| Обозначение | Конструктивные изменения |
|---|---|
| 266412 | Шариковый радиально-упорный сдвоенный подшипник. Основное конструктивное исполнение. |
| 266412ЛШ1 | Сепаратор из латуни.. Нормы шумности. |
Модификации шарикового подшипника 5-266412 А1ЛШ2 — это измененное основное конструктивное исполнение 266412, основные размеры (60x150x70) не отличаются.
| Обозначение | Гост | Конструктивные особенности |
|---|---|---|
| 8-466412 Л | ГОСТ | Сепаратор из латуни.. |
| 466412-ЕУ21 | ГОСТ | Сепаратор из текстолита.. Дополнительные технические требования. |
| 5-366412 Л | ГОСТ | Сепаратор из латуни.. |
| 6-366412 А1ЛШ1 | ГОСТ | Сепаратор из латуни.. Повышенная грузоподъемность. Нормы шумности. |
| 366412 | ГОСТ | Шариковый радиально-упорный сдвоенный подшипник. |
| 466412 | ГОСТ | Шариковый радиально-упорный сдвоенный подшипник. |
| 366412-Е | ГОСТ | Сепаратор из текстолита.. |
| 366412-Л | ГОСТ | Сепаратор из латуни.. |
| 466412-Е | ГОСТ | Сепаратор из текстолита.. |
| 466412-Л | ГОСТ | Сепаратор из латуни.. |
| 466412-ЛУ21 | ГОСТ | Сепаратор из латуни.. Дополнительные технические требования. |
| 5-366412 ЕШ3 | ГОСТ | Сепаратор из текстолита.. Нормы шумности. |
Аналог шарикового подшипника 5-266412 А1ЛШ2 — это подшипник такого же размера dx60,Dx150,Bx70, типа и конструкции.
| Обозначение | Конструктивные особенности | Внутренний (d) | Наружный (D) | Ширина (B) |
|---|---|---|---|---|
| 7412 A-UD | Шариковый радиально-упорный двухрядный подшипник. Двухрядный радиально-упорный шарикоподшипник без отверстия для смазки. | 60.00 | 150.00 | 70.00 |
| 7412 A-UO | Шариковый радиально-упорный двухрядный подшипник. Двухрядный радиально-упорный шарикоподшипник без отверстия для смазки. Универсальный монтаж. Для установки по O- и X- образной схеме - беззазорные.. | 60.00 | 150.00 | 70.00 |
| 7412 A-UX | Шариковый радиально-упорный двухрядный подшипник. Двухрядный радиально-упорный шарикоподшипник без отверстия для смазки. Универсальный монтаж, сверхлегкая предварительная нагрузка.. | 60.00 | 150.00 | 70.00 |
| 7412 B-UD | Шариковый радиально-упорный двухрядный подшипник. Конический роликовый подшипник. Угол контакта 20 градусов. | 60.00 | 150.00 | 70.00 |
| 7412 B-UO | Шариковый радиально-упорный двухрядный подшипник. Конический роликовый подшипник. Угол контакта 20 градусов. Универсальный монтаж. Для установки по O- и X- образной схеме - беззазорные.. | 60.00 | 150.00 | 70.00 |
| 7412 B-UX | Шариковый радиально-упорный двухрядный подшипник. Конический роликовый подшипник. Угол контакта 20 градусов. Универсальный монтаж, сверхлегкая предварительная нагрузка.. | 60.00 | 150.00 | 70.00 |
| 7412 BDF | Шариковый радиально-упорный двухрядный подшипник. Механически обработанный сепаратор из стали или специального чугуна. | 60.00 | 150.00 | 70.00 |
| 7412 ADB | Шариковый радиально-упорный двухрядный подшипник. Modified Snap Ring Grooves In The Outer Ring_ Two-Piece Inner Ring Held Together By A Retaining Ring. | 60.00 | 150.00 | 70.00 |
| 7412 BDT | Шариковый радиально-упорный двухрядный подшипник. Механически обработанный сепаратор из текстолита. | 60.00 | 150.00 | 70.00 |
| 7412 ADF | Шариковый радиально-упорный двухрядный подшипник. Механически обработанный сепаратор из стали или специального чугуна. | 60.00 | 150.00 | 70.00 |
| 7412 BDB | Шариковый радиально-упорный двухрядный подшипник. | 60.00 | 150.00 | 70.00 |
| 7412 ADT | Шариковый радиально-упорный двухрядный подшипник. Механически обработанный сепаратор из текстолита. | 60.00 | 150.00 | 70.00 |
Способы доставки
Отправка через ведущие транспортные и курьерские компании: ПЭК, Деловые Линии, СДЭК, Байкал-Сервис, Энергия, КИТ, ЖелДорЭкспедиция.
Самовывоз возможен напрямую со склада в Москве.
Сроки доставки
Срок зависит от региона и выбранной транспортной компании. Все заказы комплектуются и отправляются в кратчайшие сроки со склада в Москве.
Надёжность и сохранность
Вся продукция упаковывается с учётом требований транспортировки. Мы гарантируем, что подшипники и комплектующие прибудут к заказчику в полной сохранности.
Доставка в страны ЕАЭС
Мы работаем с проверенными логистическими партнёрами, что позволяет оперативно доставлять заказы в Беларусь, Казахстан, Армению и другие страны ЕАЭС.
Варианты оплаты:
Минимальная сумма заказа и скидки:
Документы и гарантии:
Да, конечно! Наши технические специалисты готовы помочь вам с подбором точного аналога или замены подшипника. Просто позвоните нам по телефону +7 (495) 104-99-04 или напишите на почту zakaz@podsnab.ru.
Для оперативной консультации подготовьте, пожалуйста, имеющиеся данные: маркировку, размеры, тип оборудования или артикул старого подшипника.
Да, конечно! Мы высоко ценим долгосрочное сотрудничество и доверие клиентов по всей России. Для постоянных клиентов действует персональная система скидок.
Условия формируются индивидуально и зависят от:
Чтобы узнать свои условия и получить максимально выгодное предложение, свяжитесь с персональным менеджером или напишите нам на почту zakaz@podsnab.ru.
Вы можете оформить заказ несколькими способами:
Для оформления заказа от юридического лица свяжитесь с нашим отделом по работе с корпоративными клиентами по телефону +7 (495) 104-99-04 или напишите на email zakaz@podsnab.ru, прикрепив реквизиты вашей организации.
Мы оперативно подготовим коммерческое предложение и выставим счет.
Возврат товара надлежащего качества возможен в течение 10 дней с момента получения, если товар не был в употреблении, сохранен товарный вид, упаковка не вскрывалась и присутствуют все сопроводительные документы.
Возврат денежных средств осуществляется в течение 10 рабочих дней после проверки товара складом.
В соответствии с законодательством возврату не подлежат подшипники надлежащего качества, если отсутствует оригинальная упаковка или имеются следы монтажа.
В случае выявления брака или гарантийного случая мы гарантируем возврат или обмен товара.
Да, гарантийный срок хранения устанавливается заводом-изготовителем и в среднем составляет 2 года при соблюдении условий хранения: сухое помещение, оригинальная упаковка и смазка.
Точный срок для конкретного типа подшипника уточняйте у наших менеджеров.
Пн–Пт: с 8:00 до 17:00 (МСК).
Сб–Вс: выходные дни.
Заказы на сайте принимаются круглосуточно. Заявки, поступившие после окончания рабочего дня, обрабатываются на следующий рабочий день.
Минимальная сумма заказа для доставки составляет 3000 рублей. Самовывоз со склада возможен на любую сумму при наличии товара.
ООО «УралТехГрупп»
ИНН: 7415093830
КПП: 772401001
ОГРН: 1167456069021
Банк: ПАО Сбербанк
Р/с: 40702810838000475273
К/с: 30101810400000000225
БИК: 044525225
У подшипника 5-266412 А1ЛШ2 пока нет отзывов. Вы можете стать первым покупателем, поделившимся своим мнением.