Поиск подшипника
Статьи
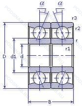
22-246114 КУ12 — Шариковый радиально-упорный сдвоенный подшипник, модификация основного исполнения 246114, производство ГПЗ.
Размер подшипника: 70x110x40 мм.
Дополнительные технические требования, «замок» (скос) на внутреннем кольце плюс массивный сепаратор из текстолита.
Аналоги: A7014ETPAT9U.
Государственный стандарт ГОСТ
22246114КУ12
В наличии
| Обозначение | Конструктивные изменения |
|---|---|
| 1Т-246114 ЛУ12 | Сепаратор из латуни.. Дополнительные технические требования. |
| 1Т-246114 Л | Сепаратор из латуни.. |
| 12-246114 ЛУ12 | Сепаратор из латуни.. Дополнительные технические требования. |
| 12-246114 Л | Сепаратор из латуни.. |
| 2Т-246114 КУ12 | «Замок» (скос) на внутреннем кольце плюс массивный сепаратор из текстолита. Дополнительные технические требования. |
| 2Т-246114 ЛУ12 | Сепаратор из латуни.. Дополнительные технические требования. |
| 22-246114 ЛУ12 | Сепаратор из латуни.. Дополнительные технические требования. |
| 24-246114-ЛУ12 | Сепаратор из латуни.. Дополнительные технические требования. |
| 8-246114 Л | Сепаратор из латуни.. |
| 246114 | Шариковый радиально-упорный сдвоенный подшипник. Основное конструктивное исполнение. |
| 12-246114 КУ12 | «Замок» (скос) на внутреннем кольце плюс массивный сепаратор из текстолита. Дополнительные технические требования. |
| 2-246114 Л | Сепаратор из латуни.. |
| 22-246114 Е1 | Сепаратор из текстолита.. |
| 22-246114 Л | Сепаратор из латуни.. |
| 22-246114 Л12 | Сепаратор из латуни.. |
| 24-246114-Е1 | Сепаратор из текстолита.. |
| 246114ЛУ12 | Сепаратор из латуни.. Дополнительные технические требования. |
| 6-246114 Л | Сепаратор из латуни.. |
Модификации шарикового подшипника 22-246114 КУ12 — это измененное основное конструктивное исполнение 246114, основные размеры (70x110x40) не отличаются.
| Обозначение | Гост | Конструктивные особенности |
|---|---|---|
| Т-246114 Л | ГОСТ | Сепаратор из латуни.. 200°. Температура отпуска. |
| 2-446114 Е | ГОСТ | Сепаратор из текстолита.. |
| 2-446114 Л | ГОСТ | Сепаратор из латуни.. |
| 236114 | ГОСТ | Шариковый радиально-упорный сдвоенный подшипник. |
| 336114 | ГОСТ | Шариковый радиально-упорный сдвоенный подшипник. |
| 436114 | ГОСТ | Шариковый радиально-упорный сдвоенный подшипник. |
| 346114 | ГОСТ | Шариковый радиально-упорный сдвоенный подшипник. |
| 446114 | ГОСТ | Шариковый радиально-упорный сдвоенный подшипник. |
| 12-236114 К | ГОСТ | «Замок» (скос) на внутреннем кольце плюс массивный сепаратор из текстолита. |
| 14-236114 К | ГОСТ | «Замок» (скос) на внутреннем кольце плюс массивный сепаратор из текстолита. |
| 236114К | ГОСТ | «Замок» (скос) на внутреннем кольце плюс массивный сепаратор из текстолита. |
| 336114К | ГОСТ | «Замок» (скос) на внутреннем кольце плюс массивный сепаратор из текстолита. |
| 436114К | ГОСТ | «Замок» (скос) на внутреннем кольце плюс массивный сепаратор из текстолита. |
Аналог шарикового подшипника 22-246114 КУ12 — это подшипник такого же размера dx70,Dx110,Bx40, типа и конструкции.
| Обозначение | Конструктивные особенности | Внутренний (d) | Наружный (D) | Ширина (B) |
|---|---|---|---|---|
| 7014 B-UO | Шариковый радиально-упорный двухрядный подшипник. Конический роликовый подшипник. Угол контакта 20 градусов. Универсальный монтаж. Для установки по O- и X- образной схеме - беззазорные.. | 70.00 | 110.00 | 40.00 |
| 7014 A-UO | Шариковый радиально-упорный двухрядный подшипник. Двухрядный радиально-упорный шарикоподшипник без отверстия для смазки. Универсальный монтаж. Для установки по O- и X- образной схеме - беззазорные.. | 70.00 | 110.00 | 40.00 |
| 7014 C-UO | Шариковый радиально-упорный двухрядный подшипник. 15° Угол контакта. Универсальный монтаж. Для установки по O- и X- образной схеме - беззазорные.. | 70.00 | 110.00 | 40.00 |
| 7014 B-UD | Шариковый радиально-упорный двухрядный подшипник. Конический роликовый подшипник. Угол контакта 20 градусов. | 70.00 | 110.00 | 40.00 |
| 7014 C-UX | Шариковый радиально-упорный двухрядный подшипник. 15° Угол контакта. Универсальный монтаж, сверхлегкая предварительная нагрузка.. | 70.00 | 110.00 | 40.00 |
| 7014 C-UD | Шариковый радиально-упорный двухрядный подшипник. 15° Угол контакта. | 70.00 | 110.00 | 40.00 |
| 7014 B-UX | Шариковый радиально-упорный двухрядный подшипник. Конический роликовый подшипник. Угол контакта 20 градусов. Универсальный монтаж, сверхлегкая предварительная нагрузка.. | 70.00 | 110.00 | 40.00 |
| 7014CDT | Шариковый радиально-упорный двухрядный подшипник. Механически обработанный сепаратор из текстолита. Однорядный радиально-упорный шарикоподшипник улучшенной конструкции с углом контакта 15°. | 70.00 | 110.00 | 40.00 |
| 7014CDF | Шариковый радиально-упорный двухрядный подшипник. Механически обработанный сепаратор из стали или специального чугуна. Однорядный радиально-упорный шарикоподшипник улучшенной конструкции с углом контакта 15°. | 70.00 | 110.00 | 40.00 |
| 7014CDB | Шариковый радиально-упорный двухрядный подшипник. Однорядный радиально-упорный шарикоподшипник улучшенной конструкции с углом контакта 15°. | 70.00 | 110.00 | 40.00 |
| 7014 ADB | Шариковый радиально-упорный двухрядный подшипник. Modified Snap Ring Grooves In The Outer Ring_ Two-Piece Inner Ring Held Together By A Retaining Ring. | 70.00 | 110.00 | 40.00 |
| 7014 ADF | Шариковый радиально-упорный двухрядный подшипник. Механически обработанный сепаратор из стали или специального чугуна. | 70.00 | 110.00 | 40.00 |
| 7014 BDT | Шариковый радиально-упорный двухрядный подшипник. Механически обработанный сепаратор из текстолита. | 70.00 | 110.00 | 40.00 |
| 7014 BDF | Шариковый радиально-упорный двухрядный подшипник. Механически обработанный сепаратор из стали или специального чугуна. | 70.00 | 110.00 | 40.00 |
| 7014 ADT | Шариковый радиально-упорный двухрядный подшипник. Механически обработанный сепаратор из текстолита. | 70.00 | 110.00 | 40.00 |
Способы доставки
Отправка через ведущие транспортные и курьерские компании: ПЭК, Деловые Линии, СДЭК, Байкал-Сервис, Энергия, КИТ, ЖелДорЭкспедиция.
Самовывоз возможен напрямую со склада в Москве.
Сроки доставки
Срок зависит от региона и выбранной транспортной компании. Все заказы комплектуются и отправляются в кратчайшие сроки со склада в Москве.
Надёжность и сохранность
Вся продукция упаковывается с учётом требований транспортировки. Мы гарантируем, что подшипники и комплектующие прибудут к заказчику в полной сохранности.
Доставка в страны ЕАЭС
Мы работаем с проверенными логистическими партнёрами, что позволяет оперативно доставлять заказы в Беларусь, Казахстан, Армению и другие страны ЕАЭС.
Варианты оплаты:
Минимальная сумма заказа и скидки:
Документы и гарантии:
Да, конечно! Наши технические специалисты готовы помочь вам с подбором точного аналога или замены подшипника. Просто позвоните нам по телефону +7 (495) 104-99-04 или напишите на почту zakaz@podsnab.ru.
Для оперативной консультации подготовьте, пожалуйста, имеющиеся данные: маркировку, размеры, тип оборудования или артикул старого подшипника.
Да, конечно! Мы высоко ценим долгосрочное сотрудничество и доверие клиентов по всей России. Для постоянных клиентов действует персональная система скидок.
Условия формируются индивидуально и зависят от:
Чтобы узнать свои условия и получить максимально выгодное предложение, свяжитесь с персональным менеджером или напишите нам на почту zakaz@podsnab.ru.
Вы можете оформить заказ несколькими способами:
Для оформления заказа от юридического лица свяжитесь с нашим отделом по работе с корпоративными клиентами по телефону +7 (495) 104-99-04 или напишите на email zakaz@podsnab.ru, прикрепив реквизиты вашей организации.
Мы оперативно подготовим коммерческое предложение и выставим счет.
Возврат товара надлежащего качества возможен в течение 10 дней с момента получения, если товар не был в употреблении, сохранен товарный вид, упаковка не вскрывалась и присутствуют все сопроводительные документы.
Возврат денежных средств осуществляется в течение 10 рабочих дней после проверки товара складом.
В соответствии с законодательством возврату не подлежат подшипники надлежащего качества, если отсутствует оригинальная упаковка или имеются следы монтажа.
В случае выявления брака или гарантийного случая мы гарантируем возврат или обмен товара.
Да, гарантийный срок хранения устанавливается заводом-изготовителем и в среднем составляет 2 года при соблюдении условий хранения: сухое помещение, оригинальная упаковка и смазка.
Точный срок для конкретного типа подшипника уточняйте у наших менеджеров.
Пн–Пт: с 8:00 до 17:00 (МСК).
Сб–Вс: выходные дни.
Заказы на сайте принимаются круглосуточно. Заявки, поступившие после окончания рабочего дня, обрабатываются на следующий рабочий день.
Минимальная сумма заказа для доставки составляет 3000 рублей. Самовывоз со склада возможен на любую сумму при наличии товара.
ООО «УралТехГрупп»
ИНН: 7415093830
КПП: 772401001
ОГРН: 1167456069021
Банк: ПАО Сбербанк
Р/с: 40702810838000475273
К/с: 30101810400000000225
БИК: 044525225
У подшипника 22-246114 КУ12 пока нет отзывов. Вы можете стать первым покупателем, поделившимся своим мнением.