Поиск подшипника
Статьи
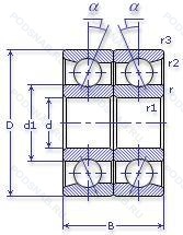
24-246111-КУ12 — Шариковый радиально-упорный сдвоенный подшипник, модификация основного исполнения 246111, производство ГПЗ.
Размер подшипника: 55x90x54 мм.
Дополнительные технические требования, «замок» (скос) на внутреннем кольце плюс массивный сепаратор из текстолита.
Аналоги: A7011ETPAP4U.
Государственный стандарт ГОСТ
24246111КУ12
В наличии
| Обозначение | Конструктивные изменения |
|---|---|
| 22-246111 Е | Сепаратор из текстолита.. |
| Т-246111 Л | Сепаратор из латуни.. |
| 1Т-246111 ЛУ12 | Сепаратор из латуни.. Дополнительные технические требования. |
| 2Т-246111 Е5 | Сепаратор из текстолита.. |
| 2Т-246111 Л | Сепаратор из латуни.. |
| 2-246111 Е5 | Сепаратор из текстолита.. |
| 2-246111 Л | Сепаратор из латуни.. |
| 22-246111 Е4 | Сепаратор из пластических материалов.. |
| 22-246111 Л | Сепаратор из латуни.. |
| 4-246111 Л | Сепаратор из латуни.. |
| 246111 | Шариковый радиально-упорный сдвоенный подшипник. Основное конструктивное исполнение. |
| 12-246111 К | «Замок» (скос) на внутреннем кольце плюс массивный сепаратор из текстолита. |
| 22-246111 Е1 | Сепаратор из текстолита.. |
| 22-246111 Е5 | Сепаратор из текстолита.. |
Модификации шарикового подшипника 24-246111-КУ12 — это измененное основное конструктивное исполнение 246111, основные размеры (55x90x54) не отличаются.
| Обозначение | Конструктивные особенности | Внутренний (d) | Наружный (D) | Ширина (B) |
|---|---|---|---|---|
| Z-578396.TR2U1 | Подшипник роликовый конический двухрядный. Двухрядный конический роликоподшипник. | 55.00 | 90.00 | 55.00 |
| 7011ACD/P4ATBTB | Подшипник шариковый однорядный радиально-упорный. Точность размеров в соответствии с классом допуска ISO 4. точность вращения лучше чем класс допуска ISO 4. 25° Угол контакта. Комплект из трех одинаковых однорядных радиальных или радиально-упорных шарикоподшипников. Средний преднатяг. | 55.00 | 90.00 | 54.00 |
| Z-578396.01.TR2U1 | Подшипник роликовый конический двухрядный. Двухрядный конический роликоподшипник. | 55.00 | 90.00 | 55.00 |
| 7011ET2TBLP4 | Подшипник шариковый однорядный радиально-упорный. 25° Угол контакта. Механически обработанный ламинированный фенольный сепаратор. Класс точности Р4 по ISO (точнее. чем P5) - Abec.7. Triple Set - Light Preload. | 55.00 | 90.00 | 54.00 |
| VEX55/S/NS 7 CE3 TD35 | Подшипник шариковый однорядный радиально-упорный. Герметичный подшипник, бесконтактный. Фенольная смола. Расположение внешнего сепаратора. Abec.7. ACD (SKF)=25° Угол контакта. Шарики из нитрида кремния Si3N4 (гибридные подшипники). Керамические шарики. Three Bearings Arranged Back-To-Back And Tandem >. With A Coefficient Of 1.35. | 55.00 | 90.00 | 54.00 |
| 2MM9111WI TUM C1 | Подшипник шариковый однорядный радиально-упорный. Производственный код (только для использования в подшипниках фирмы Fafnir). 15° Low Угол контакта. Superprecision Abec-7 (Iso P4).. Низкий борт на наружном кольце, стандартный сепаратор - формованный армированный нейлоновый. triplex set of bearings. universally ground. medium preload. | 55.00 | 90.00 | 54.00 |
| B7011-C-T-P4S-TUL | Подшипник шариковый однорядный радиально-упорный. 15° Угол контакта. Textile Laminated Phenolic Resin. Outer Ring Guided. The Cage Is Suitable For Long-Term Operation At Temperatures Up To 100°C. Класс точности. стандарт FAG лучше чем P4. Набор из 3-х универсальных подшипников. Легкая преднатяг. | 55.00 | 90.00 | 54.00 |
| B7011-E-T-P4S-TUM | Подшипник шариковый однорядный радиально-упорный. 25° Угол контакта. Textile Laminated Phenolic Resin. Outer Ring Guided. The Cage Is Suitable For Long-Term Operation At Temperatures Up To 100°C. Класс точности. стандарт FAG лучше чем P4. Комплект из 3 универсальных подшипников. Средний преднатяг. | 55.00 | 90.00 | 54.00 |
| BTH1215C | Подшипник роликовый конический двухрядный. 15° Угол контакта. | 55.00 | 90.00 | 54.00 |
| 33011/QDF03C170 | Двухрядный конический роликовый подшипник. Оптимизированная геометрия и специальная обработка контактных поверхностей. Парные подшипники. расположенные лицом друг к другу. Осевой зазор в мкм. | 55.00 | 90.00 | 54.00 |
| 7011ATYDBDP4+KL16ACP20 | Подшипник шариковый однорядный радиально-упорный. 30° Угол контакта. Класс точности Р4 по ISO (точнее. чем P5) - Abec.7. Шарикоподшипник. Радиально-упорный. Сверхточный. Сепаратор из полиамида. усиленного стекловолокном. Трехрядная комбинация >. | 55.00 | 90.00 | 54.00 |
| BTH-1215AD | Роликовый радиальный-упорный двухрядный подшипник. Угол контакта 25°. | 55.00 | 90.00 | 54.00 |
| 22-846111 Е1 | Шариковый радиально-упорный трехрядный подшипник. Сепаратор из текстолита.. | 55.00 | 90.00 | 54.00 |
| 24-846111 Е1 | Шариковый радиально-упорный трехрядный подшипник. Сепаратор из текстолита.. | 55.00 | 90.00 | 54.00 |
| 578396A | Роликовый радиальный-упорный двухрядный подшипник. Двухрядный радиально-упорный шарикоподшипник без отверстия для смазки. | 55.00 | 90.00 | 55.00 |
Способы доставки
Отправка через ведущие транспортные и курьерские компании: ПЭК, Деловые Линии, СДЭК, Байкал-Сервис, Энергия, КИТ, ЖелДорЭкспедиция.
Самовывоз возможен напрямую со склада в Москве.
Сроки доставки
Срок зависит от региона и выбранной транспортной компании. Все заказы комплектуются и отправляются в кратчайшие сроки со склада в Москве.
Надёжность и сохранность
Вся продукция упаковывается с учётом требований транспортировки. Мы гарантируем, что подшипники и комплектующие прибудут к заказчику в полной сохранности.
Доставка в страны ЕАЭС
Мы работаем с проверенными логистическими партнёрами, что позволяет оперативно доставлять заказы в Беларусь, Казахстан, Армению и другие страны ЕАЭС.
Варианты оплаты:
Минимальная сумма заказа и скидки:
Документы и гарантии:
Да, конечно! Наши технические специалисты готовы помочь вам с подбором точного аналога или замены подшипника. Просто позвоните нам по телефону +7 (495) 104-99-04 или напишите на почту zakaz@podsnab.ru.
Для оперативной консультации подготовьте, пожалуйста, имеющиеся данные: маркировку, размеры, тип оборудования или артикул старого подшипника.
Да, конечно! Мы высоко ценим долгосрочное сотрудничество и доверие клиентов по всей России. Для постоянных клиентов действует персональная система скидок.
Условия формируются индивидуально и зависят от:
Чтобы узнать свои условия и получить максимально выгодное предложение, свяжитесь с персональным менеджером или напишите нам на почту zakaz@podsnab.ru.
Вы можете оформить заказ несколькими способами:
Для оформления заказа от юридического лица свяжитесь с нашим отделом по работе с корпоративными клиентами по телефону +7 (495) 104-99-04 или напишите на email zakaz@podsnab.ru, прикрепив реквизиты вашей организации.
Мы оперативно подготовим коммерческое предложение и выставим счет.
Возврат товара надлежащего качества возможен в течение 10 дней с момента получения, если товар не был в употреблении, сохранен товарный вид, упаковка не вскрывалась и присутствуют все сопроводительные документы.
Возврат денежных средств осуществляется в течение 10 рабочих дней после проверки товара складом.
В соответствии с законодательством возврату не подлежат подшипники надлежащего качества, если отсутствует оригинальная упаковка или имеются следы монтажа.
В случае выявления брака или гарантийного случая мы гарантируем возврат или обмен товара.
Да, гарантийный срок хранения устанавливается заводом-изготовителем и в среднем составляет 2 года при соблюдении условий хранения: сухое помещение, оригинальная упаковка и смазка.
Точный срок для конкретного типа подшипника уточняйте у наших менеджеров.
Пн–Пт: с 8:00 до 17:00 (МСК).
Сб–Вс: выходные дни.
Заказы на сайте принимаются круглосуточно. Заявки, поступившие после окончания рабочего дня, обрабатываются на следующий рабочий день.
Минимальная сумма заказа для доставки составляет 3000 рублей. Самовывоз со склада возможен на любую сумму при наличии товара.
ООО «УралТехГрупп»
ИНН: 7415093830
КПП: 772401001
ОГРН: 1167456069021
Банк: ПАО Сбербанк
Р/с: 40702810838000475273
К/с: 30101810400000000225
БИК: 044525225
У подшипника 24-246111-КУ12 пока нет отзывов. Вы можете стать первым покупателем, поделившимся своим мнением.