Поиск подшипника
Статьи
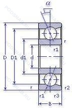
4-46208-Е3 — Шариковый радиально-упорный сдвоенный подшипник, модификация основного исполнения 46208, производство ГПЗ.
Размер подшипника: 40x80x18 мм.
Сепаратор из пластических материалов.
Аналоги: 7208ACDP4.
Государственный стандарт ГОСТ
446208Е3
В наличии
| Обозначение | Конструктивные изменения |
|---|---|
| 6-46208 Б1 | Сепаратор из безоловянистой бронзы.. |
| 6-46208 Б1Т2 | 200°. Температура отпуска. Сепаратор из безоловянистой бронзы.. |
| 6-46208 БТ | Температура отпуска. 160°. Сепаратор из безоловянистой бронзы.. |
| 6-46208 Е | Сепаратор из текстолита.. |
| 6-46208 Е3 | Сепаратор из пластических материалов.. |
| 6-46208 Е5 | Сепаратор из текстолита.. |
| 6-46208 ЕШ2 | Сепаратор из текстолита.. Нормы шумности. |
| 6-46208 Л | Сепаратор из латуни.. |
| 6-46208 Р | Детали из теплоустойчивой (быстрорежущие) стали.. |
| 46208-АЕ | Сепаратор из текстолита.. Повышенная грузоподъемность. |
| 46208-АЕ1 | Сепаратор из текстолита.. Повышенная грузоподъемность. |
| 46208-АЕШ1 | Сепаратор из текстолита.. Повышенная грузоподъемность. Нормы шумности. |
| 46208-АЛ | Сепаратор из латуни.. Повышенная грузоподъемность. |
| 46208-АЛ1 | Сепаратор из латуни.. Повышенная грузоподъемность. |
| 46208-Е | Сепаратор из текстолита.. |
| 46208-Е3 | Сепаратор из пластических материалов.. |
| 46208-Л | Сепаратор из латуни.. |
| 46208E5 | Смазочные отверстия и канавки во внутреннем кольце. |
| 46208К | «Замок» (скос) на внутреннем кольце плюс массивный сепаратор из текстолита. |
| 5-46208 АЕ | Сепаратор из текстолита.. Повышенная грузоподъемность. |
| 5-46208 АЛ | Сепаратор из латуни.. Повышенная грузоподъемность. |
| 5-46208 АС | Повышенная грузоподъемность. |
| 5-46208 Е | Сепаратор из текстолита.. |
| 5-46208 Е3 | Сепаратор из пластических материалов.. |
| 5-46208 Л | Сепаратор из латуни.. |
Модификации шарикового подшипника 4-46208-Е3 — это измененное основное конструктивное исполнение 46208, основные размеры (40x80x18) не отличаются.
| Обозначение | Гост | Конструктивные особенности |
|---|---|---|
| 4-36208-КЕШ3 | ГОСТ | «Замок» (скос) на внутреннем кольце плюс массивный сепаратор из текстолита. Сепаратор из текстолита.. Нормы шумности. |
| 436208 | ГОСТ | Шариковый радиально-упорный сдвоенный подшипник. |
| 4-36208-КЕ | ГОСТ | «Замок» (скос) на внутреннем кольце плюс массивный сепаратор из текстолита. Сепаратор из текстолита.. |
| 436208Е2 | ГОСТ | Сепаратор из пластических материалов.. |
| 4-36208-Е5 | ГОСТ | Сепаратор из текстолита.. |
| 4-36208-Л | ГОСТ | Сепаратор из латуни.. |
Аналог шарикового подшипника 4-46208-Е3 — это подшипник такого же размера dx40,Dx80,Bx18, типа и конструкции.
| Обозначение | Конструктивные особенности | Внутренний (d) | Наружный (D) | Ширина (B) |
|---|---|---|---|---|
| 50208-У1 | Шариковый радиальный однорядный подшипник. Дополнительные технические требования. | 40.00 | 80.00 | 18.00 |
| 50208E5 | Шариковый радиальный однорядный подшипник. Смазочные отверстия и канавки во внутреннем кольце. | 40.00 | 80.00 | 18.00 |
| 55-32208 Б2Т2 | Роликовый радиальный однорядный подшипник. 200°. Температура отпуска. Сепаратор из безоловянистой бронзы.. | 40.00 | 80.00 | 18.00 |
| 55-32208 БТ2 | Роликовый радиальный однорядный подшипник. 200°. Температура отпуска. Сепаратор из безоловянистой бронзы.. | 40.00 | 80.00 | 18.00 |
| 55-32208 Р3 | Роликовый радиальный однорядный подшипник. Детали из теплоустойчивой (быстрорежущие) стали.. | 40.00 | 80.00 | 18.00 |
| 55-32208 Р5 | Роликовый радиальный однорядный подшипник. Детали из теплоустойчивой (быстрорежущие) стали.. | 40.00 | 80.00 | 18.00 |
| 6-102208 М | Роликовый радиальный однорядный подшипник. Модифицированный контакт.. | 40.00 | 80.00 | 18.00 |
| 6-12208 КМ | Роликовый радиальный однорядный подшипник. Модифицированный контакт.. | 40.00 | 80.00 | 18.00 |
| 6-12208 Л1 | Роликовый радиальный однорядный подшипник. Сепаратор из латуни.. | 40.00 | 80.00 | 18.00 |
| 6-136208 Р | Шариковый радиально-упорный однорядный подшипник. Детали из теплоустойчивой (быстрорежущие) стали.. | 40.00 | 80.00 | 18.00 |
| 6-150208 А | Шариковый радиальный однорядный подшипник. Повышенная грузоподъемность. | 40.00 | 80.00 | 18.00 |
| 6-150208 Е5 | Шариковый радиальный однорядный подшипник. Сепаратор из текстолита.. | 40.00 | 80.00 | 18.00 |
| 6-150208 У1 | Шариковый радиальный однорядный подшипник. Дополнительные технические требования. | 40.00 | 80.00 | 18.00 |
| 6-180208 С17 | Шариковый радиальный однорядный подшипник. Смазка Литол-24. | 40.00 | 80.00 | 18.00 |
| 6-180208 С9 | Шариковый радиальный однорядный подшипник. Смазка ЛЗ-31. | 40.00 | 80.00 | 18.00 |
Способы доставки
Отправка через ведущие транспортные и курьерские компании: ПЭК, Деловые Линии, СДЭК, Байкал-Сервис, Энергия, КИТ, ЖелДорЭкспедиция.
Самовывоз возможен напрямую со склада в Москве.
Сроки доставки
Срок зависит от региона и выбранной транспортной компании. Все заказы комплектуются и отправляются в кратчайшие сроки со склада в Москве.
Надёжность и сохранность
Вся продукция упаковывается с учётом требований транспортировки. Мы гарантируем, что подшипники и комплектующие прибудут к заказчику в полной сохранности.
Доставка в страны ЕАЭС
Мы работаем с проверенными логистическими партнёрами, что позволяет оперативно доставлять заказы в Беларусь, Казахстан, Армению и другие страны ЕАЭС.
Варианты оплаты:
Минимальная сумма заказа и скидки:
Документы и гарантии:
Да, конечно! Наши технические специалисты готовы помочь вам с подбором точного аналога или замены подшипника. Просто позвоните нам по телефону +7 (495) 104-99-04 или напишите на почту zakaz@podsnab.ru.
Для оперативной консультации подготовьте, пожалуйста, имеющиеся данные: маркировку, размеры, тип оборудования или артикул старого подшипника.
Да, конечно! Мы высоко ценим долгосрочное сотрудничество и доверие клиентов по всей России. Для постоянных клиентов действует персональная система скидок.
Условия формируются индивидуально и зависят от:
Чтобы узнать свои условия и получить максимально выгодное предложение, свяжитесь с персональным менеджером или напишите нам на почту zakaz@podsnab.ru.
Вы можете оформить заказ несколькими способами:
Для оформления заказа от юридического лица свяжитесь с нашим отделом по работе с корпоративными клиентами по телефону +7 (495) 104-99-04 или напишите на email zakaz@podsnab.ru, прикрепив реквизиты вашей организации.
Мы оперативно подготовим коммерческое предложение и выставим счет.
Возврат товара надлежащего качества возможен в течение 10 дней с момента получения, если товар не был в употреблении, сохранен товарный вид, упаковка не вскрывалась и присутствуют все сопроводительные документы.
Возврат денежных средств осуществляется в течение 10 рабочих дней после проверки товара складом.
В соответствии с законодательством возврату не подлежат подшипники надлежащего качества, если отсутствует оригинальная упаковка или имеются следы монтажа.
В случае выявления брака или гарантийного случая мы гарантируем возврат или обмен товара.
Да, гарантийный срок хранения устанавливается заводом-изготовителем и в среднем составляет 2 года при соблюдении условий хранения: сухое помещение, оригинальная упаковка и смазка.
Точный срок для конкретного типа подшипника уточняйте у наших менеджеров.
Пн–Пт: с 8:00 до 17:00 (МСК).
Сб–Вс: выходные дни.
Заказы на сайте принимаются круглосуточно. Заявки, поступившие после окончания рабочего дня, обрабатываются на следующий рабочий день.
Минимальная сумма заказа для доставки составляет 3000 рублей. Самовывоз со склада возможен на любую сумму при наличии товара.
ООО «УралТехГрупп»
ИНН: 7415093830
КПП: 772401001
ОГРН: 1167456069021
Банк: ПАО Сбербанк
Р/с: 40702810838000475273
К/с: 30101810400000000225
БИК: 044525225
У подшипника 4-46208-Е3 пока нет отзывов. Вы можете стать первым покупателем, поделившимся своим мнением.