Поиск подшипника
Статьи
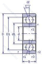
6-46118 Л — Шариковый радиально-упорный однорядный подшипник, модификация основного исполнения 46118, производство ГПЗ.
Размер подшипника: 90x140x24 мм.
Сепаратор из латуни.
Аналоги: 7018ACMAP6.
Государственный стандарт ГОСТ
646118Л
В наличии
| Обозначение | Конструктивные изменения |
|---|---|
| 4-46118 А1ЕШ3 | Сепаратор из текстолита.. Повышенная грузоподъемность. Нормы шумности. |
| 4-46118 КЕ | «Замок» (скос) на внутреннем кольце плюс массивный сепаратор из текстолита. Сепаратор из текстолита.. |
| 6-46118 А1ЛШ | Сепаратор из латуни.. Повышенная грузоподъемность. Нормы шумности. |
| 6-46118 А1Ш1 | Повышенная грузоподъемность. Нормы шумности. |
| 2-46118 Е | Сепаратор из текстолита.. |
| 2-46118 Е5 | Сепаратор из текстолита.. |
| 2-46118 К | «Замок» (скос) на внутреннем кольце плюс массивный сепаратор из текстолита. |
| 4-46118 Е | Сепаратор из текстолита.. |
| 4-46118 Е5 | Сепаратор из текстолита.. |
| 4-46118 К | «Замок» (скос) на внутреннем кольце плюс массивный сепаратор из текстолита. |
| 4-46118 Л | Сепаратор из латуни.. |
| 2-46118-Л | Сепаратор из латуни.. |
| 6-46118 Е | Сепаратор из текстолита.. |
| 6-46118 Е5 | Сепаратор из текстолита.. |
| 46118-Е | Сепаратор из текстолита.. |
| 46118-Е2 | Сепаратор из пластических материалов.. |
| 46118-КЕ | «Замок» (скос) на внутреннем кольце плюс массивный сепаратор из текстолита. Сепаратор из текстолита.. |
| 46118-Л | Сепаратор из латуни.. |
| 46118Е5 | Сепаратор из текстолита.. |
| 46118К | «Замок» (скос) на внутреннем кольце плюс массивный сепаратор из текстолита. |
| 5-46118 Е | Сепаратор из текстолита.. |
| 5-46118 Е2 | Сепаратор из пластических материалов.. |
| 5-46118 Е5 | Сепаратор из текстолита.. |
| 5-46118 К | «Замок» (скос) на внутреннем кольце плюс массивный сепаратор из текстолита. |
| 5-46118 Л | Сепаратор из латуни.. |
Модификации шарикового подшипника 6-46118 Л — это измененное основное конструктивное исполнение 46118, основные размеры (90x140x24) не отличаются.
| Обозначение | Гост | Конструктивные особенности |
|---|---|---|
| ML7018CVUJ74S | ISO | Угол контакта 15°. Универсальные подшпники. Высокопрецизионные радиально-упорные подшипники с высокой скоростью вращения. Преднатяг (Лёгкий. |
| ML7018HVUJ74S | ISO | Угол контакта 25°. Универсальные подшпники. Высокопрецизионные радиально-упорные подшипники с высокой скоростью вращения. Преднатяг (Лёгкий. |
| 7018B | ISO | Угол контакта 40°. |
| QJ1018 | ISO | Штампованный сепаратор из стального листа. Шариковый подшипник с четырех-точечным контактом. |
| 7018CPA | ISO | Угол контакта 15 градусов. |
| HAR018C | ISO | Угол контакта 15 градусов. |
| HAR018CA | ISO | Латунный сепаратор с симметричными роликами. |
| 5S-2LA-BNS018LLBG/GNP42 | ISO | Универсальный подшипник. Нитриловое бесконтактное уплотнение (-25 to +120°C). Класс точности JIS4 для размеров и JIS 2 для точности вращения. Гибридный подшипник. |
| 5S-2LA-BNS018ADLLBG/GNP42 | ISO | Универсальный подшипник. Нитриловое бесконтактное уплотнение (-25 to +120°C). Класс точности JIS4 для размеров и JIS 2 для точности вращения. Угол контакта 25°. Гибридный подшипник. |
| 5S-2LA-BNS018CLLBG/GNP42 | ISO | Угол контакта 15°. Универсальный подшипник. Нитриловое бесконтактное уплотнение (-25 to +120°C). Класс точности JIS4 для размеров и JIS 2 для точности вращения. Гибридный подшипник. |
| 5S-2LA-HSE018ADG/GNP42 | ISO | Универсальный подшипник. Класс точности JIS4 для размеров и JIS 2 для точности вращения. Угол контакта 25°. Гибридный подшипник. |
| 5S-2LA-HSE018G/GNP42 | ISO | Универсальный подшипник. Класс точности JIS4 для размеров и JIS 2 для точности вращения. Гибридный подшипник. |
| 5S-2LA-HSE018CG/GNP42 | ISO | Угол контакта 15°. Универсальный подшипник. Класс точности JIS4 для размеров и JIS 2 для точности вращения. Гибридный подшипник. |
| 7018AC | ISO | Суффикс для радиально-упорного шарикоподшипника. |
| 7018C | ISO | Угол контакта 15°. |
| 14-36118 КУ | ГОСТ | «Замок» (скос) на внутреннем кольце плюс массивный сепаратор из текстолита. Дополнительные технические требования. |
| 36118К | ГОСТ | «Замок» (скос) на внутреннем кольце плюс массивный сепаратор из текстолита. |
| 36118К6 | ГОСТ | «Замок» (скос) на внутреннем кольце. |
| 36118К7 | ГОСТ | «Замок» (скос) на внутреннем кольце. |
| 5-36118 К | ГОСТ | «Замок» (скос) на внутреннем кольце плюс массивный сепаратор из текстолита. |
Аналог шарикового подшипника 6-46118 Л — это подшипник такого же размера dx90,Dx140,Bx24, типа и конструкции.
| Обозначение | Конструктивные особенности | Внутренний (d) | Наружный (D) | Ширина (B) |
|---|---|---|---|---|
| 3NCHAR018C | Шариковый радиальный однорядный подшипник. Угол контакта 20 градусов. | 90.00 | 140.00 | 24.00 |
| 3NCHAR018CA | Шариковый радиальный однорядный подшипник. Угол контакта 20 градусов. Латунный сепаратор с симметричными роликами. | 90.00 | 140.00 | 24.00 |
| 05-950118 Л | Шариковый радиальный однорядный подшипник. Сепаратор из латуни.. | 90.00 | 140.00 | 24.00 |
| 118-А | Шариковый радиальный однорядный подшипник. Повышенная грузоподъемность. | 90.00 | 140.00 | 24.00 |
| 35-118 Л | Шариковый радиальный однорядный подшипник. Сепаратор из латуни.. | 90.00 | 140.00 | 24.00 |
| 3А-118 Л | Шариковый радиальный однорядный подшипник. Сепаратор из латуни.. | 90.00 | 140.00 | 24.00 |
| 5-32118 Р1 | Роликовый радиальный однорядный подшипник. Детали из теплоустойчивой (быстрорежущие) стали.. | 90.00 | 140.00 | 24.00 |
| 5-32118 Р2 | Роликовый радиальный однорядный подшипник. Детали из теплоустойчивой (быстрорежущие) стали.. | 90.00 | 140.00 | 24.00 |
| 5-672118 Б1Т2 | Роликовый радиальный однорядный подшипник. 200°. Температура отпуска. Сепаратор из безоловянистой бронзы.. | 90.00 | 140.00 | 24.00 |
| 5-950118 Л | Шариковый радиальный подшипник. Сепаратор из латуни.. | 90.00 | 140.00 | 24.00 |
| 5-950118 Р3 | Шариковый радиальный однорядный подшипник. Детали из теплоустойчивой (быстрорежущие) стали.. | 90.00 | 140.00 | 24.00 |
| 55-32118 Б2Т2 | Роликовый радиальный однорядный подшипник. 200°. Температура отпуска. Сепаратор из безоловянистой бронзы.. | 90.00 | 140.00 | 24.00 |
| 55-32118 Б3Т | Роликовый радиальный однорядный подшипник. Температура отпуска. 160°. Сепаратор из безоловянистой бронзы.. | 90.00 | 140.00 | 24.00 |
| 55-32118 Р1 | Роликовый радиальный однорядный подшипник. Детали из теплоустойчивой (быстрорежущие) стали.. | 90.00 | 140.00 | 24.00 |
| 5А-32118 Б2Т2 | Роликовый радиальный однорядный подшипник. 200°. Температура отпуска. Сепаратор из безоловянистой бронзы.. | 90.00 | 140.00 | 24.00 |
Способы доставки
Отправка через ведущие транспортные и курьерские компании: ПЭК, Деловые Линии, СДЭК, Байкал-Сервис, Энергия, КИТ, ЖелДорЭкспедиция.
Самовывоз возможен напрямую со склада в Москве.
Сроки доставки
Срок зависит от региона и выбранной транспортной компании. Все заказы комплектуются и отправляются в кратчайшие сроки со склада в Москве.
Надёжность и сохранность
Вся продукция упаковывается с учётом требований транспортировки. Мы гарантируем, что подшипники и комплектующие прибудут к заказчику в полной сохранности.
Доставка в страны ЕАЭС
Мы работаем с проверенными логистическими партнёрами, что позволяет оперативно доставлять заказы в Беларусь, Казахстан, Армению и другие страны ЕАЭС.
Варианты оплаты:
Минимальная сумма заказа и скидки:
Документы и гарантии:
Да, конечно! Наши технические специалисты готовы помочь вам с подбором точного аналога или замены подшипника. Просто позвоните нам по телефону +7 (495) 104-99-04 или напишите на почту zakaz@podsnab.ru.
Для оперативной консультации подготовьте, пожалуйста, имеющиеся данные: маркировку, размеры, тип оборудования или артикул старого подшипника.
Да, конечно! Мы высоко ценим долгосрочное сотрудничество и доверие клиентов по всей России. Для постоянных клиентов действует персональная система скидок.
Условия формируются индивидуально и зависят от:
Чтобы узнать свои условия и получить максимально выгодное предложение, свяжитесь с персональным менеджером или напишите нам на почту zakaz@podsnab.ru.
Вы можете оформить заказ несколькими способами:
Для оформления заказа от юридического лица свяжитесь с нашим отделом по работе с корпоративными клиентами по телефону +7 (495) 104-99-04 или напишите на email zakaz@podsnab.ru, прикрепив реквизиты вашей организации.
Мы оперативно подготовим коммерческое предложение и выставим счет.
Возврат товара надлежащего качества возможен в течение 10 дней с момента получения, если товар не был в употреблении, сохранен товарный вид, упаковка не вскрывалась и присутствуют все сопроводительные документы.
Возврат денежных средств осуществляется в течение 10 рабочих дней после проверки товара складом.
В соответствии с законодательством возврату не подлежат подшипники надлежащего качества, если отсутствует оригинальная упаковка или имеются следы монтажа.
В случае выявления брака или гарантийного случая мы гарантируем возврат или обмен товара.
Да, гарантийный срок хранения устанавливается заводом-изготовителем и в среднем составляет 2 года при соблюдении условий хранения: сухое помещение, оригинальная упаковка и смазка.
Точный срок для конкретного типа подшипника уточняйте у наших менеджеров.
Пн–Пт: с 8:00 до 17:00 (МСК).
Сб–Вс: выходные дни.
Заказы на сайте принимаются круглосуточно. Заявки, поступившие после окончания рабочего дня, обрабатываются на следующий рабочий день.
Минимальная сумма заказа для доставки составляет 3000 рублей. Самовывоз со склада возможен на любую сумму при наличии товара.
ООО «УралТехГрупп»
ИНН: 7415093830
КПП: 772401001
ОГРН: 1167456069021
Банк: ПАО Сбербанк
Р/с: 40702810838000475273
К/с: 30101810400000000225
БИК: 044525225
У подшипника 6-46118 Л пока нет отзывов. Вы можете стать первым покупателем, поделившимся своим мнением.