Поиск подшипника
Статьи
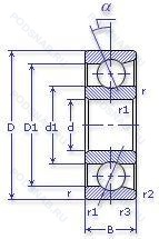
6-46124 Л — Шариковый радиально-упорный однорядный подшипник, модификация основного исполнения 46124, производство ГПЗ.
Размер подшипника: 120x180x28 мм.
Сепаратор из латуни.
Аналоги: 7024ACMBP6.
Государственный стандарт ГОСТ
646124Л
В наличии
| Обозначение | Конструктивные изменения |
|---|---|
| Т-46124 Л | Сепаратор из латуни.. |
| 8-46124 Е | Сепаратор из текстолита.. |
| 8-46124 Л | Сепаратор из латуни.. |
| 22-46124 ЕУ | Сепаратор из текстолита.. Дополнительные технические требования. |
| 24-46124-ЛУ | Сепаратор из латуни.. Дополнительные технические требования. |
| 24-46124-Л | Сепаратор из латуни.. |
| 46124 | Шариковый радиально-упорный однорядный подшипник. Основное конструктивное исполнение. |
| 2-46124 Е | Сепаратор из текстолита.. |
| 2-46124 К | «Замок» (скос) на внутреннем кольце плюс массивный сепаратор из текстолита. |
| 2-46124 Л | Сепаратор из латуни.. |
| 24-46124-ЕУ | Сепаратор из текстолита.. Дополнительные технические требования. |
| 4-46124-Е | Сепаратор из текстолита.. |
| 4-46124 К | «Замок» (скос) на внутреннем кольце плюс массивный сепаратор из текстолита. |
| 4-46124-Л | Сепаратор из латуни.. |
| 6-46124 Е | Сепаратор из текстолита.. |
| 46124-E | Повышенная грузоподъемность. |
| 46124-Е | Сепаратор из текстолита.. |
| 46124-Л | Сепаратор из латуни.. |
| 46124К | «Замок» (скос) на внутреннем кольце плюс массивный сепаратор из текстолита. |
| 46124ЛУ | Сепаратор из латуни.. Дополнительные технические требования. |
| 5-46124 Е | Сепаратор из текстолита.. |
| 5-46124 К | «Замок» (скос) на внутреннем кольце плюс массивный сепаратор из текстолита. |
| 5-46124 Л | Сепаратор из латуни.. |
Модификации шарикового подшипника 6-46124 Л — это измененное основное конструктивное исполнение 46124, основные размеры (120x180x28) не отличаются.
| Обозначение | Гост | Конструктивные особенности |
|---|---|---|
| VEX 120/S 7CE3 | ISO | Запечатанная версия кулачкового ролика. |
| VEX 120/S/NS 7CE3 | ISO | Запечатанная версия кулачкового ролика. Шарики из нитрида кремния Si3N4 (гибридные подшипники). Керамические шарики. |
| 7024HVUJ74 | ISO | Угол контакта 25°. Преднатяг (Лёгкий. Универсальные подшпники. |
| ML7024CVUJ74S | ISO | Угол контакта 15°. Универсальные подшпники. Высокопрецизионные радиально-упорные подшипники с высокой скоростью вращения. Преднатяг (Лёгкий. |
| ML7024HVUJ74S | ISO | Угол контакта 25°. Универсальные подшпники. Высокопрецизионные радиально-упорные подшипники с высокой скоростью вращения. Преднатяг (Лёгкий. |
| 7024 A | ISO | Двухрядный радиально-упорный шарикоподшипник без отверстия для смазки. |
| 7024B | ISO | Угол контакта 40°. |
| QJ 1024 | ISO | Штампованный сепаратор из стального листа. Шариковый подшипник с четырех-точечным контактом. |
| 7024CPA | ISO | Угол контакта 15 градусов. |
| HAR024CA | ISO | Латунный сепаратор с симметричными роликами. |
| HAR024C | ISO | Угол контакта 15 градусов. |
| 5S-2LA-HSE024ADG/GNP42 | ISO | Универсальный подшипник. Класс точности JIS4 для размеров и JIS 2 для точности вращения. Угол контакта 25°. Гибридный подшипник. |
| 5S-2LA-HSE024CG/GNP42 | ISO | Угол контакта 15°. Универсальный подшипник. Класс точности JIS4 для размеров и JIS 2 для точности вращения. Гибридный подшипник. |
| 5S-2LA-HSE024G/GNP42 | ISO | Универсальный подшипник. Класс точности JIS4 для размеров и JIS 2 для точности вращения. Гибридный подшипник. |
| 7024C | ISO | Угол контакта 15°. |
| 26-126124 Б | ГОСТ | Сепаратор из безоловянистой бронзы.. |
| 36124К | ГОСТ | «Замок» (скос) на внутреннем кольце плюс массивный сепаратор из текстолита. |
| 36124К6 | ГОСТ | «Замок» (скос) на внутреннем кольце. |
| 5-36124 К | ГОСТ | «Замок» (скос) на внутреннем кольце плюс массивный сепаратор из текстолита. |
| 5-66124 ЕШ2 | ГОСТ | Сепаратор из текстолита.. Нормы шумности. |
Аналог шарикового подшипника 6-46124 Л — это подшипник такого же размера dx120,Dx180,Bx28, типа и конструкции.
| Обозначение | Конструктивные особенности | Внутренний (d) | Наружный (D) | Ширина (B) |
|---|---|---|---|---|
| S6024-2RS | Шариковый радиальный однорядный подшипник. Резиновые уплотнения с каждой стороны подшипника. | 120.00 | 180.00 | 28.00 |
| 3NC HAR024C FT | Шариковый радиальный однорядный подшипник. Угол контакта 20 градусов. REINFORCED PHENOLIC CAGE. | 120.00 | 180.00 | 28.00 |
| 3NCHAD024CA | Шариковый радиальный однорядный подшипник. Угол контакта 20 градусов. Латунный сепаратор с симметричными роликами. | 120.00 | 180.00 | 28.00 |
| 3NCHAC024C | Шариковый радиальный однорядный подшипник. Угол контакта 20 градусов. | 120.00 | 180.00 | 28.00 |
| 3NCHAC024CA | Шариковый радиальный однорядный подшипник. Угол контакта 20 градусов. Латунный сепаратор с симметричными роликами. | 120.00 | 180.00 | 28.00 |
| 3NCHAR024 | Шариковый радиальный однорядный подшипник. Угол контакта 20 градусов. | 120.00 | 180.00 | 28.00 |
| 3NCHAR024CA | Шариковый радиальный однорядный подшипник. Угол контакта 20 градусов. Латунный сепаратор с симметричными роликами. | 120.00 | 180.00 | 28.00 |
| 3NCHAR024C | Шариковый радиальный однорядный подшипник. Угол контакта 20 градусов. | 120.00 | 180.00 | 28.00 |
| 124-А | Шариковый радиальный однорядный подшипник. Повышенная грузоподъемность. | 120.00 | 180.00 | 28.00 |
| 124-АЛ | Шариковый радиальный однорядный подшипник. Сепаратор из латуни.. Повышенная грузоподъемность. | 120.00 | 180.00 | 28.00 |
| 124-КМ | Шариковый радиальный однорядный подшипник. Модифицированный контакт.. | 120.00 | 180.00 | 28.00 |
| 180124-А | Шариковый радиальный однорядный подшипник. Повышенная грузоподъемность. | 120.00 | 180.00 | 28.00 |
| 4-124-Л | Шариковый радиальный однорядный подшипник. Сепаратор из латуни.. | 120.00 | 180.00 | 28.00 |
| BTM 120 ATN9/P4CDB | Шариковый упорно-радиальный двухрядный подшипник. Измененная или модифицированная внутренняя конструкция при неизменных основных размерах. | 120.00 | 180.00 | 27.00 |
| 5-124 Л | Шариковый радиальный однорядный подшипник. Сепаратор из латуни.. | 120.00 | 180.00 | 28.00 |
Способы доставки
Отправка через ведущие транспортные и курьерские компании: ПЭК, Деловые Линии, СДЭК, Байкал-Сервис, Энергия, КИТ, ЖелДорЭкспедиция.
Самовывоз возможен напрямую со склада в Москве.
Сроки доставки
Срок зависит от региона и выбранной транспортной компании. Все заказы комплектуются и отправляются в кратчайшие сроки со склада в Москве.
Надёжность и сохранность
Вся продукция упаковывается с учётом требований транспортировки. Мы гарантируем, что подшипники и комплектующие прибудут к заказчику в полной сохранности.
Доставка в страны ЕАЭС
Мы работаем с проверенными логистическими партнёрами, что позволяет оперативно доставлять заказы в Беларусь, Казахстан, Армению и другие страны ЕАЭС.
Варианты оплаты:
Минимальная сумма заказа и скидки:
Документы и гарантии:
Да, конечно! Наши технические специалисты готовы помочь вам с подбором точного аналога или замены подшипника. Просто позвоните нам по телефону +7 (495) 104-99-04 или напишите на почту zakaz@podsnab.ru.
Для оперативной консультации подготовьте, пожалуйста, имеющиеся данные: маркировку, размеры, тип оборудования или артикул старого подшипника.
Да, конечно! Мы высоко ценим долгосрочное сотрудничество и доверие клиентов по всей России. Для постоянных клиентов действует персональная система скидок.
Условия формируются индивидуально и зависят от:
Чтобы узнать свои условия и получить максимально выгодное предложение, свяжитесь с персональным менеджером или напишите нам на почту zakaz@podsnab.ru.
Вы можете оформить заказ несколькими способами:
Для оформления заказа от юридического лица свяжитесь с нашим отделом по работе с корпоративными клиентами по телефону +7 (495) 104-99-04 или напишите на email zakaz@podsnab.ru, прикрепив реквизиты вашей организации.
Мы оперативно подготовим коммерческое предложение и выставим счет.
Возврат товара надлежащего качества возможен в течение 10 дней с момента получения, если товар не был в употреблении, сохранен товарный вид, упаковка не вскрывалась и присутствуют все сопроводительные документы.
Возврат денежных средств осуществляется в течение 10 рабочих дней после проверки товара складом.
В соответствии с законодательством возврату не подлежат подшипники надлежащего качества, если отсутствует оригинальная упаковка или имеются следы монтажа.
В случае выявления брака или гарантийного случая мы гарантируем возврат или обмен товара.
Да, гарантийный срок хранения устанавливается заводом-изготовителем и в среднем составляет 2 года при соблюдении условий хранения: сухое помещение, оригинальная упаковка и смазка.
Точный срок для конкретного типа подшипника уточняйте у наших менеджеров.
Пн–Пт: с 8:00 до 17:00 (МСК).
Сб–Вс: выходные дни.
Заказы на сайте принимаются круглосуточно. Заявки, поступившие после окончания рабочего дня, обрабатываются на следующий рабочий день.
Минимальная сумма заказа для доставки составляет 3000 рублей. Самовывоз со склада возможен на любую сумму при наличии товара.
ООО «УралТехГрупп»
ИНН: 7415093830
КПП: 772401001
ОГРН: 1167456069021
Банк: ПАО Сбербанк
Р/с: 40702810838000475273
К/с: 30101810400000000225
БИК: 044525225
У подшипника 6-46124 Л пока нет отзывов. Вы можете стать первым покупателем, поделившимся своим мнением.