Поиск подшипника
Статьи
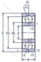
6-46207 Е — Шариковый радиально-упорный однорядный подшипник, модификация основного исполнения 46207, производство ГПЗ.
Размер подшипника: 35x72x17 мм.
Сепаратор из текстолита.
Аналоги: 7207ACTP6.
Государственный стандарт ГОСТ
646207Е
В наличии
| Обозначение | Конструктивные изменения |
|---|---|
| 8-46207 Е5 | Сепаратор из текстолита.. |
| 8-46207 Е | Сепаратор из текстолита.. |
| 2-46207 Е | Сепаратор из текстолита.. |
| 2-46207 К | «Замок» (скос) на внутреннем кольце плюс массивный сепаратор из текстолита. |
| 2-46207 Л | Сепаратор из латуни.. |
| 4-46207 Е4 | Сепаратор из пластических материалов.. |
| 4-46207 К | «Замок» (скос) на внутреннем кольце плюс массивный сепаратор из текстолита. |
| 2-46207-Е3 | Сепаратор из пластических материалов.. |
| 2-46207-Е4 | Сепаратор из пластических материалов.. |
| 2-46207-Е5 | Сепаратор из текстолита.. |
| 4-46207-Е | Сепаратор из текстолита.. |
| 4-46207-Е3 | Сепаратор из пластических материалов.. |
| 4-46207-Е5 | Сепаратор из текстолита.. |
| 6-46207 Е3 | Сепаратор из пластических материалов.. |
| 6-46207 Е5 | Сепаратор из текстолита.. |
| 6-46207 ЕШ2 | Сепаратор из текстолита.. Нормы шумности. |
| 6-46207 Л | Сепаратор из латуни.. |
| 46207-Е | Сепаратор из текстолита.. |
| 46207-Л | Сепаратор из латуни.. |
| 46207-Е5 | Сепаратор из текстолита.. |
| 46207К | «Замок» (скос) на внутреннем кольце плюс массивный сепаратор из текстолита. |
| 5-46207 Е | Сепаратор из текстолита.. |
| 5-46207 Е3 | Сепаратор из пластических материалов.. |
| 5-46207 Е5 | Сепаратор из текстолита.. |
| 5-46207 К | «Замок» (скос) на внутреннем кольце плюс массивный сепаратор из текстолита. |
Модификации шарикового подшипника 6-46207 Е — это измененное основное конструктивное исполнение 46207, основные размеры (35x72x17) не отличаются.
| Обозначение | Гост | Конструктивные особенности |
|---|---|---|
| 6-36207 Е | ГОСТ | Сепаратор из текстолита.. |
| 6-36207 Е2 | ГОСТ | Сепаратор из пластических материалов.. |
| 6-36207 Е3 | ГОСТ | Сепаратор из пластических материалов.. |
| 6-36207 Е5 | ГОСТ | Сепаратор из текстолита.. |
| 6-36207 КЕ | ГОСТ | «Замок» (скос) на внутреннем кольце плюс массивный сепаратор из текстолита. Сепаратор из текстолита.. |
| 6-36207 КЕ3 | ГОСТ | «Замок» (скос) на внутреннем кольце плюс массивный сепаратор из текстолита. Сепаратор из пластических материалов.. |
| 6-36207 Л | ГОСТ | Сепаратор из латуни.. |
| 6-66207 Е | ГОСТ | Сепаратор из текстолита.. |
| 66207-АЕ | ГОСТ | Сепаратор из текстолита.. Повышенная грузоподъемность. |
| 66207-АЛ1 | ГОСТ | Сепаратор из латуни.. Повышенная грузоподъемность. |
| 66207-Е | ГОСТ | Сепаратор из текстолита.. |
| 66207-КЕ | ГОСТ | «Замок» (скос) на внутреннем кольце плюс массивный сепаратор из текстолита. Сепаратор из текстолита.. |
| 75-276207 Р2 | ГОСТ | Детали из теплоустойчивой (быстрорежущие) стали.. |
| 5-36207 Е | ГОСТ | Сепаратор из текстолита.. |
| 5-36207 Е2 | ГОСТ | Сепаратор из пластических материалов.. |
| 5-36207 К | ГОСТ | «Замок» (скос) на внутреннем кольце плюс массивный сепаратор из текстолита. |
| 5-36207 КЕ | ГОСТ | «Замок» (скос) на внутреннем кольце плюс массивный сепаратор из текстолита. Сепаратор из текстолита.. |
| 5-36207 КЕ3 | ГОСТ | «Замок» (скос) на внутреннем кольце плюс массивный сепаратор из текстолита. Сепаратор из пластических материалов.. |
| 5-36207 Л | ГОСТ | Сепаратор из латуни.. |
| 5-66207 Е | ГОСТ | Сепаратор из текстолита.. |
Аналог шарикового подшипника 6-46207 Е — это подшипник такого же размера dx35,Dx72,Bx17, типа и конструкции.
| Обозначение | Конструктивные особенности | Внутренний (d) | Наружный (D) | Ширина (B) |
|---|---|---|---|---|
| 5-207 ЕШ2 | Шариковый радиальный однорядный подшипник. Сепаратор из текстолита.. Нормы шумности. | 35.00 | 72.00 | 17.00 |
| 5-207 К5 | Шариковый радиальный однорядный подшипник. Повышенная грузоподъемность. | 35.00 | 72.00 | 17.00 |
| 5-207 ОР3К5 | Шариковый радиальный однорядный подшипник. Детали из теплоустойчивой (быстрорежущие) стали.. Повышенная грузоподъемность. | 35.00 | 72.00 | 17.00 |
| 5-32207 Б2Т | Роликовый радиальный подшипник. Температура отпуска. 160°. Сепаратор из безоловянистой бронзы.. | 35.00 | 72.00 | 17.00 |
| 5-32207 БТ | Роликовый радиальный однорядный подшипник. Температура отпуска. 160°. Сепаратор из безоловянистой бронзы.. | 35.00 | 72.00 | 17.00 |
| 5-60207 А | Шариковый радиальный однорядный подшипник. Повышенная грузоподъемность. | 35.00 | 72.00 | 17.00 |
| 502207-КМ | Роликовый радиальный однорядный подшипник. Кольцевая проточка на середине цилиндрической наружной поверхности наружного кольца плюс три отверстия для смазки. Модифицированный контакт.. | 35.00 | 72.00 | 17.00 |
| 50207-А | Шариковый радиальный однорядный подшипник. Повышенная грузоподъемность. | 35.00 | 72.00 | 17.00 |
| 50207-К5 | Шариковый радиальный однорядный подшипник. Повышенная грузоподъемность. | 35.00 | 72.00 | 17.00 |
| 50207-АЕ | Шариковый радиальный однорядный подшипник. Сепаратор из текстолита.. Повышенная грузоподъемность. | 35.00 | 72.00 | 17.00 |
| 55-32207 Б2Т | Роликовый радиальный однорядный подшипник. Температура отпуска. 160°. Сепаратор из безоловянистой бронзы.. | 35.00 | 72.00 | 17.00 |
| 6-180207 А | Шариковый радиальный однорядный подшипник. Повышенная грузоподъемность. | 35.00 | 72.00 | 17.00 |
| 6-180207 АК | Шариковый радиальный однорядный подшипник. Повышенная грузоподъемность. | 35.00 | 72.00 | 17.00 |
| 6-180207 АС17Ш1 | Шариковый радиальный однорядный подшипник. Смазка Литол-24. Повышенная грузоподъемность. Нормы шумности. | 35.00 | 72.00 | 17.00 |
| 6-180207 С17 | Шариковый радиальный однорядный подшипник. Смазка Литол-24. | 35.00 | 72.00 | 17.00 |
Способы доставки
Отправка через ведущие транспортные и курьерские компании: ПЭК, Деловые Линии, СДЭК, Байкал-Сервис, Энергия, КИТ, ЖелДорЭкспедиция.
Самовывоз возможен напрямую со склада в Москве.
Сроки доставки
Срок зависит от региона и выбранной транспортной компании. Все заказы комплектуются и отправляются в кратчайшие сроки со склада в Москве.
Надёжность и сохранность
Вся продукция упаковывается с учётом требований транспортировки. Мы гарантируем, что подшипники и комплектующие прибудут к заказчику в полной сохранности.
Доставка в страны ЕАЭС
Мы работаем с проверенными логистическими партнёрами, что позволяет оперативно доставлять заказы в Беларусь, Казахстан, Армению и другие страны ЕАЭС.
Варианты оплаты:
Минимальная сумма заказа и скидки:
Документы и гарантии:
Да, конечно! Наши технические специалисты готовы помочь вам с подбором точного аналога или замены подшипника. Просто позвоните нам по телефону +7 (495) 104-99-04 или напишите на почту zakaz@podsnab.ru.
Для оперативной консультации подготовьте, пожалуйста, имеющиеся данные: маркировку, размеры, тип оборудования или артикул старого подшипника.
Да, конечно! Мы высоко ценим долгосрочное сотрудничество и доверие клиентов по всей России. Для постоянных клиентов действует персональная система скидок.
Условия формируются индивидуально и зависят от:
Чтобы узнать свои условия и получить максимально выгодное предложение, свяжитесь с персональным менеджером или напишите нам на почту zakaz@podsnab.ru.
Вы можете оформить заказ несколькими способами:
Для оформления заказа от юридического лица свяжитесь с нашим отделом по работе с корпоративными клиентами по телефону +7 (495) 104-99-04 или напишите на email zakaz@podsnab.ru, прикрепив реквизиты вашей организации.
Мы оперативно подготовим коммерческое предложение и выставим счет.
Возврат товара надлежащего качества возможен в течение 10 дней с момента получения, если товар не был в употреблении, сохранен товарный вид, упаковка не вскрывалась и присутствуют все сопроводительные документы.
Возврат денежных средств осуществляется в течение 10 рабочих дней после проверки товара складом.
В соответствии с законодательством возврату не подлежат подшипники надлежащего качества, если отсутствует оригинальная упаковка или имеются следы монтажа.
В случае выявления брака или гарантийного случая мы гарантируем возврат или обмен товара.
Да, гарантийный срок хранения устанавливается заводом-изготовителем и в среднем составляет 2 года при соблюдении условий хранения: сухое помещение, оригинальная упаковка и смазка.
Точный срок для конкретного типа подшипника уточняйте у наших менеджеров.
Пн–Пт: с 8:00 до 17:00 (МСК).
Сб–Вс: выходные дни.
Заказы на сайте принимаются круглосуточно. Заявки, поступившие после окончания рабочего дня, обрабатываются на следующий рабочий день.
Минимальная сумма заказа для доставки составляет 3000 рублей. Самовывоз со склада возможен на любую сумму при наличии товара.
ООО «УралТехГрупп»
ИНН: 7415093830
КПП: 772401001
ОГРН: 1167456069021
Банк: ПАО Сбербанк
Р/с: 40702810838000475273
К/с: 30101810400000000225
БИК: 044525225
У подшипника 6-46207 Е пока нет отзывов. Вы можете стать первым покупателем, поделившимся своим мнением.