Поиск подшипника
Статьи
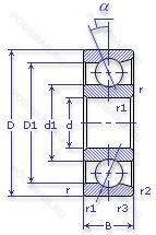
6-46220 АЛ — Шариковый радиально-упорный однорядный подшипник, модификация основного исполнения 46220, производство ГПЗ.
Размер подшипника: 100x180x34 мм.
Сепаратор из латуни, повышенная грузоподъемность.
Государственный стандарт ГОСТ
646220АЛ
В наличии
| Обозначение | Конструктивные изменения |
|---|---|
| 8-46220 АЛ | Сепаратор из латуни.. Повышенная грузоподъемность. |
| Т-46220 АЛ | Сепаратор из латуни.. Повышенная грузоподъемность. |
| 5-46220 АЛШ2 | Сепаратор из латуни.. Нормы шумности. Повышенная грузоподъемность. |
| 6-46220 | Шариковый радиально-упорный однорядный подшипник. |
| 46220-Е | Сепаратор из текстолита.. |
| 46220 | Шариковый радиально-упорный однорядный подшипник. Основное конструктивное исполнение. |
| 2-46220 К | «Замок» (скос) на внутреннем кольце плюс массивный сепаратор из текстолита. |
| 2-46220 Л | Сепаратор из латуни.. |
| 4-46220 К | «Замок» (скос) на внутреннем кольце плюс массивный сепаратор из текстолита. |
| 4-46220 Л | Сепаратор из латуни.. |
| 2-46220-АЛ | Сепаратор из латуни.. Повышенная грузоподъемность. |
| 4-46220-АЛ | Сепаратор из латуни.. Повышенная грузоподъемность. |
| 6-46220 Л | Сепаратор из латуни.. |
| 46220-Л | Сепаратор из латуни.. |
| 46220-АЛ | Сепаратор из латуни.. Повышенная грузоподъемность. |
| 46220К | «Замок» (скос) на внутреннем кольце плюс массивный сепаратор из текстолита. |
| 5-46220 АЛ | Сепаратор из латуни.. Повышенная грузоподъемность. |
| 5-46220 К | «Замок» (скос) на внутреннем кольце плюс массивный сепаратор из текстолита. |
| 5-46220 Л | Сепаратор из латуни.. |
Модификации шарикового подшипника 6-46220 АЛ — это измененное основное конструктивное исполнение 46220, основные размеры (100x180x34) не отличаются.
| Обозначение | Гост | Конструктивные особенности |
|---|---|---|
| 176220-БТ | ГОСТ | Температура отпуска. 160°. Сепаратор из безоловянистой бронзы.. |
| 26220К | ГОСТ | «Замок» (скос) на внутреннем кольце плюс массивный сепаратор из текстолита. |
| 36220-Л | ГОСТ | Сепаратор из латуни.. |
| 36220АЛ | ГОСТ | Сепаратор из латуни.. Повышенная грузоподъемность. |
| 36220К | ГОСТ | «Замок» (скос) на внутреннем кольце плюс массивный сепаратор из текстолита. |
| 36220К6 | ГОСТ | «Замок» (скос) на внутреннем кольце. |
| 6-36220 АЛ | ГОСТ | Сепаратор из латуни.. Повышенная грузоподъемность. |
| 6-36220 Л | ГОСТ | Сепаратор из латуни.. |
| 6-66220 Л | ГОСТ | Сепаратор из латуни.. |
| 66-220-АЛ | ГОСТ | Сепаратор из латуни.. Повышенная грузоподъемность. |
| 66220-АЛ1 | ГОСТ | Сепаратор из латуни.. Повышенная грузоподъемность. |
| 66220-Л | ГОСТ | Сепаратор из латуни.. |
| 5-176220 Р2У | ГОСТ | Дополнительные технические требования. Детали из теплоустойчивой (быстрорежущие) стали.. |
| 5-36220 К | ГОСТ | «Замок» (скос) на внутреннем кольце плюс массивный сепаратор из текстолита. |
| 5-66220 АЛ | ГОСТ | Сепаратор из латуни.. Повышенная грузоподъемность. |
| 6-126220 Б2 | ГОСТ | Сепаратор из безоловянистой бронзы.. |
| 6-126220 Б2Т | ГОСТ | Температура отпуска. 160°. Сепаратор из безоловянистой бронзы.. |
| 6-176220 БТ | ГОСТ | Температура отпуска. 160°. Сепаратор из безоловянистой бронзы.. |
| 6-176220 БУТ | ГОСТ | Дополнительные технические требования. Температура отпуска. 160°. Сепаратор из безоловянистой бронзы.. |
| 6-176220 Д1Т | ГОСТ | Температура отпуска. 160°. Сепаратор из алюминиевого сплава.. |
Аналог шарикового подшипника 6-46220 АЛ — это подшипник такого же размера dx100,Dx180,Bx34, типа и конструкции.
| Обозначение | Конструктивные особенности | Внутренний (d) | Наружный (D) | Ширина (B) |
|---|---|---|---|---|
| 6220LU | Шариковый радиальный однорядный подшипник. Двухкромочное нитриловое контактное уплотнение. | 100.00 | 180.00 | 34.00 |
| 6220ZZNR | Шариковый радиальный однорядный подшипник. Стальная шайба. Канавка и стопорное кольцо на наружном кольце. | 100.00 | 180.00 | 34.00 |
| 6220-RS1 | Шариковый радиальный однорядный подшипник. Резиновое уплотнение с одной стороны. | 100.00 | 180.00 | 34.00 |
| 6220-2Z/VA228 | Шариковый радиальный однорядный подшипник. Защитные металлические шайбы с обеих сторон подшипника. Подшипник для работы при высоких температурах (+350℃). | 100.00 | 180.00 | 34.00 |
| 6220EE | Шариковый радиальный однорядный подшипник. Контактные уплотнения с двух сторон. | 100.00 | 180.00 | 34.00 |
| S6220-2RS | Шариковый радиальный однорядный подшипник. Резиновые уплотнения с каждой стороны подшипника. | 100.00 | 180.00 | 34.00 |
| 2-220 Е1 | Шариковый радиальный однорядный подшипник. Сепаратор из текстолита.. | 100.00 | 180.00 | 34.00 |
| 220-A | Шариковый радиальный однорядный подшипник. Двухрядный радиально-упорный шарикоподшипник без отверстия для смазки. | 100.00 | 180.00 | 34.00 |
| 220-А | Шариковый радиальный однорядный подшипник. Повышенная грузоподъемность. | 100.00 | 180.00 | 34.00 |
| 220-АЛ | Шариковый радиальный однорядный подшипник. Сепаратор из латуни.. Повышенная грузоподъемность. | 100.00 | 180.00 | 34.00 |
| 4-220 Е1 | Шариковый радиальный однорядный подшипник. Сепаратор из текстолита.. | 100.00 | 180.00 | 34.00 |
| 7602100-TVP | Шариковый упорный однорядный подшипник. Molded Snap-Type Cage Of Glass Fibre Reinforced Polyamide. Rolling Element Riding. | 100.00 | 180.00 | 34.00 |
| 42220-Л | Роликовый радиальный однорядный подшипник. Сепаратор из латуни.. | 100.00 | 180.00 | 34.00 |
| 5-220 А | Шариковый радиальный однорядный подшипник. Повышенная грузоподъемность. | 100.00 | 180.00 | 34.00 |
| 5-220 АЛ | Шариковый радиальный однорядный подшипник. Сепаратор из латуни.. Повышенная грузоподъемность. | 100.00 | 180.00 | 34.00 |
Способы доставки
Отправка через ведущие транспортные и курьерские компании: ПЭК, Деловые Линии, СДЭК, Байкал-Сервис, Энергия, КИТ, ЖелДорЭкспедиция.
Самовывоз возможен напрямую со склада в Москве.
Сроки доставки
Срок зависит от региона и выбранной транспортной компании. Все заказы комплектуются и отправляются в кратчайшие сроки со склада в Москве.
Надёжность и сохранность
Вся продукция упаковывается с учётом требований транспортировки. Мы гарантируем, что подшипники и комплектующие прибудут к заказчику в полной сохранности.
Доставка в страны ЕАЭС
Мы работаем с проверенными логистическими партнёрами, что позволяет оперативно доставлять заказы в Беларусь, Казахстан, Армению и другие страны ЕАЭС.
Варианты оплаты:
Минимальная сумма заказа и скидки:
Документы и гарантии:
Да, конечно! Наши технические специалисты готовы помочь вам с подбором точного аналога или замены подшипника. Просто позвоните нам по телефону +7 (495) 104-99-04 или напишите на почту zakaz@podsnab.ru.
Для оперативной консультации подготовьте, пожалуйста, имеющиеся данные: маркировку, размеры, тип оборудования или артикул старого подшипника.
Да, конечно! Мы высоко ценим долгосрочное сотрудничество и доверие клиентов по всей России. Для постоянных клиентов действует персональная система скидок.
Условия формируются индивидуально и зависят от:
Чтобы узнать свои условия и получить максимально выгодное предложение, свяжитесь с персональным менеджером или напишите нам на почту zakaz@podsnab.ru.
Вы можете оформить заказ несколькими способами:
Для оформления заказа от юридического лица свяжитесь с нашим отделом по работе с корпоративными клиентами по телефону +7 (495) 104-99-04 или напишите на email zakaz@podsnab.ru, прикрепив реквизиты вашей организации.
Мы оперативно подготовим коммерческое предложение и выставим счет.
Возврат товара надлежащего качества возможен в течение 10 дней с момента получения, если товар не был в употреблении, сохранен товарный вид, упаковка не вскрывалась и присутствуют все сопроводительные документы.
Возврат денежных средств осуществляется в течение 10 рабочих дней после проверки товара складом.
В соответствии с законодательством возврату не подлежат подшипники надлежащего качества, если отсутствует оригинальная упаковка или имеются следы монтажа.
В случае выявления брака или гарантийного случая мы гарантируем возврат или обмен товара.
Да, гарантийный срок хранения устанавливается заводом-изготовителем и в среднем составляет 2 года при соблюдении условий хранения: сухое помещение, оригинальная упаковка и смазка.
Точный срок для конкретного типа подшипника уточняйте у наших менеджеров.
Пн–Пт: с 8:00 до 17:00 (МСК).
Сб–Вс: выходные дни.
Заказы на сайте принимаются круглосуточно. Заявки, поступившие после окончания рабочего дня, обрабатываются на следующий рабочий день.
Минимальная сумма заказа для доставки составляет 3000 рублей. Самовывоз со склада возможен на любую сумму при наличии товара.
ООО «УралТехГрупп»
ИНН: 7415093830
КПП: 772401001
ОГРН: 1167456069021
Банк: ПАО Сбербанк
Р/с: 40702810838000475273
К/с: 30101810400000000225
БИК: 044525225
У подшипника 6-46220 АЛ пока нет отзывов. Вы можете стать первым покупателем, поделившимся своим мнением.