Поиск подшипника
Статьи
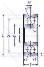
6-46224 Л — Шариковый радиально-упорный однорядный подшипник, модификация основного исполнения 46224, производство ГПЗ.
Размер подшипника: 120x215x40 мм.
Сепаратор из латуни.
Аналоги: 7224ACMBP6.
Государственный стандарт ГОСТ
646224Л
В наличии
| Обозначение | Конструктивные изменения |
|---|---|
| Т-46224 Л | Сепаратор из латуни.. |
| 2-46224 Л | Сепаратор из латуни.. |
| 4-46224-Л | Сепаратор из латуни.. |
| 8-46224 Л | Сепаратор из латуни.. |
| 4-46224-А1ЛШ3 | Сепаратор из латуни.. Повышенная грузоподъемность. Нормы шумности. |
| 6-46224 АЛ | Сепаратор из латуни.. Повышенная грузоподъемность. |
| 46224 | Шариковый радиально-упорный однорядный подшипник. Основное конструктивное исполнение. |
| 46224-АЛ | Сепаратор из латуни.. Повышенная грузоподъемность. |
| 46224-Л | Сепаратор из латуни.. |
| 46224К | «Замок» (скос) на внутреннем кольце плюс массивный сепаратор из текстолита. |
| 5-46224 Л | Сепаратор из латуни.. |
Модификации шарикового подшипника 6-46224 Л — это измененное основное конструктивное исполнение 46224, основные размеры (120x215x40) не отличаются.
| Обозначение | Гост | Конструктивные особенности |
|---|---|---|
| QJ 224 N2 | ISO | Два установочных паза (выемки), расположенных под углом 180° друг от друга в одной боковой поверхности наружного кольца или шайбе корпуса.. |
| 7224 ACD/HCP4A | ISO | Измененная или модифицированная внутренняя конструкция при неизменных основных размерах. Однорядный с улучшенной конструкцией и углом контакта 25°. |
| S7224 CD/P4A | ISO | Двухкомпонентный штампованный стальной сепаратор с направляющим кольцом. Точность размеров в соответствии с классом допуска ISO 4. точность вращения лучше чем класс допуска ISO 4. |
| S7224 ACD/P4A | ISO | Точность размеров в соответствии с классом допуска ISO 4. точность вращения лучше чем класс допуска ISO 4. Однорядный с улучшенной конструкцией и углом контакта 25°. |
| E 200/120 7CE3 | ISO | Очень высокая грузоподъемность.. 1.1/4. |
| E 200/120 7CE1 | ISO | Очень высокая грузоподъемность.. 1.1/4. |
| E 200/120/S 7CE3 | ISO | Запечатанная версия кулачкового ролика. Очень высокая грузоподъемность.. 1.1/4. |
| E 200/120/S 7CE1 | ISO | Запечатанная версия кулачкового ролика. Очень высокая грузоподъемность.. 1.1/4. |
| 7224HG1UJ74 | ISO | Угол контакта 25°. Преднатяг (Лёгкий. Универсальные подшпники. |
| 7224CG1UJ74 | ISO | Угол контакта 15°. Преднатяг (Лёгкий. Универсальные подшпники. |
| 7224WN MBR | ISO | Sizes 7201K Through 7203WN Have A 20° Угол контакта And A Nylon Cage. Sizes 7204WN through 7218WN have a 40° Угол контакта And A One-Piece. Ball Piloted. Pressed Brass Cage. Larger Sizes 7219WN Through 7230WN Have A 40° Угол контакта And A One-Piece. Outer Ring Piloted High-Strength Machined Bronze Cage. Механически обработанный бронзовый фиксатор. |
| 7224C | ISO | Угол контакта 15°. |
| 7224 A | ISO | Двухрядный радиально-упорный шарикоподшипник без отверстия для смазки. |
| QJ 224 | ISO | Штампованный сепаратор из стального листа. Шариковый подшипник с четырех-точечным контактом. |
| QJ 224 N2 M | ISO | Подшипник с латунным сепаратором. центрированный по телам качения. Два установочных паза (выемки), расположенных под углом 180° друг от друга в одной боковой поверхности наружного кольца или шайбе корпуса.. |
| 7224CPA | ISO | Угол контакта 15 градусов. |
| 7224-BCB-MP | ISO | Массивный латунный сепаратор. центрированный по телам качения. |
| 26224К | ГОСТ | «Замок» (скос) на внутреннем кольце плюс массивный сепаратор из текстолита. |
| 36224К | ГОСТ | «Замок» (скос) на внутреннем кольце плюс массивный сепаратор из текстолита. |
| 36224К6 | ГОСТ | «Замок» (скос) на внутреннем кольце. |
Аналог шарикового подшипника 6-46224 Л — это подшипник такого же размера dx120,Dx215,Bx40, типа и конструкции.
| Обозначение | Конструктивные особенности | Внутренний (d) | Наружный (D) | Ширина (B) |
|---|---|---|---|---|
| 6-32224 БМ | Роликовый радиальный подшипник. Модифицированный контакт.. Сепаратор из безоловянистой бронзы.. | 120.00 | 215.00 | 40.00 |
| 66-224 Л | Шариковый радиальный однорядный подшипник. Сепаратор из латуни.. | 120.00 | 215.00 | 40.00 |
| 7-224 Л1 | Шариковый радиальный однорядный подшипник. Сепаратор из латуни.. | 120.00 | 215.00 | 40.00 |
| 70-32224 ЛМУ | Роликовый радиальный однорядный подшипник. Сепаратор из латуни.. Дополнительные технические требования. Модифицированный контакт.. | 120.00 | 215.00 | 40.00 |
| 6224NR | Шариковый радиальный однорядный подшипник. Канавка и стопорное кольцо на наружном кольце. | 120.00 | 215.00 | 40.00 |
| 6224LLB | Шариковый радиальный однорядный подшипник. Уплотнение бесконтактного типа из синтетического каучука. | 120.00 | 215.00 | 40.00 |
| 6224N | Шариковый радиальный однорядный подшипник. Канавка для стопорного кольца на наружном кольце. | 120.00 | 215.00 | 40.00 |
| 6224-RS1 | Шариковый радиальный однорядный подшипник. Резиновое уплотнение с одной стороны. | 120.00 | 215.00 | 40.00 |
| 224-А | Шариковый радиальный однорядный подшипник. Повышенная грузоподъемность. | 120.00 | 215.00 | 40.00 |
| 224-Л | Шариковый радиальный однорядный подшипник. Сепаратор из латуни.. | 120.00 | 215.00 | 40.00 |
| 224-Л1 | Шариковый радиальный однорядный подшипник. Сепаратор из латуни.. | 120.00 | 215.00 | 40.00 |
| 42224-Л | Роликовый радиальный однорядный подшипник. Сепаратор из латуни.. | 120.00 | 215.00 | 40.00 |
| 42224-М | Роликовый радиальный однорядный подшипник. Модифицированный контакт.. | 120.00 | 215.00 | 40.00 |
| 5-224 Л | Шариковый радиальный однорядный подшипник. Сепаратор из латуни.. | 120.00 | 215.00 | 40.00 |
| 56-32224 БМ | Роликовый радиальный однорядный подшипник. Модифицированный контакт.. Сепаратор из безоловянистой бронзы.. | 120.00 | 215.00 | 40.00 |
Способы доставки
Отправка через ведущие транспортные и курьерские компании: ПЭК, Деловые Линии, СДЭК, Байкал-Сервис, Энергия, КИТ, ЖелДорЭкспедиция.
Самовывоз возможен напрямую со склада в Москве.
Сроки доставки
Срок зависит от региона и выбранной транспортной компании. Все заказы комплектуются и отправляются в кратчайшие сроки со склада в Москве.
Надёжность и сохранность
Вся продукция упаковывается с учётом требований транспортировки. Мы гарантируем, что подшипники и комплектующие прибудут к заказчику в полной сохранности.
Доставка в страны ЕАЭС
Мы работаем с проверенными логистическими партнёрами, что позволяет оперативно доставлять заказы в Беларусь, Казахстан, Армению и другие страны ЕАЭС.
Варианты оплаты:
Минимальная сумма заказа и скидки:
Документы и гарантии:
Да, конечно! Наши технические специалисты готовы помочь вам с подбором точного аналога или замены подшипника. Просто позвоните нам по телефону +7 (495) 104-99-04 или напишите на почту zakaz@podsnab.ru.
Для оперативной консультации подготовьте, пожалуйста, имеющиеся данные: маркировку, размеры, тип оборудования или артикул старого подшипника.
Да, конечно! Мы высоко ценим долгосрочное сотрудничество и доверие клиентов по всей России. Для постоянных клиентов действует персональная система скидок.
Условия формируются индивидуально и зависят от:
Чтобы узнать свои условия и получить максимально выгодное предложение, свяжитесь с персональным менеджером или напишите нам на почту zakaz@podsnab.ru.
Вы можете оформить заказ несколькими способами:
Для оформления заказа от юридического лица свяжитесь с нашим отделом по работе с корпоративными клиентами по телефону +7 (495) 104-99-04 или напишите на email zakaz@podsnab.ru, прикрепив реквизиты вашей организации.
Мы оперативно подготовим коммерческое предложение и выставим счет.
Возврат товара надлежащего качества возможен в течение 10 дней с момента получения, если товар не был в употреблении, сохранен товарный вид, упаковка не вскрывалась и присутствуют все сопроводительные документы.
Возврат денежных средств осуществляется в течение 10 рабочих дней после проверки товара складом.
В соответствии с законодательством возврату не подлежат подшипники надлежащего качества, если отсутствует оригинальная упаковка или имеются следы монтажа.
В случае выявления брака или гарантийного случая мы гарантируем возврат или обмен товара.
Да, гарантийный срок хранения устанавливается заводом-изготовителем и в среднем составляет 2 года при соблюдении условий хранения: сухое помещение, оригинальная упаковка и смазка.
Точный срок для конкретного типа подшипника уточняйте у наших менеджеров.
Пн–Пт: с 8:00 до 17:00 (МСК).
Сб–Вс: выходные дни.
Заказы на сайте принимаются круглосуточно. Заявки, поступившие после окончания рабочего дня, обрабатываются на следующий рабочий день.
Минимальная сумма заказа для доставки составляет 3000 рублей. Самовывоз со склада возможен на любую сумму при наличии товара.
ООО «УралТехГрупп»
ИНН: 7415093830
КПП: 772401001
ОГРН: 1167456069021
Банк: ПАО Сбербанк
Р/с: 40702810838000475273
К/с: 30101810400000000225
БИК: 044525225
У подшипника 6-46224 Л пока нет отзывов. Вы можете стать первым покупателем, поделившимся своим мнением.