Поиск подшипника
Статьи
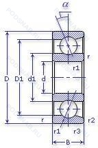
6-46230 АЛ9 — Шариковый радиально-упорный однорядный подшипник, модификация основного исполнения 46230, производство ГПЗ.
Размер подшипника: 150x270x45 мм.
Сепаратор из латуни, повышенная грузоподъемность.
Государственный стандарт ГОСТ
646230АЛ9
В наличии
| Обозначение | Конструктивные изменения |
|---|---|
| 8-46230 Л | Сепаратор из латуни.. |
| 46230-АКЛ | Сепаратор из латуни.. Повышенная грузоподъемность. |
| 46230 | Шариковый радиально-упорный однорядный подшипник. Основное конструктивное исполнение. |
| 4-46230 Л | Сепаратор из латуни.. |
| 6-46230 Л | Сепаратор из латуни.. |
| 46230-АЛ9 | Повышенная грузоподъемность. Сепаратор из латуни.. |
| 46230-Л | Сепаратор из латуни.. |
| 46230-Л9 | Сепаратор из латуни.. |
| 46230К | «Замок» (скос) на внутреннем кольце плюс массивный сепаратор из текстолита. |
| 5-46230 Л | Сепаратор из латуни.. |
Модификации шарикового подшипника 6-46230 АЛ9 — это измененное основное конструктивное исполнение 46230, основные размеры (150x270x45) не отличаются.
| Обозначение | Гост | Конструктивные особенности |
|---|---|---|
| 7230CP5 | ISO | Класс точности. |
| QJ 230 N2 | ISO | Два установочных паза (выемки), расположенных под углом 180° друг от друга в одной боковой поверхности наружного кольца или шайбе корпуса.. |
| 7230WN MBR | ISO | Sizes 7201K Through 7203WN Have A 20° Угол контакта And A Nylon Cage. Sizes 7204WN through 7218WN have a 40° Угол контакта And A One-Piece. Ball Piloted. Pressed Brass Cage. Larger Sizes 7219WN Through 7230WN Have A 40° Угол контакта And A One-Piece. Outer Ring Piloted High-Strength Machined Bronze Cage. Механически обработанный бронзовый фиксатор. |
| 7230 CTBP4 | ISO | Шариковый радиально-упорный однорядный подшипник. |
| 7230 ATBP4 | ISO | Шариковый радиально-упорный однорядный подшипник. |
| 7230C | ISO | Угол контакта 15°. |
| Q230 | ISO | Шариковый радиально-упорный однорядный подшипник. |
| QJ 230 | ISO | Штампованный сепаратор из стального листа. Шариковый подшипник с четырех-точечным контактом. |
| 7230CPA | ISO | Угол контакта 15 градусов. |
| 7230-BCB-MP | ISO | Массивный латунный сепаратор. центрированный по телам качения. |
| 7230A5TRSU | ISO | Шариковый радиально-упорный однорядный подшипник. |
| 7230CTRSU | ISO | Шариковый радиально-упорный однорядный подшипник. |
| 26230 | ГОСТ | Шариковый радиально-упорный однорядный подшипник. |
| 66230 | ГОСТ | Шариковый радиально-упорный однорядный подшипник. |
| 116230 | ГОСТ | Шариковый радиально-упорный однорядный подшипник. |
| 176230 | ГОСТ | Шариковый радиально-упорный однорядный подшипник. |
| 26230К | ГОСТ | «Замок» (скос) на внутреннем кольце плюс массивный сепаратор из текстолита. |
| 36230К | ГОСТ | «Замок» (скос) на внутреннем кольце плюс массивный сепаратор из текстолита. |
| 36230К6 | ГОСТ | «Замок» (скос) на внутреннем кольце. |
Аналог шарикового подшипника 6-46230 АЛ9 — это подшипник такого же размера dx150,Dx270,Bx45, типа и конструкции.
| Обозначение | Конструктивные особенности | Внутренний (d) | Наружный (D) | Ширина (B) |
|---|---|---|---|---|
| 6230Z | Шариковый радиальный однорядный подшипник. Стальная шайба. | 150.00 | 270.00 | 45.00 |
| 6230ZX | Шариковый радиальный однорядный подшипник. Съемная защитная шайба с одной стороны. | 150.00 | 270.00 | 45.00 |
| 6-230 АК | Шариковый радиальный однорядный подшипник. Повышенная грузоподъемность. | 150.00 | 270.00 | 45.00 |
| 6-230 АКЛ | Шариковый радиальный однорядный подшипник. Сепаратор из латуни.. Повышенная грузоподъемность. | 150.00 | 270.00 | 45.00 |
| 6-230 Л | Шариковый радиальный однорядный подшипник. Сепаратор из латуни.. | 150.00 | 270.00 | 45.00 |
| 66-230 АКЛ | Шариковый радиальный однорядный подшипник. Сепаратор из латуни.. Повышенная грузоподъемность. | 150.00 | 270.00 | 45.00 |
| 66-230 Л | Шариковый радиальный однорядный подшипник. Сепаратор из латуни.. | 150.00 | 270.00 | 45.00 |
| 70-230 АК3 | Шариковый радиальный однорядный подшипник. Повышенная грузоподъемность. | 150.00 | 270.00 | 45.00 |
| 70-230 АКЛ | Шариковый радиальный однорядный подшипник. Сепаратор из латуни.. Повышенная грузоподъемность. | 150.00 | 270.00 | 45.00 |
| 70-230 Л | Шариковый радиальный однорядный подшипник. Сепаратор из латуни.. | 150.00 | 270.00 | 45.00 |
| 70-32230 М | Роликовый радиальный подшипник. Модифицированный контакт.. | 150.00 | 270.00 | 45.00 |
| 6230LLU | Шариковый радиальный однорядный подшипник. Контактное резиновое уплотнение с двух сторон. | 150.00 | 270.00 | 45.00 |
| 230-Л | Шариковый радиальный однорядный подшипник. Сепаратор из латуни.. | 150.00 | 270.00 | 45.00 |
| 42230-Л | Роликовый радиальный однорядный подшипник. Сепаратор из латуни.. | 150.00 | 270.00 | 45.00 |
| 42230-М | Роликовый радиальный однорядный подшипник. Модифицированный контакт.. | 150.00 | 270.00 | 45.00 |
Способы доставки
Отправка через ведущие транспортные и курьерские компании: ПЭК, Деловые Линии, СДЭК, Байкал-Сервис, Энергия, КИТ, ЖелДорЭкспедиция.
Самовывоз возможен напрямую со склада в Москве.
Сроки доставки
Срок зависит от региона и выбранной транспортной компании. Все заказы комплектуются и отправляются в кратчайшие сроки со склада в Москве.
Надёжность и сохранность
Вся продукция упаковывается с учётом требований транспортировки. Мы гарантируем, что подшипники и комплектующие прибудут к заказчику в полной сохранности.
Доставка в страны ЕАЭС
Мы работаем с проверенными логистическими партнёрами, что позволяет оперативно доставлять заказы в Беларусь, Казахстан, Армению и другие страны ЕАЭС.
Варианты оплаты:
Минимальная сумма заказа и скидки:
Документы и гарантии:
Да, конечно! Наши технические специалисты готовы помочь вам с подбором точного аналога или замены подшипника. Просто позвоните нам по телефону +7 (495) 104-99-04 или напишите на почту zakaz@podsnab.ru.
Для оперативной консультации подготовьте, пожалуйста, имеющиеся данные: маркировку, размеры, тип оборудования или артикул старого подшипника.
Да, конечно! Мы высоко ценим долгосрочное сотрудничество и доверие клиентов по всей России. Для постоянных клиентов действует персональная система скидок.
Условия формируются индивидуально и зависят от:
Чтобы узнать свои условия и получить максимально выгодное предложение, свяжитесь с персональным менеджером или напишите нам на почту zakaz@podsnab.ru.
Вы можете оформить заказ несколькими способами:
Для оформления заказа от юридического лица свяжитесь с нашим отделом по работе с корпоративными клиентами по телефону +7 (495) 104-99-04 или напишите на email zakaz@podsnab.ru, прикрепив реквизиты вашей организации.
Мы оперативно подготовим коммерческое предложение и выставим счет.
Возврат товара надлежащего качества возможен в течение 10 дней с момента получения, если товар не был в употреблении, сохранен товарный вид, упаковка не вскрывалась и присутствуют все сопроводительные документы.
Возврат денежных средств осуществляется в течение 10 рабочих дней после проверки товара складом.
В соответствии с законодательством возврату не подлежат подшипники надлежащего качества, если отсутствует оригинальная упаковка или имеются следы монтажа.
В случае выявления брака или гарантийного случая мы гарантируем возврат или обмен товара.
Да, гарантийный срок хранения устанавливается заводом-изготовителем и в среднем составляет 2 года при соблюдении условий хранения: сухое помещение, оригинальная упаковка и смазка.
Точный срок для конкретного типа подшипника уточняйте у наших менеджеров.
Пн–Пт: с 8:00 до 17:00 (МСК).
Сб–Вс: выходные дни.
Заказы на сайте принимаются круглосуточно. Заявки, поступившие после окончания рабочего дня, обрабатываются на следующий рабочий день.
Минимальная сумма заказа для доставки составляет 3000 рублей. Самовывоз со склада возможен на любую сумму при наличии товара.
ООО «УралТехГрупп»
ИНН: 7415093830
КПП: 772401001
ОГРН: 1167456069021
Банк: ПАО Сбербанк
Р/с: 40702810838000475273
К/с: 30101810400000000225
БИК: 044525225
У подшипника 6-46230 АЛ9 пока нет отзывов. Вы можете стать первым покупателем, поделившимся своим мнением.