Поиск подшипника
Статьи
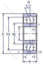
6-46308 Е5 — Шариковый радиально-упорный однорядный подшипник, модификация основного исполнения 46308, производство ГПЗ.
Размер подшипника: 40x90x23 мм.
Сепаратор из текстолита.
Государственный стандарт ГОСТ
646308Е5
В наличии
| Обозначение | Конструктивные изменения |
|---|---|
| 8-46308-Е2 | Сепаратор из пластических материалов.. |
| 8-46308-Л | Сепаратор из латуни.. |
| Т-46308 Е5 | Сепаратор из текстолита.. |
| Т-46308 Л | Сепаратор из латуни.. |
| 2-46308 Л | Сепаратор из латуни.. |
| 4-46308 Е | Сепаратор из текстолита.. |
| 46308-Е5 | Сепаратор из текстолита.. |
| 76-46308 Е5 | Сепаратор из текстолита.. |
| 8-46308-Е5 | Сепаратор из текстолита.. |
| 46308 | Шариковый радиально-упорный однорядный подшипник. Основное конструктивное исполнение. |
| 4-46308-Е2 | Сепаратор из пластических материалов.. |
| 4-46308-Л | Сепаратор из латуни.. |
| 6-46308 | Шариковый радиально-упорный однорядный подшипник. |
| 6-46308 Е | Сепаратор из текстолита.. |
| 6-46308 Е2 | Сепаратор из пластических материалов.. |
| 6-46308 Л | Сепаратор из латуни.. |
| 46308-Е | Сепаратор из текстолита.. |
| 46308-Л | Сепаратор из латуни.. |
| 46308E5 | Смазочные отверстия и канавки во внутреннем кольце. |
| 46308К | «Замок» (скос) на внутреннем кольце плюс массивный сепаратор из текстолита. |
| 5-46308 Е2 | Сепаратор из пластических материалов.. |
| 5-46308 Е5 | Сепаратор из текстолита.. |
| 5-46308 Л | Сепаратор из латуни.. |
Модификации шарикового подшипника 6-46308 Е5 — это измененное основное конструктивное исполнение 46308, основные размеры (40x90x23) не отличаются.
| Обозначение | Гост | Конструктивные особенности |
|---|---|---|
| 36308-Л | ГОСТ | Сепаратор из латуни.. |
| 4-36308 К | ГОСТ | «Замок» (скос) на внутреннем кольце плюс массивный сепаратор из текстолита. |
| 6-36308 Е | ГОСТ | Сепаратор из текстолита.. |
| 6-36308 Е2 | ГОСТ | Сепаратор из пластических материалов.. |
| 6-36308 Е5 | ГОСТ | Сепаратор из текстолита.. |
| 6-36308 Л | ГОСТ | Сепаратор из латуни.. |
| 6-66308 Л | ГОСТ | Сепаратор из латуни.. |
| 66308-АЛ1 | ГОСТ | Сепаратор из латуни.. Повышенная грузоподъемность. |
| 66308К | ГОСТ | «Замок» (скос) на внутреннем кольце плюс массивный сепаратор из текстолита. |
| 76-36308 Е2 | ГОСТ | Сепаратор из пластических материалов.. |
| 45-176308 ЕШ2 | ГОСТ | Сепаратор из текстолита.. Нормы шумности. |
| 5-36308 Е | ГОСТ | Сепаратор из текстолита.. |
| 5-36308 Е2 | ГОСТ | Сепаратор из пластических материалов.. |
| 5-36308 Е5 | ГОСТ | Сепаратор из текстолита.. |
| 5-36308 К | ГОСТ | «Замок» (скос) на внутреннем кольце плюс массивный сепаратор из текстолита. |
| 5-36308 Л | ГОСТ | Сепаратор из латуни.. |
| 5-36308 Р | ГОСТ | Детали из теплоустойчивой (быстрорежущие) стали.. |
| 6-126308 Б | ГОСТ | Сепаратор из безоловянистой бронзы.. |
| 6-126308 Б1 | ГОСТ | Сепаратор из безоловянистой бронзы.. |
| 6-176308 Е | ГОСТ | Сепаратор из текстолита.. |
Аналог шарикового подшипника 6-46308 Е5 — это подшипник такого же размера dx40,Dx90,Bx23, типа и конструкции.
| Обозначение | Конструктивные особенности | Внутренний (d) | Наружный (D) | Ширина (B) |
|---|---|---|---|---|
| 42308-КМ | Роликовый радиальный однорядный подшипник. Кольцевая проточка на середине цилиндрической наружной поверхности наружного кольца плюс три отверстия для смазки. Модифицированный контакт.. | 40.00 | 90.00 | 23.00 |
| 42308-Л | Роликовый радиальный однорядный подшипник. Сепаратор из латуни.. | 40.00 | 90.00 | 23.00 |
| 42308-ЛМ | Роликовый радиальный однорядный подшипник. Сепаратор из латуни.. Модифицированный контакт.. | 40.00 | 90.00 | 23.00 |
| 42308KM | Роликовый радиальный однорядный подшипник. Type Of Model. | 40.00 | 90.00 | 23.00 |
| 42308ЛM | Роликовый радиальный однорядный подшипник. Подшипник с латунным сепаратором. центрированный по телам качения. Сепаратор из латуни.. | 40.00 | 90.00 | 23.00 |
| 5-308 Е5 | Шариковый радиальный однорядный подшипник. Сепаратор из текстолита.. | 40.00 | 90.00 | 23.00 |
| 5-308 ЕT8Ш2 | Шариковый радиальный однорядный подшипник. Old Designation. New Designation is TB (Segment Cage Type. Code TB)=Window-Type Cage Of Fabric Reinforced Phenolic Resin. Inner Ring Centered. Сепаратор из текстолита.. Нормы шумности. | 40.00 | 90.00 | 23.00 |
| 5-308 ЕШ2 | Шариковый радиальный однорядный подшипник. Сепаратор из текстолита.. Нормы шумности. | 40.00 | 90.00 | 23.00 |
| 5-308 УШ | Шариковый радиальный однорядный подшипник. Дополнительные технические требования. Нормы шумности. | 40.00 | 90.00 | 23.00 |
| 5-32308 Р | Роликовый радиальный однорядный подшипник. Детали из теплоустойчивой (быстрорежущие) стали.. | 40.00 | 90.00 | 23.00 |
| 50308-А | Шариковый радиальный однорядный подшипник. Повышенная грузоподъемность. | 40.00 | 90.00 | 23.00 |
| 50308-А1 | Шариковый радиальный однорядный подшипник. Повышенная грузоподъемность. | 40.00 | 90.00 | 23.00 |
| 50308-К | Шариковый радиальный однорядный подшипник. «Замок» (скос) на внутреннем кольце плюс массивный сепаратор из текстолита. | 40.00 | 90.00 | 23.00 |
| 550308А | Шариковый радиальный однорядный подшипник. Повышенная грузоподъемность. | 40.00 | 90.00 | 23.00 |
| 6-1308 Л | Шариковый радиальный двухрядный подшипник. Сепаратор из латуни.. | 40.00 | 90.00 | 23.00 |
Способы доставки
Отправка через ведущие транспортные и курьерские компании: ПЭК, Деловые Линии, СДЭК, Байкал-Сервис, Энергия, КИТ, ЖелДорЭкспедиция.
Самовывоз возможен напрямую со склада в Москве.
Сроки доставки
Срок зависит от региона и выбранной транспортной компании. Все заказы комплектуются и отправляются в кратчайшие сроки со склада в Москве.
Надёжность и сохранность
Вся продукция упаковывается с учётом требований транспортировки. Мы гарантируем, что подшипники и комплектующие прибудут к заказчику в полной сохранности.
Доставка в страны ЕАЭС
Мы работаем с проверенными логистическими партнёрами, что позволяет оперативно доставлять заказы в Беларусь, Казахстан, Армению и другие страны ЕАЭС.
Варианты оплаты:
Минимальная сумма заказа и скидки:
Документы и гарантии:
Да, конечно! Наши технические специалисты готовы помочь вам с подбором точного аналога или замены подшипника. Просто позвоните нам по телефону +7 (495) 104-99-04 или напишите на почту zakaz@podsnab.ru.
Для оперативной консультации подготовьте, пожалуйста, имеющиеся данные: маркировку, размеры, тип оборудования или артикул старого подшипника.
Да, конечно! Мы высоко ценим долгосрочное сотрудничество и доверие клиентов по всей России. Для постоянных клиентов действует персональная система скидок.
Условия формируются индивидуально и зависят от:
Чтобы узнать свои условия и получить максимально выгодное предложение, свяжитесь с персональным менеджером или напишите нам на почту zakaz@podsnab.ru.
Вы можете оформить заказ несколькими способами:
Для оформления заказа от юридического лица свяжитесь с нашим отделом по работе с корпоративными клиентами по телефону +7 (495) 104-99-04 или напишите на email zakaz@podsnab.ru, прикрепив реквизиты вашей организации.
Мы оперативно подготовим коммерческое предложение и выставим счет.
Возврат товара надлежащего качества возможен в течение 10 дней с момента получения, если товар не был в употреблении, сохранен товарный вид, упаковка не вскрывалась и присутствуют все сопроводительные документы.
Возврат денежных средств осуществляется в течение 10 рабочих дней после проверки товара складом.
В соответствии с законодательством возврату не подлежат подшипники надлежащего качества, если отсутствует оригинальная упаковка или имеются следы монтажа.
В случае выявления брака или гарантийного случая мы гарантируем возврат или обмен товара.
Да, гарантийный срок хранения устанавливается заводом-изготовителем и в среднем составляет 2 года при соблюдении условий хранения: сухое помещение, оригинальная упаковка и смазка.
Точный срок для конкретного типа подшипника уточняйте у наших менеджеров.
Пн–Пт: с 8:00 до 17:00 (МСК).
Сб–Вс: выходные дни.
Заказы на сайте принимаются круглосуточно. Заявки, поступившие после окончания рабочего дня, обрабатываются на следующий рабочий день.
Минимальная сумма заказа для доставки составляет 3000 рублей. Самовывоз со склада возможен на любую сумму при наличии товара.
ООО «УралТехГрупп»
ИНН: 7415093830
КПП: 772401001
ОГРН: 1167456069021
Банк: ПАО Сбербанк
Р/с: 40702810838000475273
К/с: 30101810400000000225
БИК: 044525225
У подшипника 6-46308 Е5 пока нет отзывов. Вы можете стать первым покупателем, поделившимся своим мнением.