Поиск подшипника
Статьи
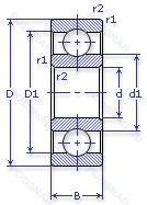
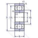
6902 — Шариковый радиально-упорный однорядный подшипник, основное исполнение, производство ГПЗ.
Размер подшипника: 15x34x7 мм.
Аналоги: EE5P6.
Государственный стандарт ГОСТ
6902
В наличии
| Обозначение | Гост | Конструктивные особенности |
|---|---|---|
| 5-6015-Л | ГОСТ | Сепаратор из латуни.. |
| 6-6015 | ГОСТ | Шариковый радиально-упорный однорядный подшипник. |
| 6015 | ГОСТ | Шариковый радиально-упорный однорядный подшипник. |
| 6-6015 Л1 | ГОСТ | Сепаратор из латуни.. |
| 5-6015-Л1 | ГОСТ | Сепаратор из латуни.. |
Аналог шарикового подшипника 6902 — это подшипник такого же размера dx15,Dx34,Bx7, типа и конструкции.
| Обозначение | Конструктивные особенности | Внутренний (d) | Наружный (D) | Ширина (B) |
|---|---|---|---|---|
| R10VV C3 | Подшипник однорядный шариковый радиальный. Внутренний зазор больше нормального. Защитные металлические шайбы с двух сторон подшипника (лучше. чем ZZ (пригодно для использования в условиях умеренной запыленности)) Бесконтактного уплотнения. | 15.88 | 34.93 | 7.14 |
| EE5/C3 | Подшипник однорядный шариковый радиальный. Внутренний зазор больше нормального. | 15.88 | 34.93 | 7.14 |
| S7K C3 | Подшипник однорядный шариковый радиальный. Внутренний зазор больше нормального. Conrad (Non-Filling Slot) Type. | 15.88 | 34.93 | 7.14 |
| R10 2RSR YC CN SD8 | Подшипник однорядный шариковый радиальный. Нормальный уровень радиального внутреннего зазора (не маркируется). Резиновые уплотнения с каждой стороны подшипника. 2 - Piece Rolling Element Centered Pressed Brass Cleated (Claw) Type Cage. | 15.88 | 34.93 | 7.15 |
| KLNJ5/8C3 | Подшипник однорядный шариковый радиальный. Внутренний зазор больше нормального. | 15.88 | 34.93 | 7.14 |
| KLNJ5/8-2RSRY | Подшипник однорядный шариковый радиальный. Резиновые уплотнения с каждой стороны подшипника. Штампованный латунный фиксатор. Направляемые элементы качения. | 15.88 | 34.93 | 7.15 |
| S7KD | Подшипник однорядный шариковый радиальный. Сверхмалый размер дюйма. Металлическая защитная шайба с одной стороны. Conrad (Non-Filling Slot) Type. | 15.88 | 34.92 | 7.14 |
| E14-15 | Разборной (магнетный) радиально-упорный однорядный шариковый подшипник. Distance Between Beginning Of The Rail And First Hole In MM. | 14.00 | 35.00 | 8.00 |
| EE5TN | Подшипник однорядный шариковый радиальный. Отлитый под давлением защелкивающийся сепаратор из полиамида. Центрированные тела качения. | 15.88 | 34.93 | 7.15 |
| E14Y | Разборной (магнетный) радиально-упорный однорядный шариковый подшипник. Сепаратор из прессованной латуни. Центрирование шарика. | 14.00 | 35.00 | 8.00 |
| E15M | Разборной (магнетный) радиально-упорный однорядный шариковый подшипник. Механически обработанный латунный сепаратор .Расположенный на элементах качения. | 15.00 | 35.00 | 8.00 |
| E15TB | Разборной (магнетный) радиально-упорный однорядный шариковый подшипник. Сепаратор оконного типа из фенольной смолы. армированной тканью. Центрирование по внутреннему кольцу. | 15.00 | 35.00 | 8.00 |
| 602065B | Подшипник однорядный шариковый радиальный. Измененный внутренний дизайн. | 15.00 | 35.00 | 8.00 |
| 16003/16C3 | Подшипник однорядный шариковый радиальный. Внутренний зазор больше нормального. | 16.00 | 35.00 | 8.00 |
| 16003/16 | Шариковый радиальный однорядный подшипник. 01. | 16.00 | 35.00 | 8.00 |
Способы доставки
Отправка через ведущие транспортные и курьерские компании: ПЭК, Деловые Линии, СДЭК, Байкал-Сервис, Энергия, КИТ, ЖелДорЭкспедиция.
Самовывоз возможен напрямую со склада в Москве.
Сроки доставки
Срок зависит от региона и выбранной транспортной компании. Все заказы комплектуются и отправляются в кратчайшие сроки со склада в Москве.
Надёжность и сохранность
Вся продукция упаковывается с учётом требований транспортировки. Мы гарантируем, что подшипники и комплектующие прибудут к заказчику в полной сохранности.
Доставка в страны ЕАЭС
Мы работаем с проверенными логистическими партнёрами, что позволяет оперативно доставлять заказы в Беларусь, Казахстан, Армению и другие страны ЕАЭС.
Варианты оплаты:
Минимальная сумма заказа и скидки:
Документы и гарантии:
Да, конечно! Наши технические специалисты готовы помочь вам с подбором точного аналога или замены подшипника. Просто позвоните нам по телефону +7 (495) 104-99-04 или напишите на почту zakaz@podsnab.ru.
Для оперативной консультации подготовьте, пожалуйста, имеющиеся данные: маркировку, размеры, тип оборудования или артикул старого подшипника.
Да, конечно! Мы высоко ценим долгосрочное сотрудничество и доверие клиентов по всей России. Для постоянных клиентов действует персональная система скидок.
Условия формируются индивидуально и зависят от:
Чтобы узнать свои условия и получить максимально выгодное предложение, свяжитесь с персональным менеджером или напишите нам на почту zakaz@podsnab.ru.
Вы можете оформить заказ несколькими способами:
Для оформления заказа от юридического лица свяжитесь с нашим отделом по работе с корпоративными клиентами по телефону +7 (495) 104-99-04 или напишите на email zakaz@podsnab.ru, прикрепив реквизиты вашей организации.
Мы оперативно подготовим коммерческое предложение и выставим счет.
Возврат товара надлежащего качества возможен в течение 10 дней с момента получения, если товар не был в употреблении, сохранен товарный вид, упаковка не вскрывалась и присутствуют все сопроводительные документы.
Возврат денежных средств осуществляется в течение 10 рабочих дней после проверки товара складом.
В соответствии с законодательством возврату не подлежат подшипники надлежащего качества, если отсутствует оригинальная упаковка или имеются следы монтажа.
В случае выявления брака или гарантийного случая мы гарантируем возврат или обмен товара.
Да, гарантийный срок хранения устанавливается заводом-изготовителем и в среднем составляет 2 года при соблюдении условий хранения: сухое помещение, оригинальная упаковка и смазка.
Точный срок для конкретного типа подшипника уточняйте у наших менеджеров.
Пн–Пт: с 8:00 до 17:00 (МСК).
Сб–Вс: выходные дни.
Заказы на сайте принимаются круглосуточно. Заявки, поступившие после окончания рабочего дня, обрабатываются на следующий рабочий день.
Минимальная сумма заказа для доставки составляет 3000 рублей. Самовывоз со склада возможен на любую сумму при наличии товара.
ООО «УралТехГрупп»
ИНН: 7415093830
КПП: 772401001
ОГРН: 1167456069021
Банк: ПАО Сбербанк
Р/с: 40702810838000475273
К/с: 30101810400000000225
БИК: 044525225
У подшипника 6902 пока нет отзывов. Вы можете стать первым покупателем, поделившимся своим мнением.