Поиск подшипника
Статьи
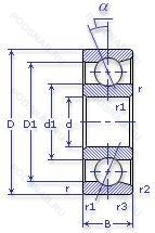
46206-Е2 — Шариковый радиально-упорный однорядный подшипник, модификация основного исполнения 46206, производство ГПЗ.
Размер подшипника: 30x62x16 мм.
Сепаратор из пластических материалов.
Аналоги: 7206CG1UJ74.
Государственный стандарт ГОСТ
46206Е2
В наличии
| Обозначение | Конструктивные изменения |
|---|---|
| 4-46206-Е4 | Сепаратор из пластических материалов.. |
| 4-46206-Е5 | Сепаратор из текстолита.. |
| 2-46206-Е4 | Сепаратор из пластических материалов.. |
| 4-46206-Е3 | Сепаратор из пластических материалов.. |
| 4-46206-Л | Сепаратор из латуни.. |
| 6-46206-Б1Т2 | 200°. Температура отпуска. Сепаратор из безоловянистой бронзы.. |
| 6-46206 БТ | Температура отпуска. 160°. Сепаратор из безоловянистой бронзы.. |
| 6-46206-Е | Сепаратор из текстолита.. |
| 6-46206 Е2 | Сепаратор из пластических материалов.. |
| 6-46206-Е3 | Сепаратор из пластических материалов.. |
| 6-46206-Е4 | Сепаратор из пластических материалов.. |
| 6-46206-Е5 | Сепаратор из текстолита.. |
| 6-46206 ЕШ | Сепаратор из текстолита.. Нормы шумности. |
| 6-46206-ЕШ2 | Сепаратор из текстолита.. Нормы шумности. |
| 6-46206-Л | Сепаратор из латуни.. |
| 6-46206 ЛТ | Сепаратор из латуни.. Температура отпуска. 160°. |
| 6-46206-ЛТ2 | Сепаратор из латуни.. 200°. Температура отпуска. |
| 46206-Е | Сепаратор из текстолита.. |
| 46206-Е5 | Сепаратор из текстолита.. |
| 46206-Л | Сепаратор из латуни.. |
| 46206К | «Замок» (скос) на внутреннем кольце плюс массивный сепаратор из текстолита. |
| 5-46206 Е | Сепаратор из текстолита.. |
| 5-46206 Е3 | Сепаратор из пластических материалов.. |
| 5-46206 Е5 | Сепаратор из текстолита.. |
| 5-46206 Л | Сепаратор из латуни.. |
Модификации шарикового подшипника 46206-Е2 — это измененное основное конструктивное исполнение 46206, основные размеры (30x62x16) не отличаются.
| Обозначение | Гост | Конструктивные особенности |
|---|---|---|
| 7206C G1 U J74 | ISO | 15° Угол контакта. Небольшая предварительная нагрузка. Точность размеров и хода соответствует классу допусков 4 (более высокая. чем P5)-ABEC7. Универсальный одиночный подшипник. Ламинированный фенольный сепаратор с центрированием на внешнем кольце. |
| 36206-Л | ГОСТ | Сепаратор из латуни.. |
| 36206E | ГОСТ | Повышенная грузоподъемность. |
| 36206E5 | ГОСТ | Смазочные отверстия и канавки во внутреннем кольце. |
| 36206K | ГОСТ | Коническое отверстие. Конусность 1/12. |
| 36206К | ГОСТ | «Замок» (скос) на внутреннем кольце плюс массивный сепаратор из текстолита. |
| 36206К6 | ГОСТ | «Замок» (скос) на внутреннем кольце. |
| 6-36206-Е | ГОСТ | Сепаратор из текстолита.. |
| 6-36206-Е3 | ГОСТ | Сепаратор из пластических материалов.. |
| 6-36206-Е5 | ГОСТ | Сепаратор из текстолита.. |
| 6-36206-КЕ | ГОСТ | «Замок» (скос) на внутреннем кольце плюс массивный сепаратор из текстолита. Сепаратор из текстолита.. |
| 6-36206-Л | ГОСТ | Сепаратор из латуни.. |
| 66206-АЛ1 | ГОСТ | Сепаратор из латуни.. Повышенная грузоподъемность. |
| 45-126206 Б2Т2 | ГОСТ | 200°. Температура отпуска. Сепаратор из безоловянистой бронзы.. |
| 45-126206 Р1 | ГОСТ | Детали из теплоустойчивой (быстрорежущие) стали.. |
| 5-36206 Б | ГОСТ | Сепаратор из безоловянистой бронзы.. |
| 5-36206 Е | ГОСТ | Сепаратор из текстолита.. |
| 5-36206 Е3 | ГОСТ | Сепаратор из пластических материалов.. |
| 5-36206 Е5 | ГОСТ | Сепаратор из текстолита.. |
| 5-36206 К | ГОСТ | «Замок» (скос) на внутреннем кольце плюс массивный сепаратор из текстолита. |
| 5-36206 Л | ГОСТ | Сепаратор из латуни.. |
Аналог шарикового подшипника 46206-Е2 — это подшипник такого же размера dx30,Dx62,Bx16, типа и конструкции.
| Обозначение | Конструктивные особенности | Внутренний (d) | Наружный (D) | Ширина (B) |
|---|---|---|---|---|
| 530206-С5 | Шариковый радиальный подшипник. Смазка ЦИАТИМ-202. | 30.00 | 62.00 | 16.00 |
| 55-2206 БМТ2 | Роликовый радиальный однорядный подшипник. 200°. Модифицированный контакт.. Температура отпуска. Сепаратор из безоловянистой бронзы.. | 30.00 | 62.00 | 16.00 |
| 55-32206 Р10 | Роликовый радиальный однорядный подшипник. Детали из теплоустойчивой (быстрорежущие) стали.. | 30.00 | 62.00 | 16.00 |
| 55-32206 Р7 | Роликовый радиальный однорядный подшипник. Детали из теплоустойчивой (быстрорежущие) стали.. | 30.00 | 62.00 | 16.00 |
| 56-2206 БМТ2 | Роликовый радиальный однорядный подшипник. 200°. Модифицированный контакт.. Температура отпуска. Сепаратор из безоловянистой бронзы.. | 30.00 | 62.00 | 16.00 |
| 6-150206-АКШ1 | Шариковый радиальный однорядный подшипник. Нормы шумности. Повышенная грузоподъемность. | 30.00 | 62.00 | 16.00 |
| 6-150206-КШ1 | Шариковый радиальный однорядный подшипник. Нормы шумности. | 30.00 | 62.00 | 16.00 |
| 6-160206-А | Шариковый радиальный однорядный подшипник. Повышенная грузоподъемность. | 30.00 | 62.00 | 16.00 |
| 6-180206-АКС9 | Шариковый радиальный однорядный подшипник. Повышенная грузоподъемность. Смазка ЛЗ-31. | 30.00 | 62.00 | 16.00 |
| 6-180206 АС23 | Шариковый радиальный однорядный подшипник. Повышенная грузоподъемность. Смазка ШРУС-4. | 30.00 | 62.00 | 16.00 |
| 6-180206-АС9 | Шариковый радиальный однорядный подшипник. Повышенная грузоподъемность. Смазка ЛЗ-31. | 30.00 | 62.00 | 16.00 |
| 6-180206 К3С9 | Шариковый радиальный однорядный подшипник. Смазка ЛЗ-31. | 30.00 | 62.00 | 16.00 |
| 6-180206-С17 | Шариковый радиальный однорядный подшипник. Смазка Литол-24. | 30.00 | 62.00 | 16.00 |
| 6-180206-С9 | Шариковый радиальный однорядный подшипник. Смазка ЛЗ-31. | 30.00 | 62.00 | 16.00 |
| 6-180206-С9Ш2 | Шариковый радиальный однорядный подшипник. Нормы шумности. Смазка ЛЗ-31. | 30.00 | 62.00 | 16.00 |
Способы доставки
Отправка через ведущие транспортные и курьерские компании: ПЭК, Деловые Линии, СДЭК, Байкал-Сервис, Энергия, КИТ, ЖелДорЭкспедиция.
Самовывоз возможен напрямую со склада в Москве.
Сроки доставки
Срок зависит от региона и выбранной транспортной компании. Все заказы комплектуются и отправляются в кратчайшие сроки со склада в Москве.
Надёжность и сохранность
Вся продукция упаковывается с учётом требований транспортировки. Мы гарантируем, что подшипники и комплектующие прибудут к заказчику в полной сохранности.
Доставка в страны ЕАЭС
Мы работаем с проверенными логистическими партнёрами, что позволяет оперативно доставлять заказы в Беларусь, Казахстан, Армению и другие страны ЕАЭС.
Варианты оплаты:
Минимальная сумма заказа и скидки:
Документы и гарантии:
Да, конечно! Наши технические специалисты готовы помочь вам с подбором точного аналога или замены подшипника. Просто позвоните нам по телефону +7 (495) 104-99-04 или напишите на почту zakaz@podsnab.ru.
Для оперативной консультации подготовьте, пожалуйста, имеющиеся данные: маркировку, размеры, тип оборудования или артикул старого подшипника.
Да, конечно! Мы высоко ценим долгосрочное сотрудничество и доверие клиентов по всей России. Для постоянных клиентов действует персональная система скидок.
Условия формируются индивидуально и зависят от:
Чтобы узнать свои условия и получить максимально выгодное предложение, свяжитесь с персональным менеджером или напишите нам на почту zakaz@podsnab.ru.
Вы можете оформить заказ несколькими способами:
Для оформления заказа от юридического лица свяжитесь с нашим отделом по работе с корпоративными клиентами по телефону +7 (495) 104-99-04 или напишите на email zakaz@podsnab.ru, прикрепив реквизиты вашей организации.
Мы оперативно подготовим коммерческое предложение и выставим счет.
Возврат товара надлежащего качества возможен в течение 10 дней с момента получения, если товар не был в употреблении, сохранен товарный вид, упаковка не вскрывалась и присутствуют все сопроводительные документы.
Возврат денежных средств осуществляется в течение 10 рабочих дней после проверки товара складом.
В соответствии с законодательством возврату не подлежат подшипники надлежащего качества, если отсутствует оригинальная упаковка или имеются следы монтажа.
В случае выявления брака или гарантийного случая мы гарантируем возврат или обмен товара.
Да, гарантийный срок хранения устанавливается заводом-изготовителем и в среднем составляет 2 года при соблюдении условий хранения: сухое помещение, оригинальная упаковка и смазка.
Точный срок для конкретного типа подшипника уточняйте у наших менеджеров.
Пн–Пт: с 8:00 до 17:00 (МСК).
Сб–Вс: выходные дни.
Заказы на сайте принимаются круглосуточно. Заявки, поступившие после окончания рабочего дня, обрабатываются на следующий рабочий день.
Минимальная сумма заказа для доставки составляет 3000 рублей. Самовывоз со склада возможен на любую сумму при наличии товара.
ООО «УралТехГрупп»
ИНН: 7415093830
КПП: 772401001
ОГРН: 1167456069021
Банк: ПАО Сбербанк
Р/с: 40702810838000475273
К/с: 30101810400000000225
БИК: 044525225
У подшипника 46206-Е2 пока нет отзывов. Вы можете стать первым покупателем, поделившимся своим мнением.