Поиск подшипника
Статьи
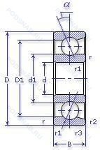
46215-А — Шариковый радиально-упорный однорядный подшипник, модификация основного исполнения 46215, производство ГПЗ.
Размер подшипника: 75x130x25 мм.
Повышенная грузоподъемность.
Аналоги: 7215E.
Государственный стандарт ГОСТ
46215А
В наличии
| Обозначение | Конструктивные изменения |
|---|---|
| 2-46215-Е | Сепаратор из текстолита.. |
| 2-46215-Е2 | Сепаратор из пластических материалов.. |
| 2-46215-Е4 | Сепаратор из пластических материалов.. |
| 2-46215-Е5 | Сепаратор из текстолита.. |
| 2-46215-Л | Сепаратор из латуни.. |
| 4-46215-Е | Сепаратор из текстолита.. |
| 4-46215-Е2 | Сепаратор из пластических материалов.. |
| 4-46215-Е5 | Сепаратор из текстолита.. |
| 4-46215-Л | Сепаратор из латуни.. |
| 6-46215 А | Повышенная грузоподъемность. |
| 6-46215 Е | Сепаратор из текстолита.. |
| 6-46215 Е2 | Сепаратор из пластических материалов.. |
| 6-46215 Е5 | Сепаратор из текстолита.. |
| 6-46215 Л | Сепаратор из латуни.. |
| 46215-АЕ | Сепаратор из текстолита.. Повышенная грузоподъемность. |
| 46215-АЛ | Сепаратор из латуни.. Повышенная грузоподъемность. |
| 46215-Е | Сепаратор из текстолита.. |
| 46215-К1 | «Замок» (скос) на внутреннем кольце плюс массивный сепаратор из текстолита. |
| 46215-Л | Сепаратор из латуни.. |
| 46215E5 | Смазочные отверстия и канавки во внутреннем кольце. |
| 46215К | «Замок» (скос) на внутреннем кольце плюс массивный сепаратор из текстолита. |
| 5-46215-Е | Сепаратор из текстолита.. |
| 5-46215-Е5 | Сепаратор из текстолита.. |
| 5-46215 К | «Замок» (скос) на внутреннем кольце плюс массивный сепаратор из текстолита. |
| 5-46215-Л | Сепаратор из латуни.. |
Модификации шарикового подшипника 46215-А — это измененное основное конструктивное исполнение 46215, основные размеры (75x130x25) не отличаются.
| Обозначение | Гост | Конструктивные особенности |
|---|---|---|
| 7215 A | ISO | Двухрядный радиально-упорный шарикоподшипник без отверстия для смазки. |
| QJ 215 N2 M | ISO | Подшипник с латунным сепаратором. центрированный по телам качения. Два установочных паза (выемки), расположенных под углом 180° друг от друга в одной боковой поверхности наружного кольца или шайбе корпуса.. |
| 6215BI | ISO | Угол контакта 40 градусов. |
| 7215CPA | ISO | Угол контакта 15 градусов. |
| 7215-BE-TVP | ISO | Molded Snap-Type Cage Of Glass Fibre Reinforced Polyamide. Rolling Element Riding. Single Row Angular Contact Ball Bearing With A 40° Угол контакта And Optimized Internal Design. |
| 7215-BE-MP | ISO | Single Row Angular Contact Ball Bearing With A 40° Угол контакта And Optimized Internal Design. Массивный латунный сепаратор. центрированный по телам качения. |
| 7215BEA | ISO | 40° Угол контакта. High Capacity. All Four Corners Equal. |
| 7215AC | ISO | Суффикс для радиально-упорного шарикоподшипника. |
| 7215C | ISO | Угол контакта 15°. |
| 26215К | ГОСТ | «Замок» (скос) на внутреннем кольце плюс массивный сепаратор из текстолита. |
| 36215-КЕ | ГОСТ | «Замок» (скос) на внутреннем кольце плюс массивный сепаратор из текстолита. Сепаратор из текстолита.. |
| 36215E | ГОСТ | Повышенная грузоподъемность. |
| 36215К | ГОСТ | «Замок» (скос) на внутреннем кольце плюс массивный сепаратор из текстолита. |
| 36215К6 | ГОСТ | «Замок» (скос) на внутреннем кольце. |
| 6-66215 Л | ГОСТ | Сепаратор из латуни.. |
| 66215-АЛ1 | ГОСТ | Сепаратор из латуни.. Повышенная грузоподъемность. |
| 66215Л | ГОСТ | Сепаратор из латуни.. |
| 75-126215 Р | ГОСТ | Детали из теплоустойчивой (быстрорежущие) стали.. |
| 45-176215 ЕШ2 | ГОСТ | Сепаратор из текстолита.. Нормы шумности. |
| 5-126215-Р | ГОСТ | Детали из теплоустойчивой (быстрорежущие) стали.. |
Аналог шарикового подшипника 46215-А — это подшипник такого же размера dx75,Dx130,Bx25, типа и конструкции.
| Обозначение | Конструктивные особенности | Внутренний (d) | Наружный (D) | Ширина (B) |
|---|---|---|---|---|
| BSA 215 C | Шариковый упорный подшипник. 15° Угол контакта. | 75.00 | 130.00 | 25.00 |
| BSA 215 CG | Шариковый упорный однорядный подшипник. Резьбовой винт со стопором и защелкой. | 75.00 | 130.00 | 25.00 |
| BSA 215 CG-2RZ | Шариковый упорный однорядный подшипник. Шарикоподшипник. С уплотнением и низким коэффициентом трения с обеих сторон. Уплотнение состоит из шайбы из листовой стали с вулканизированной резиной. Резьбовой винт со стопором и защелкой. | 75.00 | 130.00 | 25.00 |
| BS 275/S 7P62U | Шариковый упорный однорядный подшипник. Запечатанная версия кулачкового ролика. Высокая осевая жесткость и грузоподъемность.. | 75.00 | 130.00 | 25.00 |
| BS 275 7P62U | Шариковый упорный однорядный подшипник. Высокая осевая жесткость и грузоподъемность.. | 75.00 | 130.00 | 25.00 |
| 42215-К1М | Роликовый радиальный однорядный подшипник. Кольцевая проточка на середине цилиндрической наружной поверхности наружного кольца плюс три отверстия для смазки. Модифицированный контакт.. | 75.00 | 130.00 | 25.00 |
| 42215-КМ | Роликовый радиальный однорядный подшипник. Кольцевая проточка на середине цилиндрической наружной поверхности наружного кольца плюс три отверстия для смазки. Модифицированный контакт.. | 75.00 | 130.00 | 25.00 |
| 42215-Л | Роликовый радиальный однорядный подшипник. Сепаратор из латуни.. | 75.00 | 130.00 | 25.00 |
| 42215-ЛМ | Роликовый радиальный однорядный подшипник. Сепаратор из латуни.. Модифицированный контакт.. | 75.00 | 130.00 | 25.00 |
| 42215KM | Роликовый радиальный однорядный подшипник. Type Of Model. | 75.00 | 130.00 | 25.00 |
| 42215ЛM | Роликовый радиальный однорядный подшипник. Подшипник с латунным сепаратором. центрированный по телам качения. Сепаратор из латуни.. | 75.00 | 130.00 | 25.00 |
| 436215Е | Шариковый радиально-упорный сдвоенный подшипник. Сепаратор из текстолита.. | 75.00 | 130.00 | 25.00 |
| 5-215-Р | Шариковый радиальный однорядный подшипник. Детали из теплоустойчивой (быстрорежущие) стали.. | 75.00 | 130.00 | 25.00 |
| 50215-А | Шариковый радиальный однорядный подшипник. Повышенная грузоподъемность. | 75.00 | 130.00 | 25.00 |
| 50215-К5 | Шариковый радиальный однорядный подшипник. Повышенная грузоподъемность. | 75.00 | 130.00 | 25.00 |
Способы доставки
Отправка через ведущие транспортные и курьерские компании: ПЭК, Деловые Линии, СДЭК, Байкал-Сервис, Энергия, КИТ, ЖелДорЭкспедиция.
Самовывоз возможен напрямую со склада в Москве.
Сроки доставки
Срок зависит от региона и выбранной транспортной компании. Все заказы комплектуются и отправляются в кратчайшие сроки со склада в Москве.
Надёжность и сохранность
Вся продукция упаковывается с учётом требований транспортировки. Мы гарантируем, что подшипники и комплектующие прибудут к заказчику в полной сохранности.
Доставка в страны ЕАЭС
Мы работаем с проверенными логистическими партнёрами, что позволяет оперативно доставлять заказы в Беларусь, Казахстан, Армению и другие страны ЕАЭС.
Варианты оплаты:
Минимальная сумма заказа и скидки:
Документы и гарантии:
Да, конечно! Наши технические специалисты готовы помочь вам с подбором точного аналога или замены подшипника. Просто позвоните нам по телефону +7 (495) 104-99-04 или напишите на почту zakaz@podsnab.ru.
Для оперативной консультации подготовьте, пожалуйста, имеющиеся данные: маркировку, размеры, тип оборудования или артикул старого подшипника.
Да, конечно! Мы высоко ценим долгосрочное сотрудничество и доверие клиентов по всей России. Для постоянных клиентов действует персональная система скидок.
Условия формируются индивидуально и зависят от:
Чтобы узнать свои условия и получить максимально выгодное предложение, свяжитесь с персональным менеджером или напишите нам на почту zakaz@podsnab.ru.
Вы можете оформить заказ несколькими способами:
Для оформления заказа от юридического лица свяжитесь с нашим отделом по работе с корпоративными клиентами по телефону +7 (495) 104-99-04 или напишите на email zakaz@podsnab.ru, прикрепив реквизиты вашей организации.
Мы оперативно подготовим коммерческое предложение и выставим счет.
Возврат товара надлежащего качества возможен в течение 10 дней с момента получения, если товар не был в употреблении, сохранен товарный вид, упаковка не вскрывалась и присутствуют все сопроводительные документы.
Возврат денежных средств осуществляется в течение 10 рабочих дней после проверки товара складом.
В соответствии с законодательством возврату не подлежат подшипники надлежащего качества, если отсутствует оригинальная упаковка или имеются следы монтажа.
В случае выявления брака или гарантийного случая мы гарантируем возврат или обмен товара.
Да, гарантийный срок хранения устанавливается заводом-изготовителем и в среднем составляет 2 года при соблюдении условий хранения: сухое помещение, оригинальная упаковка и смазка.
Точный срок для конкретного типа подшипника уточняйте у наших менеджеров.
Пн–Пт: с 8:00 до 17:00 (МСК).
Сб–Вс: выходные дни.
Заказы на сайте принимаются круглосуточно. Заявки, поступившие после окончания рабочего дня, обрабатываются на следующий рабочий день.
Минимальная сумма заказа для доставки составляет 3000 рублей. Самовывоз со склада возможен на любую сумму при наличии товара.
ООО «УралТехГрупп»
ИНН: 7415093830
КПП: 772401001
ОГРН: 1167456069021
Банк: ПАО Сбербанк
Р/с: 40702810838000475273
К/с: 30101810400000000225
БИК: 044525225
У подшипника 46215-А пока нет отзывов. Вы можете стать первым покупателем, поделившимся своим мнением.