Поиск подшипника
Статьи
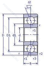
5-36018 Е — Шариковый радиально-упорный однорядный подшипник, модификация основного исполнения 36018, производство ГПЗ.
Размер подшипника: 8x22x7 мм.
Сепаратор из текстолита.
Аналоги: 708CDP5.
Государственный стандарт ГОСТ
536018Е
В наличии
| Обозначение | Конструктивные изменения |
|---|---|
| 4-36018 К7Е | Сепаратор из текстолита.. «Замок» (скос) на внутреннем кольце. |
| 36018 | Шариковый радиально-упорный однорядный подшипник. Основное конструктивное исполнение. |
| 2-36018 Е | Сепаратор из текстолита.. |
| 36018-Е | Сепаратор из текстолита.. |
| 36018К | «Замок» (скос) на внутреннем кольце плюс массивный сепаратор из текстолита. |
| 36018К6 | «Замок» (скос) на внутреннем кольце. |
| 36018К7 | «Замок» (скос) на внутреннем кольце. |
Модификации шарикового подшипника 5-36018 Е — это измененное основное конструктивное исполнение 36018, основные размеры (8x22x7) не отличаются.
| Обозначение | Гост | Конструктивные особенности |
|---|---|---|
| E 207/S/NS 7CE1 | ISO | Запечатанная версия кулачкового ролика. Очень высокая грузоподъемность.. Шарики из нитрида кремния Si3N4 (гибридные подшипники). Керамические шарики. |
| E 207/NS 7CE3 | ISO | Очень высокая грузоподъемность.. Шарики из нитрида кремния Si3N4 (гибридные подшипники). Керамические шарики. |
| E 207/S 7CE1 | ISO | Запечатанная версия кулачкового ролика. Очень высокая грузоподъемность.. |
| 708A | ISO | Двухрядный радиально-упорный шарикоподшипник без отверстия для смазки. |
| 708C | ISO | 15° Угол контакта. |
| 8BGR10H | ISO | Pressed Snap-Type Steel Cage. Hardened. |
| 8BGR10X | ISO | Измененные размеры границ. введенные пересмотренными стандартами ISO. |
| 8BGR10S | ISO | Запечатанная версия кулачкового ролика. |
| 2-76018 E1 | ГОСТ | Конструкция с увеличенной грузоподьемностью. |
| 2-76018 Е1 | ГОСТ | Сепаратор из текстолита.. |
| 36027К | ГОСТ | «Замок» (скос) на внутреннем кольце плюс массивный сепаратор из текстолита. |
| 36027К6 | ГОСТ | «Замок» (скос) на внутреннем кольце. |
| 4-6027 Е | ГОСТ | Сепаратор из текстолита.. |
| 4-76018 Е | ГОСТ | Сепаратор из текстолита.. |
| 6027-E | ГОСТ | Повышенная грузоподъемность. |
| 6027-Л | ГОСТ | Сепаратор из латуни.. |
| 46018К | ГОСТ | «Замок» (скос) на внутреннем кольце плюс массивный сепаратор из текстолита. |
| 46027К | ГОСТ | «Замок» (скос) на внутреннем кольце плюс массивный сепаратор из текстолита. |
| 5-6027 Е | ГОСТ | Сепаратор из текстолита.. |
| 5-6027 У | ГОСТ | Дополнительные технические требования. |
Аналог шарикового подшипника 5-36018 Е — это подшипник такого же размера dx8,Dx22,Bx7, типа и конструкции.
| Обозначение | Конструктивные особенности | Внутренний (d) | Наружный (D) | Ширина (B) |
|---|---|---|---|---|
| 5-80027 К1С9 | Шариковый радиальный однорядный подшипник. Смазка ЛЗ-31. | 7.00 | 22.00 | 7.00 |
| 5-80027 КС2 | Шариковый радиальный однорядный подшипник. «Замок» (скос) на внутреннем кольце плюс массивный сепаратор из текстолита. Смазка ЦИАТИМ-221. | 7.00 | 22.00 | 7.00 |
| 5-80027 С1 | Шариковый радиальный однорядный подшипник. Смазка ОКБ 122-7. | 7.00 | 22.00 | 7.00 |
| 6-1008 Ю | Шариковый радиальный двухрядный подшипник. Все детали или часть деталей из нержавеющей стали.. | 8.00 | 22.00 | 7.00 |
| 6-18 Л | Шариковый радиальный подшипник. Сепаратор из латуни.. | 8.00 | 22.00 | 7.00 |
| 6-18 Т2 | Шариковый радиальный однорядный подшипник. 200°. Температура отпуска. | 8.00 | 22.00 | 7.00 |
| 6-18 У | Шариковый радиальный однорядный подшипник. Дополнительные технические требования. | 8.00 | 22.00 | 7.00 |
| 6-18 УТ2 | Шариковый радиальный однорядный подшипник. Дополнительные технические требования. 200°. Температура отпуска. | 8.00 | 22.00 | 7.00 |
| 6-18 Ш | Шариковый радиальный однорядный подшипник. Нормы шумности. | 8.00 | 22.00 | 7.00 |
| 6-18 Ю3 | Шариковый радиальный однорядный подшипник. Все детали или часть деталей из нержавеющей стали.. | 8.00 | 22.00 | 7.00 |
| 6-18 Ю6Т | Шариковый радиальный подшипник. Температура отпуска. 160°. Все детали или часть деталей из нержавеющей стали.. | 8.00 | 22.00 | 7.00 |
| 6-18 Ю9 | Шариковый радиальный подшипник. Все детали или часть деталей из нержавеющей стали.. | 8.00 | 22.00 | 7.00 |
| 6-18 ЮТ | Шариковый радиальный подшипник. Температура отпуска. 160°. Все детали или часть деталей из нержавеющей стали.. | 8.00 | 22.00 | 7.00 |
| 6-18 ЮУТ | Шариковый радиальный однорядный подшипник. Дополнительные технические требования. Температура отпуска. 160°. Все детали или часть деталей из нержавеющей стали.. | 8.00 | 22.00 | 7.00 |
| 6-180018 КС17 | Шариковый радиальный однорядный подшипник. Смазка Литол-24. «Замок» (скос) на внутреннем кольце плюс массивный сепаратор из текстолита. | 8.00 | 22.00 | 7.00 |
Способы доставки
Отправка через ведущие транспортные и курьерские компании: ПЭК, Деловые Линии, СДЭК, Байкал-Сервис, Энергия, КИТ, ЖелДорЭкспедиция.
Самовывоз возможен напрямую со склада в Москве.
Сроки доставки
Срок зависит от региона и выбранной транспортной компании. Все заказы комплектуются и отправляются в кратчайшие сроки со склада в Москве.
Надёжность и сохранность
Вся продукция упаковывается с учётом требований транспортировки. Мы гарантируем, что подшипники и комплектующие прибудут к заказчику в полной сохранности.
Доставка в страны ЕАЭС
Мы работаем с проверенными логистическими партнёрами, что позволяет оперативно доставлять заказы в Беларусь, Казахстан, Армению и другие страны ЕАЭС.
Варианты оплаты:
Минимальная сумма заказа и скидки:
Документы и гарантии:
Да, конечно! Наши технические специалисты готовы помочь вам с подбором точного аналога или замены подшипника. Просто позвоните нам по телефону +7 (495) 104-99-04 или напишите на почту zakaz@podsnab.ru.
Для оперативной консультации подготовьте, пожалуйста, имеющиеся данные: маркировку, размеры, тип оборудования или артикул старого подшипника.
Да, конечно! Мы высоко ценим долгосрочное сотрудничество и доверие клиентов по всей России. Для постоянных клиентов действует персональная система скидок.
Условия формируются индивидуально и зависят от:
Чтобы узнать свои условия и получить максимально выгодное предложение, свяжитесь с персональным менеджером или напишите нам на почту zakaz@podsnab.ru.
Вы можете оформить заказ несколькими способами:
Для оформления заказа от юридического лица свяжитесь с нашим отделом по работе с корпоративными клиентами по телефону +7 (495) 104-99-04 или напишите на email zakaz@podsnab.ru, прикрепив реквизиты вашей организации.
Мы оперативно подготовим коммерческое предложение и выставим счет.
Возврат товара надлежащего качества возможен в течение 10 дней с момента получения, если товар не был в употреблении, сохранен товарный вид, упаковка не вскрывалась и присутствуют все сопроводительные документы.
Возврат денежных средств осуществляется в течение 10 рабочих дней после проверки товара складом.
В соответствии с законодательством возврату не подлежат подшипники надлежащего качества, если отсутствует оригинальная упаковка или имеются следы монтажа.
В случае выявления брака или гарантийного случая мы гарантируем возврат или обмен товара.
Да, гарантийный срок хранения устанавливается заводом-изготовителем и в среднем составляет 2 года при соблюдении условий хранения: сухое помещение, оригинальная упаковка и смазка.
Точный срок для конкретного типа подшипника уточняйте у наших менеджеров.
Пн–Пт: с 8:00 до 17:00 (МСК).
Сб–Вс: выходные дни.
Заказы на сайте принимаются круглосуточно. Заявки, поступившие после окончания рабочего дня, обрабатываются на следующий рабочий день.
Минимальная сумма заказа для доставки составляет 3000 рублей. Самовывоз со склада возможен на любую сумму при наличии товара.
ООО «УралТехГрупп»
ИНН: 7415093830
КПП: 772401001
ОГРН: 1167456069021
Банк: ПАО Сбербанк
Р/с: 40702810838000475273
К/с: 30101810400000000225
БИК: 044525225
У подшипника 5-36018 Е пока нет отзывов. Вы можете стать первым покупателем, поделившимся своим мнением.