Поиск подшипника
Статьи
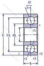
5-46212 АЛ — Шариковый радиально-упорный однорядный подшипник, модификация основного исполнения 46212, производство ГПЗ.
Размер подшипника: 60x110x22 мм.
Сепаратор из латуни, повышенная грузоподъемность.
Аналоги: 7212ACMAP5.
Государственный стандарт ГОСТ
546212АЛ
В наличии
| Обозначение | Конструктивные изменения |
|---|---|
| Т-46212 Л | Сепаратор из латуни.. |
| 4-46212 АЛ | Сепаратор из латуни.. Повышенная грузоподъемность. |
| 8-46212 Л | Сепаратор из латуни.. |
| 7-46212 Л | Сепаратор из латуни.. |
| 46212 | Шариковый радиально-упорный однорядный подшипник. Основное конструктивное исполнение. |
| 2-46212 Е | Сепаратор из текстолита.. |
| 2-46212 К | «Замок» (скос) на внутреннем кольце плюс массивный сепаратор из текстолита. |
| 2-46212-Л | Сепаратор из латуни.. |
| 4-46212 К | «Замок» (скос) на внутреннем кольце плюс массивный сепаратор из текстолита. |
| 4-46212-Л | Сепаратор из латуни.. |
| 6-46212 АЕ1 | Сепаратор из текстолита.. Повышенная грузоподъемность. |
| 6-46212 АЛ | Сепаратор из латуни.. Повышенная грузоподъемность. |
| 6-46212 Е | Сепаратор из текстолита.. |
| 6-46212 КМ | «Замок» (скос) на внутреннем кольце плюс массивный сепаратор из текстолита. Модифицированный контакт.. |
| 6-46212 Л | Сепаратор из латуни.. |
| 46212-АЕ1 | Сепаратор из текстолита.. Повышенная грузоподъемность. |
| 46212-АЛ | Сепаратор из латуни.. Повышенная грузоподъемность. |
| 46212-Е | Сепаратор из текстолита.. |
| 46212-Л | Сепаратор из латуни.. |
| 46212К | «Замок» (скос) на внутреннем кольце плюс массивный сепаратор из текстолита. |
| 5-46212 АЕ1 | Сепаратор из текстолита.. Повышенная грузоподъемность. |
| 5-46212 Е | Сепаратор из текстолита.. |
| 5-46212 К | «Замок» (скос) на внутреннем кольце плюс массивный сепаратор из текстолита. |
| 5-46212 Л | Сепаратор из латуни.. |
Модификации шарикового подшипника 5-46212 АЛ — это измененное основное конструктивное исполнение 46212, основные размеры (60x110x22) не отличаются.
| Обозначение | Гост | Конструктивные особенности |
|---|---|---|
| 36212-Л | ГОСТ | Сепаратор из латуни.. |
| 36212E | ГОСТ | Повышенная грузоподъемность. |
| 36212К | ГОСТ | «Замок» (скос) на внутреннем кольце плюс массивный сепаратор из текстолита. |
| 36212К6 | ГОСТ | «Замок» (скос) на внутреннем кольце. |
| 4-36212 КЕ | ГОСТ | «Замок» (скос) на внутреннем кольце плюс массивный сепаратор из текстолита. Сепаратор из текстолита.. |
| 6-36212 АЕ | ГОСТ | Сепаратор из текстолита.. Повышенная грузоподъемность. |
| 6-36212 АЛ | ГОСТ | Сепаратор из латуни.. Повышенная грузоподъемность. |
| 6-36212 Е | ГОСТ | Сепаратор из текстолита.. |
| 6-36212 Л | ГОСТ | Сепаратор из латуни.. |
| 66212-АЛ1 | ГОСТ | Сепаратор из латуни.. Повышенная грузоподъемность. |
| 45-126212 Ю1 | ГОСТ | Все детали или часть деталей из нержавеющей стали.. |
| 45-126212 Ю1П | ГОСТ | Все детали или часть деталей из нержавеющей стали.. |
| 5-36212 АЕ | ГОСТ | Сепаратор из текстолита.. Повышенная грузоподъемность. |
| 5-36212 АЕ1 | ГОСТ | Сепаратор из текстолита.. Повышенная грузоподъемность. |
| 5-36212 АЛ | ГОСТ | Сепаратор из латуни.. Повышенная грузоподъемность. |
| 5-36212 Е | ГОСТ | Сепаратор из текстолита.. |
| 5-36212 К | ГОСТ | «Замок» (скос) на внутреннем кольце плюс массивный сепаратор из текстолита. |
| 5-66212 Е | ГОСТ | Сепаратор из текстолита.. |
| 6-126212 Ю | ГОСТ | Все детали или часть деталей из нержавеющей стали.. |
| 6-126212 Ю1 | ГОСТ | Все детали или часть деталей из нержавеющей стали.. |
Аналог шарикового подшипника 5-46212 АЛ — это подшипник такого же размера dx60,Dx110,Bx22, типа и конструкции.
| Обозначение | Конструктивные особенности | Внутренний (d) | Наружный (D) | Ширина (B) |
|---|---|---|---|---|
| 42212AE | Роликовый радиальный однорядный подшипник. Без суффикса. но с обозначением типа. | 60.00 | 110.00 | 22.00 |
| 42212KM | Роликовый радиальный однорядный подшипник. Type Of Model. | 60.00 | 110.00 | 22.00 |
| 42212КM | Роликовый радиальный однорядный подшипник. Подшипник с латунным сепаратором. центрированный по телам качения. | 60.00 | 110.00 | 22.00 |
| 5-212 АК | Шариковый радиальный однорядный подшипник. Повышенная грузоподъемность. | 60.00 | 110.00 | 22.00 |
| 5-212 У1 | Шариковый радиальный однорядный подшипник. Дополнительные технические требования. | 60.00 | 110.00 | 22.00 |
| 5-32212 БТ | Роликовый радиальный однорядный подшипник. Температура отпуска. 160°. Сепаратор из безоловянистой бронзы.. | 60.00 | 110.00 | 22.00 |
| 5-32212 Д1Т | Роликовый радиальный однорядный подшипник. Температура отпуска. 160°. Сепаратор из алюминиевого сплава.. | 60.00 | 110.00 | 22.00 |
| 5-32212 Д2Т | Роликовый радиальный однорядный подшипник. Температура отпуска. 160°. Сепаратор из алюминиевого сплава.. | 60.00 | 110.00 | 22.00 |
| 50212-А | Шариковый радиальный однорядный подшипник. Повышенная грузоподъемность. | 60.00 | 110.00 | 22.00 |
| 50212-АК | Шариковый радиальный однорядный подшипник. Повышенная грузоподъемность. | 60.00 | 110.00 | 22.00 |
| 50312-АК2 | Шариковый радиальный однорядный подшипник. Повышенная грузоподъемность. | 60.00 | 110.00 | 22.00 |
| 56-12212 КМ | Роликовый радиальный однорядный подшипник. Модифицированный контакт.. | 60.00 | 110.00 | 22.00 |
| 6-102212 М | Роликовый радиальный однорядный подшипник. Модифицированный контакт.. | 60.00 | 110.00 | 22.00 |
| 6-12212 КМ | Роликовый радиальный однорядный подшипник. Кольцевая проточка на середине цилиндрической наружной поверхности наружного кольца плюс три отверстия для смазки. Модифицированный контакт.. | 60.00 | 110.00 | 22.00 |
| 6-180212 Ш1У | Шариковый радиальный однорядный подшипник. Дополнительные технические требования. Нормы шумности. | 60.00 | 110.00 | 22.00 |
Способы доставки
Отправка через ведущие транспортные и курьерские компании: ПЭК, Деловые Линии, СДЭК, Байкал-Сервис, Энергия, КИТ, ЖелДорЭкспедиция.
Самовывоз возможен напрямую со склада в Москве.
Сроки доставки
Срок зависит от региона и выбранной транспортной компании. Все заказы комплектуются и отправляются в кратчайшие сроки со склада в Москве.
Надёжность и сохранность
Вся продукция упаковывается с учётом требований транспортировки. Мы гарантируем, что подшипники и комплектующие прибудут к заказчику в полной сохранности.
Доставка в страны ЕАЭС
Мы работаем с проверенными логистическими партнёрами, что позволяет оперативно доставлять заказы в Беларусь, Казахстан, Армению и другие страны ЕАЭС.
Варианты оплаты:
Минимальная сумма заказа и скидки:
Документы и гарантии:
Да, конечно! Наши технические специалисты готовы помочь вам с подбором точного аналога или замены подшипника. Просто позвоните нам по телефону +7 (495) 104-99-04 или напишите на почту zakaz@podsnab.ru.
Для оперативной консультации подготовьте, пожалуйста, имеющиеся данные: маркировку, размеры, тип оборудования или артикул старого подшипника.
Да, конечно! Мы высоко ценим долгосрочное сотрудничество и доверие клиентов по всей России. Для постоянных клиентов действует персональная система скидок.
Условия формируются индивидуально и зависят от:
Чтобы узнать свои условия и получить максимально выгодное предложение, свяжитесь с персональным менеджером или напишите нам на почту zakaz@podsnab.ru.
Вы можете оформить заказ несколькими способами:
Для оформления заказа от юридического лица свяжитесь с нашим отделом по работе с корпоративными клиентами по телефону +7 (495) 104-99-04 или напишите на email zakaz@podsnab.ru, прикрепив реквизиты вашей организации.
Мы оперативно подготовим коммерческое предложение и выставим счет.
Возврат товара надлежащего качества возможен в течение 10 дней с момента получения, если товар не был в употреблении, сохранен товарный вид, упаковка не вскрывалась и присутствуют все сопроводительные документы.
Возврат денежных средств осуществляется в течение 10 рабочих дней после проверки товара складом.
В соответствии с законодательством возврату не подлежат подшипники надлежащего качества, если отсутствует оригинальная упаковка или имеются следы монтажа.
В случае выявления брака или гарантийного случая мы гарантируем возврат или обмен товара.
Да, гарантийный срок хранения устанавливается заводом-изготовителем и в среднем составляет 2 года при соблюдении условий хранения: сухое помещение, оригинальная упаковка и смазка.
Точный срок для конкретного типа подшипника уточняйте у наших менеджеров.
Пн–Пт: с 8:00 до 17:00 (МСК).
Сб–Вс: выходные дни.
Заказы на сайте принимаются круглосуточно. Заявки, поступившие после окончания рабочего дня, обрабатываются на следующий рабочий день.
Минимальная сумма заказа для доставки составляет 3000 рублей. Самовывоз со склада возможен на любую сумму при наличии товара.
ООО «УралТехГрупп»
ИНН: 7415093830
КПП: 772401001
ОГРН: 1167456069021
Банк: ПАО Сбербанк
Р/с: 40702810838000475273
К/с: 30101810400000000225
БИК: 044525225
У подшипника 5-46212 АЛ пока нет отзывов. Вы можете стать первым покупателем, поделившимся своим мнением.