Поиск подшипника
Статьи
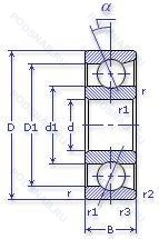
5-66202 — Шариковый радиально-упорный однорядный подшипник, модификация основного исполнения 66202, производство ГПЗ.
Размер подшипника: 15x35x11 мм.
Аналоги: 7202BJP5.
Государственный стандарт ГОСТ
566202
В наличии
| Обозначение | Конструктивные изменения |
|---|---|
| 6-66202 А1ЛШ1 | Сепаратор из латуни.. Повышенная грузоподъемность. Нормы шумности. |
| 6-66202 А1ЛШ | Сепаратор из латуни.. Повышенная грузоподъемность. Нормы шумности. |
| 6-66202 КЕ3Ш | «Замок» (скос) на внутреннем кольце плюс массивный сепаратор из текстолита. Сепаратор из пластических материалов.. Нормы шумности. |
| 66202 | Шариковый радиально-упорный однорядный подшипник. Основное конструктивное исполнение. |
| 66202-АЛ1 | Сепаратор из латуни.. Повышенная грузоподъемность. |
Модификации шарикового подшипника 5-66202 — это измененное основное конструктивное исполнение 66202, основные размеры (15x35x11) не отличаются.
| Обозначение | Гост | Конструктивные особенности |
|---|---|---|
| 4-36202 ЕШ2 | ГОСТ | Сепаратор из текстолита.. Нормы шумности. |
| 4-36202 КШ2 | ГОСТ | «Замок» (скос) на внутреннем кольце плюс массивный сепаратор из текстолита. Нормы шумности. |
| 4-46202 Б1Т2 | ГОСТ | 200°. Температура отпуска. Сепаратор из безоловянистой бронзы.. |
| 4-46202 Е1 | ГОСТ | Сепаратор из текстолита.. |
| 4-46202 К | ГОСТ | «Замок» (скос) на внутреннем кольце плюс массивный сепаратор из текстолита. |
| 4-46202 К1 | ГОСТ | «Замок» (скос) на внутреннем кольце плюс массивный сепаратор из текстолита. |
| 4-46202 Р | ГОСТ | Детали из теплоустойчивой (быстрорежущие) стали.. |
| 4-46202 Р1 | ГОСТ | Детали из теплоустойчивой (быстрорежущие) стали.. |
| 4-76702 Р1 | ГОСТ | Детали из теплоустойчивой (быстрорежущие) стали.. |
| 6-46202 К | ГОСТ | «Замок» (скос) на внутреннем кольце плюс массивный сепаратор из текстолита. |
| 46202-А | ГОСТ | Повышенная грузоподъемность. |
| 46202-АК | ГОСТ | Повышенная грузоподъемность. |
| 46202-Е3 | ГОСТ | Сепаратор из пластических материалов.. |
| 46202-КЕ | ГОСТ | «Замок» (скос) на внутреннем кольце плюс массивный сепаратор из текстолита. Сепаратор из текстолита.. |
| 46202-К | ГОСТ | «Замок» (скос) на внутреннем кольце плюс массивный сепаратор из текстолита. |
| 5-36202 КЕ | ГОСТ | «Замок» (скос) на внутреннем кольце плюс массивный сепаратор из текстолита. Сепаратор из текстолита.. |
| 5-46202 Е1 | ГОСТ | Сепаратор из текстолита.. |
| 5-46202 Е1У | ГОСТ | Сепаратор из текстолита.. Дополнительные технические требования. |
| 5-46202 Е1УП | ГОСТ | Сепаратор из текстолита.. Дополнительные технические требования. |
| 5-46202 К | ГОСТ | «Замок» (скос) на внутреннем кольце плюс массивный сепаратор из текстолита. |
Аналог шарикового подшипника 5-66202 — это подшипник такого же размера dx15,Dx35,Bx11, типа и конструкции.
| Обозначение | Конструктивные особенности | Внутренний (d) | Наружный (D) | Ширина (B) |
|---|---|---|---|---|
| 5-80202 КС9 | Шариковый радиальный однорядный подшипник. «Замок» (скос) на внутреннем кольце плюс массивный сепаратор из текстолита. Смазка ЛЗ-31. | 15.00 | 35.00 | 11.00 |
| 5-80202 КШ2УТ2С9 | Шариковый радиальный однорядный подшипник. Дополнительные технические требования. 200°. Температура отпуска. Нормы шумности. Смазка ЛЗ-31. | 15.00 | 35.00 | 11.00 |
| 5-80202 С2Ш2У | Шариковый радиальный однорядный подшипник. Дополнительные технические требования. Смазка ЦИАТИМ-221. Нормы шумности. | 15.00 | 35.00 | 11.00 |
| 5-80202 С9Ш2У | Шариковый радиальный однорядный подшипник. Дополнительные технические требования. Нормы шумности. Смазка ЛЗ-31. | 15.00 | 35.00 | 11.00 |
| 50202-А | Шариковый радиальный однорядный подшипник. Повышенная грузоподъемность. | 15.00 | 35.00 | 11.00 |
| 50202-АЕ | Шариковый радиальный однорядный подшипник. Сепаратор из текстолита.. Повышенная грузоподъемность. | 15.00 | 35.00 | 11.00 |
| 50202-АК | Шариковый радиальный однорядный подшипник. Повышенная грузоподъемность. | 15.00 | 35.00 | 11.00 |
| 550702-М | Шариковый радиальный однорядный подшипник. Модифицированный контакт.. | 15.00 | 35.00 | 12.00 |
| 56-32202 Б1 | Роликовый радиальный однорядный подшипник. Сепаратор из безоловянистой бронзы.. | 15.00 | 35.00 | 11.00 |
| 6-160202 АЕ | Шариковый радиальный однорядный подшипник. Сепаратор из текстолита.. Повышенная грузоподъемность. | 15.00 | 35.00 | 11.00 |
| 6-160202 АЕ2 | Шариковый радиальный однорядный подшипник. Повышенная грузоподъемность. Сепаратор из пластических материалов.. | 15.00 | 35.00 | 11.00 |
| 6-160202 Е | Шариковый радиальный однорядный подшипник. Сепаратор из текстолита.. | 15.00 | 35.00 | 11.00 |
| 6-160202 Е2 | Шариковый радиальный однорядный подшипник. Сепаратор из пластических материалов.. | 15.00 | 35.00 | 11.00 |
| 6-170415 Л | Шариковый радиальный однорядный подшипник. Сепаратор из латуни.. | 15.00 | 35.00 | 11.00 |
| 6-180202 С17 | Шариковый радиальный однорядный подшипник. Смазка Литол-24. | 15.00 | 35.00 | 11.00 |
Способы доставки
Отправка через ведущие транспортные и курьерские компании: ПЭК, Деловые Линии, СДЭК, Байкал-Сервис, Энергия, КИТ, ЖелДорЭкспедиция.
Самовывоз возможен напрямую со склада в Москве.
Сроки доставки
Срок зависит от региона и выбранной транспортной компании. Все заказы комплектуются и отправляются в кратчайшие сроки со склада в Москве.
Надёжность и сохранность
Вся продукция упаковывается с учётом требований транспортировки. Мы гарантируем, что подшипники и комплектующие прибудут к заказчику в полной сохранности.
Доставка в страны ЕАЭС
Мы работаем с проверенными логистическими партнёрами, что позволяет оперативно доставлять заказы в Беларусь, Казахстан, Армению и другие страны ЕАЭС.
Варианты оплаты:
Минимальная сумма заказа и скидки:
Документы и гарантии:
Да, конечно! Наши технические специалисты готовы помочь вам с подбором точного аналога или замены подшипника. Просто позвоните нам по телефону +7 (495) 104-99-04 или напишите на почту zakaz@podsnab.ru.
Для оперативной консультации подготовьте, пожалуйста, имеющиеся данные: маркировку, размеры, тип оборудования или артикул старого подшипника.
Да, конечно! Мы высоко ценим долгосрочное сотрудничество и доверие клиентов по всей России. Для постоянных клиентов действует персональная система скидок.
Условия формируются индивидуально и зависят от:
Чтобы узнать свои условия и получить максимально выгодное предложение, свяжитесь с персональным менеджером или напишите нам на почту zakaz@podsnab.ru.
Вы можете оформить заказ несколькими способами:
Для оформления заказа от юридического лица свяжитесь с нашим отделом по работе с корпоративными клиентами по телефону +7 (495) 104-99-04 или напишите на email zakaz@podsnab.ru, прикрепив реквизиты вашей организации.
Мы оперативно подготовим коммерческое предложение и выставим счет.
Возврат товара надлежащего качества возможен в течение 10 дней с момента получения, если товар не был в употреблении, сохранен товарный вид, упаковка не вскрывалась и присутствуют все сопроводительные документы.
Возврат денежных средств осуществляется в течение 10 рабочих дней после проверки товара складом.
В соответствии с законодательством возврату не подлежат подшипники надлежащего качества, если отсутствует оригинальная упаковка или имеются следы монтажа.
В случае выявления брака или гарантийного случая мы гарантируем возврат или обмен товара.
Да, гарантийный срок хранения устанавливается заводом-изготовителем и в среднем составляет 2 года при соблюдении условий хранения: сухое помещение, оригинальная упаковка и смазка.
Точный срок для конкретного типа подшипника уточняйте у наших менеджеров.
Пн–Пт: с 8:00 до 17:00 (МСК).
Сб–Вс: выходные дни.
Заказы на сайте принимаются круглосуточно. Заявки, поступившие после окончания рабочего дня, обрабатываются на следующий рабочий день.
Минимальная сумма заказа для доставки составляет 3000 рублей. Самовывоз со склада возможен на любую сумму при наличии товара.
ООО «УралТехГрупп»
ИНН: 7415093830
КПП: 772401001
ОГРН: 1167456069021
Банк: ПАО Сбербанк
Р/с: 40702810838000475273
К/с: 30101810400000000225
БИК: 044525225
У подшипника 5-66202 пока нет отзывов. Вы можете стать первым покупателем, поделившимся своим мнением.