Поиск подшипника
Статьи
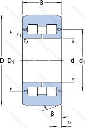
BCZ-0087 — Роликовый радиальный подшипник, модификация основного исполнения BCZ-0087, производство SKF.
Размер подшипника: 120x210x114 мм.
Международная стандартизации ISO
BCZ0087
В наличии
| Обозначение | Конструктивные особенности | Внутренний (d) | Наружный (D) | Ширина (B) |
|---|---|---|---|---|
| 319181/HB2 | Подшипник роликовый цилиндрический двухрядный. Bainite Hardened Outer Ring. (100% Interchangeable With Basic Designation). | 120.00 | 210.00 | 114.00 |
| GE120-FO-2RS-HLN | Сферический подшипник скольжения. Манжетное уплотнение с двух сторон. Стальная скользящая контактная поверхность. Более широкое внутреннее кольцо. Код местонахождения завода. может использоваться в стандартной комплектации. | 120.00 | 210.00 | 115.00 |
| GEG120ES-2RS | Шарнирный подшипник. Повышенной грузоподъемности. Прорезиненное уплотнение с двух сторон. Разъемное наружное кольцо со смазочными отверстиями. | 120.00 | 210.00 | 115.00 |
| GEG120ES | Шарнирный подшипник. Повышенной грузоподъемности. Разъемное наружное кольцо со смазочными отверстиями. | 120.00 | 210.00 | 115.00 |
| GEG120XT-2RS | Шарнирный подшипник. Резиновые уплотнения с каждой стороны подшипника. Закаленная и шлифованная сталь. Скользящая поверхность покрыта твердым хромом и отполирована. | 120.00 | 210.00 | 115.00 |
| GE 120 XES | Шарнирный подшипник. Габаритные размеры отличаются от стандарта ISO или опорные ролики с цилиндрической наружной поверхностью. Антизадирная пластичная смазка. | 120.00 | 210.00 | 115.00 |
| GE 120 HS-2RS | Шарнирный подшипник. Контактные уплотнения типа RS с обеих сторон игольчатого роликоподшипника. Антизадирная пластичная смазка. High Speed Design. | 120.00 | 210.00 | 115.00 |
| GE 120 HCR-2RS | Шарнирный подшипник. Контактные уплотнения типа RS с обеих сторон игольчатого роликоподшипника. Антизадирная пластичная смазка. | 120.00 | 210.00 | 115.00 |
| GE 120 XES-2RS | Шарнирный подшипник. Контактные уплотнения типа RS с обеих сторон игольчатого роликоподшипника. Габаритные размеры отличаются от стандарта ISO или опорные ролики с цилиндрической наружной поверхностью. Антизадирная пластичная смазка. | 120.00 | 210.00 | 115.00 |
| GE120FW-2RS | Шарнирный подшипник. Контактные уплотнения типа RS с обеих сторон игольчатого роликоподшипника. СкользящаКонтактная поверхность из хром/PTFE. Широкое внутреннее кольцо. Антизадирная пластичная смазка. | 120.00 | 210.00 | 115.00 |
| GEG 120 ET 2RS | Шарнирный подшипник. Резиновые уплотнения с каждой стороны подшипника. Сквозная закалка и шлифовка стали с переломом в одной точке. | 120.00 | 210.00 | 115.00 |
| GE120XDO-2RS | Шарнирный подшипник. Резиновые уплотнения с каждой стороны подшипника. | 120.00 | 210.00 | 115.00 |
| GEH120ES-2LS | Шарнирный подшипник. Контактное уплотнение с обеих сторон подшипника. Разъемное наружное кольцо со смазочными отверстиями. | 120.00 | 210.00 | 115.00 |
| GEH 120 TXA-2LS | Шарнирный подшипник. Контактное уплотнение с обеих сторон подшипника. Machined One-Piece Retainer Made From Special Material. Working Temperature -50°C/+260°C. | 120.00 | 210.00 | 115.00 |
| GEH 120 TXG3A-2LS | Шарнирный подшипник. Контактное уплотнение с обеих сторон подшипника. Stainless Steel X46Cr13/1.4034. Hardened. Ground. Split Two-Piece. Held Together By One Steel Band. | 120.00 | 210.00 | 115.00 |
Способы доставки
Отправка через ведущие транспортные и курьерские компании: ПЭК, Деловые Линии, СДЭК, Байкал-Сервис, Энергия, КИТ, ЖелДорЭкспедиция.
Самовывоз возможен напрямую со склада в Москве.
Сроки доставки
Срок зависит от региона и выбранной транспортной компании. Все заказы комплектуются и отправляются в кратчайшие сроки со склада в Москве.
Надёжность и сохранность
Вся продукция упаковывается с учётом требований транспортировки. Мы гарантируем, что подшипники и комплектующие прибудут к заказчику в полной сохранности.
Доставка в страны ЕАЭС
Мы работаем с проверенными логистическими партнёрами, что позволяет оперативно доставлять заказы в Беларусь, Казахстан, Армению и другие страны ЕАЭС.
Варианты оплаты:
Минимальная сумма заказа и скидки:
Документы и гарантии:
Да, конечно! Наши технические специалисты готовы помочь вам с подбором точного аналога или замены подшипника. Просто позвоните нам по телефону +7 (495) 104-99-04 или напишите на почту zakaz@podsnab.ru.
Для оперативной консультации подготовьте, пожалуйста, имеющиеся данные: маркировку, размеры, тип оборудования или артикул старого подшипника.
Да, конечно! Мы высоко ценим долгосрочное сотрудничество и доверие клиентов по всей России. Для постоянных клиентов действует персональная система скидок.
Условия формируются индивидуально и зависят от:
Чтобы узнать свои условия и получить максимально выгодное предложение, свяжитесь с персональным менеджером или напишите нам на почту zakaz@podsnab.ru.
Вы можете оформить заказ несколькими способами:
Для оформления заказа от юридического лица свяжитесь с нашим отделом по работе с корпоративными клиентами по телефону +7 (495) 104-99-04 или напишите на email zakaz@podsnab.ru, прикрепив реквизиты вашей организации.
Мы оперативно подготовим коммерческое предложение и выставим счет.
Возврат товара надлежащего качества возможен в течение 10 дней с момента получения, если товар не был в употреблении, сохранен товарный вид, упаковка не вскрывалась и присутствуют все сопроводительные документы.
Возврат денежных средств осуществляется в течение 10 рабочих дней после проверки товара складом.
В соответствии с законодательством возврату не подлежат подшипники надлежащего качества, если отсутствует оригинальная упаковка или имеются следы монтажа.
В случае выявления брака или гарантийного случая мы гарантируем возврат или обмен товара.
Да, гарантийный срок хранения устанавливается заводом-изготовителем и в среднем составляет 2 года при соблюдении условий хранения: сухое помещение, оригинальная упаковка и смазка.
Точный срок для конкретного типа подшипника уточняйте у наших менеджеров.
Пн–Пт: с 8:00 до 17:00 (МСК).
Сб–Вс: выходные дни.
Заказы на сайте принимаются круглосуточно. Заявки, поступившие после окончания рабочего дня, обрабатываются на следующий рабочий день.
Минимальная сумма заказа для доставки составляет 3000 рублей. Самовывоз со склада возможен на любую сумму при наличии товара.
ООО «УралТехГрупп»
ИНН: 7415093830
КПП: 772401001
ОГРН: 1167456069021
Банк: ПАО Сбербанк
Р/с: 40702810838000475273
К/с: 30101810400000000225
БИК: 044525225
У подшипника BCZ-0087 пока нет отзывов. Вы можете стать первым покупателем, поделившимся своим мнением.