Поиск подшипника
Статьи
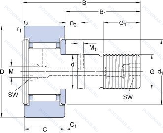
KR 47 XB — Роликовый радиальный подшипник, основное исполнение, производство SKF.
Размер подшипника: 20x47x66 мм.
Международная стандартизации ISO
KR47XB
В наличии
| Обозначение | Конструктивные особенности | Внутренний (d) | Наружный (D) | Ширина (B) |
|---|---|---|---|---|
| NUKR47A | Кулачковый ролик толкатель. Измененная или модифицированная внутренняя конструкция при неизменных основных размерах. | 20.00 | 47.00 | 66.00 |
| NUKR47XA | Кулачковый ролик толкатель. (Cone/Inner Race And Cup/Outer Race) Special Feature Bearing (Non-Interchangeable With Bearings Having The Same Basic Part Number). | 20.00 | 47.00 | 66.00 |
| NUKR47.2SK | Кулачковый ролик толкатель. Two Hexagonal Socket In Flange End. | 20.00 | 47.00 | 66.00 |
| KR47PPA | Кулачковый ролик толкатель. Скользящие уплотнительные кольца из полиамида с обеих сторон, улучшенный корончатый профиль рабочей поверхности наружного кольца. | 20.00 | 47.00 | 66.00 |
| NUKR47X | Кулачковый ролик толкатель. Измененные размеры границ. введенные пересмотренными стандартами ISO. | 20.00 | 47.00 | 66.00 |
| NUKR47AA.DZ | Кулачковый ролик толкатель. Опорные ролики игольчатого типа. Цилиндрический наружный диаметр. Литой сепаратор оконного типа из полиамида. усиленного стекловолокном. Измененный внутренний дизайн. | 20.00 | 47.00 | 66.00 |
| NUKR47AA | Кулачковый ролик толкатель. Измененный внутренний дизайн. | 20.00 | 47.00 | 66.00 |
| PWKR47-2RS | Кулачковый ролик толкатель. Резиновые уплотнения с каждой стороны подшипника. | 20.00 | 47.00 | 66.00 |
| KR47PPXA | Кулачковый ролик толкатель. С внутренним шестигранником и оптимизированным профилем. Скользящие уплотнительные кольца из полиамида с обеих сторон, улучшенный корончатый профиль рабочей поверхности наружного кольца. | 20.00 | 47.00 | 66.00 |
| NUKR47PP | Кулачковый ролик толкатель. Манжетное уплотнение с обеих сторон. | 20.00 | 47.00 | 66.00 |
| NUKR47XH/3AS | Кулачковый ролик толкатель. Double Row Flanged Cup. Смазка. Shell Oil Co. Смазка Alvania #3, стандартная заливка.. | 20.00 | 47.00 | 66.00 |
| NUKR47NMT | Кулачковый ролик толкатель. Шестигранная гайка. | 20.00 | 47.00 | 66.00 |
| MCF47SB | Кулачковый ролик толкатель. Double Row. Angular Contact. Non-Filling Notch Bearing. With Outwardly Convergent Угол контактаs. Rigid Design. | 20.00 | 47.00 | 66.10 |
| NUKR47-A-NMT | Кулачковый ролик толкатель. Двухрядный радиально-упорный шарикоподшипник без отверстия для смазки. Шестигранная гайка. | 20.00 | 47.00 | 66.00 |
| NUKR47X A NMT | Кулачковый ролик толкатель. Двухрядный радиально-упорный шарикоподшипник без отверстия для смазки. Цилиндрическая рабочая поверхность. Шестигранная гайка. | 20.00 | 47.00 | 66.00 |
Способы доставки
Отправка через ведущие транспортные и курьерские компании: ПЭК, Деловые Линии, СДЭК, Байкал-Сервис, Энергия, КИТ, ЖелДорЭкспедиция.
Самовывоз возможен напрямую со склада в Москве.
Сроки доставки
Срок зависит от региона и выбранной транспортной компании. Все заказы комплектуются и отправляются в кратчайшие сроки со склада в Москве.
Надёжность и сохранность
Вся продукция упаковывается с учётом требований транспортировки. Мы гарантируем, что подшипники и комплектующие прибудут к заказчику в полной сохранности.
Доставка в страны ЕАЭС
Мы работаем с проверенными логистическими партнёрами, что позволяет оперативно доставлять заказы в Беларусь, Казахстан, Армению и другие страны ЕАЭС.
Варианты оплаты:
Минимальная сумма заказа и скидки:
Документы и гарантии:
Да, конечно! Наши технические специалисты готовы помочь вам с подбором точного аналога или замены подшипника. Просто позвоните нам по телефону +7 (495) 104-99-04 или напишите на почту zakaz@podsnab.ru.
Для оперативной консультации подготовьте, пожалуйста, имеющиеся данные: маркировку, размеры, тип оборудования или артикул старого подшипника.
Да, конечно! Мы высоко ценим долгосрочное сотрудничество и доверие клиентов по всей России. Для постоянных клиентов действует персональная система скидок.
Условия формируются индивидуально и зависят от:
Чтобы узнать свои условия и получить максимально выгодное предложение, свяжитесь с персональным менеджером или напишите нам на почту zakaz@podsnab.ru.
Вы можете оформить заказ несколькими способами:
Для оформления заказа от юридического лица свяжитесь с нашим отделом по работе с корпоративными клиентами по телефону +7 (495) 104-99-04 или напишите на email zakaz@podsnab.ru, прикрепив реквизиты вашей организации.
Мы оперативно подготовим коммерческое предложение и выставим счет.
Возврат товара надлежащего качества возможен в течение 10 дней с момента получения, если товар не был в употреблении, сохранен товарный вид, упаковка не вскрывалась и присутствуют все сопроводительные документы.
Возврат денежных средств осуществляется в течение 10 рабочих дней после проверки товара складом.
В соответствии с законодательством возврату не подлежат подшипники надлежащего качества, если отсутствует оригинальная упаковка или имеются следы монтажа.
В случае выявления брака или гарантийного случая мы гарантируем возврат или обмен товара.
Да, гарантийный срок хранения устанавливается заводом-изготовителем и в среднем составляет 2 года при соблюдении условий хранения: сухое помещение, оригинальная упаковка и смазка.
Точный срок для конкретного типа подшипника уточняйте у наших менеджеров.
Пн–Пт: с 8:00 до 17:00 (МСК).
Сб–Вс: выходные дни.
Заказы на сайте принимаются круглосуточно. Заявки, поступившие после окончания рабочего дня, обрабатываются на следующий рабочий день.
Минимальная сумма заказа для доставки составляет 3000 рублей. Самовывоз со склада возможен на любую сумму при наличии товара.
ООО «УралТехГрупп»
ИНН: 7415093830
КПП: 772401001
ОГРН: 1167456069021
Банк: ПАО Сбербанк
Р/с: 40702810838000475273
К/с: 30101810400000000225
БИК: 044525225
У подшипника KR 47 XB пока нет отзывов. Вы можете стать первым покупателем, поделившимся своим мнением.