Поиск подшипника
Статьи
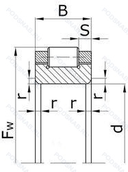
502307 — Роликовый радиальный подшипник, основное исполнение, производство ГПЗ.
Размер подшипника: 35x35x21 мм.
Государственный стандарт ГОСТ
502307
В наличии
| Обозначение | Конструктивные особенности | Внутренний (d) | Наружный (D) | Ширина (B) |
|---|---|---|---|---|
| 89307-TV | Роликовый цилиндрический упорный подшипник. Прочный сепаратор из полиамида. армированного стекловолокном. | 35.00 | 68.00 | 20.00 |
| LR5007-2RS | Опорный ролик. Резиновые уплотнения с каждой стороны подшипника. | 35.00 | 68.00 | 20.00 |
| DG3458AW 2RS E C5 | Подшипник однорядный шариковый радиальный. Повышенная грузоподъемность. Два резиновых уплотнения. Internal Clearance Higher Than C4. Скользящая контактная поверхность из твердого хрома/Elgoglide®. | 34.00 | 68.00 | 21.00 |
| 512332.F54 | Подшипник однорядный шариковый радиальный. Bearings for Adam Opel and General Motors (All Plants)_ Preservation And Packaging Specifications_ Restricted Width Tolerance. | 35.00 | 67.00 | 21.50 |
| 360422C | Подшипник однорядный шариковый радиальный. Внутренние изменения в конструкции. | 35.00 | 67.00 | 21.50 |
| 509271D | Подшипник однорядный шариковый радиальный. Половина целого игольчатого валика. Применять суффикс 'D' в базовом номере. | 35.00 | 67.00 | 21.50 |
| 509271A | Подшипник однорядный шариковый радиальный. Модификация внутренней конструкции. | 35.00 | 67.00 | 21.50 |
| 19138X/19269 | Однорядный конический роликовый подшипник. Измененные размеры границ. введенные пересмотренными стандартами ISO. | 35.00 | 68.26 | 20.00 |
| DG3468AW 2RS E C5 | Подшипник однорядный шариковый радиальный. Повышенная грузоподъемность. Два резиновых уплотнения. Internal Clearance Higher Than C4. Скользящая контактная поверхность из твердого хрома/Elgoglide®. | 34.00 | 68.00 | 21.00 |
| 89307-TVPB | Роликовый цилиндрический упорный подшипник. Литой полиамидный сепаратор оконного типа. направляющий внутреннее кольцо. | 35.00 | 68.00 | 20.00 |
| RNU070720-3 | Роликовый радиальный однорядный подшипник. Размерные и геометрические допуски соответствуют классу точности P6. | 35.00 | 68.00 | 20.00 |
| 14585/25 | Роликовый радиальный-упорный однорядный подшипник. Distance Between Beginning Of The Rail And First Hole In MM. | 34.92 | 68.26 | 20.64 |
| 89307 TN | Роликовый упорный цилиндрический однорядный подшипник. литой под давлением сепаратор из полиамида 6.6. центрированный роликовый элемент. | 35.00 | 68.00 | 20.00 |
| HL-NK35X68X20-1T#01 | Роликовый игольчатый подшипник однорядный. Шестигранное отверстие (кулачковые ролики с осью). Одно уплотнение. Изменённая фаска. Design. | 35.00 | 68.00 | 20.00 |
| 80035/80068C | Роликовый радиальный-упорный однорядный подшипник. 15° Угол контакта. | 35.00 | 68.00 | 20.63 |
Способы доставки
Отправка через ведущие транспортные и курьерские компании: ПЭК, Деловые Линии, СДЭК, Байкал-Сервис, Энергия, КИТ, ЖелДорЭкспедиция.
Самовывоз возможен напрямую со склада в Москве.
Сроки доставки
Срок зависит от региона и выбранной транспортной компании. Все заказы комплектуются и отправляются в кратчайшие сроки со склада в Москве.
Надёжность и сохранность
Вся продукция упаковывается с учётом требований транспортировки. Мы гарантируем, что подшипники и комплектующие прибудут к заказчику в полной сохранности.
Доставка в страны ЕАЭС
Мы работаем с проверенными логистическими партнёрами, что позволяет оперативно доставлять заказы в Беларусь, Казахстан, Армению и другие страны ЕАЭС.
Варианты оплаты:
Минимальная сумма заказа и скидки:
Документы и гарантии:
Да, конечно! Наши технические специалисты готовы помочь вам с подбором точного аналога или замены подшипника. Просто позвоните нам по телефону +7 (495) 104-99-04 или напишите на почту zakaz@podsnab.ru.
Для оперативной консультации подготовьте, пожалуйста, имеющиеся данные: маркировку, размеры, тип оборудования или артикул старого подшипника.
Да, конечно! Мы высоко ценим долгосрочное сотрудничество и доверие клиентов по всей России. Для постоянных клиентов действует персональная система скидок.
Условия формируются индивидуально и зависят от:
Чтобы узнать свои условия и получить максимально выгодное предложение, свяжитесь с персональным менеджером или напишите нам на почту zakaz@podsnab.ru.
Вы можете оформить заказ несколькими способами:
Для оформления заказа от юридического лица свяжитесь с нашим отделом по работе с корпоративными клиентами по телефону +7 (495) 104-99-04 или напишите на email zakaz@podsnab.ru, прикрепив реквизиты вашей организации.
Мы оперативно подготовим коммерческое предложение и выставим счет.
Возврат товара надлежащего качества возможен в течение 10 дней с момента получения, если товар не был в употреблении, сохранен товарный вид, упаковка не вскрывалась и присутствуют все сопроводительные документы.
Возврат денежных средств осуществляется в течение 10 рабочих дней после проверки товара складом.
В соответствии с законодательством возврату не подлежат подшипники надлежащего качества, если отсутствует оригинальная упаковка или имеются следы монтажа.
В случае выявления брака или гарантийного случая мы гарантируем возврат или обмен товара.
Да, гарантийный срок хранения устанавливается заводом-изготовителем и в среднем составляет 2 года при соблюдении условий хранения: сухое помещение, оригинальная упаковка и смазка.
Точный срок для конкретного типа подшипника уточняйте у наших менеджеров.
Пн–Пт: с 8:00 до 17:00 (МСК).
Сб–Вс: выходные дни.
Заказы на сайте принимаются круглосуточно. Заявки, поступившие после окончания рабочего дня, обрабатываются на следующий рабочий день.
Минимальная сумма заказа для доставки составляет 3000 рублей. Самовывоз со склада возможен на любую сумму при наличии товара.
ООО «УралТехГрупп»
ИНН: 7415093830
КПП: 772401001
ОГРН: 1167456069021
Банк: ПАО Сбербанк
Р/с: 40702810838000475273
К/с: 30101810400000000225
БИК: 044525225
У подшипника 502307 пока нет отзывов. Вы можете стать первым покупателем, поделившимся своим мнением.