Поиск подшипника
Статьи
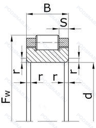
502309 — Роликовый радиальный подшипник, основное исполнение, производство ГПЗ.
Размер подшипника: 45x45x25 мм.
Аналоги: RN309.
Государственный стандарт ГОСТ
502309
В наличии
| Обозначение | Конструктивные изменения |
|---|---|
| 6-502309 М1 | Модифицированный контакт.. |
| 502309-М | Модифицированный контакт.. |
| 502309-М1 | Модифицированный контакт.. |
Модификации роликового подшипника 502309 — это измененное основное конструктивное исполнение 502309, основные размеры (45x45x25) не отличаются.
| Обозначение | Конструктивные особенности | Внутренний (d) | Наружный (D) | Ширина (B) |
|---|---|---|---|---|
| E32209J | Роликовый радиальный-упорный однорядный подшипник. Дорожки качения наружного кольца. угол контакта и ширина наружного кольца в соответствии с ISO. | 45.00 | 85.00 | 24.75 |
| HR32209CJ | Роликовый радиальный-упорный конический однорядный подшипник. Стальной сепаратор из двух частей оконного типа. Для конических роликоподшипников и радиальных шарикоподшипников. | 45.00 | 85.00 | 24.75 |
| X32209M/Y32209M | Роликовый радиальный-упорный однорядный подшипник. Подшипник с латунным сепаратором. центрированный по телам качения. | 45.00 | 85.00 | 24.75 |
| BMB-6209/080S2/UB108A | Шариковый радиальный подшипник. Измененная или модифицированная внутренняя конструкция при неизменных основных размерах. | 45.00 | 85.00 | 25.20 |
| BMB-6209/080S2/UB008A | Шариковый радиальный подшипник. Измененная или модифицированная внутренняя конструкция при неизменных основных размерах. | 45.00 | 85.00 | 25.20 |
| 67809ЛK | Роликовый радиальный-упорный однорядный подшипник. Коническое отверстие. Конусность 1/12. Сепаратор из латуни.. | 45.00 | 85.00 | 24.50 |
| 7509-К | Роликовый радиальный-упорный однорядный подшипник. Кольцевая проточка на середине цилиндрической наружной поверхности наружного кольца плюс три отверстия для смазки. | 45.00 | 85.00 | 24.75 |
| 119044X/119085C | Роликовый радиальный-упорный однорядный подшипник. 15° Угол контакта. | 44.45 | 85.00 | 24.75 |
| 119045/119085C | Роликовый радиальный-упорный однорядный подшипник. 15° Угол контакта. | 45.00 | 85.00 | 24.75 |
| HI-CAP 57276 | Роликовый радиальный-упорный однорядный подшипник. Угол контакта 20 градусов. | 45.00 | 85.00 | 24.75 |
| HI-CAP 57396R/32209J | Роликовый радиальный-упорный однорядный подшипник. Угол контакта 20 градусов. | 45.00 | 85.00 | 24.70 |
| 32209CR | Роликовый радиальный-упорный однорядный подшипник. (TB-Segment) Phenolic (Composition) Fafnir Standard. | 45.00 | 85.00 | 24.75 |
| 32209JR-1 | Роликовый радиальный-упорный однорядный подшипник. Number Of Carriages Per Rail Track. TAPERED ROLLER BEARING CONFORMING TO ISO R355 (SUB-UNIT. METRIC SERIES). EXAMPLE/ 30206JR. | 45.00 | 85.00 | 24.75 |
| 8-127509 А | Роликовый радиальный-упорный однорядный подшипник. Повышенная грузоподъемность. | 45.00 | 85.00 | 24.75 |
| 6-127509 А | Роликовый радиальный-упорный однорядный подшипник. Повышенная грузоподъемность. | 45.00 | 85.00 | 24.75 |
Способы доставки
Отправка через ведущие транспортные и курьерские компании: ПЭК, Деловые Линии, СДЭК, Байкал-Сервис, Энергия, КИТ, ЖелДорЭкспедиция.
Самовывоз возможен напрямую со склада в Москве.
Сроки доставки
Срок зависит от региона и выбранной транспортной компании. Все заказы комплектуются и отправляются в кратчайшие сроки со склада в Москве.
Надёжность и сохранность
Вся продукция упаковывается с учётом требований транспортировки. Мы гарантируем, что подшипники и комплектующие прибудут к заказчику в полной сохранности.
Доставка в страны ЕАЭС
Мы работаем с проверенными логистическими партнёрами, что позволяет оперативно доставлять заказы в Беларусь, Казахстан, Армению и другие страны ЕАЭС.
Варианты оплаты:
Минимальная сумма заказа и скидки:
Документы и гарантии:
Да, конечно! Наши технические специалисты готовы помочь вам с подбором точного аналога или замены подшипника. Просто позвоните нам по телефону +7 (495) 104-99-04 или напишите на почту zakaz@podsnab.ru.
Для оперативной консультации подготовьте, пожалуйста, имеющиеся данные: маркировку, размеры, тип оборудования или артикул старого подшипника.
Да, конечно! Мы высоко ценим долгосрочное сотрудничество и доверие клиентов по всей России. Для постоянных клиентов действует персональная система скидок.
Условия формируются индивидуально и зависят от:
Чтобы узнать свои условия и получить максимально выгодное предложение, свяжитесь с персональным менеджером или напишите нам на почту zakaz@podsnab.ru.
Вы можете оформить заказ несколькими способами:
Для оформления заказа от юридического лица свяжитесь с нашим отделом по работе с корпоративными клиентами по телефону +7 (495) 104-99-04 или напишите на email zakaz@podsnab.ru, прикрепив реквизиты вашей организации.
Мы оперативно подготовим коммерческое предложение и выставим счет.
Возврат товара надлежащего качества возможен в течение 10 дней с момента получения, если товар не был в употреблении, сохранен товарный вид, упаковка не вскрывалась и присутствуют все сопроводительные документы.
Возврат денежных средств осуществляется в течение 10 рабочих дней после проверки товара складом.
В соответствии с законодательством возврату не подлежат подшипники надлежащего качества, если отсутствует оригинальная упаковка или имеются следы монтажа.
В случае выявления брака или гарантийного случая мы гарантируем возврат или обмен товара.
Да, гарантийный срок хранения устанавливается заводом-изготовителем и в среднем составляет 2 года при соблюдении условий хранения: сухое помещение, оригинальная упаковка и смазка.
Точный срок для конкретного типа подшипника уточняйте у наших менеджеров.
Пн–Пт: с 8:00 до 17:00 (МСК).
Сб–Вс: выходные дни.
Заказы на сайте принимаются круглосуточно. Заявки, поступившие после окончания рабочего дня, обрабатываются на следующий рабочий день.
Минимальная сумма заказа для доставки составляет 3000 рублей. Самовывоз со склада возможен на любую сумму при наличии товара.
ООО «УралТехГрупп»
ИНН: 7415093830
КПП: 772401001
ОГРН: 1167456069021
Банк: ПАО Сбербанк
Р/с: 40702810838000475273
К/с: 30101810400000000225
БИК: 044525225
У подшипника 502309 пока нет отзывов. Вы можете стать первым покупателем, поделившимся своим мнением.