Поиск подшипника
Статьи
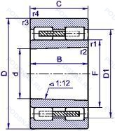
4-4162928 — Роликовый радиальный двухрядный подшипник, модификация основного исполнения 4162928, производство ГПЗ.
Размер подшипника: 140x190x50 мм.
Государственный стандарт ГОСТ
44162928
В наличии
| Обозначение | Конструктивные изменения |
|---|---|
| 6-4162928 | Роликовый радиальный двухрядный подшипник. |
| 4162928 | Роликовый радиальный двухрядный подшипник. Основное конструктивное исполнение. |
| 2-4162928 | Роликовый радиальный двухрядный подшипник. |
| 4162928К | Роликовый радиальный двухрядный подшипник. |
| 5-4162928 | Роликовый радиальный двухрядный подшипник. |
Модификации роликового подшипника 4-4162928 — это измененное основное конструктивное исполнение 4162928, основные размеры (140x190x50) не отличаются.
| Обозначение | Гост | Конструктивные особенности |
|---|---|---|
| NNU4928MBKR | ISO | Роликовый радиальный двухрядный подшипник. |
| NNU4928MB | ISO | сепаратор из латуни. центрированный по внутреннему кольцу. |
| RS-4928E4 | ISO | Канавка для смазки и три отверстия во внешнем кольце подшипника. |
| RSF-4928E4 | ISO | Канавка для смазки и три отверстия во внешнем кольце подшипника. |
| NN4928KC1NAP4 | ISO | Роликовый радиальный двухрядный подшипник. |
| NN4928C1NAP4 | ISO | Роликовый радиальный двухрядный подшипник. |
| NNU4928C1NAP4 | ISO | Роликовый радиальный двухрядный подшипник. |
| NNU4928KC1NAP4 | ISO | Роликовый радиальный двухрядный подшипник. |
| 4262928 | ГОСТ | Роликовый радиальный двухрядный подшипник. |
| NN4928 | ISO | Канавка под стопорное кольцо на наружном кольце подшипника. Двухрядный цилиндрический роликовый подшипник. |
| NN4928K | ISO | Коническое внутреннее отверстие. Двухрядный цилиндрический роликовый подшипник. |
| NNU4928 V | ISO | Бессепараторный подшипник. Двухрядный цилиндрический роликовый подшипник. |
| NNU4928K V | ISO | Коническое внутреннее отверстие. Бессепараторный подшипник. Двухрядный цилиндрический роликовый подшипник. |
| NAU 4928 | ISO | Роликовый радиальный двухрядный подшипник. |
| NNU 4928 SPW33 | ISO | Роликовый радиальный двухрядный подшипник. |
| NNU 4928 K/SPW33 | ISO | Коническое отверстие. Конусность 1/12. |
| DC4928VW | ISO | Роликовый радиальный двухрядный подшипник. |
| DC4928AVW | ISO | Роликовый радиальный двухрядный подшипник. |
| RB4928 | ISO | Роликовый радиальный двухрядный подшипник. |
| RC4928 | ISO | Роликовый радиальный двухрядный подшипник. |
Аналог роликового подшипника 4-4162928 — это подшипник такого же размера dx140,Dx190,Bx50, типа и конструкции.
| Обозначение | Конструктивные особенности | Внутренний (d) | Наружный (D) | Ширина (B) |
|---|---|---|---|---|
| NA4928-XL-C3-4S | Роликовый игольчатый подшипник. Внутренний зазор больше нормального. Серия X-Life премиум-класс. увеличиный срок службы. If Two Or More Bearings Are Located Adjacent To Each Other In A Planet (2. 3 Or 4 Bearings). These Must Be Ordered Using The Suffix 2S. 3S Or 4S So That They Are Sorted Together. | 140.00 | 190.00 | 50.00 |
| NNU4928BE3 C3 P4 | Подшипник роликовый цилиндрический двухрядный. Внутренний зазор больше нормального. Класс точности Р4 по ISO (точнее. чем P5) - Abec.7. | 140.00 | 190.00 | 50.00 |
| SL014928-A | Подшипник роликовый цилиндрический двухрядный. Особенность внутренней конструкции. | 140.00 | 190.00 | 50.00 |
| SL02-4928A C3 | Подшипник роликовый цилиндрический двухрядный. Внутренний зазор больше нормального. Особенность внутренней конструкции. | 140.00 | 190.00 | 50.00 |
| SL184928-A-C3 | Подшипник роликовый цилиндрический двухрядный. Внутренний зазор больше нормального. Особенность внутренней конструкции. | 140.00 | 190.00 | 50.00 |
| NNC4928V.C3 | Подшипник роликовый цилиндрический двухрядный. Внутренний зазор больше нормального. Подшипник без сепаратора. С полным комплектом тел качения. | 140.00 | 190.00 | 50.00 |
| NNU4928-S-K-M-SP-C2 | Подшипник роликовый цилиндрический двухрядный. Канавка для смазки и три отверстия во внешнем кольце подшипника. Коническое отверстие. конус 1/12. Внутренний зазор подшипника меньше нормального. Латунный сепаратор. Центрированный по роликам. Точность размеров примерно соответствует классу точности Р5. биения — классу точности Р4. | 140.00 | 190.00 | 50.00 |
| NNCF4928-V-C3 | Подшипник роликовый цилиндрический двухрядный. Внутренний зазор больше нормального. Подшипник без сепаратора. С полным комплектом тел качения. | 140.00 | 190.00 | 50.00 |
| NNCF 4928 CV | Роликовый радиальный цилиндрический двухрядный подшипник. Полноразмерный цилиндрический роликоподшипник с модифицированной внутренней конструкцией. | 140.00 | 190.00 | 50.00 |
| NNU4928K | Роликовый радиальный цилиндрический двухрядный подшипник. Коническое внутреннее отверстие. Двухрядный цилиндрический роликовый подшипник. | 140.00 | 190.00 | 50.00 |
| NNU4928 | Роликовый радиальный цилиндрический двухрядный подшипник. Сталь сквозной закалки SUJ2 (японская) и взаимозаменяемость (только для метрических серий). Канавка под стопорное кольцо на наружном кольце подшипника. Двухрядный цилиндрический роликовый подшипник. | 140.00 | 190.00 | 50.00 |
| NNU4928K/W33 | Роликовый радиальный цилиндрический однорядный подшипник. Канавка для смазки и три отверстия во внешнем кольце подшипника. Коническое отверстие. Конусность 1/12. | 140.00 | 190.00 | 50.00 |
| NNU4928/W33 | Роликовый радиальный цилиндрический однорядный подшипник. Канавка для смазки и три отверстия во внешнем кольце подшипника. | 140.00 | 190.00 | 50.00 |
| NA4928-2RS | Роликовый игольчатый подшипник однорядный. Резиновые уплотнения с каждой стороны подшипника. | 140.00 | 190.00 | 50.00 |
| 4074928-К1 | Роликовый радиальный однорядный подшипник. Кольцевая проточка на середине цилиндрической наружной поверхности наружного кольца плюс три отверстия для смазки. | 140.00 | 190.00 | 50.00 |
Способы доставки
Отправка через ведущие транспортные и курьерские компании: ПЭК, Деловые Линии, СДЭК, Байкал-Сервис, Энергия, КИТ, ЖелДорЭкспедиция.
Самовывоз возможен напрямую со склада в Москве.
Сроки доставки
Срок зависит от региона и выбранной транспортной компании. Все заказы комплектуются и отправляются в кратчайшие сроки со склада в Москве.
Надёжность и сохранность
Вся продукция упаковывается с учётом требований транспортировки. Мы гарантируем, что подшипники и комплектующие прибудут к заказчику в полной сохранности.
Доставка в страны ЕАЭС
Мы работаем с проверенными логистическими партнёрами, что позволяет оперативно доставлять заказы в Беларусь, Казахстан, Армению и другие страны ЕАЭС.
Варианты оплаты:
Минимальная сумма заказа и скидки:
Документы и гарантии:
Да, конечно! Наши технические специалисты готовы помочь вам с подбором точного аналога или замены подшипника. Просто позвоните нам по телефону +7 (495) 104-99-04 или напишите на почту zakaz@podsnab.ru.
Для оперативной консультации подготовьте, пожалуйста, имеющиеся данные: маркировку, размеры, тип оборудования или артикул старого подшипника.
Да, конечно! Мы высоко ценим долгосрочное сотрудничество и доверие клиентов по всей России. Для постоянных клиентов действует персональная система скидок.
Условия формируются индивидуально и зависят от:
Чтобы узнать свои условия и получить максимально выгодное предложение, свяжитесь с персональным менеджером или напишите нам на почту zakaz@podsnab.ru.
Вы можете оформить заказ несколькими способами:
Для оформления заказа от юридического лица свяжитесь с нашим отделом по работе с корпоративными клиентами по телефону +7 (495) 104-99-04 или напишите на email zakaz@podsnab.ru, прикрепив реквизиты вашей организации.
Мы оперативно подготовим коммерческое предложение и выставим счет.
Возврат товара надлежащего качества возможен в течение 10 дней с момента получения, если товар не был в употреблении, сохранен товарный вид, упаковка не вскрывалась и присутствуют все сопроводительные документы.
Возврат денежных средств осуществляется в течение 10 рабочих дней после проверки товара складом.
В соответствии с законодательством возврату не подлежат подшипники надлежащего качества, если отсутствует оригинальная упаковка или имеются следы монтажа.
В случае выявления брака или гарантийного случая мы гарантируем возврат или обмен товара.
Да, гарантийный срок хранения устанавливается заводом-изготовителем и в среднем составляет 2 года при соблюдении условий хранения: сухое помещение, оригинальная упаковка и смазка.
Точный срок для конкретного типа подшипника уточняйте у наших менеджеров.
Пн–Пт: с 8:00 до 17:00 (МСК).
Сб–Вс: выходные дни.
Заказы на сайте принимаются круглосуточно. Заявки, поступившие после окончания рабочего дня, обрабатываются на следующий рабочий день.
Минимальная сумма заказа для доставки составляет 3000 рублей. Самовывоз со склада возможен на любую сумму при наличии товара.
ООО «УралТехГрупп»
ИНН: 7415093830
КПП: 772401001
ОГРН: 1167456069021
Банк: ПАО Сбербанк
Р/с: 40702810838000475273
К/с: 30101810400000000225
БИК: 044525225
У подшипника 4-4162928 пока нет отзывов. Вы можете стать первым покупателем, поделившимся своим мнением.