Поиск подшипника
Статьи
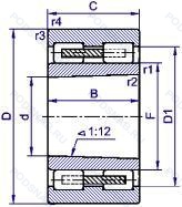
5-4162932 КЛ1Ш2 — Роликовый радиальный двухрядный подшипник, модификация основного исполнения 4162932, производство ГПЗ.
Размер подшипника: 160x220x60 мм.
Сепаратор из латуни, нормы шумности.
Государственный стандарт ГОСТ
54162932КЛ1Ш2
В наличии
| Обозначение | Конструктивные изменения |
|---|---|
| 4162932 | Роликовый радиальный двухрядный подшипник. Основное конструктивное исполнение. |
Модификации роликового подшипника 5-4162932 КЛ1Ш2 — это измененное основное конструктивное исполнение 4162932, основные размеры (160x220x60) не отличаются.
| Обозначение | Гост | Конструктивные особенности |
|---|---|---|
| NNU4932MBKR | ISO | Роликовый радиальный двухрядный подшипник. |
| NNU4932MB | ISO | сепаратор из латуни. центрированный по внутреннему кольцу. |
| RS-4932E4 | ISO | Канавка для смазки и три отверстия во внешнем кольце подшипника. |
| RSF-4932E4 | ISO | Канавка для смазки и три отверстия во внешнем кольце подшипника. |
| NN4932KC1NAP4 | ISO | Роликовый радиальный двухрядный подшипник. |
| NNU4932C1NAP4 | ISO | Роликовый радиальный двухрядный подшипник. |
| NNU4932KC1NAP4 | ISO | Роликовый радиальный двухрядный подшипник. |
| TS3-NNU4932KD1NAP5 | ISO | Роликовый радиальный двухрядный подшипник. |
| 4262932 | ГОСТ | Роликовый радиальный двухрядный подшипник. |
| 4722932 | ГОСТ | Роликовый радиальный двухрядный подшипник. |
| NN4932K | ISO | Коническое внутреннее отверстие. Двухрядный цилиндрический роликовый подшипник. |
| NN4932 | ISO | Канавка под стопорное кольцо на наружном кольце подшипника. Двухрядный цилиндрический роликовый подшипник. |
| NNU4932 V | ISO | Бессепараторный подшипник. Двухрядный цилиндрический роликовый подшипник. |
| NNU4932K V | ISO | Коническое внутреннее отверстие. Бессепараторный подшипник. Двухрядный цилиндрический роликовый подшипник. |
| NNU 4932 SPW33 | ISO | Роликовый радиальный двухрядный подшипник. |
| NNU 4932 K/SPW33 | ISO | Коническое отверстие. Конусность 1/12. |
| DC4932AVW | ISO | Роликовый радиальный двухрядный подшипник. |
| DC4932VW | ISO | Роликовый радиальный двухрядный подшипник. |
| RB4932 | ISO | Роликовый радиальный двухрядный подшипник. |
| RC4932 | ISO | Роликовый радиальный двухрядный подшипник. |
Аналог роликового подшипника 5-4162932 КЛ1Ш2 — это подшипник такого же размера dx160,Dx220,Bx60, типа и конструкции.
| Обозначение | Конструктивные особенности | Внутренний (d) | Наружный (D) | Ширина (B) |
|---|---|---|---|---|
| SL024932-A-C3-2S | Подшипник роликовый цилиндрический двухрядный. Внутренний зазор больше нормального. Особенность внутренней конструкции. Bearings Matched In Set Of Two For Side-By-Side Mounting. | 160.00 | 220.00 | 60.00 |
| SL184932-A | Подшипник роликовый цилиндрический двухрядный. Особенность внутренней конструкции. | 160.00 | 220.00 | 60.00 |
| NNU4932BK/SPB304W33 | Подшипник роликовый цилиндрический двухрядный. Канавка для смазки и три отверстия во внешнем кольце подшипника. Стандартная конструкция с латунным сепаратором двухконтактного типа. Специальный класс точности для станочных подшипников. Точность размеров приблизительно до P5. Точность хода приблизительно P4. Игольчатый роликовый подшипник со штампованным наружным кольцом с закрытым торцом. | 160.00 | 220.00 | 60.00 |
| NNU4932K MB E2 CC1 P4 | Подшипник роликовый цилиндрический двухрядный. Коническое отверстие. конус 1/12. Механически обработанный латунный сепаратор. клёпаный. центрируемый по внутреннему кольцу. The Outer Ring Is Available With Standardised Lubrication Hole And Groove (E44) Specification. This Allows Easy Interchange. Точность размеров и хода по классу точности 4 по ISO (более точная. чем P5) - Abec7. Для невзаимозаменяемых цилиндрических роликоподшипников. Зазор менее СС2. | 160.00 | 220.00 | 60.00 |
| NNU4932MBKRE2CC1P4 | Подшипник роликовый цилиндрический двухрядный. Обработанный латунный сепаратор. Центрированное внутреннее кольцо. The Outer Ring Is Available With Standardised Lubrication Hole And Groove (E44) Specification. This Allows Easy Interchange. Класс точности Р4 по ISO (точнее. чем P5) - Abec.7. Коническое отверстие. Для невзаимозаменяемых цилиндрических роликоподшипников. Зазор менее СС2. | 160.00 | 220.00 | 60.00 |
| NNU4932-S-M-SP-C2 | Подшипник роликовый цилиндрический двухрядный. Канавка для смазки и три отверстия во внешнем кольце подшипника. Внутренний зазор подшипника меньше нормального. Латунный сепаратор. Центрированный по роликам. Точность размеров примерно соответствует классу точности Р5. биения — классу точности Р4. | 160.00 | 220.00 | 60.00 |
| SL024932-A | Подшипник роликовый цилиндрический двухрядный. Особенность внутренней конструкции. | 160.00 | 220.00 | 60.00 |
| NNU4932M NA W33 P51 | Подшипник роликовый цилиндрический двухрядный. LUBRICATION GROOVE AND HOLES ON THE OUTER RING. MACHINED BRASS CAGE GUIDED ON THE ROLLING ELEMENTS. Радиальный зазор. Незаменяемые элементы. TOLERANCE CLASS P5 AND RADIAL CLEARANCE C1. | 160.00 | 220.00 | 60.00 |
| NNU4932B/SPCNW33 | Подшипник роликовый цилиндрический двухрядный. Канавка для смазки и три отверстия во внешнем кольце подшипника. Стандартная конструкция с латунным сепаратором двухконтактного типа. Точность размеров примерно соответствует классу точности Р5. биения — классу точности Р4. | 160.00 | 220.00 | 60.00 |
| NN3032MB | Роликовый радиальный цилиндрический двухрядный подшипник. сепаратор из латуни. центрированный по внутреннему кольцу. | 160.00 | 240.00 | 60.00 |
| NNC 4932 CV | Роликовый радиальный цилиндрический двухрядный подшипник. Полноразмерный цилиндрический роликоподшипник с модифицированной внутренней конструкцией. | 160.00 | 220.00 | 60.00 |
| NNCF 4932 CV | Роликовый радиальный цилиндрический двухрядный подшипник. Полноразмерный цилиндрический роликоподшипник с модифицированной внутренней конструкцией. | 160.00 | 220.00 | 60.00 |
| NNU4932 | Роликовый радиальный цилиндрический двухрядный подшипник. Сталь сквозной закалки SUJ2 (японская) и взаимозаменяемость (только для метрических серий). Канавка под стопорное кольцо на наружном кольце подшипника. Двухрядный цилиндрический роликовый подшипник. | 160.00 | 220.00 | 60.00 |
| NNU4932/W33 | Роликовый радиальный цилиндрический однорядный подшипник. Канавка для смазки и три отверстия во внешнем кольце подшипника. | 160.00 | 220.00 | 60.00 |
| NNU4932K/W33 | Роликовый радиальный цилиндрический однорядный подшипник. Канавка для смазки и три отверстия во внешнем кольце подшипника. Коническое отверстие. Конусность 1/12. | 160.00 | 220.00 | 60.00 |
Способы доставки
Отправка через ведущие транспортные и курьерские компании: ПЭК, Деловые Линии, СДЭК, Байкал-Сервис, Энергия, КИТ, ЖелДорЭкспедиция.
Самовывоз возможен напрямую со склада в Москве.
Сроки доставки
Срок зависит от региона и выбранной транспортной компании. Все заказы комплектуются и отправляются в кратчайшие сроки со склада в Москве.
Надёжность и сохранность
Вся продукция упаковывается с учётом требований транспортировки. Мы гарантируем, что подшипники и комплектующие прибудут к заказчику в полной сохранности.
Доставка в страны ЕАЭС
Мы работаем с проверенными логистическими партнёрами, что позволяет оперативно доставлять заказы в Беларусь, Казахстан, Армению и другие страны ЕАЭС.
Варианты оплаты:
Минимальная сумма заказа и скидки:
Документы и гарантии:
Да, конечно! Наши технические специалисты готовы помочь вам с подбором точного аналога или замены подшипника. Просто позвоните нам по телефону +7 (495) 104-99-04 или напишите на почту zakaz@podsnab.ru.
Для оперативной консультации подготовьте, пожалуйста, имеющиеся данные: маркировку, размеры, тип оборудования или артикул старого подшипника.
Да, конечно! Мы высоко ценим долгосрочное сотрудничество и доверие клиентов по всей России. Для постоянных клиентов действует персональная система скидок.
Условия формируются индивидуально и зависят от:
Чтобы узнать свои условия и получить максимально выгодное предложение, свяжитесь с персональным менеджером или напишите нам на почту zakaz@podsnab.ru.
Вы можете оформить заказ несколькими способами:
Для оформления заказа от юридического лица свяжитесь с нашим отделом по работе с корпоративными клиентами по телефону +7 (495) 104-99-04 или напишите на email zakaz@podsnab.ru, прикрепив реквизиты вашей организации.
Мы оперативно подготовим коммерческое предложение и выставим счет.
Возврат товара надлежащего качества возможен в течение 10 дней с момента получения, если товар не был в употреблении, сохранен товарный вид, упаковка не вскрывалась и присутствуют все сопроводительные документы.
Возврат денежных средств осуществляется в течение 10 рабочих дней после проверки товара складом.
В соответствии с законодательством возврату не подлежат подшипники надлежащего качества, если отсутствует оригинальная упаковка или имеются следы монтажа.
В случае выявления брака или гарантийного случая мы гарантируем возврат или обмен товара.
Да, гарантийный срок хранения устанавливается заводом-изготовителем и в среднем составляет 2 года при соблюдении условий хранения: сухое помещение, оригинальная упаковка и смазка.
Точный срок для конкретного типа подшипника уточняйте у наших менеджеров.
Пн–Пт: с 8:00 до 17:00 (МСК).
Сб–Вс: выходные дни.
Заказы на сайте принимаются круглосуточно. Заявки, поступившие после окончания рабочего дня, обрабатываются на следующий рабочий день.
Минимальная сумма заказа для доставки составляет 3000 рублей. Самовывоз со склада возможен на любую сумму при наличии товара.
ООО «УралТехГрупп»
ИНН: 7415093830
КПП: 772401001
ОГРН: 1167456069021
Банк: ПАО Сбербанк
Р/с: 40702810838000475273
К/с: 30101810400000000225
БИК: 044525225
У подшипника 5-4162932 КЛ1Ш2 пока нет отзывов. Вы можете стать первым покупателем, поделившимся своим мнением.