Поиск подшипника
Статьи
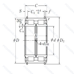
RS-5009NR — Роликовый радиальный двухрядный подшипник, модификация основного исполнения RS-5009, производство NSK.
Размер подшипника: 45x75x40 мм.
Канавка под стопорное кольцо на наружном кольце с соответствующим стопорным кольцом.
Международная стандартизации ISO
RS5009NR
В наличии
| Обозначение | Конструктивные изменения |
|---|---|
| RS-5009DSNRS5 | Две стопорные канавки во внешнем кольце. Защищенная поверхность. Фосфатированый. |
| RS-5009DSE7NAS5C3/AS2 | Внутренний зазор больше нормального. Смазка Aeroshell 7. Диапазон от –10°C до 110°C.. Подшипник с двумя смазочными отверстиями, расположенными под углом 180° во внешнем кольце. Смазочные канавки и отверстия. внешние и внутренние. |
| RS-5009NRS5-1 | Две стопорные канавки во внешнем кольце. Number Of Carriages Per Rail Track. Защищенная поверхность. Фосфатированый. |
| RS-5009DSE7NAS5 | Защищенная поверхность. Фосфатированый. Смазочные канавки и отверстия. внешние и внутренние. |
| RS-5009 | Роликовый радиальный двухрядный подшипник. Основное конструктивное исполнение. |
Модификации роликового подшипника RS-5009NR — это измененное основное конструктивное исполнение RS-5009, основные размеры (45x75x40) не отличаются.
| Обозначение | Гост | Конструктивные особенности |
|---|---|---|
| SL04-5009LLNR | ISO | Роликовый радиальный двухрядный подшипник. |
| SL04-5009LLN | ISO | Роликовый радиальный двухрядный подшипник. |
| NCF5009-2LSV | ISO | Роликовый радиальный двухрядный подшипник. |
| NNF5009 V | ISO | Бессепараторный подшипник. |
| SL04-5009NR | ISO | Проточка и стопорное кольцо на наружном кольце. Внутреннее кольцо с сепаратором не совместимо с другим наружным кольцом. |
| DC5009N | ISO | Канавка под стопорное кольцо на внешнем кольце. |
| DC5009NR | ISO | Канавка под стопорное кольцо на наружном кольце с соответствующим стопорным кольцом. |
Аналог роликового подшипника RS-5009NR — это подшипник такого же размера dx45,Dx75,Bx40, типа и конструкции.
| Обозначение | Конструктивные особенности | Внутренний (d) | Наружный (D) | Ширина (B) |
|---|---|---|---|---|
| SL04-5009C3 | Подшипник роликовый цилиндрический двухрядный. Внутренний зазор больше нормального. | 45.00 | 75.00 | 40.00 |
| SL045009-PP-C3 | Подшипник роликовый цилиндрический двухрядный. Внутренний зазор больше нормального. Манжетные уплотнения с обеих сторон подшипника. | 45.00 | 75.00 | 40.00 |
| SL045009-PP-RR | Подшипник роликовый цилиндрический двухрядный. Манжетные уплотнения с обеих сторон подшипника. Защищен от коррозии специальным покрытием Corrotect®.. | 45.00 | 75.00 | 40.00 |
| SL045009-PP-C4 | Подшипник роликовый цилиндрический двухрядный. Внутренний зазор подшипника больше. чем C3. Манжетные уплотнения с обеих сторон подшипника. | 45.00 | 75.00 | 40.00 |
| SL04-5009PPX | Подшипник роликовый цилиндрический двухрядный. Подшипники и детали подшипников. наружный диаметр которых был скорректирован в соответствии с международными стандартами. Этот суффикс будет использоваться только в течение некоторого времени. (См. INA-каталог № 307 - январь 1999 г.). Манжетные уплотнения с обеих сторон подшипника. | 45.00 | 75.00 | 40.00 |
| NAS5009UU NR | Подшипник роликовый цилиндрический двухрядный. Канавка под стопорное кольцо на наружном кольце с соответствующим стопорным кольцом. Резиновые уплотнения с каждой стороны подшипника. | 45.00 | 75.00 | 40.00 |
| NNF5009 2LS | Подшипник роликовый цилиндрический двухрядный. Контактное уплотнение с обеих сторон подшипника. | 45.00 | 75.00 | 40.00 |
| SL185009-A-C3 | Подшипник роликовый цилиндрический двухрядный. Внутренний зазор больше нормального. Особенность внутренней конструкции. | 45.00 | 75.00 | 40.00 |
| SL18-5009A | Подшипник роликовый цилиндрический двухрядный. Особенность внутренней конструкции. | 45.00 | 75.00 | 40.00 |
| NNF5009ADA-2LSV | Подшипник роликовый цилиндрический двухрядный. Контактное уплотнение из полиуретана (AU) с обеих сторон подшипника. Полный комплект роликов (без сепаратора). Широкие канавки для стопорных колец на внешнем кольце. Внутреннее кольцо из двух частей. удерживаемое вместе стопорным кольцом. | 45.00 | 75.00 | 40.00 |
| NNF5009ADA-2LSV/C3 | Подшипник роликовый цилиндрический двухрядный. Внутренний зазор больше нормального. Контактное уплотнение из полиуретана (AU) с обеих сторон подшипника. Полный комплект роликов (без сепаратора). Широкие канавки для стопорных колец на внешнем кольце. Внутреннее кольцо из двух частей. удерживаемое вместе стопорным кольцом. | 45.00 | 75.00 | 40.00 |
| NNF5009ADB-2LSV/C3 | Подшипник роликовый цилиндрический двухрядный. Внутренний зазор больше нормального. Контактное уплотнение из полиуретана (AU) с обеих сторон подшипника. Полный комплект роликов (без сепаратора). Modified Snap Ring Grooves In The Outer Ring_ Two-Piece Inner Ring Held Together By A Retaining Ring. | 45.00 | 75.00 | 40.00 |
| SL045009-PP-2NR-C3-GA22 | Подшипник роликовый цилиндрический двухрядный. Внутренний зазор больше нормального. Манжетные уплотнения с обеих сторон подшипника. Supplied With Two Loose-Packed Retaining Rings WRE. Optimized Grease For All Purposes. Temperature Range Approximately -40°C / +80°C - Description/ Isoflex® LDS 18 Special A)-Is A Dynamically Light Long-Term Grease For Plain And Rolling Bearings. It Consists Of Ester Oil. Mineral Oil And Lithium Soap. The Product Is Resistant To Ageing. Oxidation And Water. And It Protects Reliably Against Corrosion. Application/ Isoflex® LDS 18 Special A Is Suitable For Plain And Rolling Bearings Operating At Low Temperatures And/Or High Speeds. For Example In Grinding Spindles. Machine Tool Spindles. Spindle Bearings. Textile Spindles. Bearings In Oe-Spinning Turbines. Bearings In Precision And Optical Equipment. | 45.00 | 75.00 | 40.00 |
| NNCF 5009 CV | Роликовый радиальный цилиндрический двухрядный подшипник. Полноразмерный цилиндрический роликоподшипник с модифицированной внутренней конструкцией. | 45.00 | 75.00 | 40.00 |
| E5009NR | Роликовый радиальный цилиндрический двухрядный подшипник. Канавка под стопорное кольцо на наружном кольце с соответствующим стопорным кольцом. | 45.00 | 75.00 | 40.00 |
Способы доставки
Отправка через ведущие транспортные и курьерские компании: ПЭК, Деловые Линии, СДЭК, Байкал-Сервис, Энергия, КИТ, ЖелДорЭкспедиция.
Самовывоз возможен напрямую со склада в Москве.
Сроки доставки
Срок зависит от региона и выбранной транспортной компании. Все заказы комплектуются и отправляются в кратчайшие сроки со склада в Москве.
Надёжность и сохранность
Вся продукция упаковывается с учётом требований транспортировки. Мы гарантируем, что подшипники и комплектующие прибудут к заказчику в полной сохранности.
Доставка в страны ЕАЭС
Мы работаем с проверенными логистическими партнёрами, что позволяет оперативно доставлять заказы в Беларусь, Казахстан, Армению и другие страны ЕАЭС.
Варианты оплаты:
Минимальная сумма заказа и скидки:
Документы и гарантии:
Да, конечно! Наши технические специалисты готовы помочь вам с подбором точного аналога или замены подшипника. Просто позвоните нам по телефону +7 (495) 104-99-04 или напишите на почту zakaz@podsnab.ru.
Для оперативной консультации подготовьте, пожалуйста, имеющиеся данные: маркировку, размеры, тип оборудования или артикул старого подшипника.
Да, конечно! Мы высоко ценим долгосрочное сотрудничество и доверие клиентов по всей России. Для постоянных клиентов действует персональная система скидок.
Условия формируются индивидуально и зависят от:
Чтобы узнать свои условия и получить максимально выгодное предложение, свяжитесь с персональным менеджером или напишите нам на почту zakaz@podsnab.ru.
Вы можете оформить заказ несколькими способами:
Для оформления заказа от юридического лица свяжитесь с нашим отделом по работе с корпоративными клиентами по телефону +7 (495) 104-99-04 или напишите на email zakaz@podsnab.ru, прикрепив реквизиты вашей организации.
Мы оперативно подготовим коммерческое предложение и выставим счет.
Возврат товара надлежащего качества возможен в течение 10 дней с момента получения, если товар не был в употреблении, сохранен товарный вид, упаковка не вскрывалась и присутствуют все сопроводительные документы.
Возврат денежных средств осуществляется в течение 10 рабочих дней после проверки товара складом.
В соответствии с законодательством возврату не подлежат подшипники надлежащего качества, если отсутствует оригинальная упаковка или имеются следы монтажа.
В случае выявления брака или гарантийного случая мы гарантируем возврат или обмен товара.
Да, гарантийный срок хранения устанавливается заводом-изготовителем и в среднем составляет 2 года при соблюдении условий хранения: сухое помещение, оригинальная упаковка и смазка.
Точный срок для конкретного типа подшипника уточняйте у наших менеджеров.
Пн–Пт: с 8:00 до 17:00 (МСК).
Сб–Вс: выходные дни.
Заказы на сайте принимаются круглосуточно. Заявки, поступившие после окончания рабочего дня, обрабатываются на следующий рабочий день.
Минимальная сумма заказа для доставки составляет 3000 рублей. Самовывоз со склада возможен на любую сумму при наличии товара.
ООО «УралТехГрупп»
ИНН: 7415093830
КПП: 772401001
ОГРН: 1167456069021
Банк: ПАО Сбербанк
Р/с: 40702810838000475273
К/с: 30101810400000000225
БИК: 044525225
У подшипника RS-5009NR пока нет отзывов. Вы можете стать первым покупателем, поделившимся своим мнением.