Поиск подшипника
Статьи
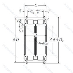
RS-5048NR — Роликовый радиальный двухрядный подшипник, модификация основного исполнения RS-5048, производство NSK.
Размер подшипника: 240x360x160 мм.
Канавка под стопорное кольцо на наружном кольце с соответствующим стопорным кольцом.
Международная стандартизации ISO
RS5048NR
В наличии
| Обозначение | Конструктивные изменения |
|---|---|
| RS-5048NRS5-1 | Две стопорные канавки во внешнем кольце. Number Of Carriages Per Rail Track. Защищенная поверхность. Фосфатированый. |
| RS-5048 | Роликовый радиальный двухрядный подшипник. Основное конструктивное исполнение. |
Модификации роликового подшипника RS-5048NR — это измененное основное конструктивное исполнение RS-5048, основные размеры (240x360x160) не отличаются.
| Обозначение | Гост | Конструктивные особенности |
|---|---|---|
| SL04-5048NR | ISO | Роликовый радиальный двухрядный подшипник. |
| NNF5048 V | ISO | Бессепараторный подшипник. |
| DC5048N | ISO | Канавка под стопорное кольцо на внешнем кольце. |
| DC5048NR | ISO | Канавка под стопорное кольцо на наружном кольце с соответствующим стопорным кольцом. |
Аналог роликового подшипника RS-5048NR — это подшипник такого же размера dx240,Dx360,Bx160, типа и конструкции.
| Обозначение | Конструктивные особенности | Внутренний (d) | Наружный (D) | Ширина (B) |
|---|---|---|---|---|
| SL185048-A-BR-C3-2S | Подшипник роликовый цилиндрический двухрядный. Внутренний зазор больше нормального. Особенность внутренней конструкции. Чёрный цвет. Bearings Matched In Set Of Two For Side-By-Side Mounting. | 240.00 | 360.00 | 160.00 |
| SL185048-TB-BR-C3-2S | Подшипник роликовый цилиндрический двухрядный. Внутренний зазор больше нормального. Чёрный цвет. Подшипник с увеличенной осевой груподъемностью. Bearings Matched In Set Of Two For Side-By-Side Mounting. | 240.00 | 360.00 | 160.00 |
| SL185048-A-BR | Подшипник роликовый цилиндрический двухрядный. Особенность внутренней конструкции. Чёрный цвет. | 240.00 | 360.00 | 160.00 |
| SL185048-TB-BR | Подшипник роликовый цилиндрический двухрядный. Чёрный цвет. Подшипник с увеличенной осевой груподъемностью. | 240.00 | 360.00 | 160.00 |
| SL185048-A-XL-BR-C3 | Подшипник роликовый цилиндрический двухрядный. Внутренний зазор больше нормального. Двухрядный радиально-упорный шарикоподшипник без отверстия для смазки. Серия X-Life премиум-класс. увеличиный срок службы. Обработанный латунный сепаратор. | 240.00 | 360.00 | 160.00 |
| SL04-5048PP 2NRX | Подшипник роликовый цилиндрический двухрядный. Подшипники и детали подшипников. наружный диаметр которых был скорректирован в соответствии с международными стандартами. Этот суффикс будет использоваться только в течение некоторого времени. (См. INA-каталог № 307 - январь 1999 г.). Манжетные уплотнения с обеих сторон подшипника. Supplied With Two Loose-Packed Retaining Rings WRE. | 240.00 | 360.00 | 160.00 |
| NNF5048 2LS | Подшипник роликовый цилиндрический двухрядный. Контактное уплотнение с обеих сторон подшипника. | 240.00 | 360.00 | 160.00 |
| SL185048-TB-BR-C3 | Подшипник роликовый цилиндрический двухрядный. Внутренний зазор больше нормального. Обработанный латунный сепаратор. Textite (Fabric-Reinforced Phenolic Resin) Cage Guided On The Inner Ring. | 240.00 | 360.00 | 160.00 |
| SL185048-TB-C3 | Подшипник роликовый цилиндрический двухрядный. Внутренний зазор больше нормального. Textite (Fabric-Reinforced Phenolic Resin) Cage Guided On The Inner Ring. | 240.00 | 360.00 | 160.00 |
| SL045048-PP-2NR-C3 | Подшипник роликовый цилиндрический двухрядный. Внутренний зазор больше нормального. Манжетные уплотнения с обеих сторон подшипника. Supplied With Two Loose-Packed Retaining Rings WRE. | 240.00 | 360.00 | 160.00 |
| SL045048-PP-2NR-C3-L0 | Подшипник роликовый цилиндрический двухрядный. Внутренний зазор больше нормального. Манжетные уплотнения с обеих сторон подшипника. Supplied With Two Loose-Packed Retaining Rings WRE. | 240.00 | 360.00 | 160.00 |
| SL045048-D-C3 | Подшипник роликовый цилиндрический двухрядный. Усовершенствованный профиль внешнего кольца. Внутренний зазор больше нормального. | 240.00 | 360.00 | 160.00 |
| SL045048-D | Подшипник роликовый цилиндрический двухрядный. Усовершенствованный профиль внешнего кольца. | 240.00 | 360.00 | 160.00 |
| NNF 5048 ADA-2LSV | Роликовый радиальный цилиндрический двухрядный подшипник. На наружном кольце широкие канавки под стопор. | 240.00 | 360.00 | 160.00 |
| E5048NR | Роликовый радиальный цилиндрический двухрядный подшипник. Канавка под стопорное кольцо на наружном кольце с соответствующим стопорным кольцом. | 240.00 | 360.00 | 160.00 |
Способы доставки
Отправка через ведущие транспортные и курьерские компании: ПЭК, Деловые Линии, СДЭК, Байкал-Сервис, Энергия, КИТ, ЖелДорЭкспедиция.
Самовывоз возможен напрямую со склада в Москве.
Сроки доставки
Срок зависит от региона и выбранной транспортной компании. Все заказы комплектуются и отправляются в кратчайшие сроки со склада в Москве.
Надёжность и сохранность
Вся продукция упаковывается с учётом требований транспортировки. Мы гарантируем, что подшипники и комплектующие прибудут к заказчику в полной сохранности.
Доставка в страны ЕАЭС
Мы работаем с проверенными логистическими партнёрами, что позволяет оперативно доставлять заказы в Беларусь, Казахстан, Армению и другие страны ЕАЭС.
Варианты оплаты:
Минимальная сумма заказа и скидки:
Документы и гарантии:
Да, конечно! Наши технические специалисты готовы помочь вам с подбором точного аналога или замены подшипника. Просто позвоните нам по телефону +7 (495) 104-99-04 или напишите на почту zakaz@podsnab.ru.
Для оперативной консультации подготовьте, пожалуйста, имеющиеся данные: маркировку, размеры, тип оборудования или артикул старого подшипника.
Да, конечно! Мы высоко ценим долгосрочное сотрудничество и доверие клиентов по всей России. Для постоянных клиентов действует персональная система скидок.
Условия формируются индивидуально и зависят от:
Чтобы узнать свои условия и получить максимально выгодное предложение, свяжитесь с персональным менеджером или напишите нам на почту zakaz@podsnab.ru.
Вы можете оформить заказ несколькими способами:
Для оформления заказа от юридического лица свяжитесь с нашим отделом по работе с корпоративными клиентами по телефону +7 (495) 104-99-04 или напишите на email zakaz@podsnab.ru, прикрепив реквизиты вашей организации.
Мы оперативно подготовим коммерческое предложение и выставим счет.
Возврат товара надлежащего качества возможен в течение 10 дней с момента получения, если товар не был в употреблении, сохранен товарный вид, упаковка не вскрывалась и присутствуют все сопроводительные документы.
Возврат денежных средств осуществляется в течение 10 рабочих дней после проверки товара складом.
В соответствии с законодательством возврату не подлежат подшипники надлежащего качества, если отсутствует оригинальная упаковка или имеются следы монтажа.
В случае выявления брака или гарантийного случая мы гарантируем возврат или обмен товара.
Да, гарантийный срок хранения устанавливается заводом-изготовителем и в среднем составляет 2 года при соблюдении условий хранения: сухое помещение, оригинальная упаковка и смазка.
Точный срок для конкретного типа подшипника уточняйте у наших менеджеров.
Пн–Пт: с 8:00 до 17:00 (МСК).
Сб–Вс: выходные дни.
Заказы на сайте принимаются круглосуточно. Заявки, поступившие после окончания рабочего дня, обрабатываются на следующий рабочий день.
Минимальная сумма заказа для доставки составляет 3000 рублей. Самовывоз со склада возможен на любую сумму при наличии товара.
ООО «УралТехГрупп»
ИНН: 7415093830
КПП: 772401001
ОГРН: 1167456069021
Банк: ПАО Сбербанк
Р/с: 40702810838000475273
К/с: 30101810400000000225
БИК: 044525225
У подшипника RS-5048NR пока нет отзывов. Вы можете стать первым покупателем, поделившимся своим мнением.