Поиск подшипника
Статьи
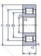
70-42213 М — Роликовый радиальный однорядный подшипник, модификация основного исполнения 42213, производство ГПЗ.
Размер подшипника: 65x120x23 мм.
Модифицированный контакт.
Государственный стандарт ГОСТ
7042213М
В наличии
| Обозначение | Конструктивные изменения |
|---|---|
| 78-42213 К3М | Модифицированный контакт.. |
| 8-42213 М | Модифицированный контакт.. |
| 42213 | Роликовый радиальный однорядный подшипник. Основное конструктивное исполнение. |
| 70-42213 К3М | Модифицированный контакт.. |
| 42213-К1М | Кольцевая проточка на середине цилиндрической наружной поверхности наружного кольца плюс три отверстия для смазки. Модифицированный контакт.. |
| 42213-КМ | Кольцевая проточка на середине цилиндрической наружной поверхности наружного кольца плюс три отверстия для смазки. Модифицированный контакт.. |
| 42213-М | Модифицированный контакт.. |
| 42213K3M | Роликовый радиальный однорядный подшипник. |
| 42213M | Подшипник с латунным сепаратором. центрированный по телам качения. |
Модификации роликового подшипника 70-42213 М — это измененное основное конструктивное исполнение 42213, основные размеры (65x120x23) не отличаются.
| Обозначение | Гост | Конструктивные особенности |
|---|---|---|
| NJ213-E-M6 | ISO | Повышенная грузоподъемность. 20-28 UM (C3 & C4). |
| NJ213-E-MPA+HJ213-E | ISO | Повышенная грузоподъемность. Твердый латунный сепаратор. |
| NJ213-E-MA6 | ISO | Повышенная грузоподъемность. Изготовленный из двух частей латунный сепаратор. Центрирование по внешнему кольцу. Различные конструкции или сорта материалов обозначаются цифрой или буквой.. |
| NJ213-E-TVP3 | ISO | Повышенная грузоподъемность. Цельный сепаратор из полиамида PA66-GF25. сепаратор оконного типа. направляемый телами качения. |
| NJ213-E-MA6+HJ213-E | ISO | Повышенная грузоподъемность. Изготовленный из двух частей латунный сепаратор. Центрирование по внешнему кольцу. Различные конструкции или сорта материалов обозначаются цифрой или буквой.. |
| NJ213-E-TVP3+HJ213-E | ISO | Повышенная грузоподъемность. Цельный сепаратор из полиамида PA66-GF25. сепаратор оконного типа. направляемый телами качения. |
| NJ213-E-M6+HJ213-E | ISO | Повышенная грузоподъемность. 20-28 UM (C3 & C4). |
| NU213-E-MA6 | ISO | Повышенная грузоподъемность. Изготовленный из двух частей латунный сепаратор. Центрирование по внешнему кольцу. Различные конструкции или сорта материалов обозначаются цифрой или буквой.. |
| NU213-E-MPA | ISO | Повышенная грузоподъемность. Твердый латунный сепаратор. |
| 6-2213 К1М | ГОСТ | Модифицированный контакт.. |
| 6-2213 КМ | ГОСТ | Модифицированный контакт.. |
| 6-2213 Л | ГОСТ | Сепаратор из латуни.. |
| 6-2213 Л1 | ГОСТ | Сепаратор из латуни.. |
| 6-32213 ДТ | ГОСТ | Сепаратор из алюминиевого сплава.. Температура отпуска. 160°. |
| 6-32213 Т | ГОСТ | Температура отпуска. 160°. |
| 60-2213 К1М | ГОСТ | Модифицированный контакт.. |
| 60-2213 КМ | ГОСТ | Кольцевая проточка на середине цилиндрической наружной поверхности наружного кольца плюс три отверстия для смазки. Модифицированный контакт.. |
| 7-32213 Д1Т | ГОСТ | Температура отпуска. 160°. Сепаратор из алюминиевого сплава.. |
| 6-12213 К1М | ГОСТ | Модифицированный контакт.. |
| 6-12213 КМ | ГОСТ | Модифицированный контакт.. |
Аналог роликового подшипника 70-42213 М — это подшипник такого же размера dx65,Dx120,Bx23, типа и конструкции.
| Обозначение | Конструктивные особенности | Внутренний (d) | Наружный (D) | Ширина (B) |
|---|---|---|---|---|
| 46213-АЛ | Шариковый радиально-упорный однорядный подшипник. Сепаратор из латуни.. Повышенная грузоподъемность. | 65.00 | 120.00 | 23.00 |
| 46213-Е | Шариковый радиально-упорный однорядный подшипник. Сепаратор из текстолита.. | 65.00 | 120.00 | 23.00 |
| 46213-Л | Шариковый радиально-упорный однорядный подшипник. Сепаратор из латуни.. | 65.00 | 120.00 | 23.00 |
| 46213-Е5 | Шариковый радиально-упорный однорядный подшипник. Сепаратор из текстолита.. | 65.00 | 120.00 | 23.00 |
| 46213К | Шариковый радиально-упорный однорядный подшипник. «Замок» (скос) на внутреннем кольце плюс массивный сепаратор из текстолита. | 65.00 | 120.00 | 23.00 |
| 5-116213 Т | Шариковый радиально-упорный однорядный подшипник. Температура отпуска. 160°. | 65.00 | 120.00 | 23.00 |
| 5-213 Ю1 | Шариковый радиальный однорядный подшипник. Все детали или часть деталей из нержавеющей стали.. | 65.00 | 120.00 | 23.00 |
| 5-36213 К | Шариковый радиально-упорный однорядный подшипник. «Замок» (скос) на внутреннем кольце плюс массивный сепаратор из текстолита. | 65.00 | 120.00 | 23.00 |
| 5-46213 Е | Шариковый радиально-упорный однорядный подшипник. Сепаратор из текстолита.. | 65.00 | 120.00 | 23.00 |
| 5-46213 Е2 | Шариковый радиально-упорный однорядный подшипник. Сепаратор из пластических материалов.. | 65.00 | 120.00 | 23.00 |
| 5-46213 Е5 | Шариковый радиально-упорный однорядный подшипник. Сепаратор из текстолита.. | 65.00 | 120.00 | 23.00 |
| 5-46213 Л | Шариковый радиально-упорный однорядный подшипник. Сепаратор из латуни.. | 65.00 | 120.00 | 23.00 |
| 50213-А | Шариковый радиальный однорядный подшипник. Повышенная грузоподъемность. | 65.00 | 120.00 | 23.00 |
| 50213-АК | Шариковый радиальный однорядный подшипник. Повышенная грузоподъемность. | 65.00 | 120.00 | 23.00 |
| 6-116213 Т | Шариковый радиально-упорный однорядный подшипник. Температура отпуска. 160°. | 65.00 | 120.00 | 23.00 |
Способы доставки
Отправка через ведущие транспортные и курьерские компании: ПЭК, Деловые Линии, СДЭК, Байкал-Сервис, Энергия, КИТ, ЖелДорЭкспедиция.
Самовывоз возможен напрямую со склада в Москве.
Сроки доставки
Срок зависит от региона и выбранной транспортной компании. Все заказы комплектуются и отправляются в кратчайшие сроки со склада в Москве.
Надёжность и сохранность
Вся продукция упаковывается с учётом требований транспортировки. Мы гарантируем, что подшипники и комплектующие прибудут к заказчику в полной сохранности.
Доставка в страны ЕАЭС
Мы работаем с проверенными логистическими партнёрами, что позволяет оперативно доставлять заказы в Беларусь, Казахстан, Армению и другие страны ЕАЭС.
Варианты оплаты:
Минимальная сумма заказа и скидки:
Документы и гарантии:
Да, конечно! Наши технические специалисты готовы помочь вам с подбором точного аналога или замены подшипника. Просто позвоните нам по телефону +7 (495) 104-99-04 или напишите на почту zakaz@podsnab.ru.
Для оперативной консультации подготовьте, пожалуйста, имеющиеся данные: маркировку, размеры, тип оборудования или артикул старого подшипника.
Да, конечно! Мы высоко ценим долгосрочное сотрудничество и доверие клиентов по всей России. Для постоянных клиентов действует персональная система скидок.
Условия формируются индивидуально и зависят от:
Чтобы узнать свои условия и получить максимально выгодное предложение, свяжитесь с персональным менеджером или напишите нам на почту zakaz@podsnab.ru.
Вы можете оформить заказ несколькими способами:
Для оформления заказа от юридического лица свяжитесь с нашим отделом по работе с корпоративными клиентами по телефону +7 (495) 104-99-04 или напишите на email zakaz@podsnab.ru, прикрепив реквизиты вашей организации.
Мы оперативно подготовим коммерческое предложение и выставим счет.
Возврат товара надлежащего качества возможен в течение 10 дней с момента получения, если товар не был в употреблении, сохранен товарный вид, упаковка не вскрывалась и присутствуют все сопроводительные документы.
Возврат денежных средств осуществляется в течение 10 рабочих дней после проверки товара складом.
В соответствии с законодательством возврату не подлежат подшипники надлежащего качества, если отсутствует оригинальная упаковка или имеются следы монтажа.
В случае выявления брака или гарантийного случая мы гарантируем возврат или обмен товара.
Да, гарантийный срок хранения устанавливается заводом-изготовителем и в среднем составляет 2 года при соблюдении условий хранения: сухое помещение, оригинальная упаковка и смазка.
Точный срок для конкретного типа подшипника уточняйте у наших менеджеров.
Пн–Пт: с 8:00 до 17:00 (МСК).
Сб–Вс: выходные дни.
Заказы на сайте принимаются круглосуточно. Заявки, поступившие после окончания рабочего дня, обрабатываются на следующий рабочий день.
Минимальная сумма заказа для доставки составляет 3000 рублей. Самовывоз со склада возможен на любую сумму при наличии товара.
ООО «УралТехГрупп»
ИНН: 7415093830
КПП: 772401001
ОГРН: 1167456069021
Банк: ПАО Сбербанк
Р/с: 40702810838000475273
К/с: 30101810400000000225
БИК: 044525225
У подшипника 70-42213 М пока нет отзывов. Вы можете стать первым покупателем, поделившимся своим мнением.