Поиск подшипника
Статьи
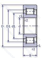
42204-АЕМШ1 — Роликовый радиальный однорядный подшипник, модификация основного исполнения 42204, производство ГПЗ.
Размер подшипника: 20x47x14 мм.
Нормы шумности, сепаратор из текстолита, модифицированный контакт, повышенная грузоподъемность.
Государственный стандарт ГОСТ
42204АЕМШ1
В наличии
| Обозначение | Конструктивные изменения |
|---|---|
| В66-42204 Е | Сепаратор из текстолита.. |
| 6-42204 Л3 | Сепаратор из латуни.. |
| В66-42204 АЕМ | Сепаратор из текстолита.. Модифицированный контакт.. Повышенная грузоподъемность. |
| 42204 | Роликовый радиальный однорядный подшипник. Основное конструктивное исполнение. |
| 6-42204 | Роликовый радиальный однорядный подшипник. |
| 6-42204 Б4Т2 | 200°. Температура отпуска. Сепаратор из безоловянистой бронзы.. |
| 66-42204 Е | Сепаратор из текстолита.. |
| 66-42204 Е1 | Сепаратор из текстолита.. |
| 66-42204 ЕШ1 | Сепаратор из текстолита.. Нормы шумности. |
| 42204-Д1 | Сепаратор из алюминиевого сплава.. |
| 42204-Е | Сепаратор из текстолита.. |
| 42204-Л | Сепаратор из латуни.. |
| 42204-Л1 | Сепаратор из латуни.. |
| 42204EШ1 | Повышенная грузоподъемность. Нормы шумности. |
| 5-42204 Б4 | Сепаратор из безоловянистой бронзы.. |
| 5-42204 Б5 | Сепаратор из безоловянистой бронзы.. |
| 55-42204 Б | Сепаратор из безоловянистой бронзы.. |
| 55-42204 Б4 | Сепаратор из безоловянистой бронзы.. |
Модификации роликового подшипника 42204-АЕМШ1 — это измененное основное конструктивное исполнение 42204, основные размеры (20x47x14) не отличаются.
| Обозначение | Гост | Конструктивные особенности |
|---|---|---|
| 2204-Л2 | ГОСТ | Сепаратор из латуни.. |
| 28-12204 К2 | ГОСТ | Кольцевая проточка на середине цилиндрической наружной поверхности наружного кольца плюс три отверстия для смазки. |
| 32204-Д | ГОСТ | Сепаратор из алюминиевого сплава.. |
| NF204E | ISO | Повышенная грузоподъемность. |
| NH204 E | ISO | Повышенная грузоподъемность. |
| NP204 E | ISO | Повышенная грузоподъемность. |
| NH204 | ISO | Канавка под стопорное кольцо на наружном кольце подшипника. |
| NJ204R | ISO | С выпуклыми асимметричными роликами и обработанным сепаратором. |
| NJ204-E-TVP3+HJ204-E | ISO | Повышенная грузоподъемность. Цельный сепаратор из полиамида PA66-GF25. сепаратор оконного типа. направляемый телами качения. |
| NJ204 ETN | ISO | Цилиндрический роликовый подшипник. Дополнительная грузоподъемность с сепаратором из полиамида 6-6. |
| 75-32204 Б1 | ГОСТ | Сепаратор из безоловянистой бронзы.. |
| 75-32204 Б1Т2 | ГОСТ | 200°. Температура отпуска. Сепаратор из безоловянистой бронзы.. |
| 8-12204 К2 | ГОСТ | Кольцевая проточка на середине цилиндрической наружной поверхности наружного кольца плюс три отверстия для смазки. |
| NJ 204 ECPHA | ISO | Измененная или модифицированная внутренняя конструкция при неизменных основных размерах. Однорядный цилиндрический роликовый подшипник. |
| 5-32204 Б1 | ГОСТ | Сепаратор из безоловянистой бронзы.. |
| 5-32204 Б1Т2 | ГОСТ | 200°. Температура отпуска. Сепаратор из безоловянистой бронзы.. |
| 5-32204 Р | ГОСТ | Детали из теплоустойчивой (быстрорежущие) стали.. |
| 5-32204 Р1 | ГОСТ | Детали из теплоустойчивой (быстрорежущие) стали.. |
| 55-32204 Б1 | ГОСТ | Сепаратор из безоловянистой бронзы.. |
| 6-12204 К2 | ГОСТ | Кольцевая проточка на середине цилиндрической наружной поверхности наружного кольца плюс три отверстия для смазки. |
Аналог роликового подшипника 42204-АЕМШ1 — это подшипник такого же размера dx20,Dx47,Bx14, типа и конструкции.
| Обозначение | Конструктивные особенности | Внутренний (d) | Наружный (D) | Ширина (B) |
|---|---|---|---|---|
| 580204-АК10С17 | Шариковый радиальный однорядный подшипник. Смазка Литол-24. Повышенная грузоподъемность. Улучшенная конструкция уплотнений плюс стопорный штифт. | 20.00 | 47.00 | 14.00 |
| 580204-АКС17 | Шариковый радиальный однорядный подшипник. Смазка Литол-24. Повышенная грузоподъемность. | 20.00 | 47.00 | 14.00 |
| 580204-АКУС17 | Шариковый радиальный однорядный подшипник. Смазка Литол-24. Дополнительные технические требования. Повышенная грузоподъемность. | 20.00 | 47.00 | 14.00 |
| 580204-КС17 | Шариковый радиальный однорядный подшипник. Смазка Литол-24. «Замок» (скос) на внутреннем кольце плюс массивный сепаратор из текстолита. | 20.00 | 47.00 | 14.00 |
| 580204-КС17W | Шариковый радиальный однорядный подшипник. Детали из вакуумированной стали.. Смазка Литол-24. «Замок» (скос) на внутреннем кольце плюс массивный сепаратор из текстолита. | 20.00 | 47.00 | 14.00 |
| 580204-КС17W2 | Шариковый радиальный однорядный подшипник. Детали из вакуумированной стали.. Смазка Литол-24. «Замок» (скос) на внутреннем кольце плюс массивный сепаратор из текстолита. | 20.00 | 47.00 | 14.00 |
| 580204-С17 | Шариковый радиальный однорядный подшипник. Смазка Литол-24. | 20.00 | 47.00 | 14.00 |
| 580204АК | Шариковый радиальный однорядный подшипник. Повышенная грузоподъемность. | 20.00 | 47.00 | 14.00 |
| 6-180204 АКС17 | Шариковый радиальный однорядный подшипник. Смазка Литол-24. Повышенная грузоподъемность. | 20.00 | 47.00 | 14.00 |
| 6-180204 АС17 | Шариковый радиальный однорядный подшипник. Смазка Литол-24. Повышенная грузоподъемность. | 20.00 | 47.00 | 14.00 |
| 6-180204 АС9 | Шариковый радиальный однорядный подшипник. Повышенная грузоподъемность. Смазка ЛЗ-31. | 20.00 | 47.00 | 14.00 |
| 6-180204 КС9Ш2У | Шариковый радиальный однорядный подшипник. Дополнительные технические требования. Нормы шумности. Смазка ЛЗ-31. | 20.00 | 47.00 | 14.00 |
| 6-180204 С17 | Шариковый радиальный однорядный подшипник. Смазка Литол-24. | 20.00 | 47.00 | 14.00 |
| 6-180204 С9Ш2 | Шариковый радиальный однорядный подшипник. Нормы шумности. Смазка ЛЗ-31. | 20.00 | 47.00 | 14.00 |
| 6-180204 С9Ш2У | Шариковый радиальный однорядный подшипник. Дополнительные технические требования. Нормы шумности. Смазка ЛЗ-31. | 20.00 | 47.00 | 14.00 |
Способы доставки
Отправка через ведущие транспортные и курьерские компании: ПЭК, Деловые Линии, СДЭК, Байкал-Сервис, Энергия, КИТ, ЖелДорЭкспедиция.
Самовывоз возможен напрямую со склада в Москве.
Сроки доставки
Срок зависит от региона и выбранной транспортной компании. Все заказы комплектуются и отправляются в кратчайшие сроки со склада в Москве.
Надёжность и сохранность
Вся продукция упаковывается с учётом требований транспортировки. Мы гарантируем, что подшипники и комплектующие прибудут к заказчику в полной сохранности.
Доставка в страны ЕАЭС
Мы работаем с проверенными логистическими партнёрами, что позволяет оперативно доставлять заказы в Беларусь, Казахстан, Армению и другие страны ЕАЭС.
Варианты оплаты:
Минимальная сумма заказа и скидки:
Документы и гарантии:
Да, конечно! Наши технические специалисты готовы помочь вам с подбором точного аналога или замены подшипника. Просто позвоните нам по телефону +7 (495) 104-99-04 или напишите на почту zakaz@podsnab.ru.
Для оперативной консультации подготовьте, пожалуйста, имеющиеся данные: маркировку, размеры, тип оборудования или артикул старого подшипника.
Да, конечно! Мы высоко ценим долгосрочное сотрудничество и доверие клиентов по всей России. Для постоянных клиентов действует персональная система скидок.
Условия формируются индивидуально и зависят от:
Чтобы узнать свои условия и получить максимально выгодное предложение, свяжитесь с персональным менеджером или напишите нам на почту zakaz@podsnab.ru.
Вы можете оформить заказ несколькими способами:
Для оформления заказа от юридического лица свяжитесь с нашим отделом по работе с корпоративными клиентами по телефону +7 (495) 104-99-04 или напишите на email zakaz@podsnab.ru, прикрепив реквизиты вашей организации.
Мы оперативно подготовим коммерческое предложение и выставим счет.
Возврат товара надлежащего качества возможен в течение 10 дней с момента получения, если товар не был в употреблении, сохранен товарный вид, упаковка не вскрывалась и присутствуют все сопроводительные документы.
Возврат денежных средств осуществляется в течение 10 рабочих дней после проверки товара складом.
В соответствии с законодательством возврату не подлежат подшипники надлежащего качества, если отсутствует оригинальная упаковка или имеются следы монтажа.
В случае выявления брака или гарантийного случая мы гарантируем возврат или обмен товара.
Да, гарантийный срок хранения устанавливается заводом-изготовителем и в среднем составляет 2 года при соблюдении условий хранения: сухое помещение, оригинальная упаковка и смазка.
Точный срок для конкретного типа подшипника уточняйте у наших менеджеров.
Пн–Пт: с 8:00 до 17:00 (МСК).
Сб–Вс: выходные дни.
Заказы на сайте принимаются круглосуточно. Заявки, поступившие после окончания рабочего дня, обрабатываются на следующий рабочий день.
Минимальная сумма заказа для доставки составляет 3000 рублей. Самовывоз со склада возможен на любую сумму при наличии товара.
ООО «УралТехГрупп»
ИНН: 7415093830
КПП: 772401001
ОГРН: 1167456069021
Банк: ПАО Сбербанк
Р/с: 40702810838000475273
К/с: 30101810400000000225
БИК: 044525225
У подшипника 42204-АЕМШ1 пока нет отзывов. Вы можете стать первым покупателем, поделившимся своим мнением.