Поиск подшипника
Статьи
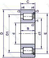
4-4614909 — Роликовый радиальный однорядный подшипник, модификация основного исполнения 4614909, производство ГПЗ.
Размер подшипника: 45x68x22 мм.
Государственный стандарт ГОСТ
44614909
В наличии
| Обозначение | Конструктивные изменения |
|---|---|
| 6-4614909 | Роликовый радиальный однорядный подшипник. |
| 4614909 | Роликовый радиальный однорядный подшипник. Основное конструктивное исполнение. |
Модификации роликового подшипника 4-4614909 — это измененное основное конструктивное исполнение 4614909, основные размеры (45x68x22) не отличаются.
| Обозначение | Гост | Конструктивные особенности |
|---|---|---|
| 4074909 | ГОСТ | Роликовый радиальный однорядный подшипник. |
| 4244909 | ГОСТ | Роликовый радиальный однорядный подшипник. |
| 4344909 | ГОСТ | Роликовый радиальный однорядный подшипник. |
Аналог роликового подшипника 4-4614909 — это подшипник такого же размера dx45,Dx68,Bx22, типа и конструкции.
| Обозначение | Конструктивные особенности | Внутренний (d) | Наружный (D) | Ширина (B) |
|---|---|---|---|---|
| NA4909-XL | Роликовый игольчатый подшипник. Серия X-Life премиум-класс. увеличиный срок службы. | 45.00 | 68.00 | 22.00 |
| NA4909-2RSR-XL | Роликовый игольчатый подшипник. Серия X-Life премиум-класс. увеличиный срок службы. Резиновые уплотнения с каждой стороны подшипника. | 45.00 | 68.00 | 23.00 |
| NU4909R | Роликовый игольчатый подшипник. С выпуклыми асимметричными роликами и обработанным сепаратором. | 45.00 | 68.00 | 22.00 |
| NA4909C3 | Роликовый игольчатый подшипник. Внутренний зазор больше нормального. | 45.00 | 68.00 | 22.00 |
| NA4909-RSR-XL | Роликовый игольчатый подшипник. Серия X-Life премиум-класс. увеличиный срок службы. Контактное уплотнение с одной стороны. Радиальный тип. | 45.00 | 68.00 | 23.00 |
| C4909V | Тороидальный роликовый подшипник CARB. Тороидальный подшипник CARB. Подшипник без сепаратора. С полным комплектом тел качения. | 45.00 | 68.00 | 22.00 |
| NA4909ARS | Роликовый игольчатый подшипник. Модифицированный внутренний дизайн. Резиновое уплотнение с одной стороны. | 45.00 | 68.00 | 23.00 |
| NA4909 RS C3 | Роликовый игольчатый подшипник. Внутренний зазор больше нормального. Резиновое уплотнение с одной стороны. | 45.00 | 68.00 | 23.00 |
| NA4909LL/3AS | Роликовый игольчатый подшипник. Контактное. синтетические. резиновое уплотнение с двух сторон. Смазка. Shell Oil Co. Смазка Alvania #3, стандартная заливка.. | 45.00 | 68.00 | 23.00 |
| NN3009MB | Роликовый радиальный двухрядный подшипник. сепаратор из латуни. центрированный по внутреннему кольцу. | 45.00 | 75.00 | 23.00 |
| NN3009TB | Роликовый радиальный двухрядный подшипник. Textite (Fabric-Reinforced Phenolic Resin) Cage Guided On The Inner Ring. | 45.00 | 75.00 | 23.00 |
| NAU 4909UU | Роликовый радиальный двухрядный подшипник. Символ защиты от загрязнения. | 45.00 | 68.00 | 22.00 |
| NA 4909U | Роликовый игольчатый подшипник однорядный. Универсальный одиночный подшипник. | 45.00 | 68.00 | 23.00 |
| C 4909 K30V | Тороидальный однорядный подшипник. Тороидальный подшипник CARB. | 45.00 | 68.00 | 22.00 |
| NA4909TT | Роликовый игольчатый подшипник однорядный. Комплект из трех согласованных однорядных радиально-упорных шарикоподшипников или радиально-упорных шарикоподшипников, расположенных тандемно. | 45.00 | 68.00 | 23.00 |
Способы доставки
Отправка через ведущие транспортные и курьерские компании: ПЭК, Деловые Линии, СДЭК, Байкал-Сервис, Энергия, КИТ, ЖелДорЭкспедиция.
Самовывоз возможен напрямую со склада в Москве.
Сроки доставки
Срок зависит от региона и выбранной транспортной компании. Все заказы комплектуются и отправляются в кратчайшие сроки со склада в Москве.
Надёжность и сохранность
Вся продукция упаковывается с учётом требований транспортировки. Мы гарантируем, что подшипники и комплектующие прибудут к заказчику в полной сохранности.
Доставка в страны ЕАЭС
Мы работаем с проверенными логистическими партнёрами, что позволяет оперативно доставлять заказы в Беларусь, Казахстан, Армению и другие страны ЕАЭС.
Варианты оплаты:
Минимальная сумма заказа и скидки:
Документы и гарантии:
Да, конечно! Наши технические специалисты готовы помочь вам с подбором точного аналога или замены подшипника. Просто позвоните нам по телефону +7 (495) 104-99-04 или напишите на почту zakaz@podsnab.ru.
Для оперативной консультации подготовьте, пожалуйста, имеющиеся данные: маркировку, размеры, тип оборудования или артикул старого подшипника.
Да, конечно! Мы высоко ценим долгосрочное сотрудничество и доверие клиентов по всей России. Для постоянных клиентов действует персональная система скидок.
Условия формируются индивидуально и зависят от:
Чтобы узнать свои условия и получить максимально выгодное предложение, свяжитесь с персональным менеджером или напишите нам на почту zakaz@podsnab.ru.
Вы можете оформить заказ несколькими способами:
Для оформления заказа от юридического лица свяжитесь с нашим отделом по работе с корпоративными клиентами по телефону +7 (495) 104-99-04 или напишите на email zakaz@podsnab.ru, прикрепив реквизиты вашей организации.
Мы оперативно подготовим коммерческое предложение и выставим счет.
Возврат товара надлежащего качества возможен в течение 10 дней с момента получения, если товар не был в употреблении, сохранен товарный вид, упаковка не вскрывалась и присутствуют все сопроводительные документы.
Возврат денежных средств осуществляется в течение 10 рабочих дней после проверки товара складом.
В соответствии с законодательством возврату не подлежат подшипники надлежащего качества, если отсутствует оригинальная упаковка или имеются следы монтажа.
В случае выявления брака или гарантийного случая мы гарантируем возврат или обмен товара.
Да, гарантийный срок хранения устанавливается заводом-изготовителем и в среднем составляет 2 года при соблюдении условий хранения: сухое помещение, оригинальная упаковка и смазка.
Точный срок для конкретного типа подшипника уточняйте у наших менеджеров.
Пн–Пт: с 8:00 до 17:00 (МСК).
Сб–Вс: выходные дни.
Заказы на сайте принимаются круглосуточно. Заявки, поступившие после окончания рабочего дня, обрабатываются на следующий рабочий день.
Минимальная сумма заказа для доставки составляет 3000 рублей. Самовывоз со склада возможен на любую сумму при наличии товара.
ООО «УралТехГрупп»
ИНН: 7415093830
КПП: 772401001
ОГРН: 1167456069021
Банк: ПАО Сбербанк
Р/с: 40702810838000475273
К/с: 30101810400000000225
БИК: 044525225
У подшипника 4-4614909 пока нет отзывов. Вы можете стать первым покупателем, поделившимся своим мнением.