Поиск подшипника
Статьи
6-42512 У2 — Роликовый радиальный однорядный подшипник, модификация основного исполнения 42512, производство ГПЗ.
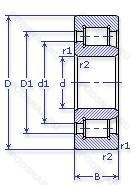
Размер подшипника: 60x110x28 мм.
Дополнительные технические требования.
Государственный стандарт ГОСТ
642512У2
В наличии
| Обозначение | Конструктивные изменения |
|---|---|
| 42512 | Роликовый радиальный однорядный подшипник. Основное конструктивное исполнение. |
| 42512У2 | Дополнительные технические требования. |
Модификации роликового подшипника 6-42512 У2 — это измененное основное конструктивное исполнение 42512, основные размеры (60x110x28) не отличаются.
| Обозначение | Гост | Конструктивные особенности |
|---|---|---|
| NUP2212-E-MA6 | ISO | Повышенная грузоподъемность. Изготовленный из двух частей латунный сепаратор. Центрирование по внешнему кольцу. Различные конструкции или сорта материалов обозначаются цифрой или буквой.. |
| N2212E | ISO | Повышенная грузоподъемность. |
| BC1B322172A | ISO | Измененная или модифицированная внутренняя конструкция при неизменных основных размерах. |
| NUP2212E.TVP | ISO | Повышенная грузоподъемность. Molded Snap-Type Cage Of Glass Fibre Reinforced Polyamide. Rolling Element Riding. |
| NH2212 E | ISO | Повышенная грузоподъемность. |
| NUP2212FM/C3 | ISO | Внутренний зазор больше нормального. Y-образный подшипник серии YET2 (внутреннее кольцо выдвинуто с одной стороны. Эксцентриковая стопорная втулка). Стандартное уплотнение без фланца с каждой стороны. |
| NH2212 | ISO | Канавка под стопорное кольцо на наружном кольце подшипника. |
| NJ2212R | ISO | С выпуклыми асимметричными роликами и обработанным сепаратором. |
| NJ2212-E-MA6+HJ2212-E | ISO | Повышенная грузоподъемность. Изготовленный из двух частей латунный сепаратор. Центрирование по внешнему кольцу. Различные конструкции или сорта материалов обозначаются цифрой или буквой.. |
| NJ2212-E-TVP3+HJ2212-E | ISO | Повышенная грузоподъемность. Цельный сепаратор из полиамида PA66-GF25. сепаратор оконного типа. направляемый телами качения. |
| NJ2212-E-MPA | ISO | Повышенная грузоподъемность. Твердый латунный сепаратор. |
| NJ2212-E-TVP3 | ISO | Повышенная грузоподъемность. Цельный сепаратор из полиамида PA66-GF25. сепаратор оконного типа. направляемый телами качения. |
| NJ2212-E-MPA+HJ2212-E | ISO | Повышенная грузоподъемность. Твердый латунный сепаратор. |
| NJ2212-E-M6 | ISO | Повышенная грузоподъемность. 20-28 UM (C3 & C4). |
| NJ2212-E-MA6 | ISO | Повышенная грузоподъемность. Изготовленный из двух частей латунный сепаратор. Центрирование по внешнему кольцу. Различные конструкции или сорта материалов обозначаются цифрой или буквой.. |
| NJ2212-E-M6+HJ2212-E | ISO | Повышенная грузоподъемность. 20-28 UM (C3 & C4). |
| NU2212-E-MPA | ISO | Повышенная грузоподъемность. Твердый латунный сепаратор. |
| NU2212-E-MA6 | ISO | Повышенная грузоподъемность. Изготовленный из двух частей латунный сепаратор. Центрирование по внешнему кольцу. Различные конструкции или сорта материалов обозначаются цифрой или буквой.. |
| 6-92512 Д | ГОСТ | Сепаратор из алюминиевого сплава.. |
| 55-32512 Д1 | ГОСТ | Сепаратор из алюминиевого сплава.. |
Аналог роликового подшипника 6-42512 У2 — это подшипник такого же размера dx60,Dx110,Bx28, типа и конструкции.
| Обозначение | Конструктивные особенности | Внутренний (d) | Наружный (D) | Ширина (B) |
|---|---|---|---|---|
| 1512-КУ | Шариковый радиальный двухрядный подшипник. Дополнительные технические требования. | 60.00 | 110.00 | 28.00 |
| 1512-Л | Шариковый радиальный двухрядный подшипник. Сепаратор из латуни.. | 60.00 | 110.00 | 28.00 |
| 180512-А | Шариковый радиальный однорядный подшипник. Повышенная грузоподъемность. | 60.00 | 110.00 | 28.00 |
| 180512-С17 | Шариковый радиальный однорядный подшипник. Смазка Литол-24. | 60.00 | 110.00 | 28.00 |
| 180512-С9 | Шариковый радиальный однорядный подшипник. Смазка ЛЗ-31. | 60.00 | 110.00 | 28.00 |
| 26-180512 С26Ш2У | Шариковый радиальный однорядный подшипник. Дополнительные технические требования. Нормы шумности. Смазка ЛДС-3. | 60.00 | 110.00 | 28.00 |
| 67512A | Роликовый радиальный-упорный однорядный подшипник. Двухрядный радиально-упорный шарикоподшипник без отверстия для смазки. | 60.00 | 110.00 | 28.00 |
| 7512Х1 | Роликовый радиальный-упорный однорядный подшипник. Кольца и тела качения или только кольца (в том числе одно кольцо) из цементируемой стали.. | 60.00 | 110.00 | 28.00 |
| 76-180512 К1С9Ш2У | Шариковый радиальный однорядный подшипник. Дополнительные технические требования. Нормы шумности. Смазка ЛЗ-31. | 60.00 | 110.00 | 28.00 |
| 76-180512 С26Ш2У | Шариковый радиальный однорядный подшипник. Дополнительные технические требования. Нормы шумности. Смазка ЛДС-3. | 60.00 | 110.00 | 28.00 |
| 76-180512 С9Ш2У | Шариковый радиальный однорядный подшипник. Дополнительные технические требования. Нормы шумности. Смазка ЛЗ-31. | 60.00 | 110.00 | 28.00 |
| 2212-K+H312 | Шариковый сферический двухрядный подшипник. Коническое внутреннее отверстие. | 60.00 | 110.00 | 28.00 |
| 2212S | Шариковый сферический двухрядный подшипник. Запечатанная версия кулачкового ролика. Только для внутреннего и наружного колец. | 60.00 | 110.00 | 28.00 |
| 5-32512 Д | Роликовый радиальный подшипник. Сепаратор из алюминиевого сплава.. | 60.00 | 110.00 | 28.00 |
| 5-32512 Д1 | Роликовый радиальный подшипник. Сепаратор из алюминиевого сплава.. | 60.00 | 110.00 | 28.00 |
Способы доставки
Отправка через ведущие транспортные и курьерские компании: ПЭК, Деловые Линии, СДЭК, Байкал-Сервис, Энергия, КИТ, ЖелДорЭкспедиция.
Самовывоз возможен напрямую со склада в Москве.
Сроки доставки
Срок зависит от региона и выбранной транспортной компании. Все заказы комплектуются и отправляются в кратчайшие сроки со склада в Москве.
Надёжность и сохранность
Вся продукция упаковывается с учётом требований транспортировки. Мы гарантируем, что подшипники и комплектующие прибудут к заказчику в полной сохранности.
Доставка в страны ЕАЭС
Мы работаем с проверенными логистическими партнёрами, что позволяет оперативно доставлять заказы в Беларусь, Казахстан, Армению и другие страны ЕАЭС.
Варианты оплаты:
Минимальная сумма заказа и скидки:
Документы и гарантии:
Да, конечно! Наши технические специалисты готовы помочь вам с подбором точного аналога или замены подшипника. Просто позвоните нам по телефону +7 (495) 104-99-04 или напишите на почту zakaz@podsnab.ru.
Для оперативной консультации подготовьте, пожалуйста, имеющиеся данные: маркировку, размеры, тип оборудования или артикул старого подшипника.
Да, конечно! Мы высоко ценим долгосрочное сотрудничество и доверие клиентов по всей России. Для постоянных клиентов действует персональная система скидок.
Условия формируются индивидуально и зависят от:
Чтобы узнать свои условия и получить максимально выгодное предложение, свяжитесь с персональным менеджером или напишите нам на почту zakaz@podsnab.ru.
Вы можете оформить заказ несколькими способами:
Для оформления заказа от юридического лица свяжитесь с нашим отделом по работе с корпоративными клиентами по телефону +7 (495) 104-99-04 или напишите на email zakaz@podsnab.ru, прикрепив реквизиты вашей организации.
Мы оперативно подготовим коммерческое предложение и выставим счет.
Возврат товара надлежащего качества возможен в течение 10 дней с момента получения, если товар не был в употреблении, сохранен товарный вид, упаковка не вскрывалась и присутствуют все сопроводительные документы.
Возврат денежных средств осуществляется в течение 10 рабочих дней после проверки товара складом.
В соответствии с законодательством возврату не подлежат подшипники надлежащего качества, если отсутствует оригинальная упаковка или имеются следы монтажа.
В случае выявления брака или гарантийного случая мы гарантируем возврат или обмен товара.
Да, гарантийный срок хранения устанавливается заводом-изготовителем и в среднем составляет 2 года при соблюдении условий хранения: сухое помещение, оригинальная упаковка и смазка.
Точный срок для конкретного типа подшипника уточняйте у наших менеджеров.
Пн–Пт: с 8:00 до 17:00 (МСК).
Сб–Вс: выходные дни.
Заказы на сайте принимаются круглосуточно. Заявки, поступившие после окончания рабочего дня, обрабатываются на следующий рабочий день.
Минимальная сумма заказа для доставки составляет 3000 рублей. Самовывоз со склада возможен на любую сумму при наличии товара.
ООО «УралТехГрупп»
ИНН: 7415093830
КПП: 772401001
ОГРН: 1167456069021
Банк: ПАО Сбербанк
Р/с: 40702810838000475273
К/с: 30101810400000000225
БИК: 044525225
У подшипника 6-42512 У2 пока нет отзывов. Вы можете стать первым покупателем, поделившимся своим мнением.