Поиск подшипника
Статьи
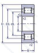
6-42330 Л1МИ — Роликовый радиальный однорядный подшипник, модификация основного исполнения 42330, производство ГПЗ.
Размер подшипника: 150x320x65 мм.
Сепаратор из латуни, модифицированный контакт, изменение ту на поставку комплектующих деталей или исходных материалов.
Государственный стандарт ГОСТ
642330Л1МИ
В наличии
| Обозначение | Конструктивные изменения |
|---|---|
| Н6-42330 Л1МИ | Ненормализованный радиальный зазор.. Модифицированный контакт.. Сепаратор из латуни.. Изменение ТУ на поставку комплектующих деталей или исходных материалов. |
| 70-42330 Л1М | Модифицированный контакт.. Сепаратор из латуни.. |
| 6-42330 ЛМШ1 | Сепаратор из латуни.. Модифицированный контакт.. Нормы шумности. |
| 42330 | Роликовый радиальный однорядный подшипник. Основное конструктивное исполнение. |
| 30-42330-Л1М | Модифицированный контакт.. Сепаратор из латуни.. |
| НО-42330 Л1М | Модифицированный контакт.. Сепаратор из латуни.. |
| 8-42330 Л1М | Модифицированный контакт.. Сепаратор из латуни.. |
| 80-42330 КМ | Модифицированный контакт.. |
| 80-42330 Л1М | Модифицированный контакт.. Сепаратор из латуни.. |
| Н0-42330 АЛ | Ненормализованный радиальный зазор.. Сепаратор из латуни.. Повышенная грузоподъемность. |
| Н0-42330 Л1М | Ненормализованный радиальный зазор.. Модифицированный контакт.. Сепаратор из латуни.. |
| Н0-42330 Л1МИ | Ненормализованный радиальный зазор.. Модифицированный контакт.. Сепаратор из латуни.. Изменение ТУ на поставку комплектующих деталей или исходных материалов. |
| Н6-42330 Л1М | Ненормализованный радиальный зазор.. Модифицированный контакт.. Сепаратор из латуни.. |
| 70-42330 Л1МИ | Модифицированный контакт.. Сепаратор из латуни.. Изменение ТУ на поставку комплектующих деталей или исходных материалов. |
| 42330-Л1М | Модифицированный контакт.. Сепаратор из латуни.. |
| 42330-Л1МИ | Модифицированный контакт.. Сепаратор из латуни.. Изменение ТУ на поставку комплектующих деталей или исходных материалов. |
| 42330EM | Стандартный фланцевый ( с резьбой и сквозным отверстием). |
| 42330АЛ | Сепаратор из латуни.. Повышенная грузоподъемность. |
Модификации роликового подшипника 6-42330 Л1МИ — это измененное основное конструктивное исполнение 42330, основные размеры (150x320x65) не отличаются.
| Обозначение | Гост | Конструктивные особенности |
|---|---|---|
| NJ330-E-MPA+HJ330-E | ISO | Повышенная грузоподъемность. Твердый латунный сепаратор. |
| NJ330-E-MA6 | ISO | Повышенная грузоподъемность. Изготовленный из двух частей латунный сепаратор. Центрирование по внешнему кольцу. Различные конструкции или сорта материалов обозначаются цифрой или буквой.. |
| NJ330-E-MPA | ISO | Повышенная грузоподъемность. Твердый латунный сепаратор. |
| 8-32330 МУ1 | ГОСТ | Модифицированный контакт.. Дополнительные технические требования. |
| 80-32330 М | ГОСТ | Модифицированный контакт.. |
| Н0-32330 АЛ | ГОСТ | Ненормализованный радиальный зазор.. Сепаратор из латуни.. Повышенная грузоподъемность. |
| Н0-32330 К2М | ГОСТ | Кольцевая проточка на середине цилиндрической наружной поверхности наружного кольца плюс три отверстия для смазки. Ненормализованный радиальный зазор.. Модифицированный контакт.. |
| Н0-32330 МУ | ГОСТ | Ненормализованный радиальный зазор.. Дополнительные технические требования. Модифицированный контакт.. |
| Н0-32330 МУ1 | ГОСТ | Ненормализованный радиальный зазор.. Модифицированный контакт.. Дополнительные технические требования. |
| Н6-32330 МУ1 | ГОСТ | Ненормализованный радиальный зазор.. Модифицированный контакт.. Дополнительные технические требования. |
| Н6-62330 М | ГОСТ | Ненормализованный радиальный зазор.. Модифицированный контакт.. |
| 6-32330 М | ГОСТ | Модифицированный контакт.. |
| 62330EМ | ГОСТ | Повышенная грузоподъемность. Модифицированный контакт.. |
| 62330М | ГОСТ | Модифицированный контакт.. |
| 70-32330 К2М | ГОСТ | Модифицированный контакт.. |
| 70-32330 МУ | ГОСТ | Дополнительные технические требования. Модифицированный контакт.. |
| 70-32330 МУ1 | ГОСТ | Модифицированный контакт.. Дополнительные технические требования. |
| 76-32330 МУ1 | ГОСТ | Модифицированный контакт.. Дополнительные технические требования. |
| NJ 330 ECML | ISO | Однорядный цилиндрический роликовый подшипник. |
| NU 330 ECML | ISO | Однорядный цилиндрический роликовый подшипник. |
Аналог роликового подшипника 6-42330 Л1МИ — это подшипник такого же размера dx150,Dx320,Bx65, типа и конструкции.
| Обозначение | Конструктивные особенности | Внутренний (d) | Наружный (D) | Ширина (B) |
|---|---|---|---|---|
| 6330ZZS | Шариковый радиальный однорядный подшипник. Защитные металлические шайбы с двух сторон подшипника (удерживается стопорным кольцом на внешнем кольце - обычно для миниатюрных шарикоподшипников). | 150.00 | 320.00 | 65.00 |
| 6-46330 Л | Шариковый радиально-упорный однорядный подшипник. Сепаратор из латуни.. | 150.00 | 320.00 | 65.00 |
| 6-66330 Л | Шариковый радиально-упорный однорядный подшипник. Сепаратор из латуни.. | 150.00 | 320.00 | 65.00 |
| 66330-Л | Шариковый радиально-упорный однорядный подшипник. Сепаратор из латуни.. | 150.00 | 320.00 | 65.00 |
| 66330К | Шариковый радиально-упорный однорядный подшипник. «Замок» (скос) на внутреннем кольце плюс массивный сепаратор из текстолита. | 150.00 | 320.00 | 65.00 |
| 70-330 Л | Шариковый радиальный однорядный подшипник. Сепаратор из латуни.. | 150.00 | 320.00 | 65.00 |
| 6330Z | Шариковый радиальный однорядный подшипник. Стальная шайба. | 150.00 | 320.00 | 65.00 |
| 2В0-330 Л | Шариковый радиальный однорядный подшипник. Сепаратор из латуни.. | 150.00 | 320.00 | 65.00 |
| 2В70-330 Л | Шариковый радиальный однорядный подшипник. Сепаратор из латуни.. | 150.00 | 320.00 | 65.00 |
| 330-Л | Шариковый радиальный однорядный подшипник. Сепаратор из латуни.. | 150.00 | 320.00 | 65.00 |
| 46330-Л | Шариковый радиально-упорный однорядный подшипник. Сепаратор из латуни.. | 150.00 | 320.00 | 65.00 |
| 46330Е6 | Шариковый радиально-упорный однорядный подшипник. Сепаратор из пластических материалов.. | 150.00 | 320.00 | 65.00 |
| 46330К | Шариковый радиально-упорный однорядный подшипник. «Замок» (скос) на внутреннем кольце плюс массивный сепаратор из текстолита. | 150.00 | 320.00 | 65.00 |
| 466330Г | Шариковый радиально-упорный сдвоенный подшипник. Сепаратор из черных металлов.. | 150.00 | 320.00 | 65.00 |
| 466330Л | Шариковый радиально-упорный сдвоенный подшипник. Сепаратор из латуни.. | 150.00 | 320.00 | 65.00 |
Способы доставки
Отправка через ведущие транспортные и курьерские компании: ПЭК, Деловые Линии, СДЭК, Байкал-Сервис, Энергия, КИТ, ЖелДорЭкспедиция.
Самовывоз возможен напрямую со склада в Москве.
Сроки доставки
Срок зависит от региона и выбранной транспортной компании. Все заказы комплектуются и отправляются в кратчайшие сроки со склада в Москве.
Надёжность и сохранность
Вся продукция упаковывается с учётом требований транспортировки. Мы гарантируем, что подшипники и комплектующие прибудут к заказчику в полной сохранности.
Доставка в страны ЕАЭС
Мы работаем с проверенными логистическими партнёрами, что позволяет оперативно доставлять заказы в Беларусь, Казахстан, Армению и другие страны ЕАЭС.
Варианты оплаты:
Минимальная сумма заказа и скидки:
Документы и гарантии:
Да, конечно! Наши технические специалисты готовы помочь вам с подбором точного аналога или замены подшипника. Просто позвоните нам по телефону +7 (495) 104-99-04 или напишите на почту zakaz@podsnab.ru.
Для оперативной консультации подготовьте, пожалуйста, имеющиеся данные: маркировку, размеры, тип оборудования или артикул старого подшипника.
Да, конечно! Мы высоко ценим долгосрочное сотрудничество и доверие клиентов по всей России. Для постоянных клиентов действует персональная система скидок.
Условия формируются индивидуально и зависят от:
Чтобы узнать свои условия и получить максимально выгодное предложение, свяжитесь с персональным менеджером или напишите нам на почту zakaz@podsnab.ru.
Вы можете оформить заказ несколькими способами:
Для оформления заказа от юридического лица свяжитесь с нашим отделом по работе с корпоративными клиентами по телефону +7 (495) 104-99-04 или напишите на email zakaz@podsnab.ru, прикрепив реквизиты вашей организации.
Мы оперативно подготовим коммерческое предложение и выставим счет.
Возврат товара надлежащего качества возможен в течение 10 дней с момента получения, если товар не был в употреблении, сохранен товарный вид, упаковка не вскрывалась и присутствуют все сопроводительные документы.
Возврат денежных средств осуществляется в течение 10 рабочих дней после проверки товара складом.
В соответствии с законодательством возврату не подлежат подшипники надлежащего качества, если отсутствует оригинальная упаковка или имеются следы монтажа.
В случае выявления брака или гарантийного случая мы гарантируем возврат или обмен товара.
Да, гарантийный срок хранения устанавливается заводом-изготовителем и в среднем составляет 2 года при соблюдении условий хранения: сухое помещение, оригинальная упаковка и смазка.
Точный срок для конкретного типа подшипника уточняйте у наших менеджеров.
Пн–Пт: с 8:00 до 17:00 (МСК).
Сб–Вс: выходные дни.
Заказы на сайте принимаются круглосуточно. Заявки, поступившие после окончания рабочего дня, обрабатываются на следующий рабочий день.
Минимальная сумма заказа для доставки составляет 3000 рублей. Самовывоз со склада возможен на любую сумму при наличии товара.
ООО «УралТехГрупп»
ИНН: 7415093830
КПП: 772401001
ОГРН: 1167456069021
Банк: ПАО Сбербанк
Р/с: 40702810838000475273
К/с: 30101810400000000225
БИК: 044525225
У подшипника 6-42330 Л1МИ пока нет отзывов. Вы можете стать первым покупателем, поделившимся своим мнением.