Поиск подшипника
Статьи
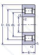
36-42726 Е2М — Роликовый радиальный однорядный подшипник, модификация основного исполнения 42726, производство ГПЗ.
Размер подшипника: 130x250x80 мм.
Сепаратор из пластических материалов, модифицированный контакт.
Государственный стандарт ГОСТ
3642726Е2М
В наличии
| Обозначение | Конструктивные изменения |
|---|---|
| 30-42726 Е9М | Модифицированный контакт.. Сепаратор из пластических материалов.. |
| 80-42726 Л4М | Модифицированный контакт.. Сепаратор из латуни.. |
| 30-42726 ЛЧМ | Сепаратор из латуни.. Модифицированный контакт.. |
| 30-42726 | Роликовый радиальный однорядный подшипник. |
| 36-42726 Е4МШ1 | Модифицированный контакт.. Нормы шумности. Сепаратор из пластических материалов.. |
| 36-42726 E2MШ1 | Нормы шумности. |
| 42726 | Роликовый радиальный однорядный подшипник. Основное конструктивное исполнение. |
| 30-42726 Е | Сепаратор из текстолита.. |
| 30-42726 Л | Сепаратор из латуни.. |
| 30-42726 Л4М | Модифицированный контакт.. Сепаратор из латуни.. |
| 30-42726 ЛМ | Сепаратор из латуни.. Модифицированный контакт.. |
| 30-42726 ЛМ2 | Сепаратор из латуни.. Модифицированный контакт.. |
| 30-42726 Е2М | Модифицированный контакт.. Сепаратор из пластических материалов.. |
| 36-42726 Л4М | Модифицированный контакт.. Сепаратор из латуни.. |
| 42726-Е | Сепаратор из текстолита.. |
| 42726-Е2М | Модифицированный контакт.. Сепаратор из пластических материалов.. |
| 42726-ЛМ | Сепаратор из латуни.. Модифицированный контакт.. |
| 42726Е9М | Модифицированный контакт.. Сепаратор из пластических материалов.. |
| 42726Л4М | Модифицированный контакт.. Сепаратор из латуни.. |
Модификации роликового подшипника 36-42726 Е2М — это измененное основное конструктивное исполнение 42726, основные размеры (130x250x80) не отличаются.
| Обозначение | Гост | Конструктивные особенности |
|---|---|---|
| 80-232726 Л4М | ГОСТ | Модифицированный контакт.. Сепаратор из латуни.. |
| 232726 | ГОСТ | Роликовый радиальный однорядный подшипник. |
| 232726-Е2М | ГОСТ | Модифицированный контакт.. Сепаратор из пластических материалов.. |
| 30-152726 ЛМ | ГОСТ | Сепаратор из латуни.. Модифицированный контакт.. |
| 30-232726 Л1М | ГОСТ | Модифицированный контакт.. Сепаратор из латуни.. |
| 30-232726 Л4М | ГОСТ | Модифицированный контакт.. Сепаратор из латуни.. |
| 30-232726 Е2М | ГОСТ | Модифицированный контакт.. Сепаратор из пластических материалов.. |
| 36-232726 Л1М | ГОСТ | Модифицированный контакт.. Сепаратор из латуни.. |
| 36-232726 Л4М | ГОСТ | Модифицированный контакт.. Сепаратор из латуни.. |
| NJ130X250X80 | ISO | Габаритные размеры отличаются от стандарта ISO или опорные ролики с цилиндрической наружной поверхностью. Однорядный цилиндрический роликовый подшипник. Наружное кольцо имеет два борта. |
| 52726ЛМ2 | ГОСТ | Сепаратор из латуни.. Модифицированный контакт.. |
Аналог роликового подшипника 36-42726 Е2М — это подшипник такого же размера dx130,Dx250,Bx80, типа и конструкции.
| Обозначение | Конструктивные особенности | Внутренний (d) | Наружный (D) | Ширина (B) |
|---|---|---|---|---|
| 319206 | Однорядный цилиндрический роликовый подшипник. | 130.00 | 250.00 | 80.00 |
| 319207 | Однорядный цилиндрический роликовый подшипник. | 130.00 | 250.00 | 80.00 |
| 30-232726 ЕМ | Роликовый радиальный подшипник. Сепаратор из текстолита.. Модифицированный контакт.. | 130.00 | 250.00 | 80.00 |
| 30-232726 Е9М | Роликовый радиальный подшипник. Модифицированный контакт.. Сепаратор из пластических материалов.. | 130.00 | 250.00 | 80.00 |
| 30-232726 ЛМ | Роликовый радиальный подшипник. Сепаратор из латуни.. Модифицированный контакт.. | 130.00 | 250.00 | 80.00 |
| 30-232726 Е3М | Роликовый радиальный подшипник. Модифицированный контакт.. Сепаратор из пластических материалов.. | 130.00 | 250.00 | 80.00 |
| 30-232726 | Роликовый радиальный подшипник. | 130.00 | 250.00 | 80.00 |
| 36-232726 Е2М | Роликовый радиальный подшипник. Модифицированный контакт.. Сепаратор из пластических материалов.. | 130.00 | 250.00 | 80.00 |
| 32726 | Роликовый радиальный подшипник. | 130.00 | 250.00 | 80.00 |
| 382726 | Роликовый радиальный подшипник. | 130.00 | 250.00 | 80.00 |
| 30-32726 Л1М | Роликовый радиальный подшипник. Модифицированный контакт.. Сепаратор из латуни.. | 130.00 | 250.00 | 80.00 |
Способы доставки
Отправка через ведущие транспортные и курьерские компании: ПЭК, Деловые Линии, СДЭК, Байкал-Сервис, Энергия, КИТ, ЖелДорЭкспедиция.
Самовывоз возможен напрямую со склада в Москве.
Сроки доставки
Срок зависит от региона и выбранной транспортной компании. Все заказы комплектуются и отправляются в кратчайшие сроки со склада в Москве.
Надёжность и сохранность
Вся продукция упаковывается с учётом требований транспортировки. Мы гарантируем, что подшипники и комплектующие прибудут к заказчику в полной сохранности.
Доставка в страны ЕАЭС
Мы работаем с проверенными логистическими партнёрами, что позволяет оперативно доставлять заказы в Беларусь, Казахстан, Армению и другие страны ЕАЭС.
Варианты оплаты:
Минимальная сумма заказа и скидки:
Документы и гарантии:
Да, конечно! Наши технические специалисты готовы помочь вам с подбором точного аналога или замены подшипника. Просто позвоните нам по телефону +7 (495) 104-99-04 или напишите на почту zakaz@podsnab.ru.
Для оперативной консультации подготовьте, пожалуйста, имеющиеся данные: маркировку, размеры, тип оборудования или артикул старого подшипника.
Да, конечно! Мы высоко ценим долгосрочное сотрудничество и доверие клиентов по всей России. Для постоянных клиентов действует персональная система скидок.
Условия формируются индивидуально и зависят от:
Чтобы узнать свои условия и получить максимально выгодное предложение, свяжитесь с персональным менеджером или напишите нам на почту zakaz@podsnab.ru.
Вы можете оформить заказ несколькими способами:
Для оформления заказа от юридического лица свяжитесь с нашим отделом по работе с корпоративными клиентами по телефону +7 (495) 104-99-04 или напишите на email zakaz@podsnab.ru, прикрепив реквизиты вашей организации.
Мы оперативно подготовим коммерческое предложение и выставим счет.
Возврат товара надлежащего качества возможен в течение 10 дней с момента получения, если товар не был в употреблении, сохранен товарный вид, упаковка не вскрывалась и присутствуют все сопроводительные документы.
Возврат денежных средств осуществляется в течение 10 рабочих дней после проверки товара складом.
В соответствии с законодательством возврату не подлежат подшипники надлежащего качества, если отсутствует оригинальная упаковка или имеются следы монтажа.
В случае выявления брака или гарантийного случая мы гарантируем возврат или обмен товара.
Да, гарантийный срок хранения устанавливается заводом-изготовителем и в среднем составляет 2 года при соблюдении условий хранения: сухое помещение, оригинальная упаковка и смазка.
Точный срок для конкретного типа подшипника уточняйте у наших менеджеров.
Пн–Пт: с 8:00 до 17:00 (МСК).
Сб–Вс: выходные дни.
Заказы на сайте принимаются круглосуточно. Заявки, поступившие после окончания рабочего дня, обрабатываются на следующий рабочий день.
Минимальная сумма заказа для доставки составляет 3000 рублей. Самовывоз со склада возможен на любую сумму при наличии товара.
ООО «УралТехГрупп»
ИНН: 7415093830
КПП: 772401001
ОГРН: 1167456069021
Банк: ПАО Сбербанк
Р/с: 40702810838000475273
К/с: 30101810400000000225
БИК: 044525225
У подшипника 36-42726 Е2М пока нет отзывов. Вы можете стать первым покупателем, поделившимся своим мнением.