Поиск подшипника
Статьи
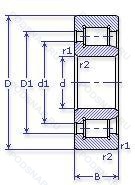
76-42324 ЛМШ1 — Роликовый радиальный однорядный подшипник, модификация основного исполнения 42324, производство ГПЗ.
Размер подшипника: 120x260x55 мм.
Нормы шумности, сепаратор из латуни, модифицированный контакт.
Государственный стандарт ГОСТ
7642324ЛМШ1
В наличии
| Обозначение | Конструктивные изменения |
|---|---|
| 26-42324 М | Модифицированный контакт.. |
| 6-42324 М | Модифицированный контакт.. |
| 6-42324 ЛМШ1 | Сепаратор из латуни.. Модифицированный контакт.. Нормы шумности. |
| 6-42324 ЛМШ | Сепаратор из латуни.. Модифицированный контакт.. Нормы шумности. |
| 76-42324 ЛМШ | Сепаратор из латуни.. Модифицированный контакт.. Нормы шумности. |
| 42324 | Роликовый радиальный однорядный подшипник. Основное конструктивное исполнение. |
| 20-42324 М | Модифицированный контакт.. |
| 8-42324 М | Модифицированный контакт.. |
| 70-42324 М | Модифицированный контакт.. |
| 42324-М | Модифицированный контакт.. |
Модификации роликового подшипника 76-42324 ЛМШ1 — это измененное основное конструктивное исполнение 42324, основные размеры (120x260x55) не отличаются.
| Обозначение | Гост | Конструктивные особенности |
|---|---|---|
| NP 324 | ISO | Канавка под стопорное кольцо на наружном кольце подшипника. |
| NJ324R | ISO | С выпуклыми асимметричными роликами и обработанным сепаратором. |
| NJ324-E-MPA+HJ324-E | ISO | Повышенная грузоподъемность. Твердый латунный сепаратор. |
| NJ324-E-M6+HJ324-E | ISO | Повышенная грузоподъемность. 20-28 UM (C3 & C4). |
| NJ324-E-TVP3 | ISO | Повышенная грузоподъемность. Цельный сепаратор из полиамида PA66-GF25. сепаратор оконного типа. направляемый телами качения. |
| NJ324-E-TVP3+HJ324-E | ISO | Повышенная грузоподъемность. Цельный сепаратор из полиамида PA66-GF25. сепаратор оконного типа. направляемый телами качения. |
| NJ324-E-MA6+HJ324-E | ISO | Повышенная грузоподъемность. Изготовленный из двух частей латунный сепаратор. Центрирование по внешнему кольцу. Различные конструкции или сорта материалов обозначаются цифрой или буквой.. |
| NJ324-E-MA6 | ISO | Повышенная грузоподъемность. Изготовленный из двух частей латунный сепаратор. Центрирование по внешнему кольцу. Различные конструкции или сорта материалов обозначаются цифрой или буквой.. |
| NJ324-E-MPA | ISO | Повышенная грузоподъемность. Твердый латунный сепаратор. |
| 8-32324 М | ГОСТ | Модифицированный контакт.. |
| N324 EMB | ISO | Land-Riding One-Piece Brass Cage. |
| 6-2324 Л | ГОСТ | Сепаратор из латуни.. |
| 6-2324 М | ГОСТ | Модифицированный контакт.. |
| 6-32324 М | ГОСТ | Модифицированный контакт.. |
| 70-2324 Л | ГОСТ | Сепаратор из латуни.. |
| 70-2324 М | ГОСТ | Модифицированный контакт.. |
| 70-32324 М | ГОСТ | Модифицированный контакт.. |
| 76-2324 КМ | ГОСТ | Модифицированный контакт.. |
| 76-2324 М | ГОСТ | Модифицированный контакт.. |
| 76-32324 МШ2У | ГОСТ | Дополнительные технические требования. Модифицированный контакт.. Нормы шумности. |
Аналог роликового подшипника 76-42324 ЛМШ1 — это подшипник такого же размера dx120,Dx260,Bx55, типа и конструкции.
| Обозначение | Конструктивные особенности | Внутренний (d) | Наружный (D) | Ширина (B) |
|---|---|---|---|---|
| 6-324 АЛШ | Шариковый радиальный однорядный подшипник. Сепаратор из латуни.. Повышенная грузоподъемность. Нормы шумности. | 120.00 | 260.00 | 55.00 |
| 6-324 Л | Шариковый радиальный однорядный подшипник. Сепаратор из латуни.. | 120.00 | 260.00 | 55.00 |
| 76-324 АЛШ1 | Шариковый радиальный однорядный подшипник. Сепаратор из латуни.. Повышенная грузоподъемность. Нормы шумности. | 120.00 | 260.00 | 55.00 |
| 6324-RS | Шариковый радиальный однорядный подшипник. Резиновое уплотнение с одной стороны. | 120.00 | 260.00 | 55.00 |
| 6324-Z | Шариковый радиальный однорядный подшипник. Стальная шайба. | 120.00 | 260.00 | 55.00 |
| 6324-2RS | Шариковый радиальный однорядный подшипник. Резиновые уплотнения с каждой стороны подшипника. | 120.00 | 260.00 | 55.00 |
| 6324ZX | Шариковый радиальный однорядный подшипник. Съемная защитная шайба с одной стороны. | 120.00 | 260.00 | 55.00 |
| 66324К | Шариковый радиально-упорный однорядный подшипник. «Замок» (скос) на внутреннем кольце плюс массивный сепаратор из текстолита. | 120.00 | 260.00 | 55.00 |
| 75-324 ЕШ2 | Шариковый радиальный однорядный подшипник. Сепаратор из текстолита.. Нормы шумности. | 120.00 | 260.00 | 55.00 |
| 75-324 ЕШ3 | Шариковый радиальный однорядный подшипник. Сепаратор из текстолита.. Нормы шумности. | 120.00 | 260.00 | 55.00 |
| 76-32324 М | Роликовый радиальный подшипник. Модифицированный контакт.. | 120.00 | 260.00 | 55.00 |
| 30-324 КТ | Шариковый радиальный однорядный подшипник. Температура отпуска. 160°. | 120.00 | 260.00 | 55.00 |
| 402324-М | Роликовый радиальный цилиндрический подшипник. Модифицированный контакт.. | 120.00 | 260.00 | 55.00 |
| 46324-Л | Шариковый радиально-упорный однорядный подшипник. Сепаратор из латуни.. | 120.00 | 260.00 | 55.00 |
| 46324К | Шариковый радиально-упорный однорядный подшипник. «Замок» (скос) на внутреннем кольце плюс массивный сепаратор из текстолита. | 120.00 | 260.00 | 55.00 |
Способы доставки
Отправка через ведущие транспортные и курьерские компании: ПЭК, Деловые Линии, СДЭК, Байкал-Сервис, Энергия, КИТ, ЖелДорЭкспедиция.
Самовывоз возможен напрямую со склада в Москве.
Сроки доставки
Срок зависит от региона и выбранной транспортной компании. Все заказы комплектуются и отправляются в кратчайшие сроки со склада в Москве.
Надёжность и сохранность
Вся продукция упаковывается с учётом требований транспортировки. Мы гарантируем, что подшипники и комплектующие прибудут к заказчику в полной сохранности.
Доставка в страны ЕАЭС
Мы работаем с проверенными логистическими партнёрами, что позволяет оперативно доставлять заказы в Беларусь, Казахстан, Армению и другие страны ЕАЭС.
Варианты оплаты:
Минимальная сумма заказа и скидки:
Документы и гарантии:
Да, конечно! Наши технические специалисты готовы помочь вам с подбором точного аналога или замены подшипника. Просто позвоните нам по телефону +7 (495) 104-99-04 или напишите на почту zakaz@podsnab.ru.
Для оперативной консультации подготовьте, пожалуйста, имеющиеся данные: маркировку, размеры, тип оборудования или артикул старого подшипника.
Да, конечно! Мы высоко ценим долгосрочное сотрудничество и доверие клиентов по всей России. Для постоянных клиентов действует персональная система скидок.
Условия формируются индивидуально и зависят от:
Чтобы узнать свои условия и получить максимально выгодное предложение, свяжитесь с персональным менеджером или напишите нам на почту zakaz@podsnab.ru.
Вы можете оформить заказ несколькими способами:
Для оформления заказа от юридического лица свяжитесь с нашим отделом по работе с корпоративными клиентами по телефону +7 (495) 104-99-04 или напишите на email zakaz@podsnab.ru, прикрепив реквизиты вашей организации.
Мы оперативно подготовим коммерческое предложение и выставим счет.
Возврат товара надлежащего качества возможен в течение 10 дней с момента получения, если товар не был в употреблении, сохранен товарный вид, упаковка не вскрывалась и присутствуют все сопроводительные документы.
Возврат денежных средств осуществляется в течение 10 рабочих дней после проверки товара складом.
В соответствии с законодательством возврату не подлежат подшипники надлежащего качества, если отсутствует оригинальная упаковка или имеются следы монтажа.
В случае выявления брака или гарантийного случая мы гарантируем возврат или обмен товара.
Да, гарантийный срок хранения устанавливается заводом-изготовителем и в среднем составляет 2 года при соблюдении условий хранения: сухое помещение, оригинальная упаковка и смазка.
Точный срок для конкретного типа подшипника уточняйте у наших менеджеров.
Пн–Пт: с 8:00 до 17:00 (МСК).
Сб–Вс: выходные дни.
Заказы на сайте принимаются круглосуточно. Заявки, поступившие после окончания рабочего дня, обрабатываются на следующий рабочий день.
Минимальная сумма заказа для доставки составляет 3000 рублей. Самовывоз со склада возможен на любую сумму при наличии товара.
ООО «УралТехГрупп»
ИНН: 7415093830
КПП: 772401001
ОГРН: 1167456069021
Банк: ПАО Сбербанк
Р/с: 40702810838000475273
К/с: 30101810400000000225
БИК: 044525225
У подшипника 76-42324 ЛМШ1 пока нет отзывов. Вы можете стать первым покупателем, поделившимся своим мнением.