Поиск подшипника
Статьи
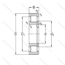
NUP216-E-MPA — Роликовый радиальный однорядный подшипник, модификация основного исполнения NUP216, производство NKE.
Размер подшипника: 80x140x26 мм.
Однорядный цилиндрический роликоподшипник. Наружное кольцо имеет два борта, внутреннее — один борт и одно свободное фланцевое кольцо. Основные размеры по DIN 5412-1, относится к подтипу фиксированные подшипники, разъемные, с сепаратором, твердый латунный сепаратор, повышенная грузоподъемность.
Международная стандартизации ISO
NUP216EMPA
В наличии
| Обозначение | Конструктивные изменения |
|---|---|
| NUP216-E-XL-M1-C4 | Внутренний зазор подшипника больше. чем C3. Повышенная грузоподъемность. Серия X-Life премиум-класс. увеличиный срок службы. Механически обработанный латунный сепаратор. вращающийся элемент качения (крестовина на заклепках). |
| NUP216E.J | Увеличенная грузоподъёмность. Сепаратор из стали. |
| NUP216E.P | Цилиндрический роликовый подшипник c увеличенной грузоподъемностью. Литой сепаратор из полиамида 6.6. армированного стекловолокном. Центрированный элемент качения.. |
| NUP216-E-XL-TVP2 | Повышенная грузоподъемность. Серия X-Life премиум-класс. увеличиный срок службы. Cепаратор изготовленный из полиамида PA66. армированного стекловолокном. |
| NUP216-E-XL-TVP2-C3 | Внутренний зазор больше нормального. Повышенная грузоподъемность. Серия X-Life премиум-класс. увеличиный срок службы. Cепаратор изготовленный из полиамида PA66. армированного стекловолокном. |
| NUP216-E-XL-M1 | Повышенная грузоподъемность. Серия X-Life премиум-класс. увеличиный срок службы. Механически обработанный латунный сепаратор. вращающийся элемент качения (крестовина на заклепках). |
| NUP216-E-M1 | Повышенная грузоподъемность. Механически обработанный латунный сепаратор. вращающийся элемент качения (крестовина на заклепках). |
| NUP216-E-TVP2 | Повышенная грузоподъемность. Cепаратор изготовленный из полиамида PA66. армированного стекловолокном. |
| NUP216EN | Увеличенная грузоподъемность и канавка под стопорное кольцо на наружном кольце. |
| NUP216-E-TVP2-C3 | Внутренний зазор больше нормального. Повышенная грузоподъемность. Cепаратор изготовленный из полиамида PA66. армированного стекловолокном. |
| NUP216-E-M1-C4 | Внутренний зазор подшипника больше. чем C3. Повышенная грузоподъемность. Механически обработанный латунный сепаратор. вращающийся элемент качения (крестовина на заклепках). |
| NUP216-E-TVP2-F1-C3 | Внутренний зазор больше нормального. Повышенная грузоподъемность. Cепаратор изготовленный из полиамида PA66. армированного стекловолокном. Спецификация производства и контроля FAG для цилиндрических роликоподшипников в тяговых двигателях. |
| NUP216MA | Механически обработанный латунный сепаратор. центрируемый по внешнему кольцу. |
| NUP216-E-TVP3 | Повышенная грузоподъемность. Цельный сепаратор из полиамида PA66-GF25. сепаратор оконного типа. направляемый телами качения. |
| NUP216EM C3 | Внутренний зазор больше нормального. Стандартный фланцевый ( с резьбой и сквозным отверстием). |
| NUP216-E-M1-C3 | Внутренний зазор больше нормального. Повышенная грузоподъемность. Механически обработанный латунный сепаратор. вращающийся элемент качения (крестовина на заклепках). |
| NUP216-E-TVP2-F1-J20AA-C4 | Внутренний зазор подшипника больше. чем C3. Повышенная грузоподъемность. Cепаратор изготовленный из полиамида PA66. армированного стекловолокном. Спецификация производства и контроля FAG для цилиндрических роликоподшипников в тяговых двигателях. Электроизоляция. наружное кольцо с керамическим покрытием. |
| NUP216EN.M1 | Механически обработанный латунный сепаратор. вращающийся элемент качения (крестовина на заклепках). Увеличенная грузоподъемность и канавка под стопорное кольцо на наружном кольце. |
| NUP216-E-XL-TVP2-F1-C3 | Внутренний зазор больше нормального. Повышенная грузоподъемность. Серия X-Life премиум-класс. увеличиный срок службы. Cепаратор изготовленный из полиамида PA66. армированного стекловолокном. Спецификация производства и контроля FAG для цилиндрических роликоподшипников в тяговых двигателях. |
| NUP216-E-XL-N-M1 | Повышенная грузоподъемность. Серия X-Life премиум-класс. увеличиный срок службы. Механически обработанный латунный сепаратор. вращающийся элемент качения (крестовина на заклепках). Канавка под стопорное кольцо на внешнем кольце. |
| NUP216-E-XL-TVP2-F1-J20AA-C4 | Внутренний зазор подшипника больше. чем C3. Повышенная грузоподъемность. Серия X-Life премиум-класс. увеличиный срок службы. Твердый сепаратор оконного типа из армированного стекловолокном полиамида. Подшипники качения для тяговых двигателей. Электроизоляция. наружное кольцо с керамическим покрытием. |
| NUP216-E-MA6 | Повышенная грузоподъемность. Изготовленный из двух частей латунный сепаратор. Центрирование по внешнему кольцу. Различные конструкции или сорта материалов обозначаются цифрой или буквой.. |
| NUP216-E-M6 | Повышенная грузоподъемность. 20-28 UM (C3 & C4). |
| NUP216EM | Стандартный фланцевый ( с резьбой и сквозным отверстием). |
| NUP216R | С выпуклыми асимметричными роликами и обработанным сепаратором. |
Модификации роликового подшипника NUP216-E-MPA — это измененное основное конструктивное исполнение NUP216, основные размеры (80x140x26) не отличаются.
| Обозначение | Гост | Конструктивные особенности |
|---|---|---|
| NJ216-E-TVP3+HJ216-E | ISO | Повышенная грузоподъемность. Цельный сепаратор из полиамида PA66-GF25. сепаратор оконного типа. направляемый телами качения. |
| NJ216-E-MPA | ISO | Повышенная грузоподъемность. Твердый латунный сепаратор. |
| NJ216-E-MA6 | ISO | Повышенная грузоподъемность. Изготовленный из двух частей латунный сепаратор. Центрирование по внешнему кольцу. Различные конструкции или сорта материалов обозначаются цифрой или буквой.. |
| NU216-E-MA6 | ISO | Повышенная грузоподъемность. Изготовленный из двух частей латунный сепаратор. Центрирование по внешнему кольцу. Различные конструкции или сорта материалов обозначаются цифрой или буквой.. |
| NU216-E-M6 | ISO | Повышенная грузоподъемность. 20-28 UM (C3 & C4). |
| NU216-E-TVP3 | ISO | Повышенная грузоподъемность. Цельный сепаратор из полиамида PA66-GF25. сепаратор оконного типа. направляемый телами качения. |
| NU216-E-MPA | ISO | Повышенная грузоподъемность. Твердый латунный сепаратор. |
| 8-2216 КМ | ГОСТ | Модифицированный контакт.. |
| 8-32216 К1 | ГОСТ | Кольцевая проточка на середине цилиндрической наружной поверхности наружного кольца плюс три отверстия для смазки. |
| 6-32216-Л1Ш2У | ГОСТ | Дополнительные технические требования. Сепаратор из латуни.. Нормы шумности. |
| 6-42216-Л1Ш2 | ГОСТ | Сепаратор из латуни.. Нормы шумности. |
| 7-32216 Л | ГОСТ | Сепаратор из латуни.. |
| 70-42216 К1 | ГОСТ | Кольцевая проточка на середине цилиндрической наружной поверхности наружного кольца плюс три отверстия для смазки. |
| 70-42216 Л1 | ГОСТ | Сепаратор из латуни.. |
| 76-32216 Л1Ш2 | ГОСТ | Сепаратор из латуни.. Нормы шумности. |
| 42216-К1 | ГОСТ | Кольцевая проточка на середине цилиндрической наружной поверхности наружного кольца плюс три отверстия для смазки. |
| 42216-К1М | ГОСТ | Кольцевая проточка на середине цилиндрической наружной поверхности наружного кольца плюс три отверстия для смазки. Модифицированный контакт.. |
| 42216-КМ | ГОСТ | Модифицированный контакт.. |
| 42216-Л | ГОСТ | Сепаратор из латуни.. |
| 5-32216 Д1Т | ГОСТ | Температура отпуска. 160°. Сепаратор из алюминиевого сплава.. |
Аналог роликового подшипника NUP216-E-MPA — это подшипник такого же размера dx80,Dx140,Bx26, типа и конструкции.
| Обозначение | Конструктивные особенности | Внутренний (d) | Наружный (D) | Ширина (B) |
|---|---|---|---|---|
| 216-К | Шариковый радиальный однорядный подшипник. «Замок» (скос) на внутреннем кольце плюс массивный сепаратор из текстолита. | 80.00 | 140.00 | 26.00 |
| 216-К1 | Шариковый радиальный однорядный подшипник. «Замок» (скос) на внутреннем кольце плюс массивный сепаратор из текстолита. | 80.00 | 140.00 | 26.00 |
| 1216S | Шариковый сферический двухрядный подшипник. Запечатанная версия кулачкового ролика. | 80.00 | 140.00 | 26.00 |
| 4-46216-Е | Шариковый радиально-упорный сдвоенный подшипник. Сепаратор из текстолита.. | 80.00 | 140.00 | 26.00 |
| 46216-А | Шариковый радиально-упорный однорядный подшипник. Повышенная грузоподъемность. | 80.00 | 140.00 | 26.00 |
| 46216-АЛ | Шариковый радиально-упорный однорядный подшипник. Сепаратор из латуни.. Повышенная грузоподъемность. | 75.00 | 130.00 | 26.00 |
| 46216-Е | Шариковый радиально-упорный однорядный подшипник. Сепаратор из текстолита.. | 80.00 | 140.00 | 26.00 |
| 46216-Л | Шариковый радиально-упорный однорядный подшипник. Сепаратор из латуни.. | 80.00 | 140.00 | 26.00 |
| 46216К | Шариковый радиально-упорный однорядный подшипник. «Замок» (скос) на внутреннем кольце плюс массивный сепаратор из текстолита. | 80.00 | 140.00 | 26.00 |
| 5-216 Л | Шариковый радиальный однорядный подшипник. Сепаратор из латуни.. | 80.00 | 140.00 | 26.00 |
| 5-36216 К | Шариковый радиально-упорный однорядный подшипник. «Замок» (скос) на внутреннем кольце плюс массивный сепаратор из текстолита. | 80.00 | 140.00 | 26.00 |
| 5-36216 Л | Шариковый радиально-упорный однорядный подшипник. Сепаратор из латуни.. | 80.00 | 140.00 | 26.00 |
| 5-46216 Л | Шариковый радиально-упорный однорядный подшипник. Сепаратор из латуни.. | 80.00 | 140.00 | 26.00 |
| 50216-А | Шариковый радиальный однорядный подшипник. Повышенная грузоподъемность. | 80.00 | 140.00 | 26.00 |
| 50216-АК1 | Шариковый радиальный однорядный подшипник. Повышенная грузоподъемность. | 80.00 | 140.00 | 26.00 |
Способы доставки
Отправка через ведущие транспортные и курьерские компании: ПЭК, Деловые Линии, СДЭК, Байкал-Сервис, Энергия, КИТ, ЖелДорЭкспедиция.
Самовывоз возможен напрямую со склада в Москве.
Сроки доставки
Срок зависит от региона и выбранной транспортной компании. Все заказы комплектуются и отправляются в кратчайшие сроки со склада в Москве.
Надёжность и сохранность
Вся продукция упаковывается с учётом требований транспортировки. Мы гарантируем, что подшипники и комплектующие прибудут к заказчику в полной сохранности.
Доставка в страны ЕАЭС
Мы работаем с проверенными логистическими партнёрами, что позволяет оперативно доставлять заказы в Беларусь, Казахстан, Армению и другие страны ЕАЭС.
Варианты оплаты:
Минимальная сумма заказа и скидки:
Документы и гарантии:
Да, конечно! Наши технические специалисты готовы помочь вам с подбором точного аналога или замены подшипника. Просто позвоните нам по телефону +7 (495) 104-99-04 или напишите на почту zakaz@podsnab.ru.
Для оперативной консультации подготовьте, пожалуйста, имеющиеся данные: маркировку, размеры, тип оборудования или артикул старого подшипника.
Да, конечно! Мы высоко ценим долгосрочное сотрудничество и доверие клиентов по всей России. Для постоянных клиентов действует персональная система скидок.
Условия формируются индивидуально и зависят от:
Чтобы узнать свои условия и получить максимально выгодное предложение, свяжитесь с персональным менеджером или напишите нам на почту zakaz@podsnab.ru.
Вы можете оформить заказ несколькими способами:
Для оформления заказа от юридического лица свяжитесь с нашим отделом по работе с корпоративными клиентами по телефону +7 (495) 104-99-04 или напишите на email zakaz@podsnab.ru, прикрепив реквизиты вашей организации.
Мы оперативно подготовим коммерческое предложение и выставим счет.
Возврат товара надлежащего качества возможен в течение 10 дней с момента получения, если товар не был в употреблении, сохранен товарный вид, упаковка не вскрывалась и присутствуют все сопроводительные документы.
Возврат денежных средств осуществляется в течение 10 рабочих дней после проверки товара складом.
В соответствии с законодательством возврату не подлежат подшипники надлежащего качества, если отсутствует оригинальная упаковка или имеются следы монтажа.
В случае выявления брака или гарантийного случая мы гарантируем возврат или обмен товара.
Да, гарантийный срок хранения устанавливается заводом-изготовителем и в среднем составляет 2 года при соблюдении условий хранения: сухое помещение, оригинальная упаковка и смазка.
Точный срок для конкретного типа подшипника уточняйте у наших менеджеров.
Пн–Пт: с 8:00 до 17:00 (МСК).
Сб–Вс: выходные дни.
Заказы на сайте принимаются круглосуточно. Заявки, поступившие после окончания рабочего дня, обрабатываются на следующий рабочий день.
Минимальная сумма заказа для доставки составляет 3000 рублей. Самовывоз со склада возможен на любую сумму при наличии товара.
ООО «УралТехГрупп»
ИНН: 7415093830
КПП: 772401001
ОГРН: 1167456069021
Банк: ПАО Сбербанк
Р/с: 40702810838000475273
К/с: 30101810400000000225
БИК: 044525225
У подшипника NUP216-E-MPA пока нет отзывов. Вы можете стать первым покупателем, поделившимся своим мнением.