Поиск подшипника
Статьи
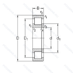
NUP213-E-MPA — Роликовый радиальный однорядный подшипник, модификация основного исполнения NUP213, производство NKE.
Размер подшипника: 65x120x23 мм.
Однорядный цилиндрический роликоподшипник. Наружное кольцо имеет два борта, внутреннее — один борт и одно свободное фланцевое кольцо. Основные размеры по DIN 5412-1, относится к подтипу фиксированные подшипники, разъемные, с сепаратором, твердый латунный сепаратор, повышенная грузоподъемность.
Международная стандартизации ISO
NUP213EMPA
В наличии
| Обозначение | Конструктивные изменения |
|---|---|
| NUP213ECNRP/VM004 | Канавка под стопорное кольцо на наружном кольце с соответствующим стопорным кольцом. Оптимизированная внутренняя конструкция предусматривает увеличенное количество роликов и/или ролики большего размера с улучшенными условиями контакта торцов роликов с бортами внутреннего кольца. Сепаратор из стеклонаполненного полиамида PA66. центрируемый по роликам. |
| NUP213ECP | Оптимизированная внутренняя конструкция предусматривает увеличенное количество роликов и/или ролики большего размера с улучшенными условиями контакта торцов роликов с бортами внутреннего кольца. Сепаратор из стеклонаполненного полиамида PA66. центрируемый по роликам. Однорядный цилиндрический роликовый подшипник. |
| NUP213-E-M1-C3 | Внутренний зазор больше нормального. Повышенная грузоподъемность. Механически обработанный латунный сепаратор. вращающийся элемент качения (крестовина на заклепках). |
| NUP213-E-JP3-C3 | Внутренний зазор больше нормального. Повышенная грузоподъемность. Применения с цилиндрическими роликоподшипниками с наружным диаметром > 90 мм с сепаратором из листовой стали JP3 с оптимизированной толщиной листа. Улучшенные направляющие и удерживающие ролики. Увеличенный поток масла или смазки. |
| NUP213E.TVP3 | Увеличенная грузоподъёмность. Цельный сепаратор из полиамида PA66-GF25. сепаратор оконного типа. направляемый телами качения. |
| NUP213C3 | Внутренний зазор больше нормального. |
| NUP213W | Цельный прессованный сепаратор. |
| NUP213ECNRJ/C3VE228 | Внутренний зазор больше нормального. Сепаратор из штампованной стали. Центрирование роликов. Незакаленный. Канавка под стопорное кольцо на наружном кольце с соответствующим стопорным кольцом. Оптимизированная внутренняя конструкция предусматривает увеличенное количество роликов и/или ролики большего размера с улучшенными условиями контакта торцов роликов с бортами внутреннего кольца. Внешние и внутренние отклонения. |
| NUP213ZS | Цилиндрический роликоподшипник. Взаимозаменяемые уменьшенные радиальные зазоры в пределах ограниченной группы зазоров. В соответствии с DIN43283. |
| NUP213ET | Сквозная закалка и шлифовка стали с переломом в одной точке. |
| NUP213E.TVP2.C3 | Внутренний зазор больше нормального. Повышенная грузоподъемность. Cепаратор изготовленный из полиамида PA66. армированного стекловолокном. |
| NUP213EN.M1 | Механически обработанный латунный сепаратор. вращающийся элемент качения (крестовина на заклепках). Увеличенная грузоподъемность и канавка под стопорное кольцо на наружном кольце. |
| NUP213EN.M1.C3 | Внутренний зазор больше нормального. Механически обработанный латунный сепаратор. вращающийся элемент качения (крестовина на заклепках). Увеличенная грузоподъемность и канавка под стопорное кольцо на наружном кольце. |
| NUP213EN.TVP2 | Cепаратор изготовленный из полиамида PA66. армированного стекловолокном. Канавка под стопорное кольцо на внешнем кольце. Увеличенная грузоподъемность и канавка под стопорное кольцо на наружном кольце. |
| NUP.213.E.G15 | Повышенная грузоподъемность. Литой сепаратор из полиамида 6.6. армированного стекловолокном. Элемент качения по центру. |
| NUP213-E-XL-TVP2-C4 | Внутренний зазор подшипника больше. чем C3. Повышенная грузоподъемность. Серия X-Life премиум-класс. увеличиный срок службы. Cепаратор изготовленный из полиамида PA66. армированного стекловолокном. |
| NUP213-E-TVP2-C4 | Внутренний зазор подшипника больше. чем C3. Повышенная грузоподъемность. Cепаратор изготовленный из полиамида PA66. армированного стекловолокном. |
| NUP213-E-XL-M1-C3 | Внутренний зазор больше нормального. Повышенная грузоподъемность. Серия X-Life премиум-класс. увеличиный срок службы. Механически обработанный латунный сепаратор. вращающийся элемент качения (крестовина на заклепках). |
| NUP213-E-XL-JP3-C3 | Внутренний зазор больше нормального. Повышенная грузоподъемность. Серия X-Life премиум-класс. увеличиный срок службы. Применения с цилиндрическими роликоподшипниками с наружным диаметром > 90 мм с сепаратором из листовой стали JP3 с оптимизированной толщиной листа. Улучшенные направляющие и удерживающие ролики. Увеличенный поток масла или смазки. |
| NUP213-E-XL-N-M1 | Повышенная грузоподъемность. Серия X-Life премиум-класс. увеличиный срок службы. Механически обработанный латунный сепаратор. вращающийся элемент качения (крестовина на заклепках). Канавка под стопорное кольцо на внешнем кольце. |
| NUP213-E-MA6 | Повышенная грузоподъемность. Изготовленный из двух частей латунный сепаратор. Центрирование по внешнему кольцу. Различные конструкции или сорта материалов обозначаются цифрой или буквой.. |
| NUP213-E-M6 | Повышенная грузоподъемность. 20-28 UM (C3 & C4). |
| NUP213EM | Стандартный фланцевый ( с резьбой и сквозным отверстием). |
| NUP213FPNR/C3 | Внутренний зазор больше нормального. |
| NUP213R | С выпуклыми асимметричными роликами и обработанным сепаратором. |
Модификации роликового подшипника NUP213-E-MPA — это измененное основное конструктивное исполнение NUP213, основные размеры (65x120x23) не отличаются.
| Обозначение | Гост | Конструктивные особенности |
|---|---|---|
| NJ213-E-TVP3+HJ213-E | ISO | Повышенная грузоподъемность. Цельный сепаратор из полиамида PA66-GF25. сепаратор оконного типа. направляемый телами качения. |
| NJ213-E-M6+HJ213-E | ISO | Повышенная грузоподъемность. 20-28 UM (C3 & C4). |
| NU213-E-MA6 | ISO | Повышенная грузоподъемность. Изготовленный из двух частей латунный сепаратор. Центрирование по внешнему кольцу. Различные конструкции или сорта материалов обозначаются цифрой или буквой.. |
| NU213-E-MPA | ISO | Повышенная грузоподъемность. Твердый латунный сепаратор. |
| 6-2213 К1М | ГОСТ | Модифицированный контакт.. |
| 6-2213 КМ | ГОСТ | Модифицированный контакт.. |
| 6-2213 Л | ГОСТ | Сепаратор из латуни.. |
| 6-2213 Л1 | ГОСТ | Сепаратор из латуни.. |
| 6-32213 ДТ | ГОСТ | Сепаратор из алюминиевого сплава.. Температура отпуска. 160°. |
| 6-32213 Т | ГОСТ | Температура отпуска. 160°. |
| 60-2213 К1М | ГОСТ | Модифицированный контакт.. |
| 60-2213 КМ | ГОСТ | Кольцевая проточка на середине цилиндрической наружной поверхности наружного кольца плюс три отверстия для смазки. Модифицированный контакт.. |
| 7-32213 Д1Т | ГОСТ | Температура отпуска. 160°. Сепаратор из алюминиевого сплава.. |
| 70-42213 К3М | ГОСТ | Модифицированный контакт.. |
| 42213-К1М | ГОСТ | Кольцевая проточка на середине цилиндрической наружной поверхности наружного кольца плюс три отверстия для смазки. Модифицированный контакт.. |
| 42213-КМ | ГОСТ | Кольцевая проточка на середине цилиндрической наружной поверхности наружного кольца плюс три отверстия для смазки. Модифицированный контакт.. |
| 42213-М | ГОСТ | Модифицированный контакт.. |
| 42213M | ГОСТ | Подшипник с латунным сепаратором. центрированный по телам качения. |
| 6-12213 К1М | ГОСТ | Модифицированный контакт.. |
| 6-12213 КМ | ГОСТ | Модифицированный контакт.. |
Аналог роликового подшипника NUP213-E-MPA — это подшипник такого же размера dx65,Dx120,Bx23, типа и конструкции.
| Обозначение | Конструктивные особенности | Внутренний (d) | Наружный (D) | Ширина (B) |
|---|---|---|---|---|
| 46213-АЛ | Шариковый радиально-упорный однорядный подшипник. Сепаратор из латуни.. Повышенная грузоподъемность. | 65.00 | 120.00 | 23.00 |
| 46213-Е | Шариковый радиально-упорный однорядный подшипник. Сепаратор из текстолита.. | 65.00 | 120.00 | 23.00 |
| 46213-Л | Шариковый радиально-упорный однорядный подшипник. Сепаратор из латуни.. | 65.00 | 120.00 | 23.00 |
| 46213-Е5 | Шариковый радиально-упорный однорядный подшипник. Сепаратор из текстолита.. | 65.00 | 120.00 | 23.00 |
| 46213К | Шариковый радиально-упорный однорядный подшипник. «Замок» (скос) на внутреннем кольце плюс массивный сепаратор из текстолита. | 65.00 | 120.00 | 23.00 |
| 5-116213 Т | Шариковый радиально-упорный однорядный подшипник. Температура отпуска. 160°. | 65.00 | 120.00 | 23.00 |
| 5-213 Ю1 | Шариковый радиальный однорядный подшипник. Все детали или часть деталей из нержавеющей стали.. | 65.00 | 120.00 | 23.00 |
| 5-36213 К | Шариковый радиально-упорный однорядный подшипник. «Замок» (скос) на внутреннем кольце плюс массивный сепаратор из текстолита. | 65.00 | 120.00 | 23.00 |
| 5-46213 Е | Шариковый радиально-упорный однорядный подшипник. Сепаратор из текстолита.. | 65.00 | 120.00 | 23.00 |
| 5-46213 Е2 | Шариковый радиально-упорный однорядный подшипник. Сепаратор из пластических материалов.. | 65.00 | 120.00 | 23.00 |
| 5-46213 Е5 | Шариковый радиально-упорный однорядный подшипник. Сепаратор из текстолита.. | 65.00 | 120.00 | 23.00 |
| 5-46213 Л | Шариковый радиально-упорный однорядный подшипник. Сепаратор из латуни.. | 65.00 | 120.00 | 23.00 |
| 50213-А | Шариковый радиальный однорядный подшипник. Повышенная грузоподъемность. | 65.00 | 120.00 | 23.00 |
| 50213-АК | Шариковый радиальный однорядный подшипник. Повышенная грузоподъемность. | 65.00 | 120.00 | 23.00 |
| 6-116213 Т | Шариковый радиально-упорный однорядный подшипник. Температура отпуска. 160°. | 65.00 | 120.00 | 23.00 |
Способы доставки
Отправка через ведущие транспортные и курьерские компании: ПЭК, Деловые Линии, СДЭК, Байкал-Сервис, Энергия, КИТ, ЖелДорЭкспедиция.
Самовывоз возможен напрямую со склада в Москве.
Сроки доставки
Срок зависит от региона и выбранной транспортной компании. Все заказы комплектуются и отправляются в кратчайшие сроки со склада в Москве.
Надёжность и сохранность
Вся продукция упаковывается с учётом требований транспортировки. Мы гарантируем, что подшипники и комплектующие прибудут к заказчику в полной сохранности.
Доставка в страны ЕАЭС
Мы работаем с проверенными логистическими партнёрами, что позволяет оперативно доставлять заказы в Беларусь, Казахстан, Армению и другие страны ЕАЭС.
Варианты оплаты:
Минимальная сумма заказа и скидки:
Документы и гарантии:
Да, конечно! Наши технические специалисты готовы помочь вам с подбором точного аналога или замены подшипника. Просто позвоните нам по телефону +7 (495) 104-99-04 или напишите на почту zakaz@podsnab.ru.
Для оперативной консультации подготовьте, пожалуйста, имеющиеся данные: маркировку, размеры, тип оборудования или артикул старого подшипника.
Да, конечно! Мы высоко ценим долгосрочное сотрудничество и доверие клиентов по всей России. Для постоянных клиентов действует персональная система скидок.
Условия формируются индивидуально и зависят от:
Чтобы узнать свои условия и получить максимально выгодное предложение, свяжитесь с персональным менеджером или напишите нам на почту zakaz@podsnab.ru.
Вы можете оформить заказ несколькими способами:
Для оформления заказа от юридического лица свяжитесь с нашим отделом по работе с корпоративными клиентами по телефону +7 (495) 104-99-04 или напишите на email zakaz@podsnab.ru, прикрепив реквизиты вашей организации.
Мы оперативно подготовим коммерческое предложение и выставим счет.
Возврат товара надлежащего качества возможен в течение 10 дней с момента получения, если товар не был в употреблении, сохранен товарный вид, упаковка не вскрывалась и присутствуют все сопроводительные документы.
Возврат денежных средств осуществляется в течение 10 рабочих дней после проверки товара складом.
В соответствии с законодательством возврату не подлежат подшипники надлежащего качества, если отсутствует оригинальная упаковка или имеются следы монтажа.
В случае выявления брака или гарантийного случая мы гарантируем возврат или обмен товара.
Да, гарантийный срок хранения устанавливается заводом-изготовителем и в среднем составляет 2 года при соблюдении условий хранения: сухое помещение, оригинальная упаковка и смазка.
Точный срок для конкретного типа подшипника уточняйте у наших менеджеров.
Пн–Пт: с 8:00 до 17:00 (МСК).
Сб–Вс: выходные дни.
Заказы на сайте принимаются круглосуточно. Заявки, поступившие после окончания рабочего дня, обрабатываются на следующий рабочий день.
Минимальная сумма заказа для доставки составляет 3000 рублей. Самовывоз со склада возможен на любую сумму при наличии товара.
ООО «УралТехГрупп»
ИНН: 7415093830
КПП: 772401001
ОГРН: 1167456069021
Банк: ПАО Сбербанк
Р/с: 40702810838000475273
К/с: 30101810400000000225
БИК: 044525225
У подшипника NUP213-E-MPA пока нет отзывов. Вы можете стать первым покупателем, поделившимся своим мнением.